不銹鋼混合酸化學腐蝕加工工藝流(liu)程如下:


一、工(gong)藝流程


  香蕉視頻app破解碼:304不銹鋼基體 → 化學除油→ 熱水洗 → 冷水洗 → 浸蝕② → 水洗 → 水洗 → 晾干 → 絲網印刷③ → 固化④ → 腐蝕加工⑤ → 水洗 → 脫膠⑥ → 烘干 → 成品檢驗入庫。


  網框準備:采用鋁合金框及合成纖維絲網,按印料的黏度選用適當目數(150目)的絲網 → 涂感光膠⑦ → 干燥 → 將底片覆蓋在感光膠上曝光 → 顯影⑧ → 水洗 → 干燥 → 制成合格絲網板待絲印用。采用絲網印刷,可提高工作效率和細小線條有較好的分辨率。


注:各道工(gong)序的溶(rong)液成分(fen)及操(cao)作要點如(ru)下:





二、混合酸(suan)腐蝕加(jia)工(gong)的工(gong)藝參數對(dui)腐蝕速率(lv)及表(biao)面狀況的影響


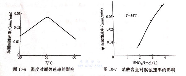
1. 溫(wen)度的影響(xiang)


 不同溫(wen)(wen)度(du)對(dui)腐蝕速率的影響見圖(tu)10-6。由(you)圖(tu)10-6可(ke)見,在溫(wen)(wen)度(du)55℃左右(you),腐蝕速率達(da)到最高(0.027mm/min),溫(wen)(wen)度(du)再(zai)升高,速率反(fan)而下降,溫(wen)(wen)度(du)低于(yu)50℃時(shi),表面狀況(kuang)較差。


圖 6.jpg


2. 硝酸(suan)含量的影響


 其(qi)他(ta)組分(fen)不變,硝酸含(han)量對腐(fu)蝕(shi)速(su)率的(de)(de)影響見(jian)圖10-7,腐(fu)蝕(shi)速(su)率隨硝酸含(han)量的(de)(de)升高而增高。濃(nong)度(du)為(wei)3mol/L(相(xiang)(xiang)當(dang)于(yu)189g/L)時,表面(mian)狀況(kuang)良好,濃(nong)度(du)為(wei)4mol/L(相(xiang)(xiang)當(dang)于(yu)252g/L)時,表面(mian)粗糙。


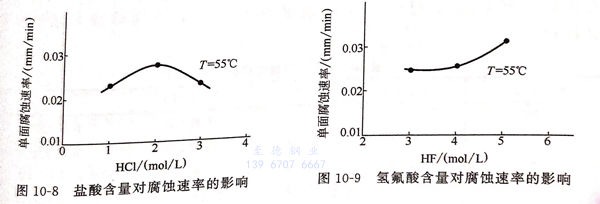
3. 鹽酸(suan)含量的影(ying)響


 其他組分不變,鹽度含量(liang)對腐蝕速率的影響見圖10-8。由圖10-8可見,鹽酸濃度為2mol/L(相當于192g/L)時(shi),腐蝕速率最大,可達到0.027mm/min。


圖 8.jpg


4. 氫氟酸含量的(de)影響


 其(qi)他(ta)組(zu)分不(bu)變,氫(qing)氟(fu)酸含量對腐(fu)(fu)蝕速率的(de)影(ying)響(xiang)見圖(tu)10-9,由圖(tu)10-9可見,氫(qing)氟(fu)酸濃度為(wei)4mol/L(相當(dang)于200g/L)時,腐(fu)(fu)蝕速率為(wei)0.025mm/min.經腐(fu)(fu)蝕4~10min,表面(mian)加工深度可達0.1~0.25mm。


5. 乙酸(suan)含量的影響


 乙酸對腐蝕速率沒(mei)有影響(xiang)。少量的添加(jia)可以(yi)提高表面加(jia)工(gong)的表面光潔(jie)度(du),還可以(yi)防止(zhi)氫氟酸揮發,減(jian)少污染(ran)。