提高材料的香蕉視頻app破解碼:耐腐蝕性是預防或減(jian)緩腐蝕發生的根(gen)本措施。通過改(gai)變材(cai)(cai)料(liao)化(hua)學成(cheng)分、結構組織等(deng)(deng)措施提(ti)高(gao)材(cai)(cai)料(liao)的耐(nai)腐蝕性(xing)(xing)成(cheng)本是巨大的。由于(yu)材(cai)(cai)料(liao)的腐蝕是從(cong)表(biao)面(mian)開始,因此,人們(men)從(cong)改(gai)變表(biao)面(mian)性(xing)(xing)能開始,提(ti)高(gao)材(cai)(cai)料(liao)耐(nai)腐蝕性(xing)(xing)。目前,材(cai)(cai)料(liao)表(biao)面(mian)改(gai)性(xing)(xing)的主要(yao)方法有(you)熱(re)處理、表(biao)面(mian)涂覆、電鍍、機械表(biao)面(mian)強化(hua)等(deng)(deng)。機械表(biao)面(mian)強化(hua)屬(shu)于(yu)物理強化(hua)的一種(zhong),具(ju)有(you)成(cheng)本低(di)、綠色無污染、實(shi)用性(xing)(xing)強等(deng)(deng)特點。


1. 實(shi)驗設計


  為進一步研究超聲滾壓對材料性能的影響,特別是耐腐蝕性能的影響,浙江至德鋼業有限公司以S30408不銹鋼為實驗材料,以人工模擬的工業冷卻水為介質,進行了實驗研究。


  材料采用厚度為2mm的不銹(xiu)鋼板,其化學成分見表7-1,采用超聲滾壓加工技術對材料的單面進行表面處理,材料加工前后外觀如圖7-2所示,經超聲表面滾壓后,用肉眼觀察,材料表面光潔度明顯增大,如同“鏡面”,但是也可以觀察到加工“刀痕”。對不同試樣,主要改變步距這個參數,工具頭的線速度和靜壓力均相等,分別是2m/min和0.1MPa,步距分別為0.05mm、0.10mm、0.15mm,0.20mm和0.25mm.隨著步距的減小,材料的光潔度增大,“刀痕”越來越不明顯。


2.jpg



2. 表(biao)面粗糙(cao)度(du)


  為(wei)了研究超聲表面(mian)(mian)滾(gun)壓(ya)(ya)對表面(mian)(mian)質量的(de)(de)(de)(de)影響,首(shou)先采用(yong)光學(xue)顯微鏡觀察表面(mian)(mian)形貌(mao)(mao),其次采用(yong)TR-200觸針式粗糙(cao)度檢測儀(yi)測Ra數(shu)值(zhi)。放大200倍后,試樣(yang)表面(mian)(mian)形貌(mao)(mao)如圖7-3所示。其中,圖7-3(f)為(wei)原始試樣(yang),表面(mian)(mian)條狀加工痕跡清晰(xi)可(ke)見;圖7-3(a)~(e)為(wei)不同步距下超聲滾(gun)壓(ya)(ya)后的(de)(de)(de)(de)表面(mian)(mian)形貌(mao)(mao)。從圖中可(ke)以看出,試樣(yang)表面(mian)(mian)滾(gun)壓(ya)(ya)而形成(cheng)了光滑的(de)(de)(de)(de)金屬層,但是(shi)新形成(cheng)的(de)(de)(de)(de)金屬表面(mian)(mian)還存在一定的(de)(de)(de)(de)缺陷,但隨(sui)著步距的(de)(de)(de)(de)減(jian)(jian)小(xiao),缺陷數(shu)量減(jian)(jian)少,尺寸減(jian)(jian)小(xiao)。


  在試(shi)樣表面隨機選(xuan)取3個位置進(jin)行粗糙度(du)測試(shi),取平均值作為最終結果,各試(shi)樣的Ra數值如表7-2所示。




  圖(tu)(tu)7-4為(wei)不同步距下超聲滾壓試樣表(biao)(biao)(biao)(biao)面(mian)(mian)粗糙度(du)(du)的變(bian)化(hua)。從圖(tu)(tu)中(zhong)可以看出(chu),加工步距對(dui)表(biao)(biao)(biao)(biao)面(mian)(mian)粗糙度(du)(du)有(you)重要的影響(xiang),表(biao)(biao)(biao)(biao)面(mian)(mian)粗糙度(du)(du)隨著加工步距的減(jian)小而(er)減(jian)小,表(biao)(biao)(biao)(biao)面(mian)(mian)粗糙度(du)(du)可降低(di)到0.037μm.未處理表(biao)(biao)(biao)(biao)面(mian)(mian)粗糙度(du)(du)Ra為(wei)0.283μm,與(yu)未處理表(biao)(biao)(biao)(biao)面(mian)(mian)相比較,處理表(biao)(biao)(biao)(biao)面(mian)(mian)因被碾壓而(er)形成光(guang)滑(hua)的金屬(shu)層(ceng),從而(er)降低(di)了表(biao)(biao)(biao)(biao)面(mian)(mian)粗糙度(du)(du)。


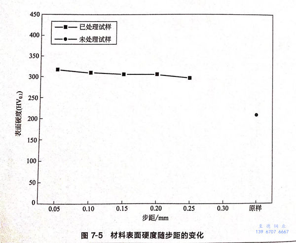
3. 表(biao)面硬度(du)


  鍍層的(de)硬(ying)(ying)(ying)度采用(yong)帶有金剛石壓頭的(de)HV-1000型顯(xian)微硬(ying)(ying)(ying)度計來測定。其方法是用(yong)金剛石壓頭在鍍層表面壓一個四角棱錐形凹痕(hen),在顯(xian)微鏡下放大(da)(da)400倍(bei)觀察。實驗時(shi),加載(zai)載(zai)荷為(wei)0.1HV(0.9807N),持續時(shi)間(jian)10s.每(mei)個試樣(yang)測量3次,取平均(jun)值。圖7-5為(wei)硬(ying)(ying)(ying)度測量結果,未處理(li)表面的(de)硬(ying)(ying)(ying)度是210HV;超聲波處理(li)后,材(cai)料的(de)表面硬(ying)(ying)(ying)度最(zui)大(da)(da)可達(da)317HV.從(cong)圖中可以看(kan)出,顯(xian)微硬(ying)(ying)(ying)度隨步(bu)距的(de)減小而增(zeng)大(da)(da),但影響較(jiao)小。硬(ying)(ying)(ying)度提高(gao)可歸因于晶(jing)粒細(xi)化(hua)、加工硬(ying)(ying)(ying)化(hua)及晶(jing)體組織變(bian)化(hua)的(de)共同作用(yong)。


5.jpg



4. 耐腐蝕性(xing)


 采(cai)用(yong)電(dian)(dian)化學技(ji)術(shu)分(fen)析材料(liao)處理表(biao)面的(de)(de)耐腐蝕性能,測量了(le)動電(dian)(dian)位(wei)極(ji)化曲線(xian)。實驗(yan)采(cai)用(yong)三電(dian)(dian)極(ji)體(ti)系:待測試(shi)(shi)樣(yang)(yang)為(wei)(wei)(wei)工(gong)作電(dian)(dian)極(ji),氧化汞電(dian)(dian)極(ji)為(wei)(wei)(wei)參比電(dian)(dian)極(ji),箔片電(dian)(dian)極(ji)為(wei)(wei)(wei)輔助電(dian)(dian)極(ji)。工(gong)作電(dian)(dian)極(ji)是尺寸(cun)為(wei)(wei)(wei)10mmx10mm的(de)(de)試(shi)(shi)樣(yang)(yang),將銅線(xian)與試(shi)(shi)樣(yang)(yang)焊接,采(cai)用(yong)混合的(de)(de)A、B環氧樹脂封(feng)裝(zhuang)試(shi)(shi)樣(yang)(yang),只保留超聲加(jia)工(gong)面為(wei)(wei)(wei)工(gong)作面。對于未處理試(shi)(shi)樣(yang)(yang),采(cai)用(yong)300、500、800的(de)(de)砂紙打磨。封(feng)裝(zhuang)完(wan)后,所(suo)有試(shi)(shi)樣(yang)(yang)先采(cai)用(yong)去(qu)離子水超聲清洗(xi),再采(cai)用(yong)酒(jiu)精(jing)清洗(xi)風(feng)干,放干燥(zao)皿中備(bei)用(yong),試(shi)(shi)樣(yang)(yang)如圖7-6所(suo)示。腐蝕介(jie)質是CaCl+NaHCO3配(pei)制(zhi)成(cheng)0.4g/L的(de)(de)CaCO3溶液(ye),Cl-的(de)(de)含量為(wei)(wei)(wei)248mg/kg,pH值7.5~8.5.電(dian)(dian)化學實驗(yan)在室(shi)溫(wen)下進行,掃描(miao)速度為(wei)(wei)(wei)10mV/s.試(shi)(shi)樣(yang)(yang)的(de)(de)動電(dian)(dian)位(wei)極(ji)化曲線(xian)如圖7-7所(suo)示。


6.jpg


  從(cong)圖7-7中可以(yi)看(kan)出(chu),經USRP處(chu)理的(de)(de)樣(yang)(yang)(yang)式,其維鈍(dun)電(dian)(dian)流(liu)密(mi)度(du)減小,腐(fu)蝕(shi)(shi)速度(du)降(jiang)低。未(wei)處(chu)理試(shi)樣(yang)(yang)(yang)的(de)(de)腐(fu)蝕(shi)(shi)電(dian)(dian)位(wei)約為(wei)-179mV,加(jia)(jia)工(gong)步(bu)距(ju)為(wei)0.05mm和0.10mm的(de)(de)試(shi)樣(yang)(yang)(yang)腐(fu)蝕(shi)(shi)電(dian)(dian)位(wei)約為(wei)-160mV,加(jia)(jia)工(gong)步(bu)距(ju)為(wei)0.25mm的(de)(de)試(shi)樣(yang)(yang)(yang)腐(fu)蝕(shi)(shi)電(dian)(dian)位(wei)約為(wei)-210mV.從(cong)以(yi)上實(shi)驗(yan)數據可以(yi)看(kan)出(chu),處(chu)理試(shi)樣(yang)(yang)(yang)的(de)(de)腐(fu)蝕(shi)(shi)電(dian)(dian)位(wei)和維鈍(dun)電(dian)(dian)流(liu)密(mi)度(du)的(de)(de)變化規律與加(jia)(jia)工(gong)步(bu)距(ju)之間不(bu)成線性關系,因此,并不(bu)是粗(cu)糙(cao)度(du)越小,耐腐(fu)蝕(shi)(shi)性越好。但(dan)是,加(jia)(jia)工(gong)步(bu)距(ju)為(wei)0.05mm的(de)(de)試(shi)樣(yang)(yang)(yang)(粗(cu)糙(cao)度(du)值最(zui)(zui)小),腐(fu)蝕(shi)(shi)電(dian)(dian)位(wei)最(zui)(zui)大、維鈍(dun)電(dian)(dian)流(liu)密(mi)度(du)最(zui)(zui)小,因此,其耐點蝕(shi)(shi)性能(neng)(neng)最(zui)(zui)好、腐(fu)蝕(shi)(shi)速率最(zui)(zui)小,與未(wei)處(chu)理試(shi)樣(yang)(yang)(yang)比較,工(gong)步(bu)距(ju)為(wei)0.25mm的(de)(de)試(shi)樣(yang)(yang)(yang),其點蝕(shi)(shi)電(dian)(dian)位(wei)反而降(jiang)低,這(zhe)可能(neng)(neng)是在(zai)超(chao)聲表(biao)面加(jia)(jia)工(gong)過程中,造成鈍(dun)化膜的(de)(de)不(bu)均(jun)性引起的(de)(de),如圖7-3(e)所示。


a. 表(biao)面粗糙度(du)和硬度(du)


   經超(chao)聲滾壓處理后(hou),材料表(biao)面形成的新光滑(hua)的金屬(shu)層(ceng)使表(biao)面粗(cu)糙度(du)降低。表(biao)面粗(cu)糙度(du)隨著步距(ju)的減小(xiao)而(er)減小(xiao),最小(xiao)為0.037μm,與原樣比(bi)較,降低了87%.


b. 表面硬度提高


   試(shi)樣經USRP處理(li)后,表面硬度(du)(du)最大可提高51%,但(dan)加(jia)工步(bu)距(ju)對(dui)表面硬度(du)(du)的影響較小(xiao)。


c. 耐腐蝕性


   超(chao)聲滾(gun)壓(ya)表面處理使不銹(xiu)鋼在循環水中的腐(fu)蝕(shi)電流密度降低。當(dang)加工步距(ju)為(wei)0.05mm時(shi),S30408不銹(xiu)鋼的耐腐(fu)蝕(shi)性最好,步距(ju)對耐腐(fu)蝕(shi)性能影(ying)響較小。