一、裝置(zhi)簡(jian)介


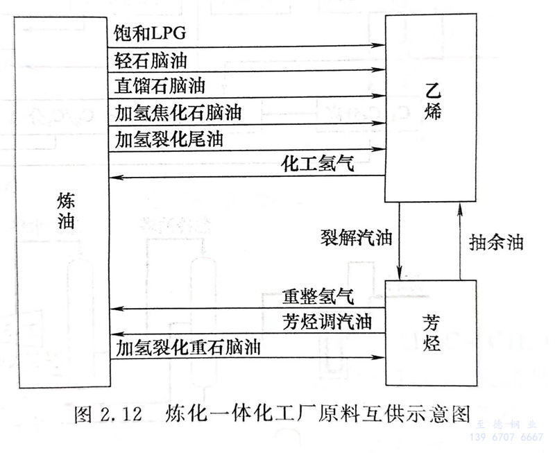
  我國(guo)(guo)乙烯工(gong)業起(qi)步于(yu)20世紀60年代,最早是1964年從原聯(lian)邦德國(guo)(guo)引進的魯(lu)(lu)奇公(gong)(gong)司(si)(si)的原油(you)裂(lie)解技術(shu)及(ji)年產3.6萬噸乙烯裝(zhuang)置。20世紀70年代先后建成了年產30萬噸、11.5萬噸和(he)7.3萬噸的三(san)套乙烯裝(zhuang)置,分別由(you)日本(ben)(ben)東洋工(gong)程公(gong)(gong)司(si)(si)、三(san)菱(ling)(ling)油(you)化(hua)公(gong)(gong)司(si)(si)及(ji)法國(guo)(guo)石(shi)油(you)研(yan)究(jiu)(jiu)院和(he)貝(bei)西(xi)姆(mu)公(gong)(gong)司(si)(si)引進,專利(li)技術(shu)分別來自美國(guo)(guo)魯(lu)(lu)姆(mu)斯公(gong)(gong)司(si)(si)、日本(ben)(ben)三(san)菱(ling)(ling)油(you)化(hua)及(ji)法國(guo)(guo)石(shi)油(you)研(yan)究(jiu)(jiu)院。21世紀后,年產百萬噸的乙烯裝(zhuang)置在我國(guo)(guo)大量建成投產。煉(lian)化(hua)一(yi)體化(hua)工(gong)廠原料互供示(shi)意(yi)圖見圖2.12。


12.jpg


  現(xian)以裂(lie)(lie)解(jie)(jie)技術為主體對(dui)乙烯裝置進行簡單介紹。根據(ju)裂(lie)(lie)解(jie)(jie)方(fang)式(shi)的不同,乙烯生產(chan)分(fen)(fen)(fen)(fen)為管式(shi)爐(lu)裂(lie)(lie)解(jie)(jie)法(fa)、催化裂(lie)(lie)解(jie)(jie)法(fa)、部(bu)分(fen)(fen)(fen)(fen)氧(yang)化法(fa)和(he)熱載體裂(lie)(lie)解(jie)(jie)法(fa)等(deng)。但任(ren)何裂(lie)(lie)解(jie)(jie)法(fa)得(de)到的裂(lie)(lie)解(jie)(jie)氣都(dou)(dou)是混合(he)物,需(xu)要(yao)分(fen)(fen)(fen)(fen)離才能(neng)得(de)到純凈的烯烴產(chan)品(pin)。通過(guo)混合(he)物的分(fen)(fen)(fen)(fen)離制取(qu)烯烴、芳烴的方(fang)法(fa)主要(yao)有三(san)種(zhong):深(shen)冷(leng)分(fen)(fen)(fen)(fen)離、油吸(xi)(xi)收(shou)中冷(leng)分(fen)(fen)(fen)(fen)離和(he)超吸(xi)(xi)附分(fen)(fen)(fen)(fen)離。目前(qian)國內的大部(bu)分(fen)(fen)(fen)(fen)乙烯裝置采用(yong)的分(fen)(fen)(fen)(fen)離技術都(dou)(dou)是深(shen)冷(leng)分(fen)(fen)(fen)(fen)離法(fa)。基本分(fen)(fen)(fen)(fen)離流程有順(shun)序分(fen)(fen)(fen)(fen)離、前(qian)脫乙烷和(he)前(qian)脫丙烷三(san)種(zhong),采用(yong)哪(na)種(zhong)分(fen)(fen)(fen)(fen)離流程與(yu)裂(lie)(lie)解(jie)(jie)原料有關。


  乙烯和丙烯在20世紀70年代,基本上都是由醇類脫水制得。隨著原料乙烯需求量的急劇增加,利用石油產品的熱裂解制作原料乙烯的生產方法成為現代乙烯生產的主要途徑。目前原料乙烯大部分以石油系碳氫化合物或濕天然氣為原料制得。乙烯裂解裝置主要以輕柴油為原料,采用高溫裂解和深冷分離工藝,即用六塔順序分離生產純乙烯、純丙烯、混合C4等產品。



二、典型乙烯裂解裝(zhuang)置的工藝及特點(dian)


  典型乙烯裂解裝置(zhi)的(de)工藝流(liu)程示(shi)意(yi)圖如圖2.13所示(shi)。


13.jpg


  乙(yi)(yi)烯(xi)裂(lie)解裝置大致可以分(fen)(fen)為四(si)個部(bu)分(fen)(fen),即裂(lie)解系統、壓縮(suo)及干燥系統、乙(yi)(yi)烯(xi)分(fen)(fen)離系統和(he)丙烯(xi)分(fen)(fen)離系統。


1. 裂解系統 


   裂(lie)解系統是(shi)指(zhi)裂(lie)解爐區及高壓蒸汽發生系統,其工(gong)藝流程示意圖如圖2.14所示。


14.jpg


   原料輕柴油經急冷水、急冷油兩級換熱,預熱后加入適量的稀釋蒸汽送入輕柴油裂解爐對流段。在對流段被加熱后進入輻射段加熱,至770~800℃并完成裂解反應。由乙烯精餾塔釜返回的循環乙烷經回收冷流量氣化后,按比例加入稀釋蒸汽并注入少量CS2送入乙烷裂解爐,在對流段被預熱后進入輻射段,在輻射段加熱到800~863℃進行裂解反應。


   輕柴油(you)(you)(you)和(he)乙烷經加熱(re)裂解(jie)(jie)得(de)到乙烯、丙烯、丁二烯及(ji)其他副產品混合的(de)裂解(jie)(jie)氣。裂解(jie)(jie)氣由(you)裂解(jie)(jie)爐(lu)出(chu)來后(hou)直接進(jin)(jin)入(ru)廢熱(re)鍋爐(lu),迅速冷(leng)(leng)卻,同時產生高(gao)壓(ya)(ya)蒸汽(qi)(qi)(qi)。由(you)開工鍋爐(lu)給水(shui)泵過來的(de)高(gao)壓(ya)(ya)鍋爐(lu)給水(shui)經蒸汽(qi)(qi)(qi)過熱(re)爐(lu)、裂解(jie)(jie)爐(lu)對流段(duan)加熱(re)后(hou),進(jin)(jin)入(ru)廢熱(re)鍋爐(lu)汽(qi)(qi)(qi)包,產生的(de)高(gao)壓(ya)(ya)蒸汽(qi)(qi)(qi)再經蒸汽(qi)(qi)(qi)過熱(re)爐(lu)過熱(re)至520℃后(hou)送入(ru)透平和(he)工藝設備。混合裂解(jie)(jie)氣進(jin)(jin)入(ru)急(ji)冷(leng)(leng)器,用急(ji)冷(leng)(leng)油(you)(you)(you)進(jin)(jin)行冷(leng)(leng)卻。之后(hou)又經過油(you)(you)(you)氣塔(ta)、水(shui)洗塔(ta)進(jin)(jin)一步冷(leng)(leng)卻。水(shui)洗塔(ta)頂部出(chu)來的(de)裂解(jie)(jie)氣被送入(ru)裂解(jie)(jie)氣壓(ya)(ya)縮機(ji)進(jin)(jin)行壓(ya)(ya)縮。油(you)(you)(you)氣塔(ta)和(he)水(shui)洗塔(ta)底部分(fen)別(bie)獲得(de)裂解(jie)(jie)焦油(you)(you)(you)和(he)裂解(jie)(jie)汽(qi)(qi)(qi)油(you)(you)(you)。


2. 壓縮及干燥系統 


   裂(lie)解(jie)氣(qi)進(jin)入(ru)(ru)五段(duan)離心式裂(lie)解(jie)氣(qi)壓(ya)縮(suo)機,在(zai)三段(duan)出口(kou)至(zhi)四(si)段(duan)入(ru)(ru)口(kou)間(jian)進(jin)入(ru)(ru)堿(jian)洗塔,經(jing)堿(jian)洗脫除硫化氫和(he)二氧化碳(tan)。經(jing)三段(duan)堿(jian)洗和(he)一段(duan)水洗后的裂(lie)解(jie)氣(qi)送(song)入(ru)(ru)四(si)段(duan)、五段(duan)壓(ya)縮(suo),送(song)入(ru)(ru)分(fen)離部分(fen),以便在(zai)較(jiao)高(gao)的壓(ya)力(li)下進(jin)行深冷分(fen)離。經(jing)過壓(ya)縮(suo)后的裂(lie)解(jie)氣(qi)首先(xian)進(jin)入(ru)(ru)干燥(zao)器進(jin)行干燥(zao),然(ran)后進(jin)入(ru)(ru)乙烯分(fen)離系(xi)統(tong)。


3. 乙烯分離系(xi)統 


   干燥后的裂解氣進入高壓脫乙烷塔進行C2/C3分離,C2經過加氫、冷卻分離出氫氣,然后進入脫甲烷塔進行甲烷脫除。脫除甲烷后的C2進入乙烯精餾塔獲得乙烯產品。乙烯產品在送出裝置前先進行5級壓縮。壓縮后的乙烯可以氣相產品送出裝置。壓縮乙烯也可以進行制冷,一方面為脫甲烷塔等提供制冷劑,另一方面可作為液體乙烯產品送出裝置。


4. 丙烯分離系統 


   從高壓脫乙烷塔底部出來的C3被送至低壓脫乙烷塔作進一步分離。塔底出來的C3被送入脫丙烷塔進行C3/C4分離。脫丙烷塔頂出來的C3,進入C3加氫系統,然后送至丙烯精餾塔獲得丙烯產品。脫丙烷塔底出來的C4/C5 物料進入脫丁烷塔進行C4/C5分離。從丙烯精餾塔出來的丙烯進入加工三段壓縮機壓縮,以液體丙烯作為產品送出裝置。



三、乙烯裂解裝置的工藝(yi)特點


  裂解系統溫度較高,裂解氣中含有氫氣、硫化氫和二氧化碳等腐蝕性介質,裂解部分的廢熱蒸汽系統為高溫高壓工況,C2分離系統為超低溫(-101℃及以下)工況,C3分離系統為低溫(-46℃及以下)介質工況。裝置中的典型介質有氫氣、二氧化碳、乙烯、丙烯和高壓蒸汽等。



四(si)、乙烯(xi)裂解(jie)裝置的配(pei)管(guan)設計


  主(zhu)要是對裂(lie)解爐、塔、換熱器(qi)、罐、泵(beng)、壓縮機等(deng)設備的配管(guan)設計。