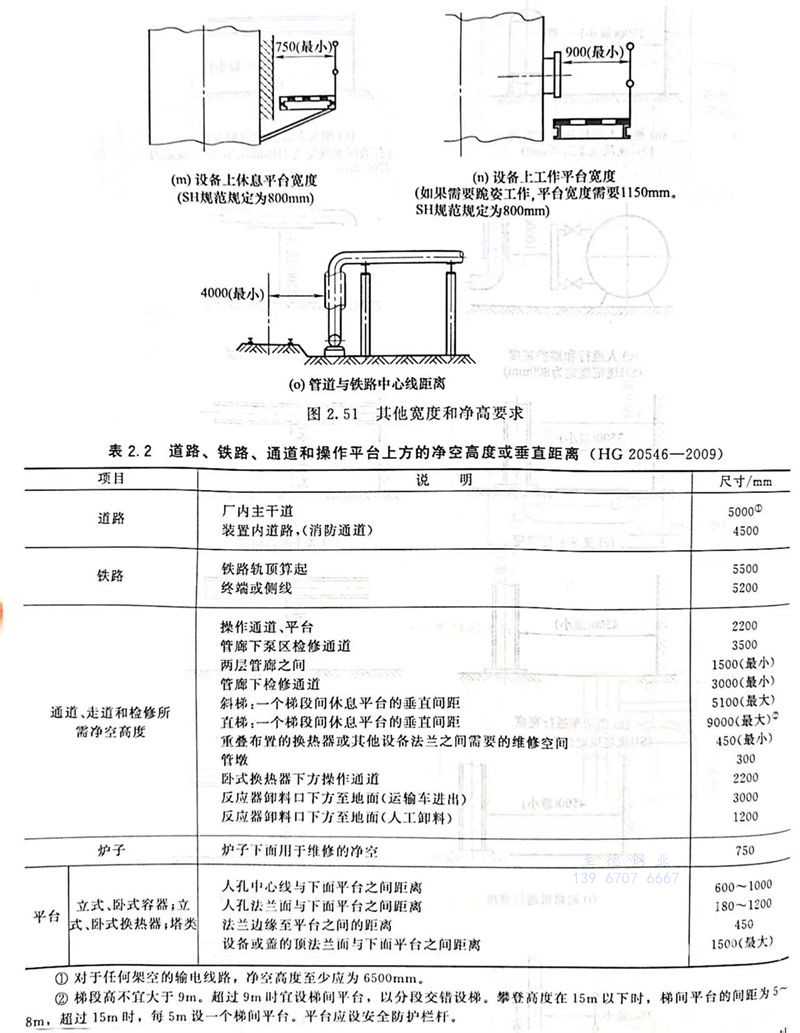
道路、鐵路、通道和操(cao)作平臺上方的凈空高度(du)或垂直距(ju)離見表2.2。


表 2.jpg


工(gong)程應用:跨(kua)越道(dao)路(lu)管廊下最小凈(jing)空高度


  跨越道路管(guan)(guan)廊下(xia)最小(xiao)凈(jing)空(kong)高度如圖2.52所示(shi)。對于(yu)跨越道路管(guan)(guan)廊下(xia)最小(xiao)凈(jing)空(kong)高度A的要求如下(xia)。


  SH 3012規定(ding),管道(dao)跨越(yue)廠區(qu)、裝(zhuang)置(zhi)區(qu)的(de)鐵路(lu)和道(dao)路(lu)時(shi)應符合(he)下述要(yao)求。管道(dao)跨越(yue)鐵路(lu)時(shi),軌面以(yi)(yi)上的(de)凈(jing)空(kong)高度(du)不(bu)低(di)于(yu)(yu)5.5m;管道(dao)跨越(yue)廠內道(dao)路(lu)時(shi),路(lu)面以(yi)(yi)上的(de)凈(jing)空(kong)高度(du)不(bu)低(di)于(yu)(yu)5m;管道(dao)跨越(yue)裝(zhuang)置(zhi)內的(de)檢修道(dao)路(lu)和消防道(dao)路(lu)時(shi),路(lu)面以(yi)(yi)上的(de)凈(jing)空(kong)高度(du)應不(bu)低(di)于(yu)(yu)4.5m。


  對于(yu)全廠性(xing)管道(dao)(dao),管墩距(ju)頂面不(bu)(bu)低于(yu)0.4m,管廊(lang)(lang)(lang)下方(fang)通行(xing)時(shi),凈(jing)高不(bu)(bu)低于(yu)2.1m,多(duo)層管廊(lang)(lang)(lang)(架)層間距(ju)不(bu)(bu)低于(yu)1.2m。對于(yu)裝置內(nei)管廊(lang)(lang)(lang),下方(fang)作為(wei)消防通道(dao)(dao)時(shi),凈(jing)高不(bu)(bu)低于(yu)4.5m,多(duo)層管廊(lang)(lang)(lang)層間距(ju)宜為(wei)1.2~2.0m。


  SH 3011規(gui)定,裝(zhuang)置內,主要車行通道(dao)(dao)、消防通道(dao)(dao)、檢修通道(dao)(dao)的最小凈(jing)寬和最小凈(jing)高分(fen)別為4.0m和4.5m,操(cao)作通道(dao)(dao)的最小凈(jing)寬為0.8m,最小凈(jing)高為2.2m。


52.jpg


工(gong)程(cheng)應用:平(ping)臺(tai)、過道和工(gong)作區(qu)域(yu)的最(zui)小(xiao)凈空(kong)


  平臺、過道和工作區域(yu)的(de)最(zui)(zui)小(xiao)凈空(kong)如圖2.53所示。這個高度要求(qiu)是按國內有關規(gui)范(fan),如果是國外(wai)項目,此高度可能不同。例如,筆(bi)者在參與設計規(gui)范(fan)較嚴格的(de)沙特阿美公司配(pei)管設計時,他(ta)們的(de)規(gui)范(fan)要求(qiu)最(zui)(zui)小(xiao)凈空(kong)高度為2030mm。



工程應用:不同高度結構平臺對直爬(pa)梯(ti)和(he)斜爬(pa)梯(ti)的一般要求


  不同高度結(jie)構平臺對直(zhi)爬(pa)梯(ti)(ti)和斜爬(pa)梯(ti)(ti)的一般要求如圖2.54所示(shi)。斜爬(pa)梯(ti)(ti)主要用于經常使(shi)用的位(wei)置,直(zhi)爬(pa)梯(ti)(ti)用于不經常使(shi)用的位(wei)置。


54.jpg


工程(cheng)應用:直爬梯段高和(he)休息平臺設置的一般(ban)要求(qiu)


  直(zhi)爬梯(ti)(ti)段(duan)(duan)高(gao)(gao)和休(xiu)息平(ping)臺(tai)設置(zhi)的(de)一般要求如圖2.55所示。中石化標(biao)(biao)準(zhun)規定:斜(xie)(xie)梯(ti)(ti)宜(yi)傾斜(xie)(xie)45°。梯(ti)(ti)高(gao)(gao)不宜(yi)大(da)(da)于(yu)5m,如大(da)(da)于(yu)5m,應(ying)設梯(ti)(ti)間(jian)(jian)(jian)平(ping)臺(tai)。設備(bei)上(shang)的(de)直(zhi)梯(ti)(ti)宜(yi)從(cong)側面通(tong)(tong)向(xiang)平(ping)臺(tai)。攀登高(gao)(gao)度(du)在(zai)15m以內時,梯(ti)(ti)間(jian)(jian)(jian)平(ping)臺(tai)的(de)間(jian)(jian)(jian)距應(ying)為(wei)5~8m;超過15m時,每(mei)5m應(ying)設梯(ti)(ti)間(jian)(jian)(jian)平(ping)臺(tai)。設備(bei)上(shang)的(de)直(zhi)梯(ti)(ti)宜(yi)從(cong)側面通(tong)(tong)向(xiang)平(ping)臺(tai),單段(duan)(duan)梯(ti)(ti)子(zi)的(de)高(gao)(gao)度(du)不宜(yi)大(da)(da)于(yu)10m,高(gao)(gao)度(du)大(da)(da)于(yu)10m時,應(ying)采(cai)用多段(duan)(duan)梯(ti)(ti),梯(ti)(ti)段(duan)(duan)水平(ping)交(jiao)錯布置(zhi)。國(guo)內各行(xing)業的(de)標(biao)(biao)準(zhun)規范(fan)規定的(de)數(shu)值,可(ke)能有些差異,實際工程(cheng)中需要以所依據行(xing)業標(biao)(biao)準(zhun)規范(fan)的(de)數(shu)據為(wei)準(zhun)。


工程(cheng)應用(yong):不同高(gao)度直爬(pa)梯(ti)護圈(quan)的設計


  高(gao)度(du)超(chao)過3m的(de)直梯應設(she)(she)置(zhi)安全護(hu)(hu)籠,護(hu)(hu)籠下端(duan)距地面(mian)或平(ping)臺面(mian)不應小于2.1m,護(hu)(hu)籠上(shang)端(duan)高(gao)出平(ping)臺面(mian),應與欄(lan)桿高(gao)度(du)一致。不同高(gao)度(du)直爬(pa)梯護(hu)(hu)圈(quan)的(de)設(she)(she)計如圖2.56所示。


56.jpg


工程應(ying)用(yong):錯誤的直爬梯設計(圖2.57)


  2015年筆(bi)者去(qu)剛建好的儲罐(guan)區參觀,發(fa)現一(yi)球罐(guan)的直爬梯(ti)(ti)單(dan)段梯(ti)(ti)子(zi)約20m高(gao),從地面(mian)直通球罐(guan)頂平(ping)臺,中間沒有(you)休息(xi)平(ping)臺和(he)爬梯(ti)(ti)交錯布置(zhi),廠內人員說爬這(zhe)個(ge)梯(ti)(ti)子(zi)時比較(jiao)累。后來,我(wo)們建議(yi)這(zhe)個(ge)直爬梯(ti)(ti)按照國(guo)家規范(fan)修改設計。