可鍛鑄(zhu)鐵是將白口(kou)鑄(zhu)鐵坯件通過石(shi)墨化(hua)或氧(yang)化(hua)脫(tuo)碳熱處(chu)理,改變其(qi)金(jin)相(xiang)組織(zhi)或成分,而獲(huo)得具有較(jiao)高韌性(xing)的(de)一種(zhong)鑄(zhu)鐵件。與(yu)灰鑄(zhu)鐵管(guan)件相(xiang)比,可鍛鑄(zhu)鐵管(guan)件的(de)優點是具有韌性(xing),其(qi)屈服強度與(yu)鋼近似。


 可鍛鑄鐵管(guan)件與管(guan)子的連(lian)接(jie)為螺紋連(lian)接(jie),通(tong)常適用(yong)(yong)于(yu)公稱通(tong)徑為6~150 mm(即DN6~DN150),輸送水、油、空氣(qi)、煤氣(qi)、蒸汽用(yong)(yong)的一(yi)般管(guan)路(lu)連(lian)接(jie)上。


1. 彎(wan)頭(tou)、三通(tong)和四通(tong)


 彎頭、三通和四通型(xing)式見圖 7-1 ,尺寸見表 7-2 。



2. 異徑(jing)彎頭(tou)


 異(yi)徑彎頭型式見圖(tu) 7-2,尺(chi)寸見表 7-3。


圖 2.jpg


3. 45°彎頭


  45°彎頭型式(shi)見(jian)圖 7-3 ,尺寸見(jian)表(biao) 7-4 。


4.jpg


4. 中(zhong)大、中(zhong)小異徑三(san)通


  中(zhong)大、中(zhong)小異(yi)徑三通(tong)型式見圖 7-4 ,尺寸見表 7-5 。



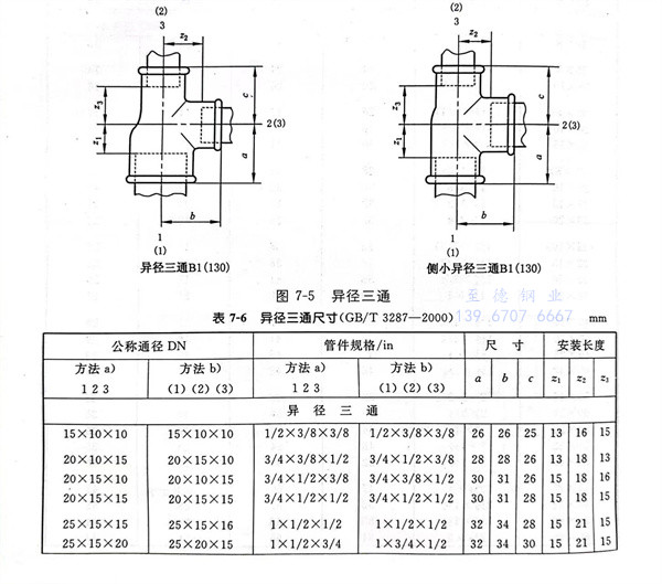
5. 異徑三(san)通


  異(yi)徑三通型式見圖 7-5 ,尺(chi)寸見表 7-6 。


6.jpg


6. 異徑(jing)四通


   異徑四(si)通型(xing)式見圖 7-6 ,尺寸(cun)見表 7-7 。


7.jpg


7. 短月(yue)彎(wan)、單彎(wan)三(san)通(tong)和雙(shuang)彎(wan)彎(wan)頭(tou)


 短(duan)月彎、單彎三通和雙彎彎頭型式見圖 7-7 ,尺寸(cun)見表 7-8 。


8.jpg


8. 異(yi)徑單彎(wan)三通(tong)


 異徑單(dan)彎(wan)三通型式見圖 7-8 ,尺(chi)寸見表 7-9 。


9.jpg


9. 異徑雙彎彎頭


 異(yi)徑雙彎(wan)彎(wan)頭(tou)型式見(jian)圖 7-9 ,尺(chi)寸見(jian)表 7-10 。


10.jpg


10. 長月(yue)彎


長月(yue)彎型式見圖(tu) 7-10 ,尺寸(cun)見表(biao) 7-11 。


11.jpg


11. 45°月(yue)彎(wan)


 45°月彎型式見(jian)圖 7-11 ,尺寸見(jian)表 7-12 。


12.jpg


12. 外接(jie)頭


 外(wai)接頭型式見圖 7-12 ,尺(chi)寸見表(biao) 7-13 。



13. 內外絲(si)接頭


 內外絲接頭(tou)型式見圖 7-13 ,尺寸(cun)見表 7-14 。


14.jpg


14. 內外螺絲


內外螺絲型(xing)式(shi)見圖 7-14 ,尺(chi)寸見表 7-15 。



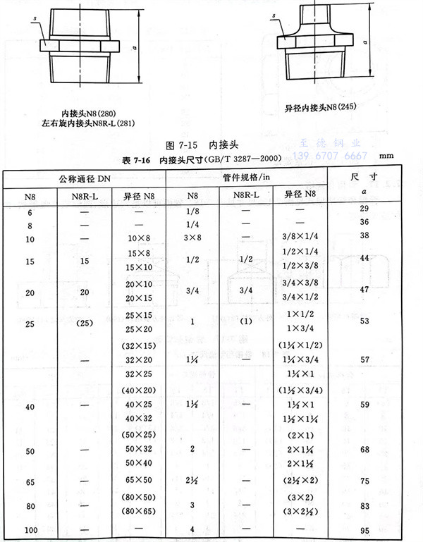
15. 內接頭


內接頭(tou)見(jian)圖(tu) 7-15 ,尺寸見(jian)表(biao) 7-16 。


16.jpg


16. 鎖緊螺(luo)母


 鎖(suo)緊(jin)螺(luo)母型式見圖7-16,尺寸見表7-17。鎖(suo)緊(jin)螺(luo)母可(ke)以(yi)是平的(de)或凹入式的(de),允(yun)許加工一(yi)個表面。s尺寸(扳手對邊寬度)由制(zhi)造商自(zi)行決定。螺(luo)紋(wen)(wen)應符合GB/T 7307《非螺(luo)紋(wen)(wen)密(mi)封管螺(luo)紋(wen)(wen)》的(de)規定。


17.jpg


17. 管(guan)帽和管(guan)堵


 管帽(mao)和(he)管堵型式見圖(tu)7-17,尺(chi)寸見表7-18。管帽(mao)可以是六邊(bian)形、圓形或其他形狀,由(you)制(zhi)造方決定(ding)。


18.jpg


18. 活接頭


 活接頭型式見圖7-18,尺寸見表7-19。其他類型座的設計和材料應符合表中所給出的尺寸a、b。 墊圈見7.2.20條。  活接頭U1和U2可否(fou)同套管一(yi)起供應由(you)制(zhi)造(zao)方(fang)決(jue)定(ding)。


19.jpg


  注:活接(jie)頭(tou)(無論是否(fou)有(you)適合于閥座設(she)計的(de)(de)墊圈)應(ying)作為一(yi)(yi)個完整組件來使用,因為活接(jie)頭(tou)的(de)(de)部(bu)件可(ke)以(yi)由(you)不同(tong)的(de)(de)制(zhi)造商來加(jia)工,也可(ke)以(yi)不同(tong)類型活接(jie)頭(tou)的(de)(de)部(bu)件由(you)同(tong)一(yi)(yi)個制(zhi)造商來做(zuo),這些部(bu)件沒有(you)必要(yao)(要(yao)求)具有(you)互換(huan)性。


19. 活接彎頭


  活接彎頭型式見圖7-19,尺(chi)寸見表7-20。其他類型座的設計和材料應符合表中(zhong)給(gei)出(chu)的尺(chi)寸a、b和c。


20.jpg

20.1.jpg


  注:活接頭(tou)(無論是否有適合(he)于閥座設(she)計的墊(dian)圈(quan))應作為(wei)一個完整組件來(lai)(lai)使用,因為(wei)活接頭(tou)的部件可以(yi)由不同的制造(zao)商來(lai)(lai)加工,也可以(yi)不同類型活接頭(tou)的部件由同一個制造(zao)商來(lai)(lai)做,這些部件沒有必(bi)要(yao)(要(yao)求(qiu))具有互(hu)換(huan)性(xing)。


20. 墊(dian)圈


  墊圈的型式見圖 7-20 ,尺寸見表 7-21 。


21.jpg


 墊圈材料和厚度(du)根據用途(tu),訂貨時由供需雙方協定。