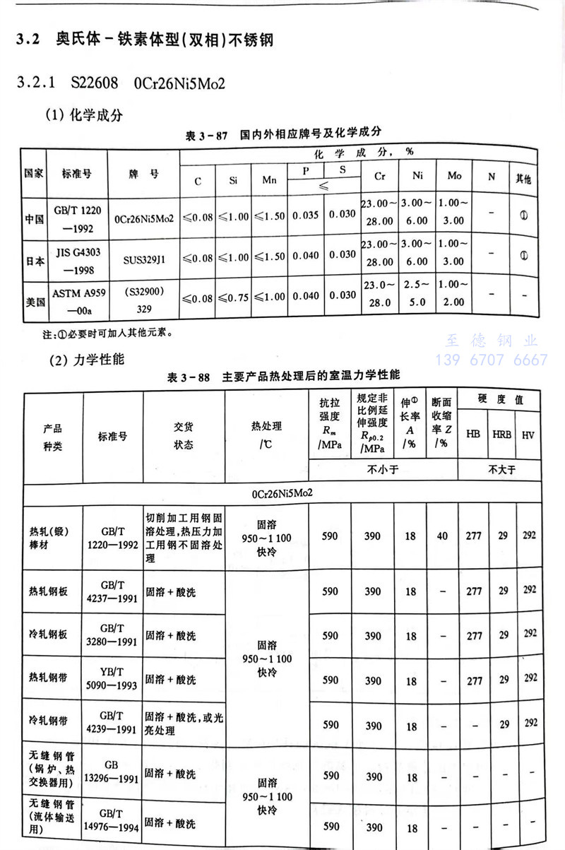
S22608 0Cr26Ni5Mo2 不銹鋼主(zhu)要特性和用途


  此鋼(gang)(gang)屈服強度高,幾乎是奧氏(shi)體型不銹鋼(gang)(gang)的(de)2倍。在海水中具有較(jiao)(jiao)好(hao)的(de)耐點蝕和縫隙腐(fu)蝕能力(li),抗氧化(hua)性能也較(jiao)(jiao)好(hao)。在含氯化(hua)物的(de)水介質中有較(jiao)(jiao)好(hao)的(de)耐應力(li)腐(fu)蝕性能。


  用于制造耐(nai)海水(shui)腐蝕(shi)的設(she)備,用工業水(shui)作為(wei)冷卻介質(zhi)的熱(re)交換器(qi)設(she)備等(deng)。