S45710 1Cr13Mo3 不銹鋼主要特性(xing)和用途
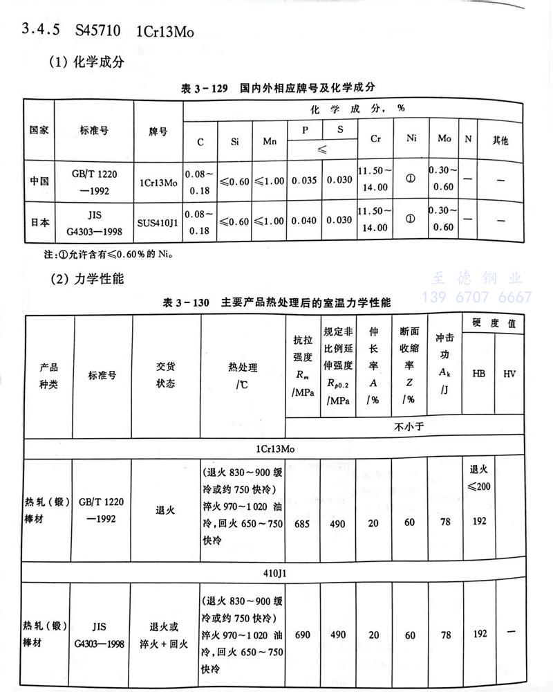
此鋼在1Cr13不銹鋼的基礎上加入0.30%~0.60%的鉬冶煉而成。由于加入鉬,提高了鋼的耐蝕性和強度,其耐蝕性和強度均比1Cr13不銹鋼好。
用于制(zhi)造要求韌性(xing)較高,承受(shou)沖擊負荷(he)的零件(jian)(jian),如汽輪機葉片、水(shui)壓機零件(jian)(jian)和耐高溫用的零部(bu)件(jian)(jian)等。
發布(bu)日期:2024-02-19 19:40:38 人(ren)氣:409
S45710 1Cr13Mo3 不銹鋼主要特性(xing)和用途
此鋼在1Cr13不銹鋼的基礎上加入0.30%~0.60%的鉬冶煉而成。由于加入鉬,提高了鋼的耐蝕性和強度,其耐蝕性和強度均比1Cr13不銹鋼好。
用于制(zhi)造要求韌性(xing)較高,承受(shou)沖擊負荷(he)的零件(jian)(jian),如汽輪機葉片、水(shui)壓機零件(jian)(jian)和耐高溫用的零部(bu)件(jian)(jian)等。