標準(zhun)型管件(jian)包括熱(re)壓(ya)彎(wan)頭(tou)、熱(re)壓(ya)T形三通(tong)、異(yi)徑管、封(feng)頭(tou)4種。


  a. 熱壓彎(wan)頭結構型式見圖13-1,尺(chi)寸見表13-6。


  b. 熱壓T型三(san)通(tong)結構型式見圖(tu)13-2,尺寸(cun)見表13-7。


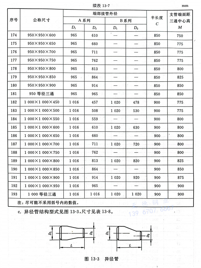
  c. 異(yi)徑(jing)管(guan)結構型(xing)式見圖13-3,尺寸(cun)見表13-8。


  d. 封頭結構(gou)型式見(jian)圖13-4,尺(chi)寸見(jian)表13-9。



注:1. 盡可能不(bu)采用括號內的數值。

      2. 封頭的(de)頭部形狀為橢(tuo)圓(yuan)形,半(ban)橢(tuo)圓(yuan)部分(fen)的(de)高度應不小于封頭內徑的(de)1/4。

      3. 當(dang)封頭的(de)壁厚小于(yu)(yu)和等于(yu)(yu)限制(zhi)厚度時(shi),采(cai)用L值,當(dang)大于(yu)(yu)限制(zhi)厚度時(shi),采(cai)用L1值。

      4. 對于公稱尺寸DN 650及以上的封頭,長度L1應由供需(xu)雙(shuang)方協(xie)商。





聯系方式.jpg