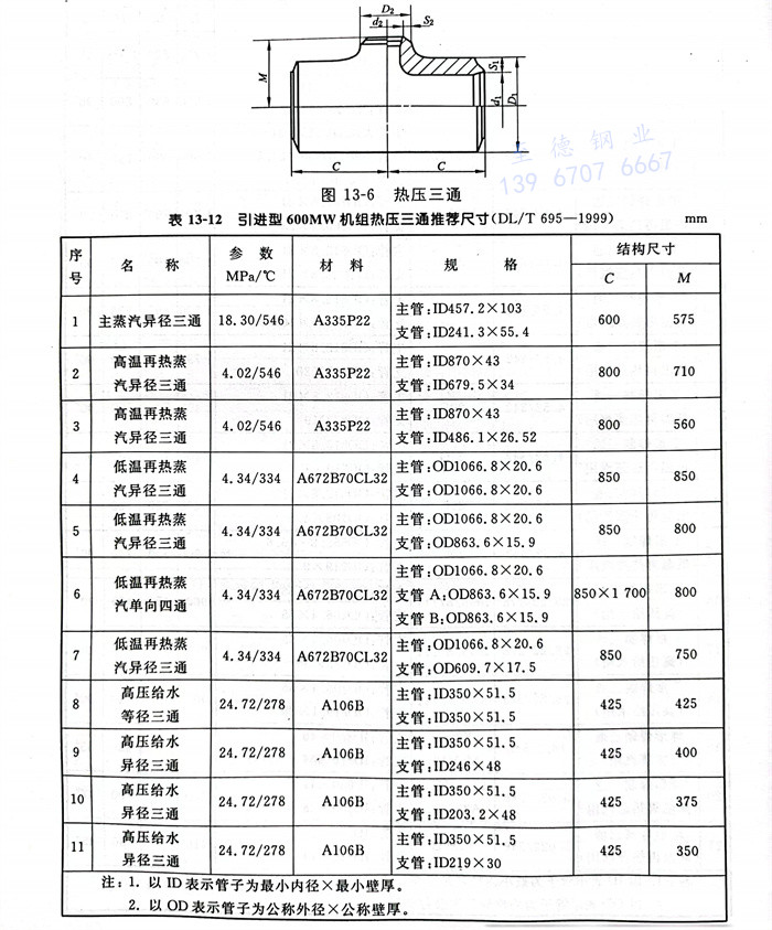
引進型600MW 機組及300MW 機組用管件包括火電廠鍛制、焊制三通及熱壓三通兩種尺寸。


 a. 引進(jin)型(xing)600MW機組(zu)鍛制、焊制三通(tong)結(jie)構(gou)型(xing)式見(jian)圖13-5,尺寸見(jian)表13-10;引進(jin)型(xing)300MW 機組(zu)鍛制、焊制三通(tong)結(jie)構(gou)型(xing)式見(jian)圖13-5,尺寸見(jian)表13-11;




 b. 引進型(xing)600MW 機組熱壓三通結構型(xing)式見圖13-6,尺(chi)寸見表13-12;引進型(xing)300MW機組熱壓三通結構型(xing)式見圖13-6,尺(chi)寸見表13-13。






聯系方式.jpg