化工鋼制無縫不銹鋼對焊(han)管件結構型式與尺寸見下表


一(yi)、管件(jian)


 1. 三(san)通


  三通(tong)(tong)型式見圖15-1,公制(zhi)三通(tong)(tong)尺寸見表15-1;英制(zhi)三通(tong)(tong)尺寸見表15-2。


 a. 短半徑彎頭


   短半(ban)徑彎頭型(xing)式見(jian)(jian)圖15-2,公(gong)制三(san)通尺(chi)寸見(jian)(jian)表15-3;英制三(san)通尺(chi)寸見(jian)(jian)表15-4。


 b. 長半徑彎頭


   長半徑彎頭型式見(jian)圖15-3,公制三(san)通(tong)(tong)尺寸(cun)(cun)見(jian)表15-5;英制三(san)通(tong)(tong)尺寸(cun)(cun)見(jian)表15-6。



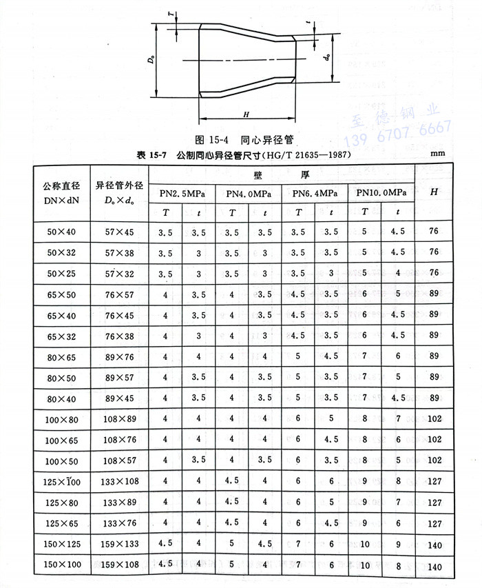
3. 同心異(yi)徑管


   同心異徑管型式見(jian)圖15-4,公制(zhi)三(san)通尺(chi)寸見(jian)表15-7;英制(zhi)三(san)通尺(chi)寸見(jian)表15-8。



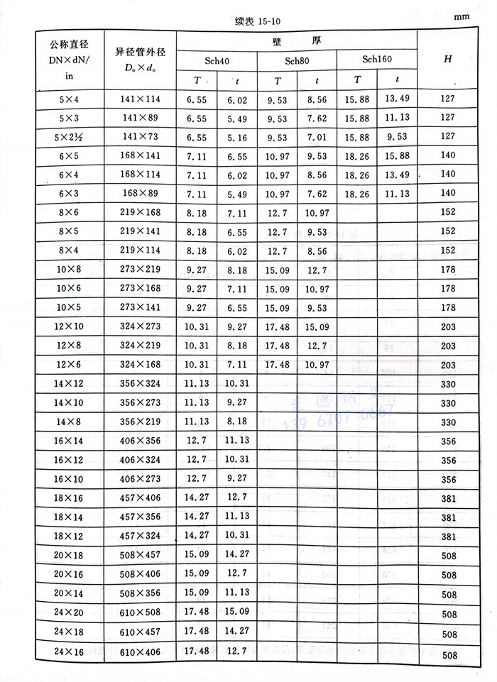
 4. 偏心異(yi)徑管


   偏心異徑(jing)管(guan)型(xing)式見(jian)(jian)圖15-5,公制三通尺寸見(jian)(jian)表(biao)15-9;英制三通尺寸見(jian)(jian)表(biao)15-10。



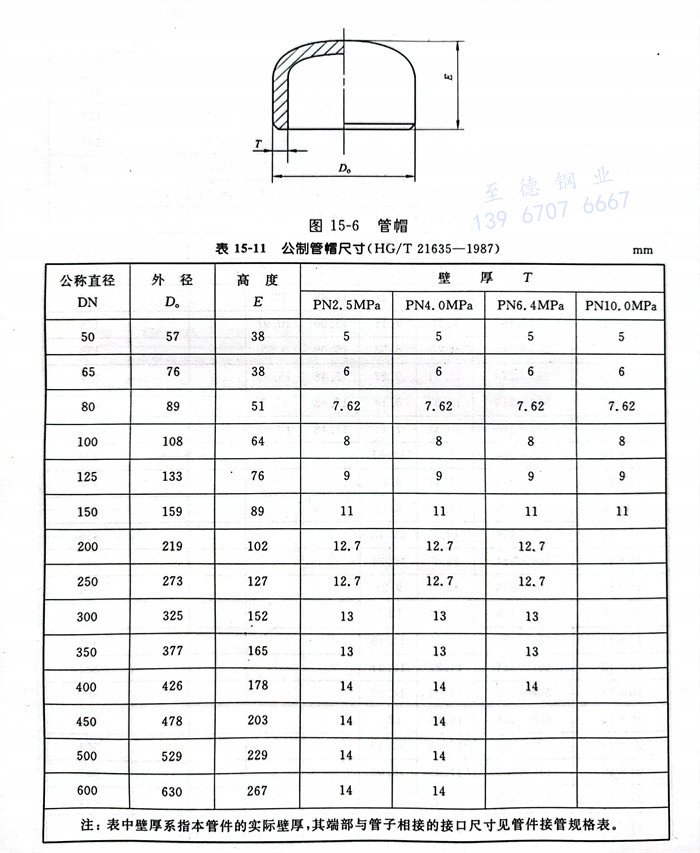
二、管(guan)帽


   管(guan)帽型式見圖15-6,公(gong)制三(san)通(tong)尺(chi)寸(cun)見表(biao)15-11;英制三(san)通(tong)尺(chi)寸(cun)見表(biao)15-12。


三、管件接管規格尺寸


   公制管件(jian)接管規格尺寸見(jian)表 15-13


   英制管件接管規格尺寸(cun)見(jian)表 15-14



四、公差(cha)


   成型管件主要尺寸偏差見(jian)圖 15-7 及(ji)表 15-15.

15.jpg



聯系方式.jpg