化工鋼制有縫對焊管件是用碳鋼、低合金鋼和奧氏體不銹鋼鋼板制造的具有縱向焊縫的管件,其品種包括三(san)通(tong)(等徑和異徑)、彎頭(tou)(短半徑90°和長半徑90°、45°)、異徑(jing)管(guan)或異徑接頭(同心和偏心)三種,與接管連接的方式為對焊連接,端部外徑分為系(xi)列和系列,是(shi)專(zhuan)供化工行業大型管道使(shi)用的一種管件。


1.  結構型(xing)式(shi)與尺寸


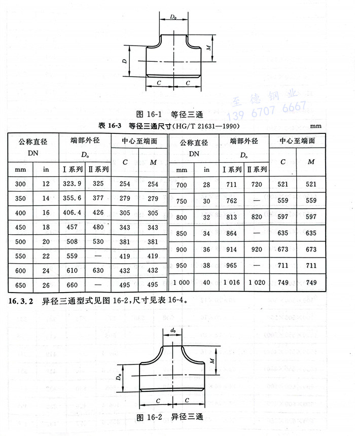
  a. 等(deng)徑三通(tong)型式見(jian)圖 16-1 ,尺寸(cun)見(jian)表 16-3 。


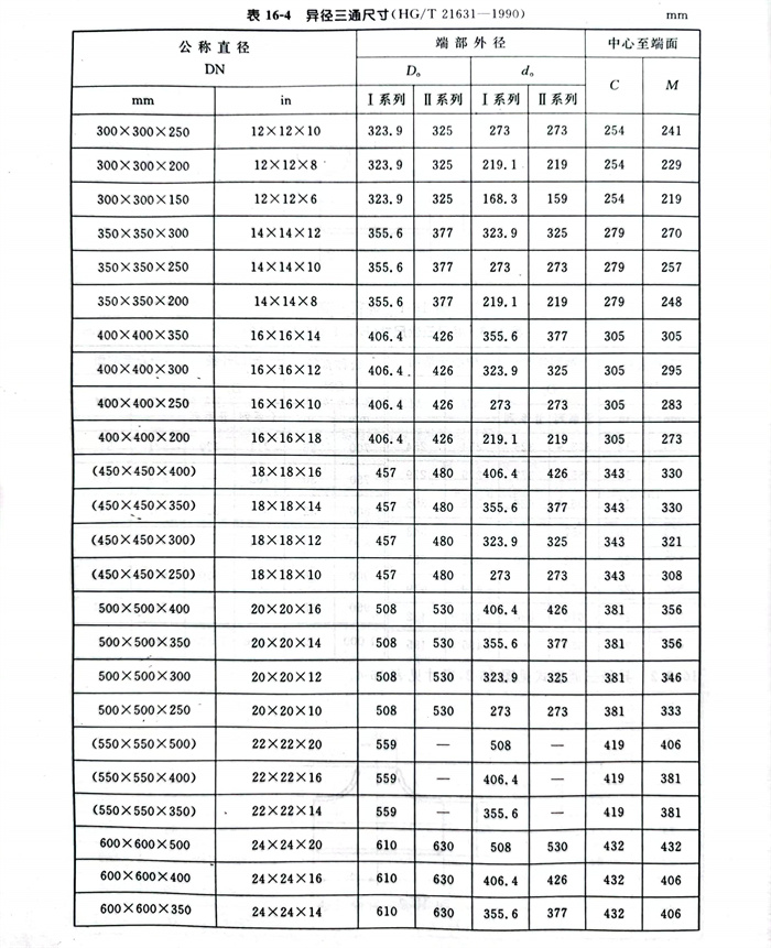
  b. 異徑三(san)通(tong)型(xing)式見圖 16-2 ,尺寸(cun)見表 16-4 。



  c. 彎頭型式(shi)見(jian)圖 16-3,尺寸見(jian)表 16-5 。


5.jpg


  d. 異徑(jing)管型式(shi)見(jian)圖 16-4 ,尺寸見(jian)表 16-6 。



2. 公差


  成型(xing)管件的主(zhu)要尺寸(cun)偏差見圖 16-5 及表 16-7。


7.jpg





聯系方式.jpg