ISO(國際標準化組織)制定并實施的比較典型的管件標準有對(dui)焊管件及螺紋連接管件兩類。對焊管件標準側重于介紹非合金鋼、合金鋼以及不銹鋼對焊管件;螺紋連接管件標準側重于介紹不銹鋼螺紋管件。非合金鋼和合金鋼對焊管件(ISO 3419:1981)及不銹鋼對焊管件(ISO 5251:1981)是ISO早期制定的標準,目前仍然在使用。不銹鋼螺紋管件(ISO 4144:2003)則是ISO近期制定的標準。


  不銹鋼對焊管件 ISO 5251


1.  適用范(fan)圍


  ISO 5251:1981 標準(zhun)規定了用于管(guan)(guan)道工程質(zhi)量要求的(de)對焊彎頭[具有或沒(mei)有直管(guan)(guan)端(duan)的(de)3D型(90°和180°和5D型(90°)]、同心和偏心異徑接頭、三通及管(guan)(guan)帽的(de)尺(chi)寸、公差以及管(guan)(guan)件(jian)用一般用途(tu)的(de)不銹(xiu)鋼鋼號。



2. 符號含意


  DN--公(gong)稱通徑(jing)(見(jian)ISO 6708);


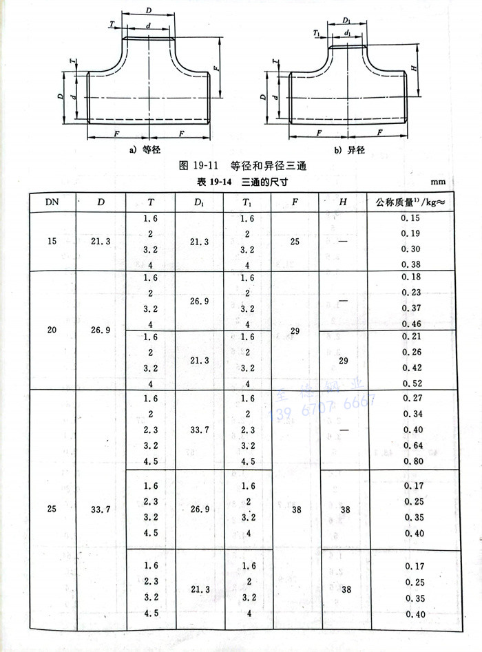
  D-大外徑;


  D1-小外徑;


  d--大內徑(jing);


  d1-小內徑;


  T-接近D處的壁厚;


  T1-接近D1處(chu)的壁厚;


  C--180°彎頭中心線直徑;


  B--180°彎頭自背(bei)面(mian)至端面(mian)或至直管端部開始處(chu)的尺寸;


  F--90°彎頭自(zi)中心(xin)線至(zhi)(zhi)端(duan)面(mian)或至(zhi)(zhi)直(zhi)管端(duan)部開始處(chu)的(de)尺寸以及等徑(jing)和異徑(jing)三通自(zi)中心(xin)線至(zhi)(zhi)端(duan)面(mian)d的(de)尺寸;


  H--異徑三通自(zi)中心線至端面d1的尺寸(cun);


  K--管帽(mao)總高度;


  L--異徑接頭(tou)總長(chang)度(du)及彎頭(tou)直管端的長(chang)度(du);


  R、R1-異(yi)徑接頭曲率半(ban)徑;


  Q--角直線偏(pian)差;


  P--垂直線偏差。



3. 材料(liao)


 a. 所使用(yong)的(de)鋼號按以下(xia)規定:


   TS46、TS47、TS57、TS58、TS60、TS61 (ISO 2604-2);


   P46、P47、P61 (ISO 2604-4);


   TW46、TW47、TW58、TW61 (ISO 2604-5)。


 b. 經供(gong)(gong)需(xu)雙方協(xie)議可提(ti)供(gong)(gong)ISO 2604-2、ISO 2604-4和ISO 2604-5中所(suo)規定(ding)的其他(ta)鋼號。


 c. 管件應(ying)由以下(xia)材料(liao)制(zhi)造(zao):


   ①. 無縫鋼(gang)管;


   ②. 焊接鋼管或焊接板材。焊縫應預先經供需雙方協議的無損檢驗方法檢驗。


 d. 根據(ju)供需雙(shuang)方(fang)協議,應進行(xing)晶間(jian)腐蝕試驗(yan)。例如,按照ISO 3651-2進行(xing)試驗(yan)。



4. 結構型式與(yu)尺寸


   3D彎頭包括(kuo)不(bu)帶直(zhi)(zhi)管(guan)端和帶直(zhi)(zhi)管(guan)端的(de)兩種。不(bu)帶直(zhi)(zhi)管(guan)端的(de)3D彎頭型式(shi)見圖(tu)19-7,尺寸(cun)見表19-10;帶直(zhi)(zhi)管(guan)端的(de)3D彎頭型式(shi)見圖(tu)19-8,尺寸(cun)見表19-11。


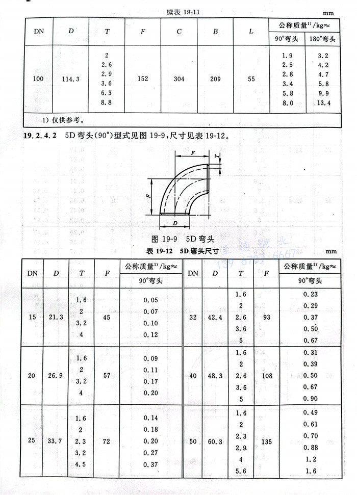
   5D彎頭(90°)型式見圖19-9,尺寸見表(biao)19-12。



   同心和(he)偏心異徑接頭型式見圖19-10,尺寸(cun)見表19-13。


   推薦半徑(jing)(jing):  同心(xin)異徑(jing)(jing)接(jie)頭:R≥0.4D  R1≥0.4D1 , 偏心(xin)異徑(jing)(jing)接(jie)頭:R≥0.3D , R1≥0.3D1 。



圖 10.jpg


  等徑和異徑三通型式見圖19-11,尺寸見表19-14。



  管帽型(xing)式見(jian)圖19-12,尺寸見(jian)表19-15。





5. 公差


 a. 尺寸偏差


   管件尺(chi)寸偏差見表 19-16


16.jpg


 b. 直線性偏差


   管件(jian)直線(xian)性(xing)偏(pian)差見表 19-17


17.jpg


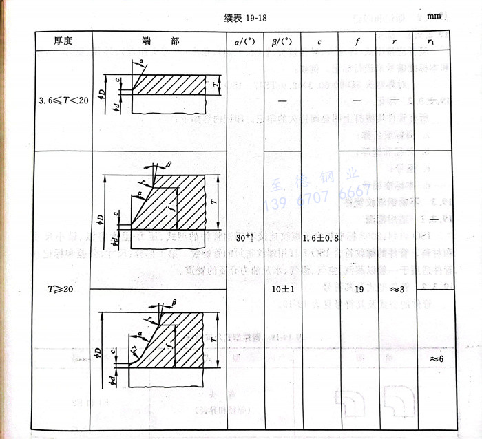
 c. 坡口偏差


   管(guan)件焊端(duan)應切成直(zhi)角。對于超過(guo) 3.6mm 的壁(bi)厚,其端(duan)部應加(jia)工(gong)成坡口(kou)。端(duan)部形狀和尺寸見(jian)表 19-18。




 6. 熱處理


  熱處理(li)應按生產廠和采(cai)購(gou)方之間的協議進行(xing),例如,根據(ju)ISO 2604-2《壓力用鋼質量(liang)要求(qiu) 第(di)2部分(fen):軋制無縫鋼管》或ISO 2604-5《壓力用鋼質量(liang)要求(qiu) 第(di)5部分(fen):縱向(xiang)焊接的奧(ao)氏體不銹鋼管》。



 7. 試(shi)驗(yan)


  通(tong)常,對于按(an)本標準條件生產的管件,不要求驗收試(shi)驗。



 8. 檢驗合格(ge)證


  a. 當用戶(hu)要求(qiu)時(shi),生(sheng)產廠(chang)應(ying)提(ti)供表明所(suo)提(ti)供的管(guan)件符(fu)合本標準的檢驗(yan)合格證。


  b. 本檢驗(yan)合格證應(ying)符合ISO 404《鋼(gang)和鋼(gang)材一般交(jiao)貨(huo)技術條件(jian)》中的5.2.1和5.2.2條的要(yao)求。



 9. 標記(ji)和(he)印記(ji)


  a. 標(biao)記


   管件應(ying)按型(xing)式(即(ji)彎頭(tou)、異徑接頭(tou)、管帽、三通(tong))、角度(du)(對彎頭(tou)而言)、外徑、壁(bi)厚、鋼號和本標(biao)準編號來(lai)進行標(biao)記(ji)。例如:


   對焊彎頭(tou)3D-90-60.3×2.9-TS47 ISO 5251


  b. 印(yin)記


   所有(you)管件(jian)均應(ying)打上明顯而持久(jiu)的印(yin)記(ji)。印(yin)記(ji)內容如(ru)下(xia):


    a. 商標或(huo)名稱;


    b. 外(wai)徑和壁厚;


    c. 鋼(gang)號(hao);


    d. 本標(biao)準(zhun)編號(hao)。




聯系方式.jpg