本篇重點介紹國(guo)(guo)際標(biao)(biao)準(zhun)化組織(ISO)及(ji)美(mei)國(guo)(guo)機械工程師協(xie)會(hui)(ASME)發布(bu)的(de)有(you)代表性的(de)管(guan)件(jian)(jian)標(biao)(biao)準(zhun)。這些(xie)管(guan)件(jian)(jian)標(biao)(biao)準(zhun)包(bao)括:ISO發布(bu)的(de)非合金鋼(gang)(gang)(gang)(gang)及(ji)合金鋼(gang)(gang)(gang)(gang)對(dui)(dui)焊(han)(han)(han)管(guan)件(jian)(jian)、不(bu)銹鋼(gang)(gang)(gang)(gang)對(dui)(dui)焊(han)(han)(han)管(guan)件(jian)(jian)及(ji)不(bu)銹鋼(gang)(gang)(gang)(gang)螺(luo)紋管(guan)件(jian)(jian)3個國(guo)(guo)際標(biao)(biao)準(zhun);ASME發布(bu)的(de)灰鑄鐵螺(luo)紋管(guan)件(jian)(jian)、可鍛(duan)鑄鐵螺(luo)紋管(guan)件(jian)(jian)、承插焊(han)(han)(han)和(he)螺(luo)紋連接鍛(duan)鋼(gang)(gang)(gang)(gang)制管(guan)件(jian)(jian)、工廠(chang)制造的(de)鍛(duan)鋼(gang)(gang)(gang)(gang)對(dui)(dui)焊(han)(han)(han)管(guan)件(jian)(jian)及(ji)鍛(duan)鋼(gang)(gang)(gang)(gang)制對(dui)(dui)焊(han)(han)(han)小彎曲半徑彎頭和(he)180°彎頭等5個標(biao)(biao)準(zhun)。


  這些國(guo)外(wai)(含國(guo)際(ji))典型(xing)管件標準的(de)(de)推薦,對我國(guo)石(shi)油、化(hua)工、石(shi)油化(hua)工等領域的(de)(de)引進裝置(zhi),具有選用(yong)價值。


  ISO(國際標準(zhun)(zhun)化組(zu)織)制定(ding)(ding)并實(shi)施(shi)的比較典型的管(guan)(guan)(guan)(guan)件(jian)(jian)標準(zhun)(zhun)有對(dui)焊(han)(han)管(guan)(guan)(guan)(guan)件(jian)(jian)及(ji)螺(luo)紋連接管(guan)(guan)(guan)(guan)件(jian)(jian)兩(liang)類。對(dui)焊(han)(han)管(guan)(guan)(guan)(guan)件(jian)(jian)標準(zhun)(zhun)側(ce)重于(yu)介紹非(fei)合金(jin)鋼(gang)、合金(jin)鋼(gang)以及(ji)不銹(xiu)鋼(gang)對(dui)焊(han)(han)管(guan)(guan)(guan)(guan)件(jian)(jian);螺(luo)紋連接管(guan)(guan)(guan)(guan)件(jian)(jian)標準(zhun)(zhun)側(ce)重于(yu)介紹不銹(xiu)鋼(gang)螺(luo)紋管(guan)(guan)(guan)(guan)件(jian)(jian)。非(fei)合金(jin)鋼(gang)和合金(jin)鋼(gang)對(dui)焊(han)(han)管(guan)(guan)(guan)(guan)件(jian)(jian)(ISO 3419:1981)及(ji)不銹(xiu)鋼(gang)對(dui)焊(han)(han)管(guan)(guan)(guan)(guan)件(jian)(jian)(ISO 5251:1981)是ISO早期制定(ding)(ding)的標準(zhun)(zhun),目前仍然在使用。不銹(xiu)鋼(gang)螺(luo)紋管(guan)(guan)(guan)(guan)件(jian)(jian)(ISO 4144:2003)則是ISO近(jin)期制定(ding)(ding)的標準(zhun)(zhun)。



不銹鋼(gang)螺紋管(guan)件 ISO 4144:2003 標準


1. 適用范圍


  ISO 4144:2003標準規定了螺紋連接(jie)不銹鋼管件的(de)型式、壓力-溫(wen)度等級、最小尺(chi)寸和材料(liao)。管件的(de)螺紋符合ISO 7-1《用螺紋密封的(de)管螺紋 第1部分:尺(chi)寸、公(gong)差和標記》;管件適用于一般以蒸汽、空氣、煤氣、水及(ji)油為(wei)介(jie)質的(de)管道。


2. 管件型(xing)式及(ji)其符(fu)號(hao)


  管件的(de)型(xing)式(shi)及其符號(hao)見表19-19。




3. 壓力(li)-溫度等級(ji)


  壓(ya)力-溫度等級見表19-20。


20.jpg



4. 制造(zao)和(he)材料


  管件應采用鑄造、軋制、鍛造等方法制造。材料應為奧氏體不(bu)銹(xiu)鋼(gang),其屈服極限至少等于ISO 2604-2中所規定的鋼號為TS47的屈服極限。制造管件的材料應嚴格經過ISO 4991:1994《壓力用途的鑄鋼件》5.2條表1所規定的固溶化退火熱處理。



5. 螺紋


 a. 螺(luo)紋的(de)選擇(ze)


   管(guan)件的(de)螺紋應符合ISO7-1的(de)規定。外螺紋及內螺紋錐度(du)為1:16,但內螺紋可(ke)以為直螺紋。


   例外情況:活(huo)接頭螺母及其(qi)配合螺紋應符合ISO 68-1、ISO 228-1、ISO 261、ISO 262或ISO 724-的規定。


 b. 倒角


   螺紋端部(bu)應(ying)進行倒(dao)角。



6. 結構(gou)型式與尺寸


 a. 總則


  管件(jian)尺寸在圖19-14~圖19-27中(zhong)及(ji)表19-21~表19-34中(zhong)規定。未規定的尺寸由制造(zao)廠自行處理。


  管(guan)件接口型式見(jian)圖(tu)19-14,尺寸(cun)見(jian)表(biao)19-21。


  彎頭 E1、三通(tong) T1 及四(si)通(tong) X1 型式見(jian)圖(tu)19-15,尺寸見(jian)表(biao)19-22。



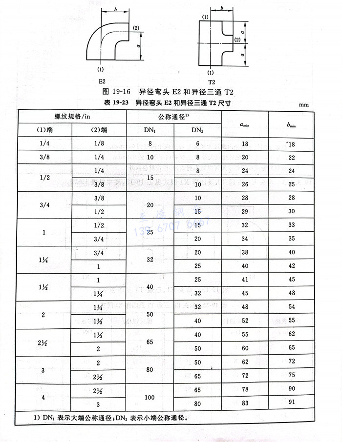
  異(yi)徑彎頭 E2 和 異(yi)徑三通 T2 型式見(jian)圖(tu)19-16,尺寸見(jian)表19-23。


23.jpg


  45°彎頭(tou) E3 型式見圖19-17,尺寸見表19-24。


  外(wai)螺紋與內螺紋彎頭(tou) E4 型(xing)式(shi)見圖(tu)19-18,尺寸見表19-25。


24.jpg


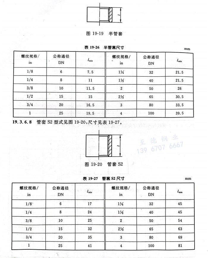
  半管套(tao)S1 型(xing)式見(jian)圖19-19,尺(chi)寸見(jian)表19-26。


  管套S2 型(xing)式見(jian)(jian)圖19-20,尺寸(cun)見(jian)(jian)表19-27。


26.jpg


  異徑管套S3 型式(shi)見(jian)圖19-21,尺(chi)寸見(jian)表19-28。


28.jpg


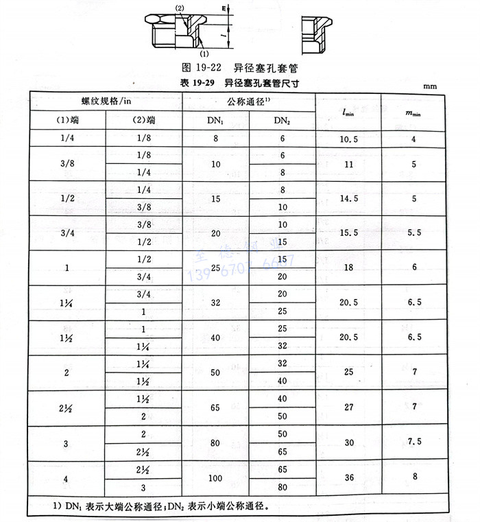
  異徑塞孔(kong)管套B1


    異徑塞孔(kong)管套可以有六角形(xing)(xing)(xing)(xing)、八(ba)角形(xing)(xing)(xing)(xing)、十角形(xing)(xing)(xing)(xing)等種(zhong)(zhong)類(lei)。規(gui)(gui)格在1/2以下的只(zhi)有六角形(xing)(xing)(xing)(xing)1種(zhong)(zhong);規(gui)(gui)格為3/4~2的有六角形(xing)(xing)(xing)(xing)或八(ba)角形(xing)(xing)(xing)(xing)2種(zhong)(zhong);規(gui)(gui)格為22~4的有六角形(xing)(xing)(xing)(xing)、八(ba)角形(xing)(xing)(xing)(xing)或十角形(xing)(xing)(xing)(xing)3種(zhong)(zhong)。異徑塞孔(kong)管套B1型式見圖(tu)19-22,尺寸(cun)見表19-29。


29.jpg


  六(liu)角頭(tou)螺紋接套N1


   六(liu)(liu)(liu)角(jiao)頭螺(luo)紋接套(tao)可以有(you)(you)六(liu)(liu)(liu)角(jiao)形、八(ba)(ba)角(jiao)形、十角(jiao)形等(deng)種類(lei)。規(gui)格(ge)在1/2以下(xia)的只有(you)(you)六(liu)(liu)(liu)角(jiao)形1種;規(gui)格(ge)為3/4~2的有(you)(you)六(liu)(liu)(liu)角(jiao)形或八(ba)(ba)角(jiao)形2種;規(gui)格(ge)為2/2~4的有(you)(you)六(liu)(liu)(liu)角(jiao)形、八(ba)(ba)角(jiao)形或十角(jiao)形3種,六(liu)(liu)(liu)角(jiao)形螺(luo)紋接套(tao)型式 N1 見圖19-23,尺寸見表19-30。


30.jpg


  異徑螺紋接套


   異徑螺紋接套可以有(you)六(liu)角(jiao)(jiao)形(xing)、八角(jiao)(jiao)形(xing)、十角(jiao)(jiao)形(xing)等種(zhong)類(lei)。規格(ge)(ge)在1/2以下(xia)的只(zhi)有(you)六(liu)角(jiao)(jiao)形(xing)1種(zhong);規格(ge)(ge)為3/4~2的有(you)六(liu)角(jiao)(jiao)形(xing)或(huo)八角(jiao)(jiao)形(xing)2種(zhong);規格(ge)(ge)為2/2~4的有(you)六(liu)角(jiao)(jiao)形(xing)、八角(jiao)(jiao)形(xing)或(huo)十角(jiao)(jiao)形(xing)3種(zhong)。異徑螺紋接套N2型(xing)式見圖19-24,尺寸見表(biao)19-31。


32.jpg


  管帽C1


   管(guan)(guan)帽由(you)制造廠隨意選(xuan)擇,可以為(wei)六角形(xing)(xing)、八角形(xing)(xing)或十角形(xing)(xing)。管(guan)(guan)帽C1型式見圖19-25,尺寸(cun)見表(biao)19-32。


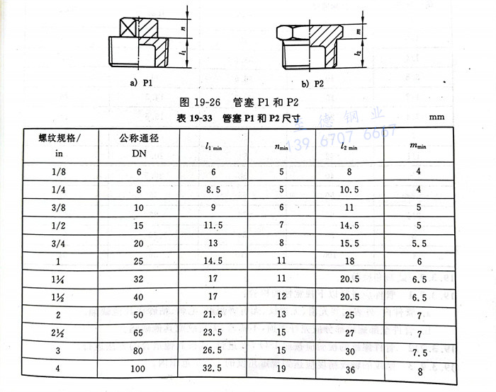
  管(guan)塞(sai)P1和(he)P2


   管塞(sai)由(you)制造廠隨意選(xuan)擇,可以(yi)(yi)為(wei)實心(xin)的(de)(de)或空心(xin)的(de)(de)。管塞(sai)P2可以(yi)(yi)為(wei)六(liu)角(jiao)(jiao)頭(tou)形、八(ba)角(jiao)(jiao)頭(tou)形、十角(jiao)(jiao)頭(tou)形等種類。規(gui)格在(zai)1/2以(yi)(yi)下的(de)(de)只(zhi)有(you)六(liu)角(jiao)(jiao)形1種;規(gui)格為(wei)3/4~2的(de)(de)有(you)六(liu)角(jiao)(jiao)形或八(ba)角(jiao)(jiao)形2種;規(gui)格為(wei)2%~4的(de)(de)有(you)六(liu)角(jiao)(jiao)形、八(ba)角(jiao)(jiao)形或十角(jiao)(jiao)形3種。管塞(sai)P1和(he)P2的(de)(de)型(xing)式(shi)見圖(tu)19-26,尺寸見表19-33。


33.jpg


  平座(zuo)U1、U2和U3活接(jie)頭及錐座(zuo)U4、U5和U6 活接(jie)頭


   平座U1、U2和U3活(huo)接頭及錐座U4、U5和U6活(huo)接頭型式(shi)見(jian)圖19-27,尺(chi)寸見(jian)表(biao)19-34。


34.jpg


7. 試驗和檢驗


 a. 管件應進行以下視覺性的檢驗:


    管件(jian)內(nei)、外表面要(yao)光滑、無裂紋、無有害刮痕(hen)、毛(mao)刺(ci)、粘砂或其(qi)他缺陷。


   管件全部(bu)(bu)螺紋部(bu)(bu)分應(ying)完好無損,不稀疏、無裂紋或(huo)其(qi)他缺陷。


 b. 管件螺紋的檢驗應按(an)照ISO 7-2進行(xing),或(huo)按(an)其他(ta)適合的方(fang)法進行(xing)。


 c. 螺(luo)紋的軸線精度應達(da)到規定角度的士0.5°范圍內。


 d. 當檢驗生(sheng)產的管件時,應對每(mei)一(yi)個管件進(jin)行下(xia)述試(shi)驗以保證管件不產生(sheng)泄漏(lou)。為了試(shi)驗管件,螺紋(wen)端(duan)要密(mi)封(feng)。當加壓(ya)使管件內(nei)部(bu)的壓(ya)力達(da)到6bar的空氣壓(ya)力后,在保持(chi)此壓(ya)力的同(tong)時,按表19-35所規定的最小試(shi)驗持(chi)續時間,觀察管件有(you)無(wu)泄漏(lou)現象(xiang)。


35.jpg


 e. 水壓試驗可以在(zai)30 bar壓力下進行,以代(dai)替空氣壓力試驗。試驗方(fang)法和試驗持續(xu)時間按19.3.7.4條(tiao)規定。


 f. 由諸如鍛(duan)件(jian)、軋制(zhi)棒料(liao)或(huo)擠壓管(guan)材等材料(liao)制(zhi)成的管(guan)件(jian),則不需要(yao)做(zuo)泄(xie)漏(lou)檢驗(yan)。


 g. 管件應能夠通過晶間腐(fu)蝕(shi)試(shi)驗(yan)并(bing)合格,晶間腐(fu)蝕(shi)試(shi)驗(yan)按ISO 4990《鑄(zhu)鋼(gang)件交貨(huo)的一(yi)般技(ji)術(shu)要求》中的B.9.1條進行(xing)。當做(zuo)腐(fu)蝕(shi)試(shi)驗(yan)時,應對(dui)每一(yi)熱處理裝(zhuang)爐量的一(yi)根(gen)管件做(zuo)試(shi)驗(yan)。



8. 印(yin)記(ji)


 管件應以(yi)商標(biao)(biao)、材料代號或縮寫(xie)以(yi)及(ji)螺(luo)紋(wen)標(biao)(biao)記(ji)做(zuo)印記(ji)。但是,當容納標(biao)(biao)志的位置不夠時,標(biao)(biao)志可(ke)以(yi)省略(lve)。



9. 標記


 ①. 標(biao)記(ji)內容


   符合 ISO 4144:2003(E)的管件,應按(an)以下內容(rong)依次進行標記:


    a. 管(guan)件型(xing)式(shi);


    b. 標準(zhun)編號(hao)ISO 4144;


    c. 螺(luo)紋(wen)規(gui)格標記;


    d. 符號(hao)(見(jian)表19-19);


    e. 材料(liao)。


 ②. 標記示例


  具有材料牌號為TS47鋼(gang)、內(nei)(nei)圓錐螺紋(wen)為Rc2的(de)等徑內(nei)(nei)螺紋(wen)彎頭(tou)E1的(de)標記為: 彎頭(tou) ISO 4144-Rc2E1 TS47


  具有材料牌號為TS61鋼、內圓錐螺紋為Rc2、支管為1%的(de)主管異徑三通T2的(de)標記為: 異徑三通(tong) ISO 4144-Rc2 × 1/4 T2 TS61


聯系方式.jpg