本章所(suo)介紹的(de)美(mei)國管(guan)件(jian)標準主(zhu)要為美(mei)國機械(xie)工程(cheng)師協會(hui)(即ASME)近(jin)期(qi)發布的(de)最新(xin)標準,這些(xie)管(guan)件(jian)標準主(zhu)要為:灰鑄鐵螺(luo)(luo)紋(wen)管(guan)件(jian)(ASME B16.4-1998)、可(ke)鍛(duan)鑄鐵螺(luo)(luo)紋(wen)管(guan)件(jian)(ASME B16.3-1998)、承插焊(han)和(he)(he)螺(luo)(luo)紋(wen)連接鍛(duan)鋼(gang)制(zhi)管(guan)件(jian)(ASME B16.11-2005)、工廠制(zhi)造(zao)的(de)鍛(duan)鋼(gang)對焊(han)管(guan)件(jian)及鍛(duan)鋼(gang)制(zhi)對焊(han)短半(ban)徑彎頭(tou)和(he)(he)180°彎頭(tou)等(deng)。


承插焊和螺紋連接鍛鋼(gang)制管件 ASME B16.11-2005 標準



一、 適用范圍


 1. 總則


    ASME B16.11-2005標準(zhun)適用于表20-30~表20-39所示的(de)承插焊式和螺(luo)紋(wen)連接式兩種鍛制(zhi)管件的(de)壓(ya)力-溫度等級(ji)、材(cai)料(liao)、尺寸、公差和標志。


  a. 管件型式/形狀


   本標(biao)準所(suo)包含(han)的管(guan)件(jian)型式(按(an)磅級及規(gui)格區(qu)分)見表(biao)20-26。表(biao)20-30~表(biao)20-39所(suo)示的管(guan)件(jian)也可制成承插焊端(duan)和螺紋端(duan)組合式管(guan)件(jian)。


  b. 專(zhuan)用管件


   經供需雙(shuang)方協商(shang),可以制造帶(dai)特殊螺紋(wen)或(huo)特殊锪孔的(de)(de)管(guan)件(jian)。這些管(guan)件(jian),當(dang)符(fu)合本(ben)標準的(de)(de)所有其他條文規定時,只要作(zuo)適(shi)當(dang)的(de)(de)標志(見20.3.8條標志內容),則應被(bei)認為是與本(ben)標準相符(fu)合的(de)(de)管(guan)件(jian)。


  c. 質量體(ti)系(xi)


   按(an)本(ben)標(biao)準(zhun)制(zhi)(zhi)造的(de)(de)(de)(de)產(chan)(chan)品(pin),應(ying)按(an)質(zhi)量體系程序生產(chan)(chan),該程序應(ying)按(an)照ISO 9000系列的(de)(de)(de)(de)某一(yi)合適的(de)(de)(de)(de)標(biao)準(zhun)的(de)(de)(de)(de)原則制(zhi)(zhi)定。制(zhi)(zhi)造廠有責(ze)任(ren)確定是(shi)否需要(yao)由(you)一(yi)個獨立的(de)(de)(de)(de)組織機構對(dui)產(chan)(chan)品(pin)制(zhi)(zhi)造廠的(de)(de)(de)(de)質(zhi)量體系程序進行注冊和/或(huo)認證。采購(gou)方在制(zhi)(zhi)造廠的(de)(de)(de)(de)場所應(ying)能得到(dao)演示(shi)(shi)程序符合性的(de)(de)(de)(de)詳細文件。應(ying)采購(gou)方的(de)(de)(de)(de)請求,采購(gou)方可以得到(dao)產(chan)(chan)品(pin)制(zhi)(zhi)造廠提供的(de)(de)(de)(de)其所使用的(de)(de)(de)(de)該質(zhi)量體系程序的(de)(de)(de)(de)書面概括說明(ming)。所謂產(chan)(chan)品(pin)制(zhi)(zhi)造廠是(shi)指按(an)本(ben)標(biao)準(zhun)標(biao)志或(huo)識(shi)別要(yao)求顯示(shi)(shi)在產(chan)(chan)品(pin)上的(de)(de)(de)(de)完整廠名(ming)或(huo)商標(biao)。


 2. 使(shi)用條(tiao)件


   選擇(ze)適合于特定流體使用條件的管(guan)件型式和材料(liao)的標準不在本標準的范圍內(nei)。


 3. 焊接


   安(an)裝(zhuang)焊接(jie)要求不在本標準的(de)范圍內(nei)。安(an)裝(zhuang)焊接(jie)應按照適用的(de)管(guan)道規(gui)范或(huo)包含安(an)裝(zhuang)該管(guan)件的(de)管(guan)道系(xi)統的(de)規(gui)程進行。


 4. 標準計量單位


   無(wu)論(lun)是以(yi)米制計量單(dan)位(wei)或是英(ying)制計量單(dan)位(wei)表示(shi)的(de)數值均(jun)視為標(biao)準值。在正文(wen)中英(ying)制單(dan)位(wei)值列于括號(hao)內,以(yi)每(mei)種單(dan)位(wei)制表示(shi)的(de)數值并(bing)非精確相等。因此,每(mei)種單(dan)位(wei)制必(bi)須單(dan)獨(du)使(shi)用(yong)。混合使(shi)用(yong)兩種單(dan)位(wei)制的(de)數值可能會造成(cheng)與(yu)標(biao)準的(de)不一(yi)致(zhi)性(xing)。



二、壓力等(deng)級


 1. 總(zong)則


  對(dui)于螺(luo)紋端管(guan)件,應標(biao)為2000、3000和(he)6000磅級(ji);對(dui)于承插(cha)焊端管(guan)件,應標(biao)為3000、6000和(he)9000磅級(ji)。


  a. 壓力-溫度等級(ji)的(de)計(ji)算(suan)依據


   為了確定等級,將相應(ying)于(yu)(yu)各(ge)磅級管(guan)(guan)(guan)件(jian)的(de)(de)(de)(de)(de)管(guan)(guan)(guan)壁厚度(du)系(xi)列(lie)號示(shi)于(yu)(yu)表(biao)(biao)20-27中。設(she)計(ji)溫度(du)和(he)(he)其(qi)他(ta)使用(yong)條件(jian)應(ying)受所(suo)適用(yong)的(de)(de)(de)(de)(de)管(guan)(guan)(guan)道規范或管(guan)(guan)(guan)件(jian)結構材料規程(cheng)的(de)(de)(de)(de)(de)限制。這些限制中,管(guan)(guan)(guan)件(jian)的(de)(de)(de)(de)(de)最(zui)大許用(yong)壓力應(ying)是按(an)(an)等同(tong)材料(如按(an)(an)各(ge)種(zhong)材料規范中材料的(de)(de)(de)(de)(de)化(hua)學成(cheng)分和(he)(he)力學性(xing)能對(dui)比得出的(de)(de)(de)(de)(de))制成(cheng)的(de)(de)(de)(de)(de)直無縫管(guan)(guan)(guan)計(ji)算求出的(de)(de)(de)(de)(de)。用(yong)于(yu)(yu)此種(zhong)計(ji)算的(de)(de)(de)(de)(de)壁厚應(ying)是ASME B36.10M中對(dui)管(guan)(guan)(guan)子規格(ge)和(he)(he)相應(ying)管(guan)(guan)(guan)壁厚度(du)序列(lie)號的(de)(de)(de)(de)(de)表(biao)(biao)列(lie)值(zhi)減去12.5%的(de)(de)(de)(de)(de)制造公差和(he)(he)其(qi)他(ta)公差(例如螺(luo)紋公差)。任何腐蝕裕量和(he)(he)由(you)于(yu)(yu)溫度(du)和(he)(he)其(qi)他(ta)設(she)計(ji)因素引(yin)起許用(yong)應(ying)力的(de)(de)(de)(de)(de)任何變化(hua)應(ying)同(tong)樣適用(yong)于(yu)(yu)管(guan)(guan)(guan)子和(he)(he)管(guan)(guan)(guan)件(jian)。


26.jpg


  b. 非標(biao)準管子(zi)壁厚


   由于(yu)ASME B36.10M既不包(bao)括Sch160,也不包(bao)括NPS1/8、NPS1/4和NPS3/8雙倍加厚管的(de)壁(bi)厚,所以表20-28中的(de)數值(zhi)可用于(yu)作為確(que)定等級時(shi)管子的(de)公稱壁(bi)厚。


28.jpg


  c. 組合端管件


   與承插焊端(duan)和螺紋端(duan)組合制造的管件,其磅(bang)級應(ying)依據表20-27中(zhong)最低(di)等(deng)級的端(duan)部形狀確定。


 2. 耐壓試驗的可行(xing)性


   本標準不要(yao)求進行耐(nai)壓試(shi)驗,但管(guan)件應(ying)能(neng)承受適用的管(guan)道(dao)規范對無縫管(guan)所要(yao)求的水(shui)壓試(shi)驗壓力。這種無縫管(guan)的材料與管(guan)件的鍛(duan)材相當,其Sch No.或(huo)壁厚與表20-27中(zhong)的管(guan)件磅級和端部(bu)連接有關。



三、規(gui)格


 1. 總則


   公稱(cheng)管(guan)件(jian)規格的(de)代號是NPS后跟(gen)無因次的(de)數字。NSP與(yu)國際(ji)標準中所使用的(de)標準公稱(cheng)通徑(jing)DN有關。它(ta)們之間(jian)的(de)關系見表20-29。


29.jpg


 2. 異(yi)徑管件規格


   對(dui)(dui)(dui)于異(yi)徑三(san)通(tong)(tong)和四(si)通(tong)(tong),應(ying)首先給(gei)出(chu)最大主管(guan)開口(kou)規(gui)格(ge),緊(jin)接著給(gei)出(chu)主管(guan)相對(dui)(dui)(dui)端的開口(kou)規(gui)格(ge)。管(guan)件為三(san)通(tong)(tong)時(shi),其支管(guan)規(gui)格(ge)放在最后(hou),管(guan)件為四(si)通(tong)(tong)時(shi),第三(san)個給(gei)出(chu)的是(shi)旁(pang)邊的最大開口(kou)規(gui)格(ge),緊(jin)接著給(gei)出(chu)的是(shi)對(dui)(dui)(dui)面的出(chu)口(kou)尺寸(cun)。異(yi)徑三(san)通(tong)(tong)和四(si)通(tong)(tong)出(chu)口(kou)的表示方法見圖20-26。


圖 26.jpg



四、材(cai)料(標準(zhun)材(cai)料)


   管件(jian)的材料(liao)應(ying)包括鍛(duan)(duan)件(jian)、棒(bang)材、無縫管或(huo)管材。這(zhe)些材料(liao)應(ying)符合(he)ASME B16.34《法蘭、螺(luo)紋及焊接(jie)(jie)連接(jie)(jie)端的閥門》表1(包括表2中可適用的注釋)中所列(lie)鍛(duan)(duan)造產(chan)品的冶煉工藝(yi)、化學(xue)成(cheng)分(fen)要求(qiu)和力學(xue)性(xing)能(neng)要求(qiu)。三通、彎頭和四通不能(neng)用棒(bang)材制(zhi)作。



五(wu)、結構型式與尺寸(cun)


 1. 承插焊管件(jian)


   承(cheng)插(cha)焊管件(jian)尺寸分米(mi)(mi)制及英制兩個系列。米(mi)(mi)制管件(jian)型(xing)式(shi)見(jian)圖20-27,尺寸見(jian)表(biao)20-30;英制管件(jian)型(xing)式(shi)見(jian)圖20-27,尺寸見(jian)表(biao)20-31。



  a. 本體壁厚


    承(cheng)插焊(han)管件本(ben)體壁厚(hou)應(ying)等(deng)于(yu)或大于(yu)表20-30和20-31中所示(shi)的G值。


  b. 承口壁厚


    承口的平(ping)均壁厚和最小壁厚應不小于表20-30和表20-31中所示C的相(xiang)應值(zhi)。


  c. 承(cheng)口位置


    承口底相對(dui)(dui)于承插(cha)焊管(guan)件中(zhong)心線(xian)的固定(ding)位置應按表20-30和表20-31中(zhong)尺寸A的要求予(yu)以保持(chi)。對(dui)(dui)于異徑管(guan)件,見20.3.5.4條。


  d. 承(cheng)口深度


    承口深度應不小于表20-30和表20-31中所示J的最小值(zhi)。


  e. 承口孔(kong)


    承口(kou)孔內(nei)表(biao)面應進行精(jing)加工,不得有毛刺。


  f. 垂直度


    承(cheng)插焊管(guan)件(jian)的端部平面與(yu)承(cheng)口軸心(xin)線(xian)應成直角(jiao)。


  g. 寬度


    鍛件半徑不(bu)應使(shi)平焊表面(mian)的寬度減小到小于圖20-28所示值。


圖 28.jpg


 2. 螺紋管件


   螺紋(wen)管(guan)件包括鍛(duan)(duan)造(zao)螺紋(wen)管(guan)件、帶內(nei)外螺紋(wen)的鍛(duan)(duan)造(zao)彎頭、非鍛(duan)(duan)造(zao)的螺紋(wen)管(guan)件、絲堵和(he)絲套4類。每(mei)類螺紋(wen)管(guan)件尺寸(cun)又分(fen)米制和(he)英(ying)制兩個系列(lie)。


   米制鍛造螺紋(wen)管(guan)件(jian)的(de)型式(shi)見(jian)圖20-29,尺(chi)寸見(jian)表20-32;英(ying)制鍛造螺紋(wen)管(guan)件(jian)的(de)型式(shi)見(jian)圖20-29,尺(chi)寸見(jian)20-33。


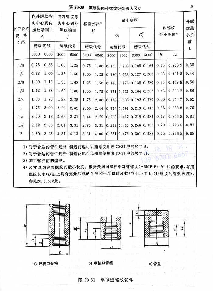
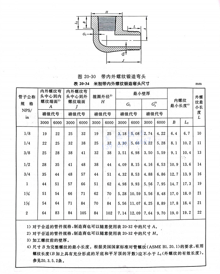
   米制(zhi)(zhi)帶內外(wai)螺(luo)紋的鍛造彎頭型式見(jian)圖20-30,尺寸見(jian)表(biao)20-34;英制(zhi)(zhi)帶內外(wai)螺(luo)紋的鍛造彎頭型式見(jian)圖20-30,尺寸見(jian)表(biao)20-35。


   米制非鍛造螺(luo)紋管件的型式見圖(tu)20-31,尺(chi)寸見表(biao)20-36;英制非鍛造螺(luo)紋管件的型式見圖(tu)20-31,尺(chi)寸見表(biao)20-37。


   米制絲(si)堵和絲(si)套的型式見(jian)(jian)圖20-32,尺寸見(jian)(jian)表20-38;英制絲(si)堵和絲(si)套的型式見(jian)(jian)圖20-32,尺寸見(jian)(jian)表20-39。


  a. 壁(bi)厚


   螺紋管(guan)件本(ben)體或端部(bu)壁厚應等于(yu)或大(da)于(yu)表20-32~表20-37中所示的最小G、G1和(he)G2值(zhi)。


  b. 內螺紋


   所有帶內(nei)(nei)螺(luo)紋(wen)的管件(jian)應(ying)按美國國家標準《錐管螺(luo)紋(wen)》(ASME B 1.20.1)加工(gong)螺(luo)紋(wen)。當(dang)使用工(gong)作(zuo)量(liang)規時,螺(luo)紋(wen)加工(gong)的誤差從測量(liang)槽口開始應(ying)限制為大一圈或小一圈螺(luo)紋(wen)內(nei)(nei)。測量(liang)基準點是管件(jian)的開始端。只要(yao)倒角(jiao)(jiao)不超過內(nei)(nei)螺(luo)紋(wen)大徑。當(dang)內(nei)(nei)螺(luo)紋(wen)的倒角(jiao)(jiao)超過此限制時,基準點即為倒角(jiao)(jiao)錐上的最后一牙(ya)螺(luo)紋(wen)刻痕(hen)。


  c. 外(wai)螺紋(wen)


   所有(you)帶外螺(luo)紋(wen)的管件均應(ying)按美國國家(jia)標準(zhun)《錐管螺(luo)紋(wen)》(ASME B1.20.1)加(jia)工(gong)螺(luo)紋(wen)。當使(shi)用工(gong)作量(liang)(liang)規時,螺(luo)紋(wen)加(jia)工(gong)的誤差從環規的測量(liang)(liang)面開始(shi)限制為(wei)大一圈(quan)或小一圈(quan)螺(luo)紋(wen)內。測量(liang)(liang)的基(ji)準(zhun)點是螺(luo)紋(wen)的端部。


  d. 锪錐孔和倒(dao)角


   所(suo)有內螺(luo)(luo)紋均應(ying)(ying)锪錐(zhui)(zhui)孔(kong),其距離(li)不小于(yu)螺(luo)(luo)紋的一半,并常(chang)有與(yu)螺(luo)(luo)紋軸(zhou)心大(da)約(yue)成(cheng)45°的夾角(jiao);所(suo)有的外螺(luo)(luo)紋均應(ying)(ying)帶有與(yu)軸(zhou)線成(cheng)30°~45°的倒角(jiao),以便在制作接(jie)頭(tou)時易(yi)進入(ru)連(lian)接(jie)和(he)保(bao)護螺(luo)(luo)紋。锪錐(zhui)(zhui)孔(kong)與(yu)倒角(jiao)應(ying)(ying)與(yu)螺(luo)(luo)紋同心。各表(biao)中規定的螺(luo)(luo)紋長度,測量時應(ying)(ying)包括(kuo)锪孔(kong)或倒角(jiao)。


 3. 頸圈


   表20-30~表20-33中所(suo)屬(shu)簡圖所(suo)示的(de)承插焊式或螺紋(wen)連接式兩種管件的(de)端(duan)部(bu)頸圈應(ying)能(neng)覆蓋岔口區。


 4. 異徑(jing)管(guan)件(jian)


   異(yi)徑(jing)(jing)管件應(ying)具有和(he)相(xiang)同規(gui)格(ge)管件(該管件與(yu)異(yi)徑(jing)(jing)管件的最大規(gui)格(ge)端部(bu)(bu)連(lian)接相(xiang)符(fu)合)一樣的中(zhong)心到端部(bu)(bu)、中(zhong)心到承口底部(bu)(bu)、箍圈直徑(jing)(jing)和(he)外徑(jing)(jing)尺(chi)寸(cun)。



六、公(gong)差(附加公(gong)差)


   附(fu)加于表20-30~表20-31的(de)承插焊管件所列各值的(de)公(gong)差如下:


  a. 通(tong)口的(de)同(tong)心(xin)度


    承(cheng)口孔(kong)和(he)管件(jian)通(tong)孔(kong)應同心,其(qi)(qi)公差(cha)對(dui)(dui)各種規格(ge)的管件(jian)均為0.8mm(0.03in)。相對(dui)(dui)承(cheng)口孔(kong)應同心,其(qi)(qi)公差(cha)對(dui)(dui)各種規格(ge)的管件(jian)均為1.5mm(0.06 in)。


  b. 軸線的(de)重合度

  

   管件通孔與承口(kou)孔軸線的同軸度最(zui)大(da)允(yun)差為1mm/200 mm(0.06 in/ft)。螺(luo)紋同軸度的最(zui)大(da)允(yun)差應為1mm/200 mm(0.06 in./ft)。



七、驗(yan)證試驗(yan)


   對按本(ben)標準制造的管件,不要(yao)求(qiu)作驗證試驗。



八、標志


   每個管件(jian)都(dou)應(ying)用鍛出凸字和/或(huo)打鋼印、電(dian)腐蝕或(huo)振動工(gong)具標(biao)(biao)記方法在鍛造(zao)管件(jian)的頸部(bu)、凸墊(dian)和凸轂部(bu)分(fen)做出永(yong)久性(xing)的識別標(biao)(biao)志(zhi)。圓筒形管件(jian)應(ying)標(biao)(biao)志(zhi)在外徑或(huo)在焊接安裝后(hou)標(biao)(biao)志(zhi)不會(hui)消失或(huo)不會(hui)被涂掉的管件(jian)端部(bu)。本標(biao)(biao)準不要求對絲套(tao)、絲堵作標(biao)(biao)志(zhi)。


 1. 專(zhuan)用標志


  標志應包括(kuo)但(dan)不局限于下(xia)列內(nei)容:


   a. 制造廠的名稱或(huo)商標。


   b. 材(cai)料標志(zhi)(zhi) 材(cai)料應(ying)按適(shi)合的ASTM管件(jian)規(gui)范A234、A403、A420、A815或B366,或按適(shi)合的ASTM鍛件(jian)技(ji)術規(gui)范A105、A182、A350、B160、B164、B462、B564,或ASME B16.34表1中其他(ta)適(shi)用(yong)的鍛件(jian)技(ji)術規(gui)范中的標志(zhi)(zhi)要求進行識別。


   c. 產品(pin)符(fu)合(he)證明 20.3.1.1a條所包(bao)含(han)的管(guan)(guan)件(jian)應標以(yi)ASTM管(guan)(guan)件(jian)技術規范的材料識(shi)別標志(zhi)“WP-”或(huo)“B16”符(fu)號,以(yi)表示符(fu)合(he)本(ben)標準。20.3.1.1b條所包(bao)含(han)的專用管(guan)(guan)件(jian)應標以(yi)B16 SPLD。


   d. 磅級代(dai)號(hao) 根據適(shi)用(yong)情況(kuang),有2000、3000或(huo)6000或(huo)9000等(deng)4種表示方法。用(yong)另一種方法,根據適(shi)用(yong)情況(kuang)可以使(shi)用(yong)代(dai)號(hao)2M、3M、6M或(huo)9M表示,此處M代(dai)表1000。


   e. 規格 指與端(duan)部連接有關的公稱管子規格。


 2. 標志的省略


   當管(guan)件的規格和形狀不允許(xu)作上述所有標(biao)志時,標(biao)志符號可按(an)上述相反的順序進行省略。





聯系方式.jpg