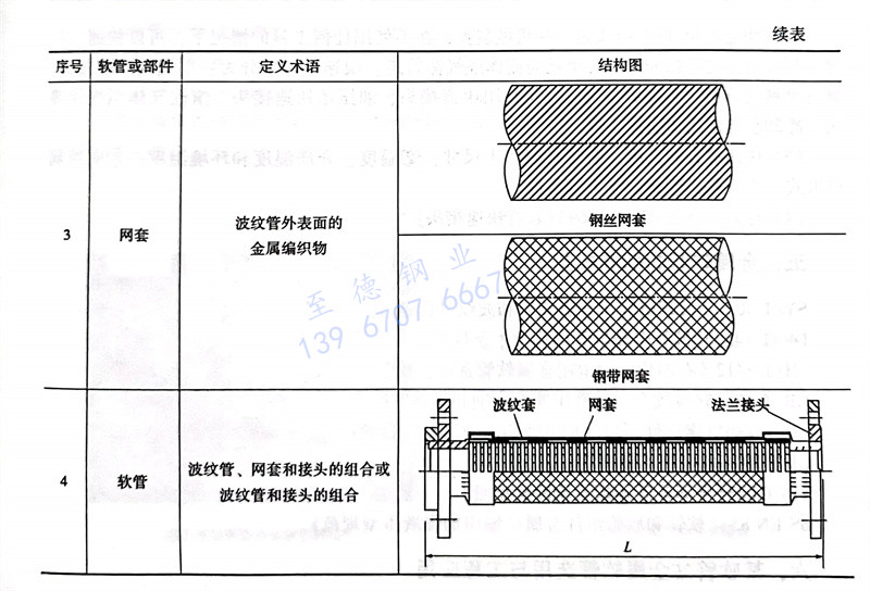
金屬軟管是由(you)管體、網套(tao)和連接(jie)件(jian)組(zu)(zu)成。其管體和網套(tao)均為(wei)不(bu)銹(xiu)鋼,連接(jie)件(jian)根據(ju)工藝要求分(fen)為(wei)不(bu)銹(xiu)鋼和碳鋼兩(liang)種。其管體波紋又有螺旋形(xing)(xing)和環形(xing)(xing)兩(liang)種,按連接(jie)形(xing)(xing)式可分(fen)為(wei)法(fa)(fa)蘭連接(jie)和管接(jie)頭(tou)(tou)連接(jie)兩(liang)大(da)類。金屬軟管的(de)法(fa)(fa)蘭可根據(ju)用戶(hu)的(de)不(bu)同(tong)(tong)要求安(an)裝國際法(fa)(fa)蘭、機械(xie)工業部標(biao)(biao)準(zhun)(zhun)法(fa)(fa)蘭、化工部標(biao)(biao)準(zhun)(zhun)法(fa)(fa)蘭等(deng),還可進行不(bu)同(tong)(tong)標(biao)(biao)準(zhun)(zhun)、不(bu)同(tong)(tong)連界面的(de)法(fa)(fa)蘭組(zu)(zu)合。金屬軟管的(de)管接(jie)頭(tou)(tou)可以(yi)是球(qiu)頭(tou)(tou)外(wai)套(tao)螺母、內錐(zhui)接(jie)頭(tou)(tou)、錐(zhui)管螺紋接(jie)頭(tou)(tou)、櫂槽(cao)接(jie)頭(tou)(tou)、union接(jie)頭(tou)(tou)、爪(zhua)型快速(su)接(jie)頭(tou)(tou)、開啟式快速(su)接(jie)頭(tou)(tou)、接(jie)管等(deng),還可以(yi)根據(ju)用戶(hu)要求進行任(ren)意組(zu)(zu)合。使(shi)用非常(chang)靈活、方便,幾(ji)乎不(bu)受任(ren)何控制。見表4.5.1。





聯系方式.jpg