管(guan)道配管(guan)隔熱層材料的選(xuan)用(yong)主(zhu)要(yao)遵循以下幾點要(yao)求(qiu):


一、導(dao)熱(re)系(xi)數的要求(qiu)


(1)保溫材料在平均溫度為70℃時(shi),其導熱系數不得(de)大(da)于0.080W.080W/(m·K)。


(2)用(yong)于(yu)保冷(leng)的(de)泡沫塑料(liao)及其制(zhi)品在平均溫度(du)為25℃時的(de)導熱系數不應大(da)于(yu)0.044W/(m·K)。與GB 50264、SH/T3010、GB/T 4272等規范是一致的(de)。


(3)泡沫橡塑制品(pin)在平均溫度(du)為0℃時的導熱系數不應大于0.036W/(m·K)。


(4)I類泡沫(mo)玻璃(li)制(zhi)(zhi)品在平均溫(wen)度(du)為25℃時的導熱系數不應大于(yu)0.045W/(m·K),類泡沫(mo)玻璃(li)制(zhi)(zhi)品在平均溫(wen)度(du)為25℃時的導熱系數不應大于(yu)0.064.064W/(m·K)。



二、隔(ge)熱材料密度、硬度和pH值的(de)要求


  硬質保(bao)(bao)溫(wen)材料的(de)密度(du)不(bu)(bu)應大(da)于(yu)300kg/m3,保(bao)(bao)冷材料制品的(de)密度(du)不(bu)(bu)應大(da)于(yu)200kg/m3,半硬質、軟質保(bao)(bao)溫(wen)材料制品密度(du)不(bu)(bu)應大(da)于(yu)200kg/m3。


  硬質保溫材料(liao)的抗壓強度(du)不(bu)應小于0.4MPa,硬質保冷材料(liao)的抗壓強度(du)不(bu)應小于0.15MPa。隔熱(re)材料(liao)制品的pH值不(bu)應小于7。



三、隔熱材(cai)料應符合的標準(zhun)


  用(yong)于(yu)與(yu)奧氏體不銹鋼表面(mian)接觸的隔熱(re)(re)材(cai)料應符合GB/T 50185《工(gong)業設備(bei)及(ji)管道絕(jue)熱(re)(re)工(gong)程施工(gong)驗收規范(fan)》有關氯離(li)子含量的規定。硬質隔熱(re)(re)材(cai)料不宜用(yong)于(yu)有振(zhen)動(dong)的管道。



四、隔熱材料其他性(xing)能(neng)要求(qiu)


(1)隔熱材料(liao)制品應具有安(an)全使用溫(wen)度和(he)燃(ran)燒性(xing)(xing)(xing)能(不燃(ran)性(xing)(xing)(xing)、難燃(ran)性(xing)(xing)(xing)、可燃(ran)性(xing)(xing)(xing))資料(liao)。


(2)隔(ge)熱材料(liao)(liao)制品應具備防(fang)潮性能(吸水性、吸濕性、防(fang)水性)資(zi)料(liao)(liao)。保溫材料(liao)(liao)含水不(bu)得大于(yu)7.5%(質量(liang)),保冷材料(liao)(liao)的(de)含水率不(bu)得大于(yu)1%(質量(liang))。


(3)隔熱(re)材料制(zhi)品(pin)應具有(you)抗大氣腐蝕性、化(hua)學穩定性、熱(re)穩定性、渣(zha)球含量、纖(xian)維直徑等測(ce)試報告。


(4)設(she)備(bei)和(he)管(guan)道(dao)(dao)的(de)保(bao)(bao)溫(wen)(wen)結構應由非燃燒材(cai)(cai)(cai)料(liao)組成;保(bao)(bao)冷結構可由阻燃材(cai)(cai)(cai)料(liao)組成,阻燃性保(bao)(bao)冷材(cai)(cai)(cai)料(liao)制(zhi)品的(de)氧(yang)指數不應小于30。設(she)備(bei)和(he)管(guan)道(dao)(dao)的(de)隔熱(re)(re)層除(chu)必須采用(yong)填充式結構外(wai),宜選(xuan)用(yong)隔熱(re)(re)材(cai)(cai)(cai)料(liao)制(zhi)品;保(bao)(bao)溫(wen)(wen)材(cai)(cai)(cai)料(liao)制(zhi)品的(de)最高(gao)(gao)安全使用(yong)溫(wen)(wen)度(du)應高(gao)(gao)于設(she)備(bei)和(he)管(guan)道(dao)(dao)的(de)設(she)計溫(wen)(wen)度(du);保(bao)(bao)冷材(cai)(cai)(cai)料(liao)制(zhi)品的(de)允許(xu)使用(yong)溫(wen)(wen)度(du)應低于設(she)備(bei)和(he)管(guan)道(dao)(dao)的(de)設(she)計溫(wen)(wen)度(du)。


   絕(jue)熱層材料按照被絕(jue)熱的工藝設(she)備和管道外表面溫(wen)度不同,其燃(ran)燒性(xing)能(neng)應符合(he)現行(xing)國家標(biao)準GB 8624《建筑材料燃(ran)燒性(xing)能(neng)分(fen)級(ji)方法》規定(ding)的燃(ran)燒等級(ji),并應符合(he)下(xia)列規定(ding):


     ①. 被絕熱的設備與管道外(wai)表面溫度T。大于100℃時,絕熱層(ceng)材料應符合(he)不(bu)燃類A級材料性(xing)能要求(qiu)。


     ②. 被(bei)絕(jue)熱的(de)設備與管(guan)道(dao)外表面溫度(du)T。小于(yu)或等于(yu)100℃時,絕(jue)熱層(ceng)材料不得低于(yu)難燃類B1級材料的(de)性能要(yao)求。


     ③. 被絕熱的(de)設備與管道外(wai)表面溫度T。≤50℃時,有保(bao)護層的(de)泡沫塑料類絕熱層材料不得低于一般可(ke)燃(ran)性B2級材料的(de)性能要求(qiu)。


(5)隔(ge)熱(re)(re)材料的(de)防水(shui)率(lv)應大(da)于或等于95%;軟質隔(ge)熱(re)(re)材料制品的(de)回彈率(lv)應大(da)于或等于90%。


(6)對硬(ying)質(zhi)材料必須提供線膨脹或收縮率數據。


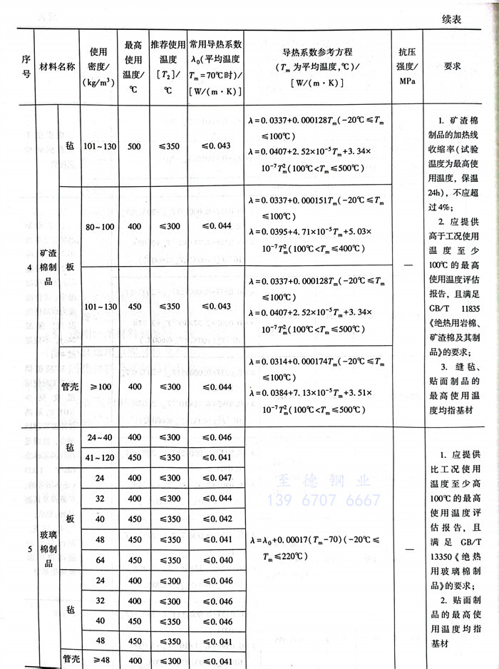
(7)隔熱(re)(re)材(cai)料應(ying)是隔熱(re)(re)性能(neng)好,并有明確(que)的(de)導熱(re)(re)系(xi)數(shu)(shu)(shu)方程(cheng)式或隨溫度變化的(de)導熱(re)(re)系(xi)數(shu)(shu)(shu)圖表。進(jin)行絕(jue)熱(re)(re)計算(suan)時可采用GB 50264《工業設備及管道絕(jue)熱(re)(re)工程(cheng)設計規范》中附錄A常用絕(jue)熱(re)(re)材(cai)料性能(neng)規定的(de)數(shu)(shu)(shu)據。



五、綜合選(xuan)用


(1)有多種可供選擇的隔熱(re)材料時,應首先選用導熱(re)系數(shu)小、密度(du)小、強度(du)相(xiang)對高、無腐蝕性、損(sun)耗小、價格(ge)低、運輸(shu)距離短(duan)、施工(gong)條件好的制品。


(2)如不能(neng)同時(shi)滿足(zu),應優(you)先(xian)選用密度小、綜(zong)合經(jing)濟(ji)效益高(gao)的材料或制(zhi)品。


(3)設(she)備和管(guan)道表面溫度(du)高于(yu)或(huo)等(deng)于(yu)450℃時,宜選(xuan)用復合(he)隔熱材料制品(pin)。


(4)保(bao)冷應選用(yong)閉孔型的材料制品(pin)(pin),不宜選用(yong)纖(xian)維(wei)質(zhi)材料制品(pin)(pin)。


(5)選用纖(xian)維材料制(zhi)品時,除管(guan)殼外(wai),氈席類制(zhi)品應由玻璃布或鐵絲網縫(feng)制(zhi)。


(6)不宜選用石棉材料及其制品。


(7)隔(ge)熱(re)材料(liao)及其制品(pin)在長期運行時,材料(liao)無變形(xing)、熔化、焦(jiao)化、疏脆、松散、失(shi)強等(deng)現(xian)象。



六、常用保溫材料的選(xuan)用


 常用(yong)保溫材料(liao)的選(xuan)用(yong)見表7.1.2。







聯系方式.jpg