工程(cheng)應用:某離心式壓縮(suo)機管道的配管設計


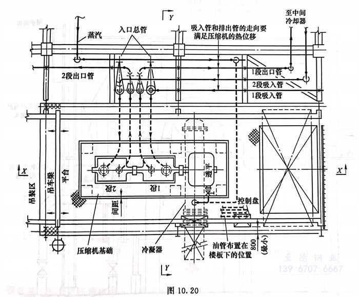
  某離心式壓縮機管道的配管設計見圖10.20。壓縮機布置在廠房內,其入口總管設置在廠房外側,可以節約占地面積,又便于安裝和維修。壓縮機入口不直接接彎頭,其最短直管段應大于2DN,通常可取(3~5)DN。


20.jpg


工程應(ying)用(yong):某往復式壓縮機管道的配管設計


  某往復式(shi)壓縮機管道的配(pei)管設計見圖10.21。


21.jpg


工程(cheng)應用(yong):某(mou)往復式壓縮機入口管道(dao)的(de)配管設計(ji)


  某壓縮(suo)機(ji)(ji)入口管(guan)道的配(pei)管(guan)設(she)計見圖10.22。易產生凝液的管(guan)線應進行伴熱。為減小(xiao)氣體壓力脈動,應在壓縮(suo)機(ji)(ji)入口管(guan)線上設(she)置(zhi)緩沖罐或(huo)孔板。水溝(gou)、水池或(huo)一些小(xiao)的窩氣坑不可設(she)置(zhi)于壓縮(suo)機(ji)(ji)房內。

22.jpg


工程應用:往復式壓(ya)縮機出入口閥組的配管設計(ji)


  往復式壓縮機出入口閥組的配管設計宜與壓縮機軸垂直(zhi)布(bu)置,也可平行(xing)布(bu)置,見圖10.23。考慮從操作(zuo)(zuo)(zuo)通道平臺上操作(zuo)(zuo)(zuo)閥門,為(wei)防止振動,支(zhi)架在地面生根,不(bu)宜太(tai)高。為(wei)防止誤操作(zuo)(zuo)(zuo),將進(jin)出口閥組分(fen)別布(bu)置在操作(zuo)(zuo)(zuo)平臺兩側。


23.jpg



聯系方式.jpg