墊片(gasket)是兩個物體之間的機械密封,通常以防止兩個物體之間受到壓力、腐蝕、和管路自然地熱脹冷縮泄漏。由于機械加工表面不可能完美,使用墊(dian)片即可填補不規則性。


一、按墊片(pian)材質分類


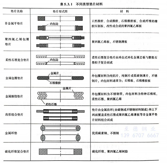
  不同類型墊片材料見表5.3.1。


雜 1.jpg


 1. 非金屬墊(dian)片(pian)(non-metallic gasket),有石棉(mian)橡(xiang)(xiang)膠(jiao)(jiao)墊(dian)片(pian)、橡(xiang)(xiang)膠(jiao)(jiao)墊(dian)片(pian)、聚四氟乙烯墊(dian)片(pian)、合成(cheng)橡(xiang)(xiang)膠(jiao)(jiao)墊(dian)片(pian)、膨脹石墨、皮革(ge)等。非金屬包(bao)覆墊(dian)片(pian)(non-metallic jacket gasket)外包(bao)一(yi)層合成(cheng)樹脂等。


 2. 半金(jin)屬(shu)墊(dian)(dian)片(pian)(semimetallic gasket)用(yong)金(jin)屬(shu)和非金(jin)屬(shu)材料制(zhi)成的(de)墊(dian)(dian)片(pian),如(ru)纏繞式(shi)墊(dian)(dian)片(pian)、金(jin)屬(shu)包覆墊(dian)(dian)片(pian)。


   ①. 纏繞式(shi)墊(dian)片(pian)(spiral wound gasket)由V形(xing)或W形(xing)斷(duan)面的(de)金屬(shu)帶(dai)夾非(fei)金屬(shu)帶(dai),金屬(shu)帶(dai)與非(fei)金屬(shu)帶(dai)螺(luo)旋(xuan)纏繞成環(huan)形(xing)墊(dian)片(pian)。金屬(shu)帶(dai)與非(fei)金屬(shu)帶(dai)交替(ti)纏繞,由于其具有較好的(de)彈性,廣泛用于石化、化工、電力等行(xing)業的(de)法蘭密封結構中,根據具體部(bu)位,可在墊(dian)片(pian)的(de)內層(ceng)或外層(ceng)加上鋼環(huan)來定位或加強。內環(huan)(inner ring)是設(she)置(zhi)在纏繞式(shi)墊(dian)片(pian)內圈(quan)的(de)金屬(shu)環(huan)。外環(huan)(outerring)是設(she)置(zhi)在纏繞式(shi)墊(dian)片(pian)外圈(quan)的(de)金屬(shu)環(huan)。

   ②. 金屬包覆。


 3. 金(jin)(jin)屬(shu)墊片(metallic gasket)是用(yong)鋼、鋁、銅(tong)、鎳或蒙乃爾(er)合(he)金(jin)(jin)等金(jin)(jin)屬(shu)制(zhi)成的墊片。


1.jpg



二、按墊片形狀分類(lei)


  按墊(dian)(dian)(dian)片(pian)形狀(zhuang)分(fen)類可分(fen)為: 環狀(zhuang)平墊(dian)(dian)(dian)片(pian)、復合(he)型墊(dian)(dian)(dian)片(pian)、波紋型墊(dian)(dian)(dian)片(pian)、環狀(zhuang)墊(dian)(dian)(dian)片(pian)


  不同形狀(zhuang)墊片如圖 5.3.1所(suo)示。


圖 1.jpg


聯系方式.jpg