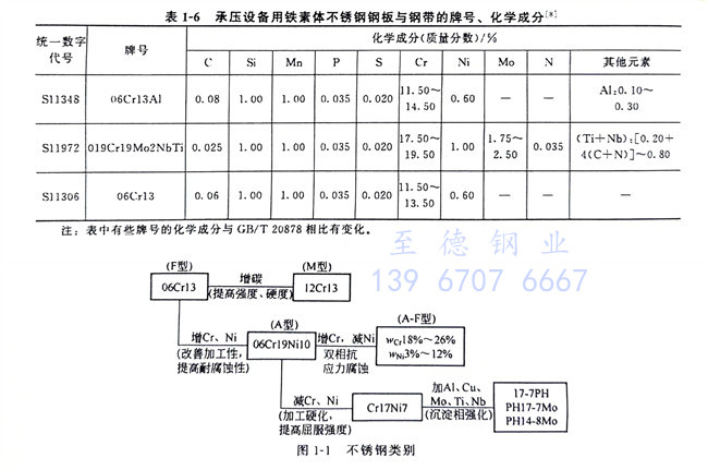
我國至少已制定了62項不銹(xiu)鋼管材料標準(其中國家標準38項,冶金行業標準16項,航空航天標準6項、機械行業標準1項、能源局標準1項),每個標準均規定了材料的化學成分、力學性能等技術要求。在機械工程上應用最多的不銹(xiu)鋼材料(liao)與標準包括GB/T3280-2007《不銹鋼冷軋鋼板和鋼帶》(該標準正在修訂中)、GB/T 4237-2007《不銹鋼熱軋鋼板和鋼帶》(不得用于鍋爐壓力容器制造,該標準正在修訂中)和GB/T 4238-2007《耐熱鋼鋼板和鋼帶》、GB 24511-2009《承壓設備用不銹鋼鋼板及鋼帶》、NB/T 47010-2010(JB/T 4728)《承壓設備用不銹鋼和耐熱鋼鍛件》,常見的不銹鋼牌號、化學成分和類別,見表1-1~表1-6。


  從表1-1~表1-6、表1-8可以看到,不銹鋼和耐熱(re)鋼相互之間的許多牌號的化學成分、力學性能等是相同的,這些牌號的材料既可作為不銹鋼使用,也可作為耐熱鋼使用。


  我國(guo)不(bu)銹鋼鋼板(ban)(ban)和耐(nai)熱鋼鋼板(ban)(ban)的牌號(hao)與國(guo)外有(you)關國(guo)家標準的對照見本章第1.5節。






聯系方式.jpg