不銹鋼焊條施焊過程中焊條熔化至整根長度的2/3時,焊條尾部會發紅(甚至藥皮于裂)、飛濺增大、焊縫凸起、焊縫成形惡化、脫渣困難。產生上述現象的主要原因是由于奧氏體不(bu)銹(xiu)鋼焊芯的電阻率大、導熱性差;不銹鋼焊接(jie)多數采用短弧焊接,所以熔滴過渡形以大熔滴短路過渡較多,而短路過渡期間焊接電流很大,焊芯電阻產生的熱量占電弧熱份很大,奧氏體導熱很慢,隨著焊接時間的增加奧氏體不銹(xiu)鋼焊芯的電阻熱不斷上升,致使恨至整根焊條長約2/3時,焊條尾部便會發紅。又由于不銹鋼焊芯線脹系數較大(比H08A焊芯的線脹系數大50%),當焊條尾部發紅時,焊芯尺寸有較大的伸長和擴展,使藥皮承受極大的擴脹力(藥皮膨脹系數與焊芯膨脹系數不一致,且藥皮強度低于焊芯的強度)而導致藥皮開裂,使焊條工藝性急劇下降。


  為了減少或避免不銹鋼焊條的尾部發紅和藥皮開裂現象,可采取以下措施。


   ①. 改變焊(han)(han)(han)(han)(han)芯材(cai)質(zhi),采用鉻(ge)不銹(xiu)鋼(gang)(gang)或(huo)低(di)碳鋼(gang)(gang)焊(han)(han)(han)(han)(han)芯。例如以H08A為焊(han)(han)(han)(han)(han)芯,在(zai)藥(yao)(yao)皮(pi)中加(jia)人了鐵粉和高(gao)鉻(ge)、鎳的原材(cai)料,通過(guo)藥(yao)(yao)皮(pi)過(guo)渡(du)合金元素(su)方式而獲(huo)得高(gao)熔敷效(xiao)率(lv)的不銹(xiu)鋼(gang)(gang)焊(han)(han)(han)(han)(han)條(例如A102T不銹(xiu)鋼(gang)(gang)焊(han)(han)(han)(han)(han)條)。該焊(han)(han)(han)(han)(han)條施焊(han)(han)(han)(han)(han)時(shi)電(dian)弧(hu)穩(wen)定,熔渣流(liu)動良好,脫渣容易(yi)且藥(yao)(yao)皮(pi)不發(fa)紅,無(wu)藥(yao)(yao)皮(pi)開裂(lie)現(xian)象。


   ②. 采(cai)用(yong)不(bu)銹(xiu)鋼焊(han)(han)(han)芯,通(tong)過(guo)改變藥皮(pi)成(cheng)分來提高(gao)電(dian)(dian)(dian)弧(hu)電(dian)(dian)(dian)壓,熔(rong)滴過(guo)渡(du)形(xing)式(shi)采(cai)用(yong)細滴渣壁過(guo)渡(du),由于細小(xiao)的熔(rong)滴只占焊(han)(han)(han)芯截面(mian)的較小(xiao)部(bu)分,因(yin)而(er)使焊(han)(han)(han)芯的熔(rong)化加快(kuai),從而(er)減少電(dian)(dian)(dian)阻熱,以降低焊(han)(han)(han)芯表面(mian)溫度(du),使藥皮(pi)的熔(rong)化速度(du)減慢,促使其形(xing)成(cheng)深套筒。深套筒的形(xing)成(cheng)提高(gao)了電(dian)(dian)(dian)弧(hu)的名義電(dian)(dian)(dian)壓,在保持電(dian)(dian)(dian)弧(hu)功(gong)率一定的條(tiao)件下,即可減小(xiao)焊(han)(han)(han)接電(dian)(dian)(dian)流,從而(er)避免了焊(han)(han)(han)條(tiao)尾部(bu)發紅,并改善了焊(han)(han)(han)接的綜(zong)合工藝(yi)性能。


  可防止焊(han)條(tiao)發紅、藥皮開裂的焊(han)條(tiao)包括 A042Si、A042Mn、A052、A101、A201A、102A和A102T等牌(pai)號,詳見表2-6。


7.jpg

8.jpg


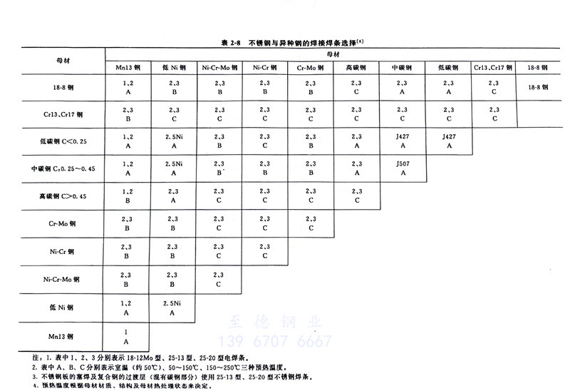
   不(bu)(bu)銹(xiu)(xiu)(xiu)鋼(gang)(gang)(gang)(gang)(gang)(gang)焊(han)(han)(han)條(tiao)的(de)(de)(de)選(xuan)擇見(jian)表(biao)2-5(含(han)(han)力(li)(li)學性能(neng)和(he)熱處理要求)、表(biao)2-6(含(han)(han)焊(han)(han)(han)條(tiao)牌號與型號的(de)(de)(de)對應(ying)關系)、表(biao)2-8(不(bu)(bu)銹(xiu)(xiu)(xiu)鋼(gang)(gang)(gang)(gang)(gang)(gang)與異(yi)種鋼(gang)(gang)(gang)(gang)(gang)(gang)的(de)(de)(de)焊(han)(han)(han)接(jie)(jie)(jie)(jie)焊(han)(han)(han)條(tiao)的(de)(de)(de)選(xuan)擇原則)、表(biao)2-9(適用(yong)于奧(ao)氏(shi)(shi)體(ti)(ti)(ti)不(bu)(bu)銹(xiu)(xiu)(xiu)鋼(gang)(gang)(gang)(gang)(gang)(gang)之間的(de)(de)(de)焊(han)(han)(han)接(jie)(jie)(jie)(jie))、表(biao)2-10(適用(yong)于不(bu)(bu)同牌號的(de)(de)(de)奧(ao)氏(shi)(shi)體(ti)(ti)(ti)不(bu)(bu)銹(xiu)(xiu)(xiu)鋼(gang)(gang)(gang)(gang)(gang)(gang)之間的(de)(de)(de)焊(han)(han)(han)接(jie)(jie)(jie)(jie))、表(biao)2-11(不(bu)(bu)銹(xiu)(xiu)(xiu)鋼(gang)(gang)(gang)(gang)(gang)(gang)壓力(li)(li)容(rong)器焊(han)(han)(han)條(tiao)電弧焊(han)(han)(han)用(yong)焊(han)(han)(han)條(tiao)選(xuan)擇)、表(biao)2-13(適用(yong)于焊(han)(han)(han)接(jie)(jie)(jie)(jie)不(bu)(bu)銹(xiu)(xiu)(xiu)鋼(gang)(gang)(gang)(gang)(gang)(gang)復合板時焊(han)(han)(han)條(tiao)的(de)(de)(de)選(xuan)用(yong))、表(biao)2-14(鐵素體(ti)(ti)(ti)不(bu)(bu)銹(xiu)(xiu)(xiu)鋼(gang)(gang)(gang)(gang)(gang)(gang)、馬(ma)氏(shi)(shi)體(ti)(ti)(ti)不(bu)(bu)銹(xiu)(xiu)(xiu)鋼(gang)(gang)(gang)(gang)(gang)(gang)焊(han)(han)(han)接(jie)(jie)(jie)(jie)用(yong)焊(han)(han)(han)條(tiao)),不(bu)(bu)銹(xiu)(xiu)(xiu)鋼(gang)(gang)(gang)(gang)(gang)(gang)與異(yi)種鋼(gang)(gang)(gang)(gang)(gang)(gang)之間的(de)(de)(de)焊(han)(han)(han)接(jie)(jie)(jie)(jie)鋼(gang)(gang)(gang)(gang)(gang)(gang)材分(fen)類(lei)分(fen)組見(jian)表(biao)2-12。國外鐵素體(ti)(ti)(ti)不(bu)(bu)銹(xiu)(xiu)(xiu)鋼(gang)(gang)(gang)(gang)(gang)(gang)焊(han)(han)(han)條(tiao)的(de)(de)(de)選(xuan)用(yong)見(jian)表(biao)2-15,國外馬(ma)氏(shi)(shi)體(ti)(ti)(ti)不(bu)(bu)銹(xiu)(xiu)(xiu)鋼(gang)(gang)(gang)(gang)(gang)(gang)焊(han)(han)(han)條(tiao)的(de)(de)(de)選(xuan)用(yong)見(jian)表(biao)2-16。






聯系方式.jpg