①. 設(she)備(bei)(bei)的位(wei)置(zhi)以(yi)設(she)備(bei)(bei)中心線為準(zhun),根據(ju)該項目的總圖條件來繪制。


  ②. 基(ji)礎外形(xing)(xing)、設備(bei)外形(xing)(xing)、框架(jia)、梯子、平臺和管口(kou)均要在(zai)配管圖中表示,對于(yu)泵等簡單(dan)的轉動設備(bei)可(ke)不必表示其外形(xing)(xing)。


  ③. 設(she)備的保溫需表(biao)示。


  ④. 設備截面的(de)畫(hua)法為周(zhou)圍剖面線(xian)、中間為空白(bai)表(biao)示。


  ⑤. 對(dui)于儀表、液位(wei)計(ji)的外(wai)形(xing)要表示,溫(wen)度計(ji)僅表示管口。帶有管道(dao)附件的壓(ya)力計(ji),如屬于管道(dao)專業(ye)范圍,該附件應表示口徑(jing)和等級(或形(xing)式(shi))。


  ⑥. 換熱器(qi)或臥式(shi)罐上(shang)的放空和(he)排(pai)凈不需表示(shi)。


  ⑦. 泵上的儀表排凈及放空不需表示。


  ⑧. 管(guan)口(kou)的管(guan)口(kou)號或管(guan)口(kou)名(ming)稱(cheng)應表(biao)示,與管(guan)道相連(lian)的管(guan)口(kou)要再圖上(shang)標注角度和管(guan)口(kou)表(biao)上(shang)未表(biao)示的尺寸。


  ⑨. 平面圖上可不表示平臺欄桿。


  ⑩. 如(ru)果(guo)平臺(tai)位置距管口太近,管口表示不清楚,這時應加一斷(duan)面(mian)圖(tu)。


  ?. 平臺(tai)及(ji)樓(lou)面的標高應表(biao)示。


  ?. 設備位號應表(biao)示,且盡量沿中心線標(biao)注。


  ?. 當平面(mian)圖(tu)(tu)上只(zhi)表(biao)示(shi)設(she)備(bei)的(de)一(yi)個(ge)斷面(mian)時,其標高應表(biao)示(shi)出(chu)在該平面(mian)圖(tu)(tu)上所表(biao)示(shi)的(de)此設(she)備(bei)的(de)范(fan)圍(wei)。


  ?. 臥(wo)式換(huan)熱器或儲罐安裝(zhuang)高度應在(zai)圖中(zhong)表(biao)示。


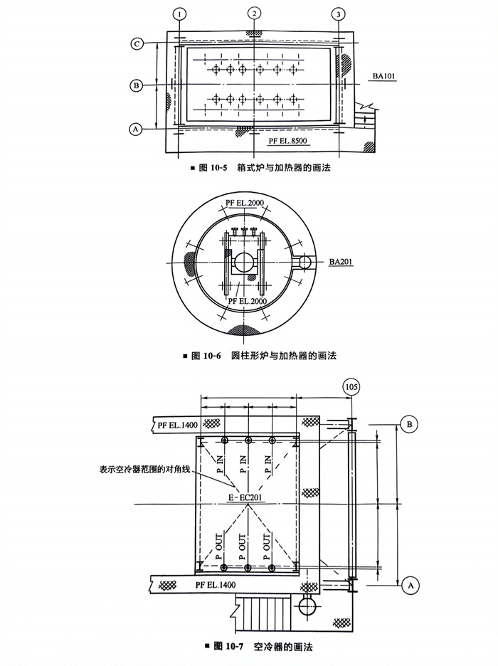
  ?. 管(guan)道布置平(ping)面圖設備的畫法實例(li)如圖10-3~圖10-7所示。







聯系方式.jpg