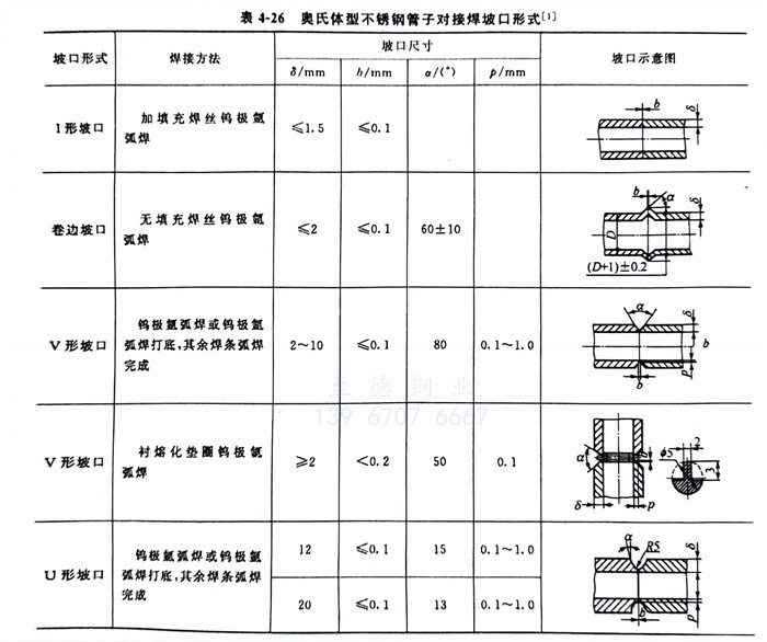
1. 坡(po)口形式


   由于受許用焊接電流的限制,這種焊接方法主要用于薄板的單層焊和中厚板多層焊的封底焊道,也可用于中厚板的焊接。在保證焊透的情況下,對接焊縫應力求縮小焊縫截面積,減少熔敷金屬并考慮操作方便,常用的坡口形式有V形、U形、雙面V形及V-U組合形等。奧氏體型不銹鋼管(guan)子對接焊坡口形式見表4-26。


   表4-26奧氏(shi)體型不銹鋼管子對接焊坡口形式


26.jpg


   各種(zhong)接(jie)頭(tou)中(zhong)T形接(jie)頭(tou)、對接(jie)接(jie)頭(tou)的保護效果較好,而角接(jie)接(jie)頭(tou)、端接(jie)接(jie)頭(tou)因氣(qi)體流量分散性較大(da),保護效果較差,如圖(tu)4-35所示。


圖 35.jpg


2. 焊前清理


   焊接區(qu)及填充(chong)焊絲(si)均應進(jin)行嚴(yan)格(ge)清理,清除氧(yang)化膜、油污、臟物和水分等污物。



3. 焊(han)接參(can)數


 a. 焊接(jie)電流


     根據焊(han)件厚度、接頭形式、焊(han)接位(wei)置(zhi)等因素來選用焊(han)接電流,除此還(huan)要考慮鎢(wu)極(ji)所承受電流的(de)能力。焊(han)接電流過大,容易產生燒穿或使焊(han)縫下陷(xian)和咬邊等缺(que)陷(xian),嚴重時還(huan)會引起鎢(wu)極(ji)燒損(sun)或產生夾鎢(wu)等缺(que)陷(xian)。焊(han)接電流過小,電弧燃燒不穩(wen)定,會造成未焊(han)透(tou)等缺(que)欠。


 b. 電(dian)(dian)弧電(dian)(dian)壓


     主(zhu)要取決于焊接過(guo)程(cheng)中電(dian)(dian)弧(hu)的(de)長度,電(dian)(dian)弧(hu)拉(la)長、電(dian)(dian)弧(hu)電(dian)(dian)壓(ya)增大(da),熔(rong)寬(kuan)增寬(kuan),熔(rong)深變淺。當電(dian)(dian)弧(hu)電(dian)(dian)壓(ya)過(guo)高時,會導致焊接電(dian)(dian)弧(hu)不(bu)穩(wen),易產生未焊透(tou)、未熔(rong)合和熔(rong)池保護不(bu)佳等缺陷。應在保證(zheng)電(dian)(dian)弧(hu)不(bu)短路(lu)的(de)情況下,盡量(liang)減少弧(hu)長,電(dian)(dian)弧(hu)電(dian)(dian)壓(ya)一般控制在9~20V范(fan)圍內(nei),最常用的(de)電(dian)(dian)弧(hu)電(dian)(dian)壓(ya)為(wei)9~14V。


 c. 焊接速度(du)


     為了不(bu)(bu)破壞氣流對(dui)熔池的(de)(de)(de)保護作(zuo)用,焊(han)(han)接(jie)速(su)度一般(ban)不(bu)(bu)宜過(guo)快。在保證焊(han)(han)縫(feng)金(jin)屬(shu)和(he)母材(cai)金(jin)屬(shu)不(bu)(bu)被(bei)氧化的(de)(de)(de)前(qian)提下,為了提高生產效率(lv),盡可(ke)能(neng)提高焊(han)(han)接(jie)速(su)度。提高焊(han)(han)接(jie)速(su)度,焊(han)(han)接(jie)接(jie)頭在450~850℃危險溫度停留時間會相對(dui)減少(shao),有利于提高焊(han)(han)接(jie)接(jie)頭的(de)(de)(de)耐(nai)腐蝕性能(neng)。


 d. 焊絲


    同一牌號的奧氏體不銹鋼焊接,焊絲的選擇見表4-27,不同牌號的奧氏體不銹鋼焊接,焊絲的選擇見表4-28。不銹鋼藥芯焊絲的選用見表2-28~表2-31。


     我國(guo)的不銹鋼藥芯焊絲與AWS A5.22-1995《耐(nai)腐蝕鉻及鉻鎳鋼用藥芯焊絲》及其他國(guo)家不銹鋼藥芯焊絲的對(dui)應關系,見表2-64。


27.jpg


 e. 氬氣(qi)純度與流量


     氬(ya)氣(qi)(qi)純(chun)度不低于(yu)99.9%(體積分數),氬(ya)氣(qi)(qi)純(chun)度愈高,保(bao)護(hu)效(xiao)(xiao)果愈好。氣(qi)(qi)體流量(liang)過(guo)低,氣(qi)(qi)體挺度不足,排(pai)除周(zhou)圍空氣(qi)(qi)的(de)能力減弱,造(zao)成熔(rong)(rong)池保(bao)護(hu)效(xiao)(xiao)果不佳;氣(qi)(qi)體流量(liang)過(guo)大,容(rong)易將(jiang)熔(rong)(rong)池周(zhou)圍的(de)空氣(qi)(qi)卷入熔(rong)(rong)池,形(xing)成氣(qi)(qi)體紊流,降低保(bao)護(hu)效(xiao)(xiao)果。氬(ya)氣(qi)(qi)流量(liang)與噴嘴直徑(jing)大小有關,見式(4-6)。


式 6.jpg


     氬氣(qi)流(liu)量不僅與(yu)噴嘴直徑(jing)有(you)(you)關,還(huan)與(yu)焊接電(dian)流(liu)大小(xiao)有(you)(you)關,它們之間的(de)參數選擇(ze)見表4-29。


29.jpg


 f. 電極極性


     為了(le)減少鎢極(ji)燒損,延長鎢極(ji)壽命,一般采用直(zhi)流電(dian)源正接(jie)(工(gong)件接(jie)電(dian)源正極(ji),鎢極(ji)接(jie)電(dian)源負(fu)極(ji)。直(zhi)流正接(jie)在工(gong)藝(yi)文(wen)件上用符號DC或DCSP表(biao)示,DC是(shi)英文(wen)di-rect current 的縮(suo)寫(xie);DCSP 是(shi)英文(wen) direct current straight polarity的縮(suo)寫(xie)),也可以用交流鎢極(ji)氬弧焊(han)機焊(han)接(jie)奧(ao)氏體型不銹鋼。


 g. 鎢極


     鎢(wu)(wu)(wu)極(ji)(ji)(ji)有純(chun)(chun)鎢(wu)(wu)(wu)極(ji)(ji)(ji)、釷鎢(wu)(wu)(wu)極(ji)(ji)(ji)和(he)鈰鎢(wu)(wu)(wu)極(ji)(ji)(ji)3種,其中鈰鎢(wu)(wu)(wu)極(ji)(ji)(ji)(活化鎢(wu)(wu)(wu)極(ji)(ji)(ji))比純(chun)(chun)鎢(wu)(wu)(wu)極(ji)(ji)(ji)的(de)(de)工藝性(xing)好得(de)多,且對人體損害小(xiao),推薦首選使(shi)用。鎢(wu)(wu)(wu)極(ji)(ji)(ji)直(zhi)徑與(yu)相應焊(han)(han)接(jie)電(dian)源和(he)極(ji)(ji)(ji)性(xing)條件下的(de)(de)焊(han)(han)接(jie)電(dian)流(liu)(liu)允許值(zhi),參見表4-30、表4-31。施焊(han)(han)前,要(yao)將(jiang)鎢(wu)(wu)(wu)極(ji)(ji)(ji)端(duan)部磨成一定(ding)形(xing)狀,通常有尖(jian)頭(tou)(tou)(tou)和(he)平(ping)(ping)頭(tou)(tou)(tou)等(deng)形(xing)狀。采用較小(xiao)的(de)(de)焊(han)(han)接(jie)電(dian)流(liu)(liu)施焊(han)(han)時,要(yao)選用小(xiao)直(zhi)徑的(de)(de)鎢(wu)(wu)(wu)棒(bang),端(duan)頭(tou)(tou)(tou)磨成尖(jian)頭(tou)(tou)(tou)形(xing)狀,錐頂(ding)角度(du)約30°,如圖(tu)4-36(a)所(suo)示(shi)。當采用大的(de)(de)焊(han)(han)接(jie)電(dian)流(liu)(liu)施焊(han)(han)時,鎢(wu)(wu)(wu)極(ji)(ji)(ji)應磨成帶有平(ping)(ping)頂(ding)的(de)(de)錐形(xing)形(xing)狀,如圖(tu)4-36(b)所(suo)示(shi)。平(ping)(ping)頂(ding)錐形(xing)的(de)(de)端(duan)頭(tou)(tou)(tou)可避免尖(jian)端(duan)過熱熔(rong)化,減少鎢(wu)(wu)(wu)極(ji)(ji)(ji)端(duan)部損耗,同時還有利(li)于防止陰(yin)極(ji)(ji)(ji)斑點的(de)(de)游動,從而穩(wen)定(ding)電(dian)弧。鎢(wu)(wu)(wu)極(ji)(ji)(ji)端(duan)頭(tou)(tou)(tou)愈尖(jian)愈易燒損,燒損后將(jiang)導致電(dian)弧電(dian)壓增高,直(zhi)接(jie)影響熔(rong)池保(bao)護效果,也會使(shi)焊(han)(han)縫氧化,甚至產生焊(han)(han)縫寬(kuan)度(du)不均的(de)(de)缺陷。


圖 36.jpg


 h. 鎢極(ji)伸出長(chang)度


     鎢(wu)極(ji)(ji)伸(shen)出(chu)(chu)長(chang)度(du)指鎢(wu)極(ji)(ji)超出(chu)(chu)噴嘴(zui)端(duan)面的長(chang)度(du)。鎢(wu)極(ji)(ji)伸(shen)出(chu)(chu)的短,可以使噴嘴(zui)與(yu)焊(han)件相對靠(kao)近(jin),氣(qi)體保(bao)護效果好,通常鎢(wu)極(ji)(ji)伸(shen)出(chu)(chu)長(chang)度(du)為(wei)2~8mm。


 i. 噴嘴(nozzle)


     常用鎢(wu)極(ji)氬弧(hu)焊(han)(han)(han)(han)用噴(pen)(pen)嘴(zui)(zui)(zui)(zui)結構如圖4-37所(suo)示(shi),D端與焊(han)(han)(han)(han)槍連接段(duan)為(wei)(wei)長(chang)(chang)10~12mm的(de)(de)(de)(de)圓(yuan)柱體(ti)(ti)(ti)(ti);小(xiao)圓(yuan)柱的(de)(de)(de)(de)末(mo)端部分的(de)(de)(de)(de)長(chang)(chang)度(du)(du)L不(bu)(bu)應小(xiao)于噴(pen)(pen)嘴(zui)(zui)(zui)(zui)孔(kong)(kong)徑(jing),其長(chang)(chang)度(du)(du)以1.2~1.5倍噴(pen)(pen)嘴(zui)(zui)(zui)(zui)孔(kong)(kong)內(nei)徑(jing)(d)為(wei)(wei)宜。噴(pen)(pen)嘴(zui)(zui)(zui)(zui)的(de)(de)(de)(de)錐形(xing)部分有緩沖氣(qi)流(liu)的(de)(de)(de)(de)作用,可(ke)(ke)改善保(bao)(bao)(bao)護(hu)效(xiao)(xiao)果(guo)(guo)。為(wei)(wei)了提高氣(qi)體(ti)(ti)(ti)(ti)保(bao)(bao)(bao)護(hu)效(xiao)(xiao)果(guo)(guo),噴(pen)(pen)嘴(zui)(zui)(zui)(zui)的(de)(de)(de)(de)內(nei)壁應光滑、不(bu)(bu)允許有棱角、凹槽,不(bu)(bu)得沾上(shang)飛(fei)濺物。為(wei)(wei)了使氬氣(qi)從(cong)噴(pen)(pen)嘴(zui)(zui)(zui)(zui)噴(pen)(pen)出時(shi)成(cheng)為(wei)(wei)穩定(ding)的(de)(de)(de)(de)層流(liu),提高氣(qi)體(ti)(ti)(ti)(ti)保(bao)(bao)(bao)護(hu)效(xiao)(xiao)果(guo)(guo),焊(han)(han)(han)(han)槍應有氣(qi)體(ti)(ti)(ti)(ti)透鏡(類似穩定(ding)裝(zhuang)置)、多孔(kong)(kong)性擋板(可(ke)(ke)用1~2層銅絲網組成(cheng),網目數不(bu)(bu)得少于600~700孔(kong)(kong)/c㎡)及緩沖室。氣(qi)體(ti)(ti)(ti)(ti)流(liu)量不(bu)(bu)變(bian),增(zeng)大噴(pen)(pen)嘴(zui)(zui)(zui)(zui)內(nei)徑(jing)時(shi),氣(qi)體(ti)(ti)(ti)(ti)挺度(du)(du)下降,對熔池保(bao)(bao)(bao)護(hu)減弱(ruo);氣(qi)體(ti)(ti)(ti)(ti)流(liu)量不(bu)(bu)變(bian),噴(pen)(pen)嘴(zui)(zui)(zui)(zui)內(nei)徑(jing)變(bian)小(xiao)時(shi),氣(qi)體(ti)(ti)(ti)(ti)的(de)(de)(de)(de)流(liu)速增(zeng)加過多,可(ke)(ke)造成(cheng)氣(qi)體(ti)(ti)(ti)(ti)紊流(liu),也會(hui)造成(cheng)保(bao)(bao)(bao)護(hu)效(xiao)(xiao)果(guo)(guo)不(bu)(bu)好(hao)。實踐證明,在手工(gong)鎢(wu)極(ji)氬弧(hu)焊(han)(han)(han)(han)時(shi),噴(pen)(pen)嘴(zui)(zui)(zui)(zui)內(nei)徑(jing)在8~20mm 范圍內(nei),氣(qi)體(ti)(ti)(ti)(ti)流(liu)量以10~25L/min為(wei)(wei)宜。當噴(pen)(pen)嘴(zui)(zui)(zui)(zui)和氣(qi)體(ti)(ti)(ti)(ti)流(liu)量一定(ding)時(shi),噴(pen)(pen)嘴(zui)(zui)(zui)(zui)至焊(han)(han)(han)(han)件(jian)之(zhi)間的(de)(de)(de)(de)距離愈(yu)短,則保(bao)(bao)(bao)護(hu)效(xiao)(xiao)果(guo)(guo)愈(yu)好(hao),但過小(xiao)會(hui)影響焊(han)(han)(han)(han)工(gong)的(de)(de)(de)(de)視(shi)線(xian)和引起鎢(wu)極(ji)與焊(han)(han)(han)(han)件(jian)短路(lu)。對于噴(pen)(pen)嘴(zui)(zui)(zui)(zui)內(nei)徑(jing)為(wei)(wei)8~20mm的(de)(de)(de)(de)噴(pen)(pen)嘴(zui)(zui)(zui)(zui),距離焊(han)(han)(han)(han)件(jian)一般不(bu)(bu)超過15mm。


圖 37.jpg


 j. 焊接電(dian)流、噴嘴直徑和保護氣體(ti)流量對應關系(xi)


     焊接電流、噴嘴直徑和(he)保護氣(qi)體流量對應關(guan)系見表4-29。


 k. 冷(leng)卻水(shui)流量


     焊(han)槍(qiang)(qiang)額定電流大于160A時,焊(han)接(jie)前焊(han)槍(qiang)(qiang)須(xu)通冷(leng)卻(que)水,焊(han)接(jie)完成(cheng)須(xu)滯后停止冷(leng)卻(que)水。冷(leng)卻(que)水流量不(bu)得(de)小(xiao)于1L/min,否則焊(han)機無法(fa)啟(qi)動或易燒毀焊(han)槍(qiang)(qiang)。



4. 提高氣體保護效果的措施


   為了使(shi)焊接接頭(tou)正(zheng)面和背面得到可靠保護(hu),可采用圖4-38~圖4-40所示的工藝裝(zhuang)備來提高(gao)保護(hu)效果。





5. 操作(zuo)技術


   裝配定(ding)位(wei)焊(han)(han)(han)(han),應采用(yong)與(yu)(yu)(yu)正(zheng)式(shi)焊(han)(han)(han)(han)接(jie)(jie)(jie)相(xiang)同的(de)焊(han)(han)(han)(han)絲(si)和工藝,定(ding)位(wei)焊(han)(han)(han)(han)縫(feng)(feng)(feng)的(de)長(chang)度(du)(du)距離應根據焊(han)(han)(han)(han)件(jian)厚(hou)度(du)(du)與(yu)(yu)(yu)結構剛度(du)(du)而定(ding)。一般每(mei)段定(ding)位(wei)焊(han)(han)(han)(han)縫(feng)(feng)(feng)長(chang)度(du)(du)為5~15mm,焊(han)(han)(han)(han)縫(feng)(feng)(feng)厚(hou)度(du)(du)不大于2mm。例如(ru)直徑φ60mm以下的(de)不銹(xiu)鋼(gang)管(guan)子,用(yong)定(ding)位(wei)焊(han)(han)(han)(han)點固定(ding)2~3處(chu),定(ding)位(wei)焊(han)(han)(han)(han)縫(feng)(feng)(feng)長(chang)度(du)(du)約(yue)5mm。直徑159mm的(de)不銹(xiu)鋼(gang)管(guan)子,用(yong)定(ding)位(wei)焊(han)(han)(han)(han)點固定(ding)4處(chu),定(ding)位(wei)焊(han)(han)(han)(han)縫(feng)(feng)(feng)長(chang)度(du)(du)約(yue)10mm。定(ding)位(wei)焊(han)(han)(han)(han)縫(feng)(feng)(feng)須保(bao)(bao)證(zheng)質量(liang),不允許(xu)存在焊(han)(han)(han)(han)接(jie)(jie)(jie)缺陷。對(dui)(dui)接(jie)(jie)(jie)焊(han)(han)(han)(han)時,焊(han)(han)(han)(han)槍與(yu)(yu)(yu)焊(han)(han)(han)(han)件(jian)之間保(bao)(bao)持后傾(qing),鎢極與(yu)(yu)(yu)焊(han)(han)(han)(han)件(jian)之間傾(qing)角(jiao)(jiao)為75°~80°,填(tian)充焊(han)(han)(han)(han)絲(si)與(yu)(yu)(yu)焊(han)(han)(han)(han)件(jian)傾(qing)角(jiao)(jiao)為75°~15°,希望填(tian)充焊(han)(han)(han)(han)絲(si)與(yu)(yu)(yu)焊(han)(han)(han)(han)件(jian)傾(qing)角(jiao)(jiao)越小越好,過大則(ze)容(rong)易擾亂氣體保(bao)(bao)護;角(jiao)(jiao)接(jie)(jie)(jie)焊(han)(han)(han)(han)時,除(chu)了對(dui)(dui)接(jie)(jie)(jie)焊(han)(han)(han)(han)的(de)要求外,還(huan)要求與(yu)(yu)(yu)板(ban)之間的(de)相(xiang)對(dui)(dui)位(wei)置。


   填(tian)充焊(han)絲(si)(si)時動作要緩、穩,不(bu)(bu)要破壞氬(ya)氣(qi)(qi)對(dui)熔(rong)(rong)池(chi)的保(bao)(bao)(bao)護。不(bu)(bu)能像氣(qi)(qi)焊(han)那(nei)樣在(zai)熔(rong)(rong)池(chi)中攪(jiao)拌(ban),應(ying)一滴一滴地(di)緩慢送入熔(rong)(rong)池(chi),或者將焊(han)絲(si)(si)端(duan)頭浸入熔(rong)(rong)池(chi)中不(bu)(bu)斷(duan)填(tian)入,并向前(qian)移(yi)動,焊(han)絲(si)(si)端(duan)頭不(bu)(bu)能脫離氣(qi)(qi)體保(bao)(bao)(bao)護區。要防止焊(han)絲(si)(si)與(yu)鎢(wu)(wu)極接(jie)(jie)觸、碰撞,否則加劇鎢(wu)(wu)極燒(shao)損,而(er)引起焊(han)縫夾鎢(wu)(wu)。焊(han)接(jie)(jie)收弧時、應(ying)減慢焊(han)接(jie)(jie)速度(du)、增(zeng)加焊(han)絲(si)(si)填(tian)充量。焊(han)接(jie)(jie)薄(bo)板(ban)時,為了防止變形可采用(yong)銅(tong)襯墊(dian),并將焊(han)件壓貼(tie)于襯墊(dian)上,以(yi)(yi)利于散熱。在(zai)銅(tong)墊(dian)板(ban)上加工出凹(ao)槽(cao),凹(ao)槽(cao)對(dui)準(zhun)焊(han)縫以(yi)(yi)便(bian)背面充氬(ya)氣(qi)(qi)保(bao)(bao)(bao)護,見圖4-39、圖4-40。電弧熄滅后,焊(han)槍噴嘴(zui)仍須對(dui)準(zhun)熔(rong)(rong)池(chi),以(yi)(yi)延長(chang)氬(ya)氣(qi)(qi)保(bao)(bao)(bao)護效果(guo)。


   實踐證明,從焊(han)接接頭的顏色,也可以判斷焊(han)接區的保護效果,詳(xiang)見表4-32。


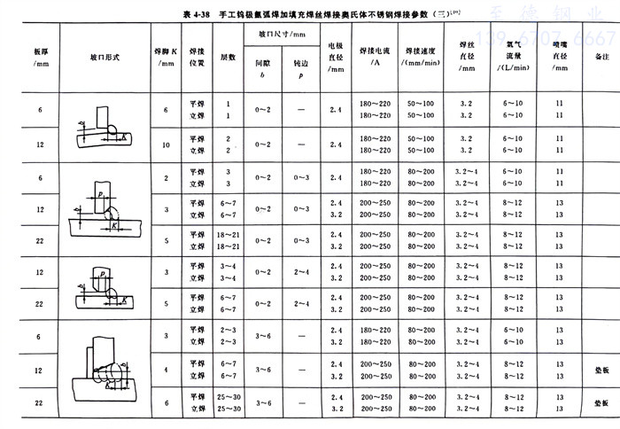
   機械(xie)操作不加(jia)填(tian)(tian)充(chong)焊(han)(han)(han)絲的(de)鎢(wu)極(ji)氬弧焊(han)(han)(han)焊(han)(han)(han)接工(gong)藝參數,見(jian)(jian)表(biao)4-33;機械(xie)操作加(jia)填(tian)(tian)充(chong)焊(han)(han)(han)絲的(de)鎢(wu)極(ji)氬弧焊(han)(han)(han)焊(han)(han)(han)接工(gong)藝參數,見(jian)(jian)表(biao)4-34;鎢(wu)極(ji)氬弧焊(han)(han)(han)加(jia)填(tian)(tian)充(chong)焊(han)(han)(han)絲焊(han)(han)(han)接薄板奧氏體不銹鋼(gang)(gang)焊(han)(han)(han)接參數,見(jian)(jian)表(biao)4-35;手工(gong)鎢(wu)極(ji)氬弧焊(han)(han)(han)加(jia)填(tian)(tian)充(chong)焊(han)(han)(han)絲的(de)焊(han)(han)(han)接參數,見(jian)(jian)表(biao)4-36~表(biao)4-38,奧氏體不銹鋼(gang)(gang)管鎢(wu)極(ji)氬弧焊(han)(han)(han)焊(han)(han)(han)接參數,見(jian)(jian)表(biao)4-39。






聯系方式.jpg