藥芯焊絲電弧焊是依靠藥芯焊絲在高溫時,反應形成的熔渣和氣體聯合自行保護焊接區進行焊接的方法,也有外加保護氣體的。它與普通熔化極氣體電弧焊一樣,是以熔化的藥芯焊絲作為一個電極,母材金屬作為另一個電極,在兩極間燃燒電弧進行焊接。焊接奧氏體型不銹鋼(gang)時,通常外加CO2氣體來保護藥芯焊絲、熔池和母材金屬。與普通熔化極氣體保護焊的主要區別在于不用實心焊絲而用內部裝有焊劑混合物的藥芯焊絲。焊接時,在電弧熱的作用下,熔化狀態的焊劑材料、焊絲金屬、母材金屬和保護氣體相互之間發生冶金作用,同時形成一層較薄的液態熔渣包覆熔滴并覆蓋熔池,對熔池金屬形成又一層保護。實質上這種焊接方法是一種氣渣聯合保護的方法,如圖4-46所示。


圖 46.jpg


  藥芯焊(han)絲氣體保護焊(han)綜合了焊(han)條電弧焊(han)和熔化極氣體保護焊(han)的(de)優點。其技術經(jing)濟性分(fen)析如下:


 ①. 熔敷速度(指單(dan)位電(dian)弧時間熔敷到焊(han)縫中的(de)金屬量(liang))快


     藥芯焊(han)(han)(han)絲(si)與(yu)藥皮(pi)(pi)(pi)焊(han)(han)(han)條相比,可(ke)使用的(de)電流大(da),電流密度更大(da),而且其(qi)填(tian)充系(xi)(xi)數(同一(yi)段焊(han)(han)(han)絲(si)中藥粉(fen)重量(liang)(liang)與(yu)金屬重量(liang)(liang)的(de)百(bai)分比,即質(zhi)量(liang)(liang)分數%)小于(yu)焊(han)(han)(han)條藥皮(pi)(pi)(pi)涂料系(xi)(xi)數(有藥皮(pi)(pi)(pi)的(de)同一(yi)段焊(han)(han)(han)條上焊(han)(han)(han)條藥皮(pi)(pi)(pi)重量(liang)(liang)與(yu)焊(han)(han)(han)芯重量(liang)(liang)的(de)百(bai)分比,即質(zhi)量(liang)(liang)分數%),因(yin)此藥芯焊(han)(han)(han)絲(si)的(de)熔敷速度明顯(xian)大(da)于(yu)藥皮(pi)(pi)(pi)焊(han)(han)(han)條。


 ②. 操作系(xi)數(指包括燃弧時間的實際焊接時間與(yu)總工(gong)時的時間之(zhi)比)比較


    藥芯焊(han)絲與藥皮焊(han)條相(xiang)比,由于省去了(le)更換焊(han)條的時間,因此操作系(xi)(xi)數明(ming)顯提高(gao);與實(shi)心焊(han)絲相(xiang)比,由于需要清渣工作,所以(yi)操作系(xi)(xi)數略低于實(shi)心焊(han)絲。


 ③. 材料效率(指材料在焊件上實(shi)際熔敷金屬(shu)量(liang)與所(suo)用材料質量(liang)比)比較


    藥芯(xin)焊絲的材料(liao)效(xiao)率為(wei)78%~85%,實心焊絲高達90%,埋弧焊的材料(liao)效(xiao)率為(wei)40%~55%,藥皮(pi)焊條為(wei)65%~70%。


 ④. 減少(shao)填充金屬比較


    由于(yu)(yu)藥(yao)芯焊絲熔深較大,而且焊絲易于(yu)(yu)深入坡(po)口(kou)底部,所以允許采用較大的坡(po)口(kou)鈍邊(bian)和較小的坡(po)口(kou)角度(du),減少了(le)填充到焊縫金屬的數量。


  藥芯(xin)焊(han)(han)絲(si)與實心(xin)(xin)焊(han)(han)絲(si)相比,其(qi)優越之處(chu)主要表現在芯(xin)部焊(han)(han)藥的作(zuo)用,由(you)于(yu)藥芯(xin)焊(han)(han)絲(si)的芯(xin)部加(jia)有(you)穩弧(hu)劑、造(zao)渣(zha)劑和(he)合金劑,從而使(shi)電弧(hu)燃燒穩定(ding),熔滴過(guo)渡平(ping)穩,克(ke)服了實心(xin)(xin)焊(han)(han)絲(si)在施焊(han)(han)過(guo)程中的飛濺大、表面成形差(cha)等疵病(bing);并能(neng)提(ti)高全位置焊(han)(han)接的適應性(xing)。另外,由(you)于(yu)藥芯(xin)焊(han)(han)絲(si)可(ke)通過(guo)金屬管(guan)坯(pi)和(he)藥芯(xin)兩(liang)種途徑過(guo)渡合金元(yuan)素(su),有(you)助于(yu)合金元(yuan)素(su)的調(diao)整(zheng),同時(shi)使(shi)焊(han)(han)縫金屬力學性(xing)能(neng)特別是(shi)沖擊(ji)性(xing)能(neng)得到提(ti)高,并且也使(shi)焊(han)(han)縫金屬耐腐蝕(shi)性(xing)得到提(ti)高。


  綜上所(suo)述(shu),藥芯焊(han)絲氣(qi)體保護電弧焊(han)與熔(rong)化極氣(qi)體保護焊(han)和焊(han)條電弧焊(han)相比,具有獨有的高效(xiao)率、良好的適應性和經濟性。


  藥芯焊絲氣體保護焊焊接奧氏體型不銹鋼時,可采用機械化焊接,但通常使用廣泛的是手工操作焊接方法。焊接設備選用普通的CO2焊接設備即可,焊接電源采用直流平特性。保護氣體選用CO2氣體;也可采用CO2+Ar混合氣體,若氬氣比例過高時,反而會使焊縫中形成氣孔


  藥芯焊(han)絲(si)斷面(mian)結(jie)構參見本書(shu)的圖2-1。O形(xing)斷面(mian)藥芯焊(han)絲(si)由(you)于(yu)焊(han)絲(si)內部的焊(han)劑(ji)不導電(dian)(dian),電(dian)(dian)弧易沿鋼皮旋轉,當直徑(jing)較(jiao)大(da)時(shi),電(dian)(dian)弧穩定(ding)性較(jiao)差,飛濺增大(da),焊(han)縫(feng)成分可能出現不夠均(jun)(jun)勻(yun)的現象。直徑(jing)為$2.4mm的藥芯焊(han)絲(si)在生產上得(de)到應(ying)用。折(zhe)疊式(shi)焊(han)絲(si)因管坯在整個斷面(mian)上分布比較(jiao)均(jun)(jun)勻(yun),藥芯焊(han)絲(si)內部亦能導電(dian)(dian),所以電(dian)(dian)弧燃燒穩定(ding),焊(han)絲(si)熔化均(jun)(jun)勻(yun),冶金反應(ying)充分,容(rong)易獲得(de)優質的焊(han)縫(feng)。直徑(jing)大(da)于(yu)2.4mm時(shi)應(ying)用它(ta),更能顯出這些優勢。


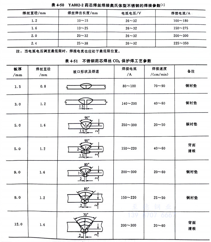
  藥芯焊絲氣體保護焊的焊接參數主要有焊接電流、電弧電壓、焊接速度、焊絲伸出長度和保護氣體流量等。當其他條件不變時,焊接電流與送絲速度成正比;焊接電流變化時,電弧電壓要相應的變化;采用純CO2氣體保護時,通常采用長弧法焊接,焊接電流調節范圍廣,可達200~700A,電弧電壓為25~35V。焊絲伸出長度太長會使電弧不穩定,飛濺過大;焊絲伸出長度過短,會造成過多的飛濺物堵塞噴嘴,使氣體保護不好,焊縫中易產生氣孔。通常焊絲伸出長度為19~38mm。平焊位置時焊槍前進方向與焊件之間的傾角為2°~15°;焊接角焊縫時為40°~50°。如果角度太大,會降低氣體保護效果。YA002-2藥芯焊絲焊接奧氏體型不銹鋼的焊接參數見表4-50,不銹鋼藥芯焊絲CO2保護焊工藝參數見表4-51。






聯系方式.jpg