不銹鋼零件在進行表面拋光、鈍化處理、電鍍、著色等以前,應該進行預處理。不(bu)銹鋼零件在成形過程中,零件表面可能有油污、毛刺、臟物和氧化物,因而在對不銹鋼零件進行表面處理前,首先應該進行預處理,把零件表面的油污、臟物、毛刺、不平表面和氧化物除去,才能在后續的加工中獲得滿意的效果。



一(yi)、不銹鋼零(ling)件預(yu)處理的步驟


  1. 不(bu)(bu)銹(xiu)(xiu)鋼零(ling)件(jian)預處理的第一步(bu)是進行零(ling)件(jian)表(biao)面(mian)的機械(xie)處理,消除不(bu)(bu)銹(xiu)(xiu)鋼零(ling)件(jian)表(biao)面(mian)的粗糙(cao)狀態,一般(ban)采用機械(xie)磨(mo)光、拋光,使不(bu)(bu)銹(xiu)(xiu)鋼零(ling)件(jian)的表(biao)面(mian)達(da)到一定的表(biao)面(mian)粗糙(cao)度(du)值(zhi)。


  2. 除去不銹(xiu)鋼零件的表面油污(wu)。


  3. 除去不銹(xiu)鋼零件的(de)表(biao)面氧(yang)化物。


  4. 弱腐蝕。活(huo)化(hua)待處理表面,除去不(bu)銹(xiu)鋼零件(jian)表面的鈍化(hua)膜,露出金屬結晶組(zu)織(zhi)。



二、不銹鋼零件表面預處理的(de)方法(fa)


1. 機(ji)械法


    用(yong)磨光(guang)(guang)機、拋光(guang)(guang)機或其他機械(xie)方法消除不銹鋼零件表面粗糙狀態,減(jian)少表面粗糙度值,并去(qu)掉表面的毛刺(ci)、氧化皮、銹蝕(shi)、孔(kong)眼、劃傷、焊瘤(liu)、焊渣等,使零件表面獲得光(guang)(guang)亮(liang)平整的外(wai)觀(guan),為(wei)后(hou)續的化學拋光(guang)(guang)和電化學拋光(guang)(guang)做好(hao)準備。


 2. 除油 


 具體如下:


 a. 有機溶劑除油


   有(you)機(ji)溶(rong)劑(ji)除油(you)(you)就是利用(yong)機(ji)溶(rong)溶(rong)劑(ji)能(neng)溶(rong)解(jie)油(you)(you)脂的(de)性質,把油(you)(you)污除去(qu)。只有(you)表面沾污了(le)用(yong)一般化學除油(you)(you)難(nan)以(yi)除去(qu)的(de),如黃油(you)(you)、凡士林、拋光膏(gao)結污等(deng)才采用(yong)有(you)機(ji)溶(rong)劑(ji)除油(you)(you)。常用(yong)的(de)有(you)機(ji)除油(you)(you)劑(ji)有(you)汽油(you)(you)、苯、三氯乙烯、四(si)氯化碳(tan)、四(si)氯乙烯、二甲苯、溶(rong)劑(ji)油(you)(you)、氟里昂113 和(he)丙酮(tong)等(deng)。其缺(que)點是:溶(rong)劑(ji)揮發后在零(ling)件表面上會留下(xia)一層極(ji)薄(bo)的(de)油(you)(you)膜。所以(yi)有(you)機(ji)溶(rong)劑(ji)除油(you)(you)只能(neng)作為預除油(you)(you),隨后還要進(jin)行化學除油(you)(you)。


  b. 化學(xue)除(chu)油


   化(hua)學除(chu)(chu)油(you)就是利用堿性(xing)(xing)化(hua)學物(wu)質溶液除(chu)(chu)去(qu)不銹鋼表面(mian)(mian)的油(you)污,以(yi)達到清潔表面(mian)(mian)的目的。化(hua)學除(chu)(chu)油(you)溶液中的堿性(xing)(xing)化(hua)學品有(you)氫氧(yang)化(hua)鈉(na)、碳酸(suan)鈉(na)、磷酸(suan)三鈉(na)、硅(gui)酸(suan)鈉(na)及(ji)焦磷酸(suan)鈉(na)(Na.PO, ·2H2O)等。表面(mian)(mian)活(huo)性(xing)(xing)劑(ji)是強(qiang)乳(ru)劑(ji),能(neng)加速除(chu)(chu)油(you)過程。常(chang)用的有(you)下列幾種:十(shi)二烷(wan)基(ji)(ji)硫酸(suan)鈉(na)、OP-10 乳(ru)化(hua)劑(ji)、TX-10(聚氧(yang)乙烯辛烷(wan)基(ji)(ji)酚醚)、6501 (十(shi)二烷(wan)基(ji)(ji)二元醇酰胺)等。其(qi)配方和工作(zuo)條(tiao)件見表10-20。


   表10-2 不銹鋼化學除油溶液的(de)配方和工(gong)作(zuo)條(tiao)件


   化(hua)(hua)學(xue)除(chu)油(you)后(hou),表面宜用60℃熱(re)水清洗,將皂化(hua)(hua)生成(cheng)的肥皂,以及附著在表面的多余乳化(hua)(hua)劑和硅酸鈉洗去,以免(mian)粘附于表面而不利(li)于后(hou)續處理(li)。并(bing)根據除(chu)油(you)情況,更新重配除(chu)油(you)溶液。


 c. 電化學除油


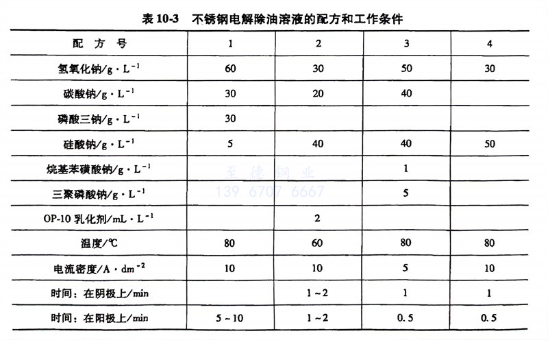
   電化學除(chu)油又稱電解除(chu)油,是在直流電的(de)作用(yong)下(xia),在堿性(xing)溶(rong)液(ye)中將不(bu)銹鋼(gang)表面作為陰極(ji)或陽極(ji)進行電解,從而除(chu)去油污。不(bu)銹鋼(gang)電解除(chu)油溶(rong)液(ye)的(de)配方及工(gong)作條件(jian)見(jian)表10-3。


   電解(jie)除油(you)配方也可參照表10-2所(suo)示的化學除油(you)配方。


2.jpg


   電化(hua)學除(chu)(chu)(chu)油(you)(you)時,除(chu)(chu)(chu)了有機化(hua)學除(chu)(chu)(chu)油(you)(you)的(de)(de)(de)皂化(hua)作(zuo)(zuo)用(yong)(yong)外,還在電流的(de)(de)(de)作(zuo)(zuo)用(yong)(yong)下,使水分子分解,在工(gong)件表面(mian)析出氣(qi)泡(pao)。隨(sui)著(zhu)氣(qi)泡(pao)的(de)(de)(de)增大(da),將(jiang)油(you)(you)膜撕裂(lie)脫離表面(mian)呈小油(you)(you)滴(di)狀進(jin)入溶(rong)液中(zhong),產(chan)生的(de)(de)(de)氣(qi)體對溶(rong)液起攪拌作(zuo)(zuo)用(yong)(yong),加速(su)了除(chu)(chu)(chu)油(you)(you)的(de)(de)(de)速(su)度。電學除(chu)(chu)(chu)油(you)(you)所(suo)需電流一般為5~10A/dm2。


  不銹(xiu)鋼零件(jian)表面處(chu)于陰極時,由于水的電解析出氫氣,化學反應式如下:


  析(xi)出的氫氣泡體(ti)積(ji)小(xiao)、數量多,擦刷作用(yong)大。


  不銹(xiu)鋼零件(jian)表面處于陽極時,析出(chu)的(de)是氧氣(qi),其化學反應式如下:


雜 1.jpg


   析(xi)出的(de)氧氣只有氫氣體積的(de)一半,除油效率(lv)不如陰極除油大。


   除油時(shi)(shi)間(jian)分陰極時(shi)(shi)間(jian)和陽(yang)極時(shi)(shi)間(jian)。陰極時(shi)(shi)間(jian)長易(yi)除去油,但易(yi)滲氫,造成氫脆,而且易(yi)有(you)金屬雜質(zhi)析出(chu)在(zai)(zai)(zai)工(gong)件表(biao)面,呈黑色沉淀,故一般(ban)易(yi)在(zai)(zai)(zai)1~2min內。陽(yang)極時(shi)(shi)間(jian)長,雖有(you)除去表(biao)面在(zai)(zai)(zai)陰極時(shi)(shi)析出(chu)沉渣(zha)的作用,但同時(shi)(shi)有(you)氧(yang)化作用,時(shi)(shi)間(jian)過(guo)長,特(te)別是在(zai)(zai)(zai)氯(lv)離子(zi)存(cun)在(zai)(zai)(zai)的情況下易(yi)使表(biao)面發生點(dian)腐蝕,故一般(ban)陽(yang)極時(shi)(shi)間(jian)以0.5min 為宜。溶液中沒有(you)氯(lv)離子(zi)存(cun)在(zai)(zai)(zai)時(shi)(shi),也可在(zai)(zai)(zai)專用陽(yang)極除油液中進行5~10min。


   為了使不銹鋼零(ling)(ling)件表(biao)面取得最(zui)佳除(chu)油效果,可(ke)采(cai)用(yong)陰(yin)極和陽(yang)(yang)極的(de)聯合除(chu)油,即采(cai)用(yong)表(biao) 10-3 中的(de)陰(yin)、陽(yang)(yang)極除(chu)油時(shi)間。從而可(ke)以減輕(qing)不銹鋼零(ling)(ling)件表(biao)面滲氫和氧化的(de)作用(yong)。


3.jpg


 3. 滾(gun)(gun)動光(guang)(guang)飾(滾(gun)(gun)光(guang)(guang)) 


  滾光(guang)有滾筒滾光(guang)、離心(xin)滾光(guang)、離心(xin)盤(pan)擦光(guang)和(he)旋轉光(guang)飾(shi)等,適用(yong)于小型不銹鋼(gang)零(ling)件,兼有整平(ping)和(he)除氧化皮的作用(yong)。


  a. 滾筒滾光


    滾筒滾光是(shi)將不銹鋼零件(jian)放(fang)入(ru)盛有堿性除(chu)(chu)油(you)液的滾筒中,利用滾筒的旋轉,使零件(jian)相(xiang)互摩擦,達到表面除(chu)(chu)油(you)的作用。


    如(ru)果要除(chu)去氧化(hua)皮(pi),可(ke)在滾筒內加入酸類(lei)和(he)非離子型表面活性劑,如(ru)OP-10,利用轉動作(zuo)用,既除(chu)油,又除(chu)氧化(hua)皮(pi)。


    如(ru)果要提(ti)高不銹鋼零(ling)件的表面(mian)光潔度(du),可在滾筒(tong)內(nei)的堿性(xing)溶液中(zhong)加入(ru)磨料(liao),利用轉動(dong)中(zhong)零(ling)件表面(mian)與(yu)磨料(liao)的接觸摩擦,達到(dao)整(zheng)平表面(mian),使(shi)不銹鋼零(ling)件表面(mian)達到(dao)光潔的目的。


    滾光可(ke)以全(quan)部和部分替代磨(mo)光和拋(pao)光工(gong)作(zuo),它適用于大(da)批量的(de)小零(ling)件使用。但(dan)不適用于有外螺紋(wen)的(de)和要求(qiu)精密的(de)高光潔度的(de)零(ling)件拋(pao)光。


    滾筒截面(mian)有圓(yuan)形、六(liu)角(jiao)形和八(ba)角(jiao)形等形式。


  b. 離心滾光


    離心滾(gun)光是在一(yi)個轉(zhuan)(zhuan)塔內的(de)四周(zhou)安放一(yi)些裝(zhuang)有(you)零件和磨料(liao)的(de)轉(zhuan)(zhuan)筒(tong)(tong),轉(zhuan)(zhuan)塔高(gao)速旋轉(zhuan)(zhuan),帶動轉(zhuan)(zhuan)筒(tong)(tong)以低轉(zhuan)(zhuan)動的(de)速度反(fan)方向(xiang)旋轉(zhuan)(zhuan)。轉(zhuan)(zhuan)塔旋轉(zhuan)(zhuan)產(chan)生(sheng)的(de)離心力使轉(zhuan)(zhuan)筒(tong)(tong)中的(de)裝(zhuang)載物壓在一(yi)起,轉(zhuan)(zhuan)筒(tong)(tong)的(de)旋轉(zhuan)(zhuan)使磨料(liao)對零件產(chan)生(sheng)滑動磨削,從而起到去除(chu)毛刺(ci)或光飾表面的(de)作用。


    離心滾光的(de)(de)效率高(gao),只需一(yi)般滾光時(shi)間的(de)(de)1/50。并(bing)能保持不同批次加工的(de)(de)不銹(xiu)鋼零件(jian)的(de)(de)表面(mian)質(zhi)量一(yi)致(zhi),使(shi)不銹(xiu)鋼零件(jian)具有高(gao)的(de)(de)尺寸精度和光飾質(zhi)量。生產效率高(gao),成(cheng)本低。其缺點(dian)是:只能處(chu)理小零件(jian),設(she)備成(cheng)本較高(gao)。


  c. 離心盤擦光


    離(li)心(xin)盤擦(ca)光(guang)機的(de)主(zhu)要結構是圓柱形(xing)容器、碗(wan)形(xing)盤和驅動(dong)系統(tong)。在固定不(bu)動(dong)的(de)圓柱筒(tong)下部,裝(zhuang)(zhuang)有一個由驅動(dong)系統(tong)帶動(dong)的(de)能高(gao)速(su)旋(xuan)轉的(de)碗(wan)形(xing)盤,盤的(de)線速(su)度可達10m/s。零(ling)(ling)件和磨料放入筒(tong)內,工作時由于盤的(de)高(gao)速(su)旋(xuan)轉,使裝(zhuang)(zhuang)載物沿筒(tong)壁(bi)向(xiang)上運動(dong),其后因零(ling)(ling)件的(de)自重(zhong)而(er)從筒(tong)的(de)中心(xin)滑(hua)落(luo)到(dao)離(li)心(xin)盤中,這樣(yang)反(fan)反(fan)復(fu)復(fu)進(jin)行,使裝(zhuang)(zhuang)載物呈圓筒(tong)形(xing)運動(dong),從而(er)對(dui)不(bu)銹鋼零(ling)(ling)件產生磨削光(guang)飾的(de)作用。


  d. 旋轉光(guang)飾(shi)


    旋(xuan)轉光飾是把不(bu)銹鋼零(ling)件固定在一個轉軸(zhou)上(shang),并浸入盛有(you)磨料(liao)泥漿的(de)旋(xuan)轉筒內。零(ling)件表(biao)面受到(dao)快速動泥漿的(de)磨削(xue)作用而(er)達到(dao)光飾加工的(de)目的(de)。


    旋轉光飾適(shi)合于精密而怕(pa)碰(peng)撞的(de)零(ling)件(如齒輪、鏈輪、軸承等),可以(yi)去(qu)毛刺(ci)、倒圓角,獲(huo)得精細的(de)表(biao)面(mian)。但加工效率低,成(cheng)本較高。


 4. 噴(pen)砂 


   適(shi)用于(yu)大(da)面積處理,兼(jian)有(you)去污和除去氧(yang)化(hua)皮的作用。噴(pen)砂(sha)(sha)是用壓縮空氣將石英(ying)砂(sha)(sha)噴(pen)在不銹鋼(gang)零件表(biao)面,對(dui)表(biao)面進行清理或修飾加工。噴(pen)砂(sha)(sha)分(fen)為干噴(pen)砂(sha)(sha)和濕(shi)噴(pen)砂(sha)(sha)。

  

   噴砂主(zhu)要是除(chu)去鑄件、鍛件或熱處(chu)理后(hou)的(de)(de)不(bu)銹鋼(gang)零件表(biao)面存在的(de)(de)型砂、氧化(hua)皮;除(chu)去不(bu)銹鋼(gang)零件表(biao)面的(de)(de)銹蝕物、積炭、焊(han)渣以(yi)及零件邊緣上(shang)的(de)(de)毛刺(ci)、磨痕,提高不(bu)銹鋼(gang)零件表(biao)面的(de)(de)粗糙度。




聯系方式.jpg