1. 大氣暴曬(shai)試驗


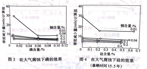
  香蕉視頻app破解碼:耐候鋼具有的優秀特性之一就是耐候性,然而為了知道暴露在大氣中的鋼材怎樣地被腐蝕則需要非常長的時間。如前所述,U.S.Steel公司在各個暴曬試驗場進行了長期的試驗,該公司的Larabee關于合金元素的效果曾經發表過圖1~圖4所示的實驗結果。根據些圖可以知道,對大氣腐蝕最有效果的元素是銅,0.1%銅的鋼和0.01%銅的鋼其耐蝕性顯著不同。現把單獨添加其他合金元素時的效果分別總結如下。





 對提高耐候性有顯著(zhu)效果的元素:P、Cu、Cr;


 對提高耐候性稍有效(xiao)果(guo)的元素(su):Ni、Mo、V、Nb、Ti 等。


 對提高(gao)耐候性(xing)沒(mei)有效(xiao)果的元素:C、Si、Mn、S。


 在(zai)這里重要的是:這些(xie)合(he)(he)金元(yuan)素復合(he)(he)添(tian)加,可以獲得比(bi)分別單獨添(tian)加更高的雙(shuang)重效果,Cr、P等與Cu共存最初(chu)發揮作用的結果表(biao)示在(zai)圖(tu)(tu)2~圖(tu)(tu)4。復合(he)(he)添(tian)加的代表(biao)是U.S.Steel公司開發的添(tian)加了Cu-P-Cr-Ni的COR-TEN鋼,把這種鋼的耐候性與碳素鋼及含銅鋼的進行比(bi)較,結果表(biao)示于圖(tu)(tu)5。


圖 5.jpg


 日(ri)本與美國相比(bi),一般(ban)來說由(you)于高溫、潮(chao)濕,大(da)氣(qi)腐(fu)蝕(shi)(shi)嚴重,環境(jing)(jing)條件(jian)比(bi)較嚴酷。因(yin)此,日(ri)本各公司分(fen)別在(zai)不同環境(jing)(jing)條件(jian)的(de)(de)(de)各地(di)區進(jin)行(xing)了暴(bao)(bao)曬(shai)(shai)試驗,圖6及圖7分(fen)別示出了在(zai)腐(fu)蝕(shi)(shi)環境(jing)(jing)嚴酷的(de)(de)(de)工業(ye)地(di)帶尼崎地(di)區和環境(jing)(jing)比(bi)較好的(de)(de)(de)半田園(yuan)地(di)帶的(de)(de)(de)相模原地(di)區所(suo)獲得的(de)(de)(de)有關COR-TEN鋼(gang)(gang)(gang)的(de)(de)(de)暴(bao)(bao)曬(shai)(shai)試驗結果(guo)(guo)。如(ru)果(guo)(guo)根據(ju)這些圖來比(bi)較暴(bao)(bao)曬(shai)(shai)時間第7年(nian)的(de)(de)(de)腐(fu)蝕(shi)(shi)減量(liang)時,尼崎地(di)區的(de)(de)(de)場(chang)合(he)COR-TEN鋼(gang)(gang)(gang)只不過(guo)是碳(tan)素鋼(gang)(gang)(gang)的(de)(de)(de)26%.如(ru)果(guo)(guo)改變方法來比(bi)較厚度減少(shao)到0.1mm的(de)(de)(de)時間時,COR-TEN鋼(gang)(gang)(gang)為(wei)(wei)(wei)5年(nian)左右,在(zai)此以后腐(fu)蝕(shi)(shi)減量(liang)大(da)為(wei)(wei)(wei)下降;而含銅鋼(gang)(gang)(gang)是2.5年(nian),490MPa(50kg/m㎡)級高強(qiang)度鋼(gang)(gang)(gang)是1年(nian),碳(tan)素鋼(gang)(gang)(gang)是9個月,而且因(yin)為(wei)(wei)(wei)COR-TEN鋼(gang)(gang)(gang)以外(wai)的(de)(de)(de)鋼(gang)(gang)(gang)種腐(fu)蝕(shi)(shi)一直沒有發生鈍(dun)化,所(suo)以使其差別進(jin)一步增大(da)。在(zai)進(jin)行(xing)鋼(gang)(gang)(gang)鐵結構物的(de)(de)(de)設計時,如(ru)果(guo)(guo)考慮(lv)鋼(gang)(gang)(gang)材銹所(suo)起到的(de)(de)(de)作(zuo)用(yong),人們將會容易(yi)理(li)解耐候(hou)鋼(gang)(gang)(gang)的(de)(de)(de)優(you)越性。


圖 7.jpg


 半(ban)田園地區(qu)與工業地區(qu)相(xiang)比腐(fu)(fu)蝕量(liang)顯著(zhu)減少(shao),所(suo)以耐候鋼(gang)和碳素鋼(gang)的(de)(de)腐(fu)(fu)蝕量(liang)的(de)(de)差別(bie)不太大,然而這是(shi)由于大氣(qi)中所(suo)含的(de)(de)二氧化硫濃度在(zai)工業地區(qu)高的(de)(de)原因。



2. 環(huan)境因子對(dui)大(da)氣腐(fu)蝕的影(ying)響


像尼(ni)崎和相模原地區在大氣(qi)(qi)腐(fu)蝕上的差別那樣(yang),鋼(gang)鐵的含銅鋼(gang)大氣(qi)(qi)腐(fu)蝕受氣(qi)(qi)候(hou)要素(氣(qi)(qi)溫、濕耐(nai)候(hou)鋼(gang)度、降雨(yu)量等)或大氣(qi)(qi)污染因子(二(er)氧化硫、海鹽粒子、沉積煤塵等)等環境因子的影響。


通過這些公式(shi)可以(yi)說,在任(ren)何公式(shi)中二氧(yang)化(hua)硫濃度的(de)(de)(de)影響最大。根據(ju)福井等(deng)的(de)(de)(de)研究,如果把(ba)(4)、(5)、(6)各(ge)式(shi)和實(shi)測(ce)值進行比較時,如表3出(chu)示的(de)(de)(de)式(shi)(6)的(de)(de)(de)簡略(lve)式(shi)的(de)(de)(de)計算值與實(shi)測(ce)值非(fei)常一致,表明鋼(gang)鐵的(de)(de)(de)大氣腐蝕事實(shi)上(shang)可以(yi)作(zuo)為二氧(yang)化(hua)硫濃度的(de)(de)(de)函數求(qiu)出(chu)來(lai)。


表 3.jpg


3. 關于耐候性(xing)的考察


 如果(guo)把(ba)不銹鋼(gang)暴露在(zai)(zai)大氣中時(shi),就會在(zai)(zai)表面上(shang)生成(cheng)穩定而(er)(er)且很薄的(de)(de)氧化覆(fu)膜(mo)(鈍化覆(fu)膜(mo)),以后不再被(bei)氧化,永遠不會失(shi)去光澤(ze),可(ke)是把(ba)候(hou)(hou)鋼(gang)放在(zai)(zai)大氣中進行暴曬時(shi)則生成(cheng)銹,和碳素鋼(gang)的(de)(de)外觀完全不同。而(er)(er)且在(zai)(zai)腐(fu)蝕(shi)進行中一旦生成(cheng)某種程度的(de)(de)銹層(ceng)(ceng)時(shi),耐(nai)候(hou)(hou)鋼(gang)的(de)(de)銹層(ceng)(ceng)就會對腐(fu)蝕(shi)起保護作用,顯著(zhu)地抑制以后的(de)(de)腐(fu)蝕(shi),然而(er)(er)因為碳素鋼(gang)的(de)(de)銹層(ceng)(ceng)沒有這(zhe)樣的(de)(de)抑制效果(guo),在(zai)(zai)腐(fu)蝕(shi)量上(shang)產生差異,所以當然認為耐(nai)候(hou)(hou)鋼(gang)的(de)(de)特長就在(zai)(zai)于這(zhe)種銹層(ceng)(ceng)的(de)(de)保護效果(guo)。


 關于(yu)這一點,耐候鋼(gang)和(he)碳(tan)素鋼(gang)是(shi)同樣的(de),如圖8所示,在(zai)腐蝕(shi)初期耐候鋼(gang)的(de)銹(xiu)的(de)生成(cheng)較快。可是(shi)隨(sui)著長時(shi)間(jian)暴曬,初期的(de)紅銹(xiu)在(zai)大氣干濕交替(ti)之(zhi)中,在(zai)鄰接鋼(gang)的(de)表面部分慢慢形成(cheng)帶有藍色的(de)銹(xiu)層,一般也(ye)被稱為“自(zi)涂漆(qi)鋼(gang)”。


圖 8.jpg


 像上述那樣進行(xing)直觀(guan)的考(kao)慮時(shi),可(ke)以(yi)認(ren)為在(zai)耐候鋼上因(yin)為能形成致密而且粘附性(xing)良好的銹(xiu)層(ceng),所以能夠阻礙水(shui)、氧、二氧化(hua)硫等腐(fu)蝕性(xing)物質的滲透。例(li)如Cadius和(he)Schulz[6]就認為鋼中(zhong)含有銅時,在(zai)褐色銹(xiu)的下面能生(sheng)成致密的CuO和(he)FeO、Fe2O3·H2O混合的黑色銹層(ceng),在(zai)黑色銹層(ceng)下面(mian)進一步形成Cu·CuO層(ceng),通過這種致密銹的保護作用提高了耐蝕性。


 但是,根據(ju)Mayne7的觀點,即使有致密銹層(ceng)的存在也(ye)難(nan)以認(ren)為能夠(gou)充(chong)分阻止(zhi)水和氧的透(tou)過(guo),像涂膜(mo)之類(lei)的物質,鋼(gang)鐵腐(fu)蝕(shi)所需要的水分、氧等(deng)的透(tou)過(guo)速度越充(chong)分腐(fu)蝕(shi)能力越大,所以好(hao)像還(huan)不能說銹層(ceng)阻止(zhi)透(tou)過(guo)的能力超過(guo)涂膜(mo)。


 Copson 注意(yi)到圖1出示的銅對鋼鐵(tie)的大氣腐蝕的影響顯著,研究了鋼中的銅量和銹(xiu)層的化(hua)學組成之間的關系,結果如(ru)圖9所示,通過添加微量0.05%Cu,銹(xiu)層中的SO4-已達(da)到飽和,所以認為銅和SO4-按一定比例生成的絡鹽(yan)形成了致密(mi)層,可是難點(dian)是一直沒有掌(zhang)握絡鹽(yan)的實質。


圖 9.jpg


 如上(shang)所(suo)(suo)(suo)述可知,耐候(hou)鋼的(de)所(suo)(suo)(suo)謂的(de)穩定銹(xiu)層(ceng)由于(yu)致(zhi)密(mi)(mi)所(suo)(suo)(suo)以(yi)抑制了(le)水或(huo)氧的(de)滲(shen)透,大體上(shang)能完全(quan)阻止后續的(de)腐蝕反應,可是關(guan)于(yu)含有Cu、Cr、P等(deng)的(de)耐候(hou)鋼上(shang)為(wei)什么能生成致(zhi)密(mi)(mi)的(de)銹(xiu)層(ceng),并且(qie)所(suo)(suo)(suo)謂這種致(zhi)密(mi)(mi)性是什么東西?實際情況一直沒有確切的(de)說明(ming)。在(zai)日(ri)本以(yi)學(xue)振97委員會(hui)為(wei)中心(xin),積極進行了(le)試圖闡明(ming)耐候(hou)鋼特(te)長(chang)的(de)研究,已經知道有久(jiu)松·增子(zi)、下平(ping)、岡田·細(xi)井等(deng)、松島·上(shang)野(ye)、小(xiao)若·佐(zuo)武等(deng)以(yi)及轟·門(men)等(deng)的(de)研究。


 岡田等(deng)用(yong)(yong)X射(she)(she)線(xian)衍(yan)射(she)(she)、斷面(mian)顯(xian)微鏡觀(guan)(guan)察(cha)、XMA、鐵銹(xiu)(xiu)試驗、銹(xiu)(xiu)層(ceng)(ceng)的(de)(de)(de)(de)(de)(de)(de)(de)電解還(huan)原等(deng)方法,研(yan)究了耐(nai)候鋼(gang)(gang)(gang)和碳素鋼(gang)(gang)(gang)的(de)(de)(de)(de)(de)(de)(de)(de)銹(xiu)(xiu)層(ceng)(ceng)特征。其結果(guo)(guo)(guo)是:(1)耐(nai)候鋼(gang)(gang)(gang)經5年的(de)(de)(de)(de)(de)(de)(de)(de)暴曬材(cai)的(de)(de)(de)(de)(de)(de)(de)(de)銹(xiu)(xiu)層(ceng)(ceng)在(zai)(zai)鐵基(ji)體(ti)上(shang)幾乎(hu)沒(mei)有(you)FeOOH存在(zai)(zai)的(de)(de)(de)(de)(de)(de)(de)(de)部位,在(zai)(zai)FeOOH層(ceng)(ceng)和鐵基(ji)體(ti)之間(jian)能(neng)(neng)觀(guan)(guan)察(cha)到(dao)非(fei)(fei)常致(zhi)密的(de)(de)(de)(de)(de)(de)(de)(de)層(ceng)(ceng)。相反,在(zai)(zai)碳素鋼(gang)(gang)(gang)的(de)(de)(de)(de)(de)(de)(de)(de)銹(xiu)(xiu)層(ceng)(ceng)上(shang)能(neng)(neng)夠觀(guan)(guan)察(cha)到(dao)FeOOH存在(zai)(zai)的(de)(de)(de)(de)(de)(de)(de)(de)部位,而且裂紋(wen)也(ye)多;(2)如(ru)果(guo)(guo)(guo)綜合X射(she)(she)線(xian)衍(yan)射(she)(she)和電解還(huan)原法的(de)(de)(de)(de)(de)(de)(de)(de)結果(guo)(guo)(guo),在(zai)(zai)耐(nai)候鋼(gang)(gang)(gang)的(de)(de)(de)(de)(de)(de)(de)(de)銹(xiu)(xiu)的(de)(de)(de)(de)(de)(de)(de)(de)下層(ceng)(ceng)存在(zai)(zai)的(de)(de)(de)(de)(de)(de)(de)(de)致(zhi)密層(ceng)(ceng)是由X射(she)(she)線(xian)非(fei)(fei)晶(jing)質的(de)(de)(de)(de)(de)(de)(de)(de)尖(jian)晶(jing)石型氧化鐵構成的(de)(de)(de)(de)(de)(de)(de)(de);(3)根(gen)據(ju)XMA檢(jian)測,在(zai)(zai)耐(nai)候鋼(gang)(gang)(gang)中所含有(you)的(de)(de)(de)(de)(de)(de)(de)(de)Cu、Cr、P等(deng)有(you)效(xiao)添(tian)加元素在(zai)(zai)銹(xiu)(xiu)下層(ceng)(ceng)的(de)(de)(de)(de)(de)(de)(de)(de)致(zhi)密層(ceng)(ceng)中濃縮,根(gen)據(ju)這些實驗結果(guo)(guo)(guo)銹(xiu)(xiu)層(ceng)(ceng)的(de)(de)(de)(de)(de)(de)(de)(de)構造可以(yi)用(yong)(yong)模式圖表示在(zai)(zai)圖10,并且在(zai)(zai)耐(nai)候鋼(gang)(gang)(gang)中所含有(you)的(de)(de)(de)(de)(de)(de)(de)(de)Cu、Cr、P有(you)效(xiao)添(tian)加元素等(deng)在(zai)(zai)紅銹(xiu)(xiu)層(ceng)(ceng)(FeOOH)的(de)(de)(de)(de)(de)(de)(de)(de)下面(mian)濃縮,對穩定(ding)非(fei)(fei)晶(jing)質的(de)(de)(de)(de)(de)(de)(de)(de)類似(si)于(yu)磁鐵礦(kuang)的(de)(de)(de)(de)(de)(de)(de)(de)銹(xiu)(xiu)層(ceng)(ceng)有(you)效(xiao)果(guo)(guo)(guo),認為這種非(fei)(fei)晶(jing)質銹(xiu)(xiu)層(ceng)(ceng)是耐(nai)候鋼(gang)(gang)(gang)的(de)(de)(de)(de)(de)(de)(de)(de)防(fang)蝕作用(yong)(yong)的(de)(de)(de)(de)(de)(de)(de)(de)本質。


 轟·門(men)等所進行(xing)的(de)(de)(de)耐(nai)候鋼銹(xiu)(xiu)層結構(gou)分(fen)析的(de)(de)(de)結果(guo)表明,用(yong)X射(she)線衍射(she)檢測(ce)出了(le)α-FeOOH、y-FeOOH及Fe3O4,雖(sui)然和碳(tan)素鋼相(xiang)(xiang)比沒有(you)(you)變(bian)化,可是在(zai)XMA面分(fen)析上看到了(le)Cu、Cr、P以及S的(de)(de)(de)濃(nong)(nong)縮(suo)(suo)(suo),特(te)別是硫(liu)的(de)(de)(de)濃(nong)(nong)縮(suo)(suo)(suo)比碳(tan)素鋼顯著(zhu)。就是說,碳(tan)素鋼的(de)(de)(de)硫(liu)的(de)(de)(de)濃(nong)(nong)縮(suo)(suo)(suo)在(zai)外層部分(fen)多(duo),而(er)耐(nai)候鋼的(de)(de)(de)S的(de)(de)(de)濃(nong)(nong)縮(suo)(suo)(suo)在(zai)全體銹(xiu)(xiu)層中均勻分(fen)布,而(er)且(qie)與碳(tan)素鋼相(xiang)(xiang)比硫(liu)的(de)(de)(de)濃(nong)(nong)縮(suo)(suo)(suo)相(xiang)(xiang)當多(duo)(參照照片1、2).該結果(guo)與Copson所說的(de)(de)(de)越(yue)是耐(nai)候性優(you)秀(xiu)的(de)(de)(de)鋼其銹(xiu)(xiu)層中含有(you)(you)的(de)(de)(de)硫(liu)酸(suan)鹽越(yue)多(duo)的(de)(de)(de)研究(jiu)結果(guo)(圖9)一致。


照片 1.jpg


 根據轟等的(de)研(yan)究,如表4所示(shi),耐候(hou)鋼銹內層的(de)硫(liu)濃度達到(dao)0.45%,相當于基(ji)體鐵(tie)中硫(liu)含量的(de)20倍以上,所以認(ren)為大部(bu)(bu)分硫(liu)是(shi)大氣(qi)(qi)中的(de)SO2形(xing)成硫(liu)酸鹽(yan)后被固(gu)定下來(lai)的(de)。Chandler 等敘述了(le)(le)在大氣(qi)(qi)暴曬材的(de)銹層中含有4%S04-離子,其中可溶(rong)性硫(liu)酸鐵(tie)借助于內層大量存(cun)在著,Schwarz像圖11那樣確(que)認(ren)了(le)(le)在基(ji)體鐵(tie)表面上形(xing)成了(le)(le)FeSO4'nH2O,并且Tanner在被銹覆蓋的(de)基(ji)體鐵(tie)的(de)很淺的(de)凹痕處發現了(le)(le)FeSO4·4H2O,認(ren)為這(zhe)個凹痕是(shi)局部(bu)(bu)腐蝕反應的(de)陽極(ji)點。Evans 也談到(dao)金(jin)屬表面的(de)間隙部(bu)(bu)裂紋等也變成了(le)(le)陽極(ji),SO4-離子向那些部(bu)(bu)分遷移形(xing)成了(le)(le)硫(liu)酸鐵(tie)。


表 4.jpg

圖 10.jpg  圖 11.jpg



 松島用放(fang)射(she)性(xing)影法研究了銹層缺陷的(de)(de)分(fen)布(bu),發現耐候鋼(gang)缺陷部(活性(xing)點、陽極部分(fen))少。他們(men)根(gen)據這一結果得出結論,帶有銹層的(de)(de)鋼(gang)的(de)(de)腐蝕(shi)是通過缺陷部分(fen)借助腐蝕(shi)性(xing)物質的(de)(de)滲透進行的(de)(de)。


綜合考(kao)慮以上結果,大(da)氣(qi)腐蝕反應的(de)(de)第一階段(duan)是(shi)(shi)在(zai)硫(liu)酸鹽的(de)(de)環境下(xia)(xia)進行的(de)(de)。其理由是(shi)(shi),在(zai)這樣的(de)(de)條(tiao)件(jian)下(xia)(xia)只能生(sheng)成硫(liu)酸亞鐵,雖然(ran)也能通過銹(xiu)層(ceng)(ceng)向(xiang)基(ji)體鐵充分供給(gei)氧,可是(shi)(shi)不被氧化能夠穩定地存在(zai),以及從存在(zai)于銹(xiu)層(ceng)(ceng)中(zhong)的(de)(de)硫(liu)酸亞鐵的(de)(de)含水量少來看,是(shi)(shi)由于腐蝕環境處在(zai)比較高的(de)(de)溫度。例如已經知道4水鹽在(zai)60℃生(sheng)成,認為在(zai)實際(ji)的(de)(de)大(da)氣(qi)暴曬的(de)(de)日照(zhao)條(tiao)件(jian)下(xia)(xia),溫度上升到這種程(cheng)度非常容易(yi)實現。


在以上的(de)銹層/基體(ti)鐵界(jie)面上進行腐蝕時,關于其腐蝕氣氛保持酸性(xing)的(de)理由,可以考(kao)慮Schikorr 提(ti)出的(de)循環反應(ying)的(de)理由,即通過以下(xia)的(de)反應(ying)保持酸性(xing):


 在這(zhe)里,對(dui)判定(ding)鋼的(de)耐候性的(de)模型實驗來說,在硫酸溶(rong)液中(zhong)測定(ding)腐蝕特性的(de)方法是合適的(de)。這(zhe)種(zhong)實驗轟等(deng)。


圖 12.jpg


 曾經進(jin)行過(guo),在(zai)98%硫(liu)酸(suan)中(zhong)比較(jiao)耐(nai)(nai)候(hou)(hou)鋼(gang)(gang)(gang)和碳素(su)鋼(gang)(gang)(gang)的(de)(de)(de)(de)(de)腐(fu)(fu)蝕(shi)量時(shi)(shi),如圖12所示,經過(guo)4周(zhou)浸泡沒(mei)有(you)發(fa)現鋼(gang)(gang)(gang)種(zhong)(zhong)的(de)(de)(de)(de)(de)差(cha)(cha)異(yi),可(ke)是浸泡時(shi)(shi)間(jian)超過(guo)4周(zhou)以上時(shi)(shi),耐(nai)(nai)候(hou)(hou)鋼(gang)(gang)(gang)的(de)(de)(de)(de)(de)腐(fu)(fu)蝕(shi)速度(du)顯著降低,與碳素(su)鋼(gang)(gang)(gang)的(de)(de)(de)(de)(de)差(cha)(cha)異(yi)增(zeng)大(da),發(fa)現和實際暴曬試(shi)驗(yan)的(de)(de)(de)(de)(de)結(jie)果完全一(yi)致。他們也測(ce)定了(le)98%硫(liu)酸(suan)中(zhong)的(de)(de)(de)(de)(de)極化(hua)特性,陽極極化(hua)耐(nai)(nai)候(hou)(hou)鋼(gang)(gang)(gang)和碳素(su)鋼(gang)(gang)(gang)相(xiang)同(tong),可(ke)是隨著浸泡時(shi)(shi)間(jian)的(de)(de)(de)(de)(de)增(zeng)長(chang)發(fa)現極化(hua)明顯增(zeng)大(da),和碳素(su)鋼(gang)(gang)(gang)的(de)(de)(de)(de)(de)差(cha)(cha)別顯著。進(jin)一(yi)步確定了(le)耐(nai)(nai)候(hou)(hou)鋼(gang)(gang)(gang)在(zai)98%硫(liu)酸(suan)中(zhong)生成的(de)(de)(de)(de)(de)容易(yi)剝離的(de)(de)(de)(de)(de)腐(fu)(fu)蝕(shi)生成物和碳素(su)鋼(gang)(gang)(gang)的(de)(de)(de)(de)(de)場合(he)相(xiang)同(tong),都是FeSO4·nH2O(n=2.1及(ji)2.5),不(bu)存(cun)在(zai)Cr、Cu等,在(zai)溶液中(zhong)也幾乎不(bu)析出(chu),并且(qie)確認了(le)在(zai)耐(nai)(nai)候(hou)(hou)鋼(gang)(gang)(gang)的(de)(de)(de)(de)(de)場合(he),這種(zhong)(zhong)硫(liu)酸(suan)鐵(tie)層下面(mian)存(cun)在(zai)有(you)Cu、Cr等濃縮后的(de)(de)(de)(de)(de)非常薄的(de)(de)(de)(de)(de)氧化(hua)膜(參(can)照表5)。


圖 13.jpg



 根據這些數據來看,在濃硫酸中的腐蝕特性和大氣腐蝕非常對應,可以推論在硫酸鐵/基體鐵界面上形成的非常薄的覆膜(鈍化覆膜)支配著耐蝕性。轟等進一步在5%硫酸中通過外部電流給與鈍化電位的條件下使鋼表面形成鈍化覆膜,用CI-離子破壞這種覆膜,測定電流-時間曲線時,得到像圖13那樣的結果,發現越是耐蝕性優秀的鋼鈍化覆膜越穩定,并與大氣腐蝕試驗的結果很一致。


 如果這(zhe)樣來(lai)考(kao)慮的(de)(de)(de)(de)話,低合金鋼(gang)的(de)(de)(de)(de)大氣腐蝕(shi)則受基(ji)體鐵(tie)表面上形成的(de)(de)(de)(de)Cu、Cr等濃縮的(de)(de)(de)(de)非常(chang)薄的(de)(de)(de)(de)覆(fu)膜的(de)(de)(de)(de)陽極(ji)反(fan)(fan)應支配,可以(yi)說耐候(hou)(hou)鋼(gang)的(de)(de)(de)(de)特(te)長(chang)就(jiu)是這(zhe)種陽極(ji)反(fan)(fan)應的(de)(de)(de)(de)抑制效果。該觀(guan)(guan)點(dian)與(yu)上述(shu)的(de)(de)(de)(de)岡(gang)田(tian)等的(de)(de)(de)(de)模型(xing)(圖(tu)10)中,把Cu、Cr、P等濃縮的(de)(de)(de)(de)非晶(jing)質(zhi)的(de)(de)(de)(de)磁鐵(tie)礦類似層作為耐候(hou)(hou)鋼(gang)防蝕(shi)的(de)(de)(de)(de)本質(zhi)的(de)(de)(de)(de)觀(guan)(guan)點(dian)也很一(yi)致,二者都(dou)提示有鈍(dun)化覆(fu)膜的(de)(de)(de)(de)存在是極(ji)其令(ling)人感興趣的(de)(de)(de)(de)問題。