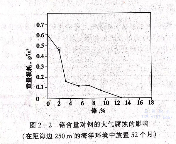
鉻是不銹鋼都含有的元素,鉻是鐵素體形成元素。鉻的主要作用是耐腐蝕,從圖2-2中可以看出在鋼中添加鉻對腐蝕性的影響。當鉻含量達到12%時,在大氣環境下或在氧化性介質中鉻可以自發形成一種穩定的、透明的、極薄的鈍化膜來阻止腐蝕,基本上不會生銹,較高的合金含量可通過強化薄膜和快速自我修復薄膜來提高抗腐蝕性。不銹鋼鉻含量上限為30%。


圖 2.jpg



 鎳是(shi)穩(wen)定奧氏體(ti)(ti)(ti)的(de)(de)元(yuan)素,鎳可將奧氏體(ti)(ti)(ti)降低范圍擴大到(dao)低溫(wen)區。從圖2-3可以(yi)看出鎳的(de)(de)作用,在(zai)圖中(zhong)斜線以(yi)上(shang)所示溫(wen)度(du)下奧氏體(ti)(ti)(ti)是(shi)穩(wen)定的(de)(de),在(zai)這條(tiao)線以(yi)下,鐵素體(ti)(ti)(ti)和(he)馬氏體(ti)(ti)(ti)都(dou)具有穩(wen)定的(de)(de)晶(jing)體(ti)(ti)(ti)結構。鎳可提高韌(ren)性(xing)和(he)延展性(xing),使(shi)之(zhi)更易于加工、制造和(he)焊(han)接,增強(qiang)抗酸(suan)的(de)(de)腐蝕能(neng)力(li),保持鈍化膜(mo)的(de)(de)能(neng)力(li)及在(zai)腐蝕介質(zhi)中(zhong)的(de)(de)抗蝕能(neng)力(li)。


圖 3.jpg


 鉬(mu)可提高(gao)鈍化膜的(de)強(qiang)(qiang)度,增強(qiang)(qiang)耐局部腐(fu)蝕性,如點蝕、縫隙腐(fu)蝕,特別是在鹵鹽或(huo)海水中有氯離子(zi)的(de)情(qing)況下(xia)。鉬(mu)也(ye)可提高(gao)對氯化物(wu)應力(li)腐(fu)蝕斷裂的(de)抵抗能力(li)。利用固溶強(qiang)(qiang)化的(de)方法,鉬(mu)可提高(gao)奧氏體牌號(hao)的(de)高(gao)溫強(qiang)(qiang)度和馬氏體牌號(hao)的(de)抗回火能力(li)。


 錳(meng)類似于鎳,當添加錳(meng)或用錳(meng)替代鎳時,都會提高不銹鋼(gang)的強(qiang)度。


 氮是穩定奧氏體的元素,可提高強度,在奧氏體及雙(shuang)相不銹(xiu)鋼中可增強耐點蝕及縫隙腐蝕能力并減少金屬間相(σ)在高溫或焊接時析出的機會。


 鈦、鈮能優(you)先與碳和氮(dan)結合(he)形(xing)(xing)成(cheng)碳化(hua)物和氮(dan)化(hua)物,改善高(gao)溫(wen)強(qiang)度性能并阻(zu)止(zhi)鉻(ge)的碳化(hua)物的形(xing)(xing)成(cheng),防止(zhi)晶(jing)間腐蝕。鈮可(ke)提高(gao)高(gao)溫(wen)蠕變斷裂強(qiang)度。


 硅、鋁可(ke)改善(shan)抗氧(yang)化性能,硅還(huan)可(ke)以改善(shan)鑄(zhu)造特性。


 銅(tong)(tong)可提高對稀酸(suan)特別是對硫酸(suan)的抗酸(suan)能力(li),加(jia)入3%~4%銅(tong)(tong)具的低的加(jia)工硬化(hua)(hua)率,易于成(cheng)形。析出銅(tong)(tong)離子化(hua)(hua)有(you)滅菌(jun)作用(yong)。


 硫、硒和(he)鉛(qian)可改善(shan)機械切(qie)削性能,但會降低耐腐蝕能力。


 鈰、鐿(yi)、鑭可(ke)提高(gao)抗(kang)氧化(hua)性。