管(guan)(guan)件(按計算其壓力額定(ding)值(zhi)的基準管(guan)(guan)子)分(fen)為Sch80和Sch160兩個等級。根據配(pei)接管(guan)(guan)子外徑(jing)的不同選(xuan)擇,管(guan)(guan)件承口內徑(jing)尺寸(cun)(d1)和流通(tong)孔直徑(jing)尺寸(cun)(d2)分(fen)別規定(ding)了A、B兩個系列,推(tui)薦(jian)優先(xian)選(xuan)用A系列。


 同(tong)(tong)一管件的(de)各承口(kou)處尺寸(cun)應同(tong)(tong)為A系(xi)列或B系(xi)列。但在供需雙方協(xie)商同(tong)(tong)意的(de)條件下,允許一個(ge)管件同(tong)(tong)時含有兩個(ge)系(xi)列的(de)承口(kou)尺寸(cun),并(bing)應做專門的(de)標(biao)記。


 在不違背GB/T 14383-1993《鍛(duan)鋼制承插焊管(guan)件》標(biao)準的有關尺(chi)寸規定時,經供需(xu)雙方協商同(tong)意,B系列管(guan)件的外形尺(chi)寸允許采用相同(tong)通徑和(he)等級(ji)的A系列管(guan)件的外形尺(chi)寸。


 管件承(cheng)口(kou)處的(de)結(jie)構(gou)見(jian)圖10-1,尺寸見(jian)表10-2。



 45°彎(wan)頭和(he)90噸彎(wan)頭、三通和(he)四通型式見圖 10-2 ,尺(chi)寸見表(biao) 10-3。


3.jpg

 45°斜三通(tong)、雙承口管(guan)(guan)(guan)箍、單承口管(guan)(guan)(guan)箍和(he)管(guan)(guan)(guan)帽型式見圖 10-3 ,尺寸(cun)見表 10-4。


4.jpg


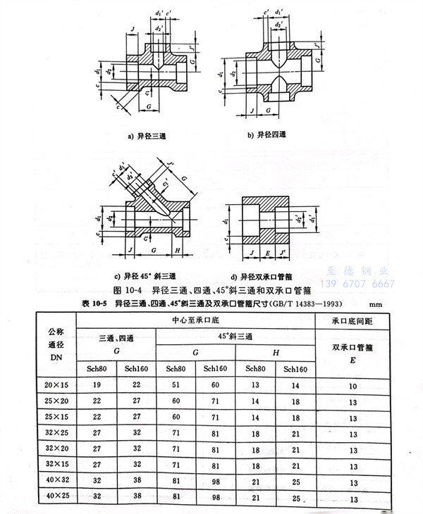
 異徑三(san)通(tong)、四通(tong)、45°斜三(san)通(tong)和雙(shuang)承(cheng)口管箍型式見(jian)圖 10-4,尺寸見(jian)表(biao) 10-5 。




 管件尺寸公差的極限偏差見表 10-6。


6.jpg