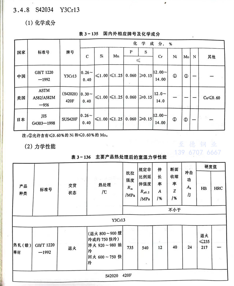
S42034 Y3Cr13 不(bu)銹鋼主要特性和用(yong)途
此鋼是在3Cr13不銹鋼的基礎上將硫提高到0.15%以上,磷提高到0.060%以下,由于硫、磷比3Cr13不銹鋼提高很多,從而改善了鋼的切削性能,并具有3Cr13不銹鋼的耐大氣腐蝕和耐弱酸腐蝕的能力,但焊接性能差。
用于制造自動車(che)床加工零(ling)件和標準件。
發(fa)布(bu)日(ri)期(qi):2024-02-23 12:47:27 人(ren)氣:339
S42034 Y3Cr13 不(bu)銹鋼主要特性和用(yong)途
此鋼是在3Cr13不銹鋼的基礎上將硫提高到0.15%以上,磷提高到0.060%以下,由于硫、磷比3Cr13不銹鋼提高很多,從而改善了鋼的切削性能,并具有3Cr13不銹鋼的耐大氣腐蝕和耐弱酸腐蝕的能力,但焊接性能差。
用于制造自動車(che)床加工零(ling)件和標準件。