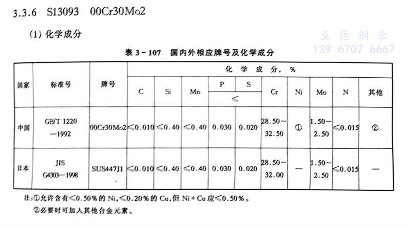
S13093 00Cr30Mo2 不銹(xiu)鋼主要特性和(he)用途


  高純鐵素體型(xing)不(bu)銹鋼,由于鉻和(he)鉬含量高,而碳和(he)氮的含量又降至極低(di),從而提高鋼的耐(nai)(nai)蝕(shi)能力,特(te)別是耐(nai)(nai)應力腐蝕(shi)和(he)耐(nai)(nai)點(dian)腐蝕(shi)能力,并具(ju)有軟磁(ci)性。同時(shi),鋼的脆性轉變溫度降低(di),韌性提高。


  用(yong)于(yu)制造(zao)與醋酸(suan)、乳酸(suan)等有機(ji)酸(suan)有關(guan)的(de)(de)設(she)(she)備(bei),生產苛性(xing)堿(jian)設(she)(she)備(bei),以及在要求耐鹵素離子(zi)應力腐(fu)蝕和(he)(he)耐點腐(fu)蝕條件下(xia)工作的(de)(de)設(she)(she)備(bei)和(he)(he)構(gou)件,還(huan)可制造(zao)防止公害的(de)(de)機(ji)器。