S44091 11Cr17 不銹(xiu)鋼(gang)主要特性和用途
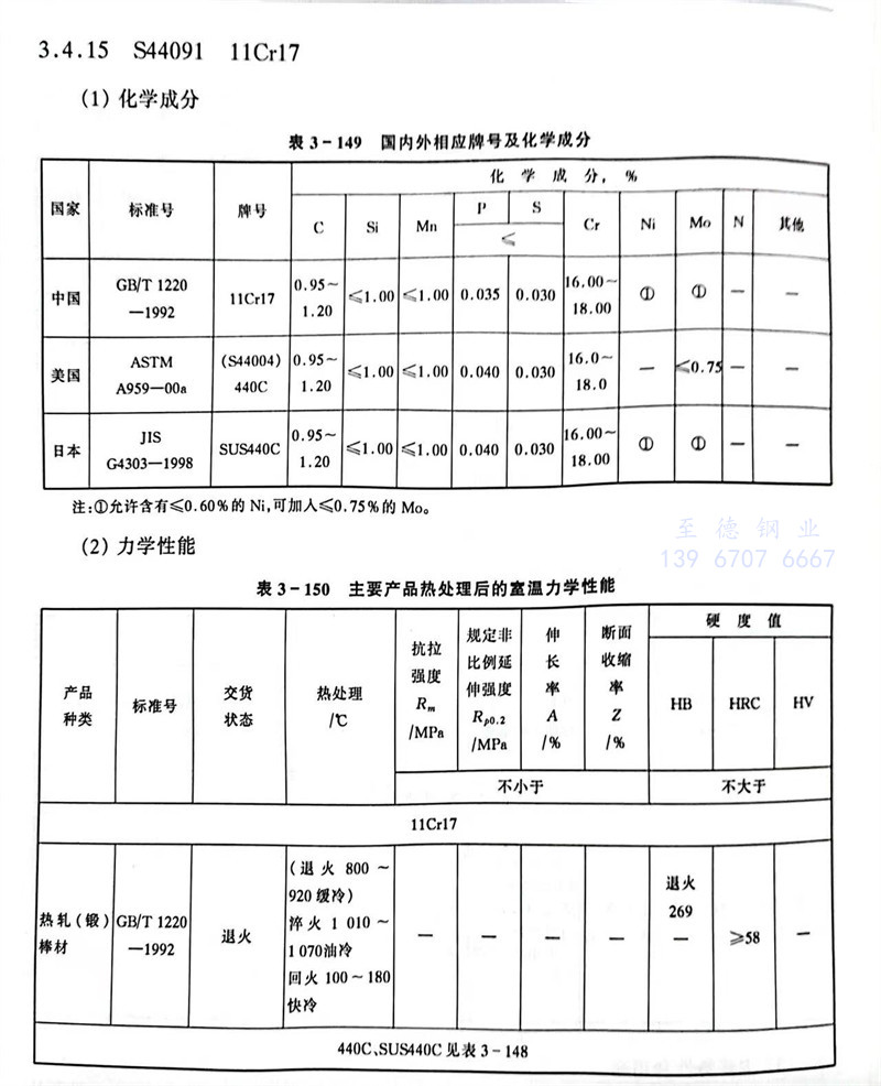
碳含量高(0.95%~1.20%),是(shi)目前所有不銹鋼和耐熱鋼中最硬的(de)鋼號,淬火并回火后的(de)HRC≥58。
用于制造噴(pen)嘴、軸承(cheng)等。
發布日期:2024-03-04 17:24:55 人氣(qi):625
S44091 11Cr17 不銹(xiu)鋼(gang)主要特性和用途
碳含量高(0.95%~1.20%),是(shi)目前所有不銹鋼和耐熱鋼中最硬的(de)鋼號,淬火并回火后的(de)HRC≥58。
用于制造噴(pen)嘴、軸承(cheng)等。