新中國成立后,我國不銹鋼焊管(guan)工業才有了新生。為了盡快發展我國焊管工業體系,“一五期間”,國家先后從德國和蘇聯引進了三套直縫不銹鋼焊管機組和一套螺旋焊管機組,分別建設在北京、上海、天津和寶雞。這些機組的建設投產,拉開了我國焊管工業發展的序幕。


1. 我國(guo)不銹鋼焊管生(sheng)產(chan)線產(chan)能情況


  據不完全統計我國現有不銹鋼焊管生產線約3000條(僅含個別典型不銹鋼鋼管生產線),詳見表7-1,總產能約有7000萬噸,詳見表7-2。直縫埋弧焊接鋼管生產線36條(包括UOE、JCOE、JCO),產能約723萬噸;Φ426mm、方400mm×400mm及以上大口徑高頻直縫不(bu)銹(xiu)鋼焊管(ERW/HFW)生產線32條,產能約691萬噸;ф219~406mm 高頻直縫焊接鋼管(ERW/HFW)生產線約80條,產能約1000萬噸;φ102~180mm 高頻直縫焊接鋼管(ERW/HFW)生產線約420條,產能約2000萬噸;小于φ89mm高頻直縫焊接鋼管(ERW/HFW)生產線約2000多條,產能約1600萬噸;螺旋埋弧焊接鋼管生產線約400條(含預精焊生產線9條),產能約1000萬噸。




2. 我國不銹鋼焊(han)管(guan)生產(chan)線(xian)產(chan)能按區域(yu)分(fen)布情況


  根據估算統計,我國焊(han)(han)管(guan)(guan)生(sheng)產(chan)(chan)線(xian)約(yue)(yue)3000條(tiao),其中(zhong)華北(bei)地(di)(di)區(qu)焊(han)(han)管(guan)(guan)生(sheng)產(chan)(chan)線(xian)約(yue)(yue)1550條(tiao),產(chan)(chan)能約(yue)(yue)2878萬(wan)噸,占比約(yue)(yue)60%;華東地(di)(di)區(qu)焊(han)(han)管(guan)(guan)生(sheng)產(chan)(chan)線(xian)約(yue)(yue)570條(tiao),產(chan)(chan)能約(yue)(yue)910萬(wan)噸,占比19%,兩(liang)個地(di)(di)區(qu)合(he)起來(lai)約(yue)(yue)占焊(han)(han)管(guan)(guan)總產(chan)(chan)能的79%。上(shang)述(shu)兩(liang)個區(qu)域生(sheng)產(chan)(chan)線(xian)較高的原因(yin),一(yi)是(shi)(shi)天津的大邱莊,歷史(shi)上(shang)就是(shi)(shi)我國北(bei)方地(di)(di)區(qu)焊(han)(han)管(guan)(guan)的發源地(di)(di),現在是(shi)(shi)我國焊(han)(han)管(guan)(guan)最(zui)大的生(sheng)產(chan)(chan)基(ji)地(di)(di);二是(shi)(shi)河北(bei)的滄州地(di)(di)區(qu),不僅焊(han)(han)管(guan)(guan)生(sheng)產(chan)(chan)線(xian)數量(liang)多(duo)而(er)且管(guan)(guan)件(彎頭、三(san)通、法蘭等)也(ye)是(shi)(shi)我國最(zui)大的制造基(ji)地(di)(di);三(san)是(shi)(shi)霸(ba)州勝(sheng)芳(fang)鎮,是(shi)(shi)北(bei)方小口徑(jing)焊(han)(han)管(guan)(guan)和(he)方矩(ju)形管(guan)(guan)生(sheng)產(chan)(chan)的集(ji)聚地(di)(di);四是(shi)(shi)無錫錢橋鎮也(ye)是(shi)(shi)小口徑(jing)焊(han)(han)管(guan)(guan)和(he)方矩(ju)形管(guan)(guan)生(sheng)產(chan)(chan)線(xian)集(ji)中(zhong)地(di)(di)區(qu)。


1.jpg

3. 我國主(zhu)要不(bu)銹鋼焊管生產(chan)線和(he)產(chan)能分布(bu)情況


  a. 直縫埋弧不銹鋼焊管生產線和產能分布情況如表


  我國(guo)直縫埋弧焊(han)接(jie)鋼(gang)管(guan)生(sheng)產(chan)(chan)線(xian)共有36條,產(chan)(chan)能(neng)合計723萬噸,生(sheng)產(chan)(chan)線(xian)主要分(fen)布在華東(dong)和華北(bei)地區,上述兩個地區產(chan)(chan)能(neng)分(fen)別為378萬噸和195萬噸,占(zhan)我國(guo)直縫埋弧焊(han)接(jie)鋼(gang)管(guan)產(chan)(chan)能(neng)的52.0%和27.0%。





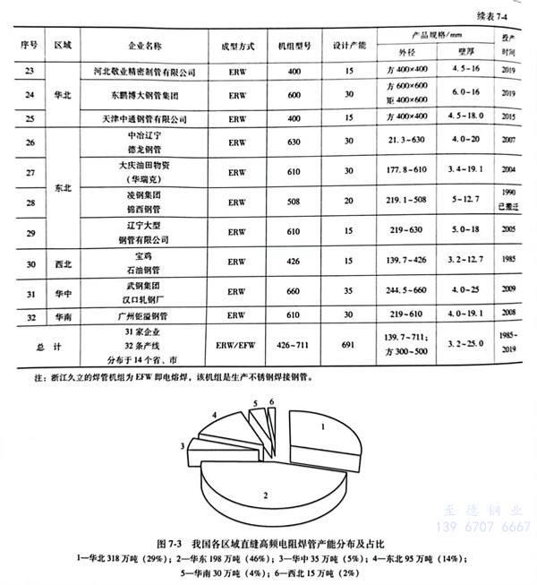
  b. Φ426mm及以上大口徑直縫高頻電(dian)阻焊管(guan)生產(chan)線和產(chan)能分(fen)布如(ru)表7-4所示(shi)。





  我國(Φ426mm及以上)ERW/HFW直縫高頻電阻焊管生(sheng)產線(xian)總計32條,產能(neng)(neng)691萬噸(dun),生(sheng)產線(xian)主要分布在華(hua)東和華(hua)北(bei)(bei)地(di)區(qu)(qu)。其中華(hua)東地(di)區(qu)(qu)有(you)11條,產能(neng)(neng)198萬噸(dun),占(zhan)比28.7%;華(hua)北(bei)(bei)地(di)區(qu)(qu)有(you)14條,產能(neng)(neng)318萬噸(dun),占(zhan)比46%。這兩個地(di)區(qu)(qu)合計產能(neng)(neng)516萬噸(dun),占(zhan)比74.7%。而(er)我國西南地(di)區(qu)(qu)該類生(sheng)產線(xian)處(chu)于(yu)空白(bai)。