影響不銹鋼成形性的因素包括屈服強度、抗拉強度、延伸率以及加工硬化對這些性能的影響。不銹(xiu)鋼(gang)的化學成分也是影響其成形的重要因素之一。


1. n值(zhi)與r值(zhi)


  深沖(chong)性(xing)是指金屬經過沖(chong)壓變(bian)形而(er)不產(chan)生裂紋等缺陷的能力。


  評(ping)(ping)定板材的深(shen)沖性(xing)(xing)能(neng)時,首先選用的是杯(bei)突試驗(埃(ai)氏Erich-sen),這是一種模擬試驗,根據(ju)成杯(bei)時不開裂的深(shen)度來評(ping)(ping)定深(shen)沖性(xing)(xing)的優劣。這種方法仍是目前廣泛使用的最簡單評(ping)(ping)定方法。隨后,失(shi)效分(fen)析(xi)方法,借(jie)助于相關性(xing)(xing)研(yan)究及變形(xing)過(guo)程(cheng)的分(fen)析(xi),提(ti)出反映深(shen)沖性(xing)(xing)的材料的力學性(xing)(xing)能(neng)參量(liang),對于這些(xie)參量(liang)的進一步理解(jie),可為提(ti)高材料的深(shen)沖性(xing)(xing),提(ti)供(gong)新的途徑。


 ①. n值


  n值(zhi)是加(jia)工硬化指(zhi)數,它反映了金屬材料隨著加(jia)工過程而強化的速度(du)。n值(zhi)常(chang)常(chang)用(yong)拉伸試驗的結果(guo)來(lai)表達。


  首(shou)先(xian)說明斷(duan)(duan)裂(lie)的(de)原(yuan)因及影響斷(duan)(duan)裂(lie)的(de)力學因素(su)。深(shen)沖時,沖頭周圍(wei)的(de)變形很小,載荷(he)(he)是從杯底通過杯壁的(de)拉延來傳遞的(de)。假如載荷(he)(he)超過杯壁所能支持的(de)最大載荷(he)(he),便會在杯底出現斷(duan)(duan)裂(lie),如圖5-4所示(shi),這時,一般(ban)發生縮頸(jing),即均勻延伸終(zhong)了(le)。


  拉伸時,縮頸發生在最大載荷,這(zhe)便是縮頸(或塑性失(shi)穩)的條件。


  因此,n值愈(yu)大,則均(jun)勻(yun)拉伸值愈(yu)大,愈(yu)不易縮頸而拉延斷裂,深(shen)沖性愈(yu)佳。


 ②. r值


  r值(zhi)是(shi)塑(su)性為異向(xiang)性材(cai)料的(de)(de)深度拉深成形的(de)(de)特性評(ping)價(jia)指標(biao)。r值(zhi)是(shi)板(ban)材(cai)的(de)(de)寬度方向(xiang)的(de)(de)應變與厚度方向(xiang)的(de)(de)應變之比。


  我們要求板(ban)(ban)材的杯壁抗拉薄(bo)的能力強,這(zhe)樣(yang)就不會在沖(chong)壓成形時由于減薄(bo)而斷(duan)裂。也就是說,希望有強度(du)(du)的各向異性(xing),板(ban)(ban)面(mian)上的強度(du)(du)要低于板(ban)(ban)厚方(fang)向的強度(du)(du)。這(zhe)種各向異性(xing)可(ke)用簡單拉伸(shen)試驗,如圖5-5所示,來測定寬度(du)(du)方(fang)向的應(ying)變(bian)Ew及厚度(du)(du)方(fang)向的應(ying)變(bian)εt,就能夠得(de)到應(ying)變(bian)比r為


   r=εw/εt  (5-1)


  很明顯,r值愈大,則深沖性(xing)愈佳。


  r值(zhi)主要是由(you)于晶體織(zhi)構引起的,人們(men)嘗試建立這兩(liang)者之間(jian)的定(ding)量關系,然(ran)后通過控制織(zhi)構來改變r值(zhi)。


  平(ping)均r值-塑(su)性(xing)(xing)為異(yi)向性(xing)(xing)的(de)材料深拉(la)深成形特性(xing)(xing)評價的(de)重(zhong)要(yao)指(zhi)標。鐵素體(ti)型(xing)不銹(xiu)鋼中,其(qi)平(ping)均r值越大,極限拉(la)深比就越高。


  雙(shuang)(shuang)向變(bian)形的成形極限(xian)。如圖5-4所(suo)示,深(shen)(shen)拉時的杯壁(bi)和凸緣都處于雙(shuang)(shuang)向載荷,雖然用單(dan)向拉伸確(que)定的n值和r值,基本上(shang)也能較好地(di)了解深(shen)(shen)沖過程。但(dan)是從(cong)雙(shuang)(shuang)向變(bian)形來理解深(shen)(shen)沖,是深(shen)(shen)入一步(bu)的發展。


4.jpg


  出現(xian)明顯(xian)縮頸時(shi)板材表面上的(de)(de)(de)最大應(ying)變(bian)與最小(xiao)應(ying)變(bian)的(de)(de)(de)關系;應(ying)變(bian)的(de)(de)(de)組合低于最大應(ying)變(bian)(成形(xing)極限)不會(hui)開(kai)裂,而(er)高于最大應(ying)變(bian)(成形(xing)極限)就(jiu)會(hui)開(kai)裂。由(you)此還可(ke)以區分沖(chong)壓成形(xing)的(de)(de)(de)兩種(zhong)工(gong)藝(yi):具有正的(de)(de)(de)最小(xiao)應(ying)變(bian)的(de)(de)(de)成形(xing)叫做拉伸型,而(er)具有負的(de)(de)(de)最小(xiao)應(ying)變(bian)的(de)(de)(de)成形(xing)叫做沖(chong)壓型。


  極限拉(la)(la)深比--拉(la)(la)深加(jia)工(gong)時(shi),相(xiang)對于容(rong)器直徑d可能拉(la)(la)深的最(zui)大原料板直徑為Dmax,則(ze)稱為極限拉(la)(la)深比。


  拉深皺褶(zhe)(zhe)--鐵素體型不(bu)銹鋼在(zai)沖(chong)床上進行(xing)深拉深加工時,在(zai)其(qi)表面上容易產生凹凸不(bu)平(ping)的皺褶(zhe)(zhe)。可認為(wei)是組合結構不(bu)同而引起的塑性(xing)異向性(xing)。


  時效性斷裂--奧氏體型不銹鋼06Cr19Ni10(304)等準穩定型奧氏體型不銹鋼,在加工后有發生時效性裂紋的現象,這與晶界晶粒無關。一般認為是由于加工感應而引起的馬氏體、氫和殘余應力所致。


  不銹鋼(gang)產品的需求能夠得以大幅度的增加與沖(chong)壓(ya)加工技(ji)術的發展有著(zhu)很(hen)大關系。使得鐵素體型不銹鋼(gang)深加工性鋼(gang)種,已經產品化了。可以選定(ding)平均(jun)r值在(zai)1.2~1.8,拉深比為(wei)2.2~2.5的鋼(gang)種。


  在(zai)(zai)不(bu)銹(xiu)鋼(gang)制品(pin)的(de)(de)(de)(de)沖壓(ya)加(jia)(jia)工(gong)中(zhong),如果使用奧氏(shi)(shi)(shi)體(ti)型(xing)(xing)不(bu)銹(xiu)鋼(gang)或(huo)鐵素(su)體(ti)型(xing)(xing)不(bu)銹(xiu)鋼(gang)的(de)(de)(de)(de)高加(jia)(jia)工(gong)性能(neng)鋼(gang)種(zhong)(zhong)時(shi),可以(yi)進(jin)行一(yi)定(ding)程(cheng)度的(de)(de)(de)(de)深(shen)(shen)拉(la)(la)深(shen)(shen)加(jia)(jia)工(gong)。奧氏(shi)(shi)(shi)體(ti)型(xing)(xing)不(bu)銹(xiu)鋼(gang)的(de)(de)(de)(de)代(dai)表型(xing)(xing)鋼(gang)種(zhong)(zhong)06Cr19Ni10(304),因為(wei)它的(de)(de)(de)(de)拉(la)(la)深(shen)(shen)比(LDR)為(wei)2.5,可以(yi)進(jin)行相對(dui)較大的(de)(de)(de)(de)深(shen)(shen)拉(la)(la)深(shen)(shen)加(jia)(jia)工(gong)。但由于(yu)加(jia)(jia)工(gong)硬(ying)化傾向大而(er)急劇(ju)地增加(jia)(jia)了加(jia)(jia)工(gong)難度,有時(shi)竟發生(sheng)裂(lie)紋或(huo)斷裂(lie)。為(wei)此,在(zai)(zai)加(jia)(jia)工(gong)過程(cheng)中(zhong)間增加(jia)(jia)一(yi)道熱處(chu)理工(gong)序之后再進(jin)行深(shen)(shen)拉(la)(la)深(shen)(shen)加(jia)(jia)工(gong)。還必(bi)須注意,奧氏(shi)(shi)(shi)體(ti)型(xing)(xing)不(bu)銹(xiu)鋼(gang)的(de)(de)(de)(de)奧氏(shi)(shi)(shi)體(ti)穩(wen)定(ding)度低的(de)(de)(de)(de)鋼(gang)種(zhong)(zhong)經過拉(la)(la)深(shen)(shen)后,有可能(neng)發生(sheng)時(shi)效斷裂(lie)現(xian)象。


  近年來(lai),開(kai)發出的不銹鋼熱沖壓技術,實現(xian)了(le)超(chao)深拉(la)深加(jia)工。熱沖壓技術就是(shi)將凹模或者凸模其中之(zhi)一進行加(jia)熱,這樣不銹鋼原來(lai)的拉(la)深程(cheng)度就可以(yi)提高1.5~2.0倍。


2. 成(cheng)形性因數(shu)


  最(zui)(zui)大(da)的(de)均勻(yun)應變是(shi)衡量不(bu)銹鋼(gang)沖壓成形(xing)性的(de)最(zui)(zui)重要因素。一(yi)塊不(bu)銹鋼(gang)板坯料在成形(xing)時,我們(men)希望其各部分(fen)都能產(chan)生(sheng)(sheng)均勻(yun)變形(xing)。如果鋼(gang)板的(de)任一(yi)斷面(mian)的(de)應變超過最(zui)(zui)大(da)均勻(yun)應變時,則該處即會(hui)立即產(chan)生(sheng)(sheng)局部頸縮(suo)現(xian)象(xiang)并導致斷裂,由(you)于只有一(yi)個待(dai)定的(de)總伸長值是(shi)均勻(yun)的(de),所以用(yong)拉伸試樣的(de)總應變(或延伸)來表示沖壓成形(xing)性是(shi)不(bu)可靠的(de)。


  然而除均(jun)勻應(ying)變外(wai),在分析沖壓成(cheng)形(xing)性(xing)時,其他因素都必須予以考慮,如成(cheng)形(xing)性(xing)因數(shu)。成(cheng)形(xing)性(xing)因數(shu)是可(ke)計算出來(lai)的(de)參數(shu),該成(cheng)形(xing)性(xing)因數(shu)小時,則表明沖壓成(cheng)形(xing)性(xing)能得(de)到改(gai)善和提高(gao)。計算成(cheng)形(xing)性(xing)因數(shu)的(de)公式為(wei)


式 2.jpg


    σmax--最大(da)負荷時應力;


    εmax--最大均勻應變;


    A--變形(xing)功。


  成形性(xing)因數是精(jing)確表示不銹鋼相對(dui)沖壓成形性(xing)的一個指標。


  在開始(shi)分析(xi)時可以(yi)看出,為(wei)了獲(huo)得最(zui)佳(jia)的(de)(de)成(cheng)形(xing)性(成(cheng)形(xing)性因數較低),我們希(xi)望最(zui)大負(fu)(fu)荷下的(de)(de)應(ying)(ying)(ying)(ying)力(li)值低,均勻應(ying)(ying)(ying)(ying)變(bian)(bian)高(gao)(gao)和變(bian)(bian)形(xing)功大。但是要(yao)(yao)想使(shi)最(zui)大負(fu)(fu)荷下應(ying)(ying)(ying)(ying)力(li)值低而均勻應(ying)(ying)(ying)(ying)變(bian)(bian)又(you)高(gao)(gao),這兩(liang)個(ge)因素是相互矛盾的(de)(de),如果為(wei)了改(gai)(gai)善(shan)成(cheng)形(xing)性使(shi)最(zui)大負(fu)(fu)荷下的(de)(de)應(ying)(ying)(ying)(ying)力(li)降低時,則(ze)均勻應(ying)(ying)(ying)(ying)變(bian)(bian)也會(hui)同時降低。由于均勻應(ying)(ying)(ying)(ying)變(bian)(bian)是影(ying)響成(cheng)形(xing)性的(de)(de)最(zui)重要(yao)(yao)因素,所以(yi)最(zui)大負(fu)(fu)荷下的(de)(de)應(ying)(ying)(ying)(ying)力(li)愈低則(ze)其(qi)實際結果不是提高(gao)(gao)而是降低了成(cheng)形(xing)性。為(wei)了改(gai)(gai)善(shan)成(cheng)形(xing)性,必(bi)須增加均勻應(ying)(ying)(ying)(ying)變(bian)(bian)值。


 成(cheng)形性因數(shu)是(shi)壓力成(cheng)形性的一個(ge)指標,式(5-2)表明影響成(cheng)形性的三個(ge)拉伸(shen)性能指標中,均(jun)勻應(ying)變最為(wei)重要。


3. 鋼材(cai)的化學成分(fen)


  不(bu)(bu)銹(xiu)(xiu)鋼(gang)的沖壓(ya)成形性與成分之間存在著一(yi)種直(zhi)接關系,利用(yong)(yong)這(zhe)一(yi)關系可(ke)以(yi)正(zheng)確(que)選用(yong)(yong)沖壓(ya)用(yong)(yong)不(bu)(bu)銹(xiu)(xiu)鋼(gang)材(cai)料,還可(ke)以(yi)對所使(shi)用(yong)(yong)材(cai)料的性能和質(zhi)量加以(yi)控制,從而提高不(bu)(bu)銹(xiu)(xiu)鋼(gang)沖壓(ya)成形性能的等級(ji)和均(jun)勻性。


  在(zai)(zai)奧氏體(ti)(ti)(ti)不(bu)銹鋼(gang)中(zhong),鎳(nie)(nie)(Ni)是(shi)(shi)促進奧氏體(ti)(ti)(ti)晶體(ti)(ti)(ti)結(jie)(jie)構(gou)(gou)形(xing)(xing)成(cheng)也是(shi)(shi)穩定(ding)奧氏體(ti)(ti)(ti)的(de)(de)(de)合金(jin)(jin)元素,[Ni]/[Cr]越(yue)高(gao),奧氏體(ti)(ti)(ti)越(yue)穩定(ding),因此(ci)成(cheng)形(xing)(xing)性能(neng)也依賴(lai)于(yu)這(zhe)個比率(lv)。在(zai)(zai)奧氏體(ti)(ti)(ti)不(bu)銹鋼(gang)中(zhong)12Cr17Ni7(301)鋼(gang)Ni含量(6.5%)最低,因此(ci)有(you)最高(gao)的(de)(de)(de)加工硬化(hua)速率(lv)。盡管12Cr17Ni7(301)經(jing)過退火后有(you)完全的(de)(de)(de)奧氏體(ti)(ti)(ti)微觀(guan)結(jie)(jie)構(gou)(gou),鎳(nie)(nie)含量越(yue)低,在(zai)(zai)塑性變(bian)形(xing)(xing)時(shi)生成(cheng)的(de)(de)(de)馬(ma)氏體(ti)(ti)(ti)的(de)(de)(de)比例越(yue)大(da)。這(zhe)將幫助(zhu)金(jin)(jin)屬在(zai)(zai)沖壓變(bian)形(xing)(xing)中(zhong)抵(di)抗頸縮和均勻變(bian)形(xing)(xing)。較高(gao)的(de)(de)(de)加工硬化(hua)速率(lv)使得強(qiang)度(du)增加,硬度(du)升高(gao)。這(zhe)些在(zai)(zai)冷(leng)加工結(jie)(jie)構(gou)(gou)階段是(shi)(shi)有(you)益的(de)(de)(de)。


  奧氏(shi)體(ti)型不銹鋼中所含的(de)鎳(nie)可明(ming)顯降低(di)鋼的(de)冷加(jia)(jia)(jia)工(gong)硬化傾向(xiang),其原因是(shi)鎳(nie)可使(shi)奧氏(shi)體(ti)的(de)穩定性(xing)(xing)增(zeng)加(jia)(jia)(jia),減少或消除冷加(jia)(jia)(jia)工(gong)過(guo)程(cheng)中的(de)馬氏(shi)體(ti)轉變,降低(di)冷加(jia)(jia)(jia)工(gong)硬化速率,并使(shi)強(qiang)度降低(di)、塑性(xing)(xing)提高(gao)。


  通常,奧氏體不銹鋼的Ni含量降低時,其成形會變得越困難,如12Cr17Ni7(301)(約6.5%Ni)的成形性比304差得多。穩定化元素的存在,如Ti、Nb和Ta以及高的含C量,對穩定化鋼種的成形特性中起著不利的作用。這是由于微觀結構形成了Ti的碳化物和氮化物這樣的第二相粒子。所以06Cr18Ni11Ti(321)和06Cr18Nil1Nb(347)型鋼的成形,沒有12Cr18Ni9(302)、06Cr19Ni10(304)和10Cr18Ni12(305)型鋼的成形順利,適用于深沖壓加工。


  一般來說,奧(ao)(ao)氏體鋼(gang)(gang)在其(qi)鎳含(han)量或(huo)鎳與鉻含(han)量均低的情況下是比較難于成形(xing)的,如12Cr17Ni7(301)型(xing)鋼(gang)(gang)就是如此(ci)。穩定化元素鈮、鈦、鉭(tan)以及高的含(han)碳(tan)量會對奧(ao)(ao)氏體不(bu)銹鋼(gang)(gang)的成形(xing)性產(chan)生不(bu)利(li)影響(xiang)。因此(ci)06Cr18Ni11Ti(321)和(he)06Cr18Ni11Nb(347)型(xing)不(bu)銹鋼(gang)(gang)的成形(xing)性比 12Cr18Ni9(302)、06Cr19Ni10(304)和(he)10Cr18Ni12(305)型(xing)鋼(gang)(gang)差。


  如Y12Cr18Ni9(303)這(zhe)種易機加(jia)工鋼種,塑(su)性性能比較(jiao)差,不(bu)能用于(yu)成形作業。


4. 加工硬化


  對于影響(xiang)成(cheng)(cheng)形性(xing)能的(de)另(ling)一重要因素就是不銹鋼(gang)的(de)加工硬(ying)化(hua)率(lv)(系數(shu))。如果某種(zhong)鋼(gang)具(ju)有(you)高的(de)加工硬(ying)化(hua)率(lv),那么它就需要較(jiao)(jiao)大(da)的(de)成(cheng)(cheng)形能量,這將不可避(bi)免地(di)(di)造成(cheng)(cheng)工具(ju)和沖模較(jiao)(jiao)大(da)較(jiao)(jiao)快(kuai)地(di)(di)磨(mo)損。


  如加工(gong)硬(ying)(ying)化系數降低(di),則會使均勻應變、變形力及(ji)最(zui)(zui)大負荷下的應力都隨之而降低(di),這些因素(su)的互相(xiang)(xiang)影響又會最(zui)(zui)終(zhong)導(dao)致成形性(xing)能的下降。最(zui)(zui)佳成形性(xing)是由低(di)的加工(gong)硬(ying)(ying)化率和所能得到的最(zui)(zui)長壓(ya)模壽命(ming)這兩(liang)個相(xiang)(xiang)互矛盾因素(su)的統一(yi),但(dan)在同一(yi)種鋼上(shang),這兩(liang)者(zhe)是不可兼(jian)顧的。


5. 彈性(回彈)


  沖壓成(cheng)形(xing)(xing)時的第三(san)個重(zhong)要因素是彈性(xing)效(xiao)(xiao)應,即(ji)某種金屬在成(cheng)形(xing)(xing)后的彈性(xing)回(hui)復(fu)。我(wo)們(men)希(xi)望(wang)彈性(xing)效(xiao)(xiao)應最(zui)小(xiao)為好(hao)。當某種金屬在塑性(xing)區(qu)變形(xing)(xing)時,如成(cheng)形(xing)(xing)應力(li)消(xiao)除后,會出(chu)現一條平(ping)行(xing)于拉伸曲線的彈性(xing)部分的直線,這(zhe)就是彈性(xing)回(hui)復(fu)線。降低屈服應力(li)會導致彈性(xing)后效(xiao)(xiao)值下(xia)降,而(er)增加(jia)加(jia)工硬化系數(shu)則會使(shi)彈性(xing)后效(xiao)(xiao)值提高。


  回彈可以通過減少(shao)彎(wan)曲半徑或者少(shao)量的過彎(wan)曲來(lai)控制。


6. 沖壓應力(li)應變狀(zhuang)態


  薄板成形(xing)的(de)應變狀態(tai)可以用壓延和(he)脹形(xing)兩種形(xing)式來概括。它們對應于(yu)失穩就是起皺和(he)頸縮。根據研(yan)究證明,這兩種失穩的(de)臨界(jie)狀態(tai)與材(cai)料的(de)性(xing)能n、r值密切有(you)關(guan)。n、r值被認(ren)為是材(cai)料的(de)基本成形(xing)性(xing)能指數。


7. 彎(wan)曲半徑


  對于任何金屬,成(cheng)形而沒(mei)有開裂的最小的半徑(jing)(jing)稱為最小彎曲(qu)半徑(jing)(jing)。最小彎曲(qu)半徑(jing)(jing)可以隨鋼板或鋼帶厚度的增加(jia)(jia)按比(bi)例增加(jia)(jia)。


  對于大(da)多數的(de)(de)軟(ruan)金屬(shu)或者塑性鋼來說,如退火(huo)后的(de)(de)不銹鋼,零半徑彎(wan)曲成形(xing)是可能(neng)的(de)(de)。當接縫處(chu)180°彎(wan)曲,沿著兩張(zhang)鋼板的(de)(de)邊部成形(xing)一個聯合結合部。所(suo)用(yong)的(de)(de)彎(wan)曲工具邊緣(yuan)必須(xu)是圓滑的(de)(de)不尖銳的(de)(de),否則在成形(xing)時會割傷鋼板。


  通常,對(dui)于(yu)退火材料,彎(wan)曲(qu)(qu)(qu)半(ban)徑(jing)(R)等(deng)于(yu)材料厚(hou)度(T)時(shi),能滿足大部分工(gong)程需(xu)要(yao)。冷(leng)(leng)加工(gong)材料,需(xu)要(yao)大的彎(wan)曲(qu)(qu)(qu)半(ban)徑(jing),如(ru)冷(leng)(leng) 1/4H(1/4 冷(leng)(leng)作硬化)材料 R=(1~1.5)T,3/4H(3/4 冷(leng)(leng)作硬化)材料 R=(3~6)T。彎(wan)曲(qu)(qu)(qu)半(ban)徑(jing)的選擇必須(xu)考(kao)慮(lv)鋼(gang)種的等(deng)級,如(ru)雙(shuang)相不銹鋼(gang)就需(xu)要(yao)大的半(ban)徑(jing)。


8. 如(ru)何改善冷(leng)成形性


  提高(gao)不銹(xiu)鋼成形(xing)性(xing)(xing)的(de)(de)(de)最(zui)佳辦法(fa)是降低屈服(fu)應(ying)力。利用(yong)提高(gao)最(zui)大均(jun)勻(yun)應(ying)變的(de)(de)(de)方法(fa)將會(hui)改(gai)善成形(xing)性(xing)(xing)。此外,彈性(xing)(xing)效應(ying)的(de)(de)(de)附加(jia)影響將會(hui)被削弱而工具(ju)壽(shou)命則不受影響。同時,加(jia)工硬化率(lv)(系數)的(de)(de)(de)增加(jia)也可改(gai)善成形(xing)性(xing)(xing),但卻會(hui)帶(dai)來加(jia)劇(ju)彈性(xing)(xing)效應(ying)和縮短(duan)工具(ju)壽(shou)命的(de)(de)(de)不利影響。


  拉(la)伸(shen)性(xing)(xing)(xing)(xing)(xing)能(neng)(neng)變(bian)化對不(bu)銹鋼(gang)(gang)(gang)成(cheng)(cheng)形性(xing)(xing)(xing)(xing)(xing)的(de)(de)(de)影響是確定(ding)(ding)無疑的(de)(de)(de)。為了(le)應(ying)(ying)用這一(yi)(yi)常識,必須找出(chu)改變(bian)和(he)(he)控制拉(la)伸(shen)性(xing)(xing)(xing)(xing)(xing)能(neng)(neng)的(de)(de)(de)方法。然后,對這些(xie)性(xing)(xing)(xing)(xing)(xing)能(neng)(neng)指標加(jia)以修(xiu)正(zheng),則可(ke)使一(yi)(yi)些(xie)特殊(shu)零件具(ju)有最佳的(de)(de)(de)成(cheng)(cheng)形性(xing)(xing)(xing)(xing)(xing)和(he)(he)加(jia)工性(xing)(xing)(xing)(xing)(xing)。化學(xue)成(cheng)(cheng)分(fen)和(he)(he)生(sheng)產工藝的(de)(de)(de)微(wei)小變(bian)化,均可(ke)在(zai)很大程度(du)上改變(bian)不(bu)銹鋼(gang)(gang)(gang)的(de)(de)(de)力(li)學(xue)性(xing)(xing)(xing)(xing)(xing)能(neng)(neng)。如果其(qi)(qi)他(ta)性(xing)(xing)(xing)(xing)(xing)能(neng)(neng)保持不(bu)變(bian),要(yao)想降低屈(qu)服應(ying)(ying)力(li),則應(ying)(ying)提高最大均勻(yun)應(ying)(ying)變(bian),這樣也就降低了(le)成(cheng)(cheng)形性(xing)(xing)(xing)(xing)(xing)因(yin)數(shu)(改善了(le)成(cheng)(cheng)形性(xing)(xing)(xing)(xing)(xing)能(neng)(neng))。改變(bian)化學(xue)成(cheng)(cheng)分(fen)可(ke)以改變(bian)屈(qu)服應(ying)(ying)力(li)。但是為降低屈(qu)服應(ying)(ying)力(li)而改變(bian)某一(yi)(yi)鋼(gang)(gang)(gang)種任何(he)化學(xue)成(cheng)(cheng)分(fen),這就超出(chu)該鋼(gang)(gang)(gang)種所規定(ding)(ding)的(de)(de)(de)化學(xue)成(cheng)(cheng)分(fen)范圍(wei)。但是在(zai)某一(yi)(yi)鋼(gang)(gang)(gang)種所規定(ding)(ding)的(de)(de)(de)成(cheng)(cheng)分(fen)范圍(wei)內,又不(bu)使其(qi)(qi)他(ta)性(xing)(xing)(xing)(xing)(xing)能(neng)(neng)有明顯變(bian)化,這正(zheng)是我們所希望的(de)(de)(de)。


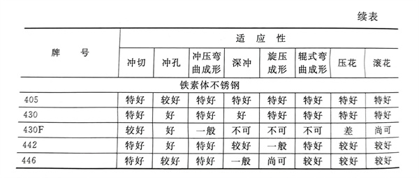
  常(chang)用不(bu)銹鋼對各種(zhong)成(cheng)形方式的適應性,見表5-1。