現行不銹鋼(gang)卡(ka)壓式管(guan)件國家標準有:GB/T 19228.1-2003《不銹鋼卡壓式管件》、GB/T 19228.2-2003《不銹鋼卡壓式管件連接用薄壁不銹鋼管(guan)》及GB/T 19228.3-2003《不銹鋼卡壓式管件用橡膠O形密封圈》。GB/T 19228.1所規定的不銹鋼卡壓式管件結構尺寸及承口部連接尺寸共分為兩個系列:I系列尺寸與德國煤氣和給水專業人員聯合會規程 DVGW W534:1995《飲水裝置中的管接頭》標準中不銹鋼卡壓式管件的尺寸等同;II系列尺寸與日本自來水協會標準JWWA G116-2001《供水管道用不銹鋼管接頭》的尺寸等同。GB/T 19228.2中,對于系列管件用薄壁不銹鋼管的管子外徑與歐共體標準DIN EN 10312:1999《液體(包括飲用水)輸送用不銹鋼管及管件》相一致;對于II系列管件用薄壁不銹鋼管的管子外徑,則與日本標準JIS G3448-1997《一般管道用不銹鋼管》相一致。GB/T 19228.3中,關于密封圈的物理性能,主要參考采用了歐共體標準EN 681-1:1998《彈性密封件 給排水用管道連接密封件的材料要求 第1部分:硫化橡膠》的要求。



不銹(xiu)鋼卡壓(ya)式管件(jian)結(jie)構(gou)型式與尺寸(cun)如下(xia):


1. 管件承口


  a.Ⅰ系列管件(jian)承口型式見(jian)圖(tu)12-1,尺寸見(jian)表12-3。

  b. Ⅱ系列管件承口型式見圖12-1,尺寸(cun)見表(biao)12-4。


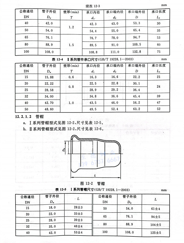
2. 管帽 


  a.Ⅰ系列管(guan)帽(mao)型式見(jian)圖12-2,尺寸見(jian)表12-5。

  b. Ⅱ系列管帽型式(shi)見圖12-2,尺寸見表12-6。


3. 等徑接頭 


  a.Ⅰ系(xi)列等徑接頭型式見圖(tu)12-3,尺(chi)寸見表(biao)12-7。

  b. Ⅱ系列(lie)等徑接頭型式見圖12-3,尺寸見表(biao)12-8。


3.jpg


4. 異徑接頭


 a.Ⅰ系列(lie)異徑接(jie)頭型式見圖12-4,尺寸見表12-9。

  b. Ⅱ系列異徑接頭型式見圖12-5,尺寸見表12-10。


9.jpg


5. 等徑三通(tong) 


  a.Ⅰ系列等徑(jing)三通 型(xing)式見(jian)(jian)圖12-6,尺寸見(jian)(jian)表12-11。

  b. Ⅱ系列等徑(jing)三通 型(xing)式(shi)見圖12-6,尺(chi)寸見表12-12。


11.jpg


6. 異徑三通(tong)


  a.Ⅰ系列異徑三通型式見圖12-7,尺(chi)寸(cun)見表12-13。

  b. Ⅱ系列異徑三通型式(shi)見(jian)圖12-7,尺(chi)寸(cun)見(jian)表(biao)12-14。


7. 90°彎頭


  a.Ⅰ系列90°彎頭型式見圖12-8,尺寸見表12-15。

  b. Ⅱ系(xi)列90°彎頭(tou)型式見圖12-8,尺寸見表12-16。


8. 45°彎頭(tou)


  a.Ⅰ系列45°彎頭型式見圖12-9,尺寸見表(biao)12-17。

  b. Ⅱ系(xi)列45°彎頭型式(shi)見圖12-9,尺(chi)寸見表12-18。




9. 內螺紋轉(zhuan)換接頭(tou)


  a.Ⅰ系列內螺(luo)紋(wen)轉換接(jie)頭型式見圖12-10,尺寸見表12-19。

  b. Ⅱ系列內螺紋轉(zhuan)換接(jie)頭型式見(jian)圖12-10,尺(chi)寸見(jian)表12-20。


10. 內螺(luo)紋轉換接頭


  a.Ⅰ系列(lie)外螺紋轉換(huan)接頭型式見圖(tu)12-11,尺寸見表12-21。

  b. Ⅱ系(xi)列外螺(luo)紋轉換接頭型式見(jian)(jian)圖12-11,尺寸見(jian)(jian)表12-22。










聯系方式.jpg