香蕉视频app破解码
香蕉視頻app破解碼:
首頁
香蕉視頻app破解碼:
關于我們
香蕉視頻app破解碼:
公司簡(jian)介
香蕉視頻app破解碼:
企業理(li)念(nian)
香蕉視頻app破解碼:
核(he)心服務
香蕉視頻app破解碼:
榮譽(yu)證書(shu)
香蕉視頻app破解碼:
新聞中心
香蕉視頻app破解碼:
企業資訊
香蕉視頻app破解碼:
行業新(xin)聞(wen)
香蕉視頻app破解碼:
產品中心
香蕉視頻app破解碼:
不(bu)銹鋼管
香蕉視頻app破解碼:
不銹鋼(gang)管(guan)件
香蕉視頻app破解碼:
不銹鋼(gang)法蘭
香蕉視頻app破解碼:
預制件(jian)加工(gong)
香蕉視頻app破解碼:
車(che)間設備
香蕉視頻app破解碼:
生產設備
香蕉視頻app破解碼:
檢(jian)測設(she)備
香蕉視頻app破解碼:
質保體(ti)系
香蕉視頻app破解碼:
體系(xi)認證
香蕉視頻app破解碼:
售后服務
香蕉視頻app破解碼:
聯系我們
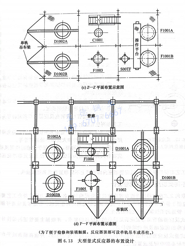
工程應用:大型釜式反應器的布局設計
發(fa)布日期(qi):2024-06-05 14:09:23 人(ren)氣:453
大型釜式反應器的布局(ju)設計見圖 6-13
不銹無縫管工藝技術與裝備的現狀和發展
不透性石墨(impermeable graphite)的選用與工程應用
猜你喜歡
香蕉視頻app破解碼:不銹鋼反應器的選用原則(釜式反應器,管式反應器,塔式反應器,固定床反應器,流化床反應器)