一(yi)、泵的布置方式和(he)要求


 ①. 露天布置。


   泵(beng)(beng)布置(zhi)在管(guan)(guan)廊下或(huo)管(guan)(guan)廊與塔、容器之間,平(ping)行于管(guan)(guan)廊排成(cheng)一(yi)(yi)列。在管(guan)(guan)廊下布置(zhi)泵(beng)(beng)時,一(yi)(yi)般是(shi)泵(beng)(beng)-原(yuan)動(dong)機的長(chang)軸(zhou)與管(guan)(guan)廊成(cheng)直角,當泵(beng)(beng)-電(dian)機長(chang)軸(zhou)過長(chang)妨礙通道時,可轉90°,即與管(guan)(guan)廊平(ping)行。泵(beng)(beng)也(ye)可分(fen)散布置(zhi)在被抽吸(xi)設備的附近。其優點是(shi)通風良好,操(cao)作和檢修方便。


   a. 在(zai)國內露(lu)天(tian)布置(zhi)(zhi)的泵(beng),一(yi)般都布置(zhi)(zhi)在(zai)管廊(lang)下,無(wu)論管廊(lang)上方是否布置(zhi)(zhi)空(kong)冷器(qi)。在(zai)6m一(yi)跨(kua)之(zhi)內可布置(zhi)(zhi)大(da)型泵(beng)1臺、中(zhong)型泵(beng)2臺、小型泵(beng)3臺,一(yi)般泵(beng)單排布置(zhi)(zhi),泵(beng)端第一(yi)個管口或出口中(zhong)心線對齊(qi),距管廊(lang)柱中(zhong)心線的間距在(zai)0.6~2.0m之(zhi)間。


   b. 在(zai)國(guo)外(wai)露天(tian)布(bu)置(zhi)(zhi)的泵(beng)(beng),在(zai)管(guan)(guan)(guan)廊(lang)(lang)(lang)上方(fang)無空(kong)冷器時,泵(beng)(beng)布(bu)置(zhi)(zhi)在(zai)管(guan)(guan)(guan)廊(lang)(lang)(lang)內側,泵(beng)(beng)出口中(zhong)(zhong)(zhong)心(xin)線(xian)對齊,距(ju)管(guan)(guan)(guan)廊(lang)(lang)(lang)柱(zhu)中(zhong)(zhong)(zhong)心(xin)線(xian)0.6m。在(zai)管(guan)(guan)(guan)廊(lang)(lang)(lang)上方(fang)有空(kong)冷器時,如(ru)泵(beng)(beng)的操作溫(wen)度為340℃以下,則(ze)泵(beng)(beng)布(bu)置(zhi)(zhi)在(zai)管(guan)(guan)(guan)廊(lang)(lang)(lang)外(wai)側,泵(beng)(beng)出口中(zhong)(zhong)(zhong)心(xin)線(xian)對齊,伸出管(guan)(guan)(guan)廊(lang)(lang)(lang)距(ju)柱(zhu)中(zhong)(zhong)(zhong)心(xin)線(xian)0.6m,泵(beng)(beng)的驅動機(ji)在(zai)管(guan)(guan)(guan)廊(lang)(lang)(lang)內側;如(ru)泵(beng)(beng)的操作溫(wen)度等于或高于340℃時,則(ze)泵(beng)(beng)布(bu)置(zhi)(zhi)在(zai)管(guan)(guan)(guan)廊(lang)(lang)(lang)外(wai)側,泵(beng)(beng)出口中(zhong)(zhong)(zhong)心(xin)線(xian)對齊,距(ju)管(guan)(guan)(guan)廊(lang)(lang)(lang)柱(zhu)中(zhong)(zhong)(zhong)心(xin)線(xian)3m,泵(beng)(beng)的驅動機(ji)也在(zai)管(guan)(guan)(guan)廊(lang)(lang)(lang)外(wai)側。


  ②. 半露(lu)天布置(zhi)。


  半露(lu)天布(bu)置(zhi)的泵適用于多(duo)雨(yu)地(di)(di)區,一(yi)般在管廊下(xia)方布(bu)置(zhi)泵,在上(shang)方管道上(shang)部設頂棚(peng),或(huo)將泵布(bu)置(zhi)在框架(jia)的下(xia)層地(di)(di)面上(shang),以框架(jia)平臺(tai)作為頂棚(peng)。這些泵可根據與(yu)泵有關(guan)的設備布(bu)置(zhi)要求,將泵布(bu)置(zhi)成單排、雙排或(huo)多(duo)排。


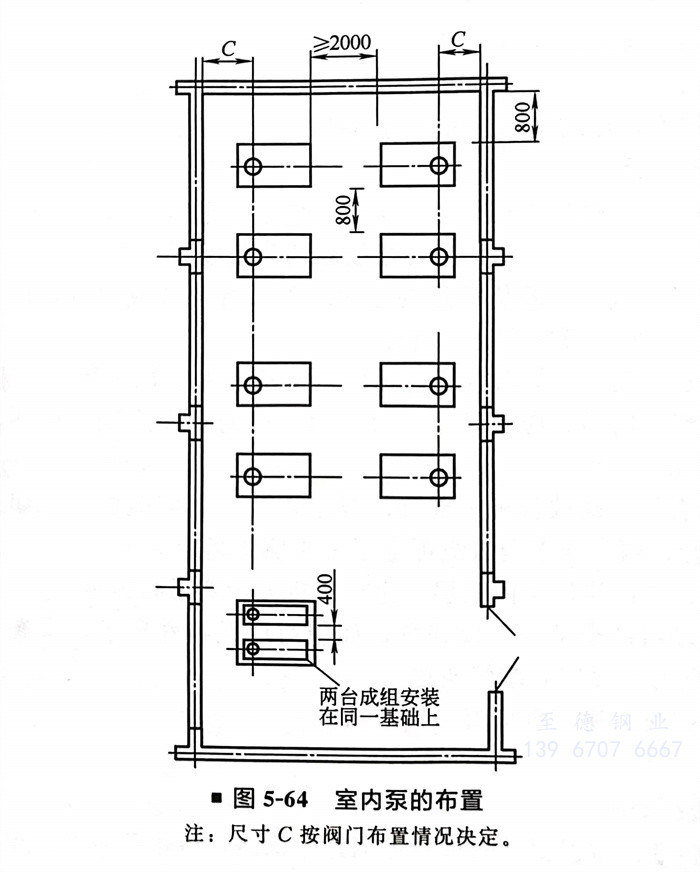
  ③. 室內(nei)布置。


  在寒冷或多風沙(sha)地區,泵布(bu)置(zhi)在室(shi)內(nei)。如果(guo)工藝(yi)過程要求設(she)備布(bu)置(zhi)在室(shi)內(nei)時,其(qi)所(suo)需的泵也(ye)應在室(shi)內(nei)布(bu)置(zhi)。


   a. 泵(beng)(beng)布(bu)置(zhi)在室(shi)內時,熱(re)(re)油(you)泵(beng)(beng)(操作溫(wen)度等于(yu)或(huo)高于(yu)自(zi)燃(ran)(ran)點(dian)的(de)(de)可(ke)(ke)燃(ran)(ran)液體泵(beng)(beng))與(yu)冷油(you)泵(beng)(beng)(操作溫(wen)度低于(yu)自(zi)燃(ran)(ran)點(dian)的(de)(de)甲B、乙(yi)A類可(ke)(ke)燃(ran)(ran)液體泵(beng)(beng))或(huo)液態烴泵(beng)(beng)應(ying)(ying)分別(bie)布(bu)置(zhi)在各(ge)自(zi)的(de)(de)房(fang)間(jian)(jian)內。各(ge)泵(beng)(beng)房(fang)中間(jian)(jian)應(ying)(ying)采用防火墻隔開。門(men)窗的(de)(de)距離不應(ying)(ying)小于(yu)4.5m。如果(guo)泵(beng)(beng)的(de)(de)數量較(jiao)少,熱(re)(re)油(you)泵(beng)(beng)可(ke)(ke)以(yi)與(yu)冷油(you)泵(beng)(beng)同房(fang)布(bu)置(zhi),但冷、熱(re)(re)油(you)泵(beng)(beng)之(zhi)間(jian)(jian)應(ying)(ying)有不小于(yu)4.5m的(de)(de)間(jian)(jian)距。


   b. 甲、乙(yi)A類液體泵房的地(di)面(mian)不應有地(di)坑或(huo)地(di)溝,為防止(zhi)油氣(qi)積(ji)聚,宜在(zai)側(ce)墻(qiang)下部采取(qu)通風措(cuo)施。


 ④. 單(dan)排布置的泵。


  大小不一的(de)泵成排(pai)布置時,一般有三種排(pai)列方式。


   a. 泵(beng)端第一(yi)(yi)(yi)個管口(kou)或出口(kou)中(zhong)心線取齊。離心泵(beng)并列布置時,泵(beng)端第一(yi)(yi)(yi)個管口(kou)或出口(kou)中(zhong)心線對齊,這樣布置管道比較(jiao)整齊,泵(beng)前也(ye)有(you)了方便統一(yi)(yi)(yi)的操作面。


   b. 泵端基礎面取(qu)齊,便(bian)于(yu)設置排污(wu)管(guan)或排污(wu)溝以及基礎施工方(fang)便(bian)。


   c. 動(dong)力(li)端(duan)基(ji)礎(chu)面取(qu)齊(qi)(qi)。如泵(beng)用電(dian)機帶(dai)動(dong)時,引向電(dian)機的電(dian)纜接線(xian)容(rong)易且(qie)經濟(ji);泵(beng)的開關和電(dian)流盤在一條(tiao)線(xian)上取(qu)齊(qi)(qi),不僅排列整齊(qi)(qi),且(qie)電(dian)機端(duan)容(rong)易操作(zuo)。但(dan)是泵(beng)的大小差(cha)別很大時可能造成吸入管(guan)過(guo)長。


 ⑤. 雙排布置的泵。


  泵(beng)成(cheng)雙排布置(zhi)時,宜將兩排泵(beng)的(de)動力(li)端相對,在中間留出檢修通道。


 ⑥. 多排布置的泵。


   泵成多排(pai)(pai)布(bu)置時,宜(yi)兩排(pai)(pai)泵的動力(li)端(duan)相(xiang)(xiang)對,兩排(pai)(pai)中的一排(pai)(pai)與另(ling)兩排(pai)(pai)中的一排(pai)(pai)出口端(duan)相(xiang)(xiang)對,中間留出檢修和操作通道。


  ⑦. 蒸汽往復泵(beng)的(de)動力側和泵(beng)側應留(liu)有抽(chou)出活塞和拉桿的(de)位置。


  ⑧. 立(li)式泵布置在(zai)管廊下方(fang)或(huo)框架下方(fang)時,其上方(fang)應(ying)留出泵體安裝和檢修所需的空間。



二、泵的(de)間距


  ①. 按SH/T3011規(gui)定,兩臺泵之間的凈(jing)距,不宜(yi)小(xiao)于0.7m(HG 20546規(gui)定,最小(xiao)凈(jing)距為0.8m,需根(gen)據項目實際(ji)情況選擇),但(dan)安裝在聯合基礎上的泵除外(wai)。


  ②. 泵布置在管廊下方(fang)或(huo)外(wai)側(ce)時,泵的檢(jian)修空間(jian)凈(jing)空不(bu)宜(yi)小于(yu)3m。泵端前面(mian)的操作通(tong)道(dao)寬(kuan)度(du)不(bu)應(ying)(ying)(ying)小于(yu)1m。對(dui)于(yu)多級泵泵端前面(mian)的檢(jian)修通(tong)道(dao)寬(kuan)度(du)不(bu)應(ying)(ying)(ying)小于(yu)1.8m,一般泵端前面(mian)的檢(jian)修通(tong)道(dao)寬(kuan)度(du)不(bu)應(ying)(ying)(ying)小于(yu)1.25m,以(yi)便小型叉車(che)通(tong)過。


  ③. 泵(beng)(beng)布置在室內時,一般(ban)不考慮機(ji)動檢修(xiu)車輛的通行要求。泵(beng)(beng)端或泵(beng)(beng)側與墻之間的凈(jing)(jing)距不宜小于1.0m,兩排泵(beng)(beng)凈(jing)(jing)距不應(ying)小于2m。


  ④. 泵進、出口閥(fa)門手輪到鄰近泵的(de)最突出部分或柱(zhu)子的(de)凈距(ju)最少為(wei)0.75m,電機之間的(de)距(ju)離為(wei)1.5~2m。


 泵(beng)的間距如圖5-60所示。


60.jpg


三、泵的基礎


  ①. 泵的基礎尺(chi)(chi)寸(cun)(cun)(cun)一(yi)般由(you)泵制造廠給出泵的底座尺(chi)(chi)寸(cun)(cun)(cun)的大小確(que)定。可按地腳螺栓中心線到基礎邊200~250mm估計。設計泵的基礎時應按預留孔方案考慮(lv),現場施(shi)工需待泵到貨后核實尺(chi)(chi)寸(cun)(cun)(cun)后方可施(shi)工。


  ②. 泵(beng)(beng)的基礎面宜比地面高(gao)(gao)出200mm,大型(xing)泵(beng)(beng)可高(gao)(gao)出100mm,小型(xing)泵(beng)(beng)如比例泵(beng)(beng)、柱塞泵(beng)(beng)、小齒輪泵(beng)(beng)等可高(gao)(gao)出地面300~500mm,使泵(beng)(beng)軸中心線高(gao)(gao)出地面600mm,并可2~3臺成組安裝(zhuang)在(zai)同一(yi)個(ge)基礎上。



四、泵布置的工程實(shi)例


工程實(shi)例一


管廊上安裝空冷(leng)器時泵的布置(圖5-61)


61.jpg




注:1. 管廊(lang)上(shang)安裝(zhuang)空冷(leng)器,泵的操作溫度在(zai)340℃以下(xia)時(shi),泵出口(kou)中心(xin)線在(zai)管廊(lang)柱(zhu)中心(xin)線外側600mm;在(zai)340℃及(ji)以上(shang)時(shi),則在(zai)外側3000mm。

2. 泵前方的(de)操作(zuo)檢修通道(dao),可能有小型叉(cha)車通行,其(qi)寬(kuan)度不小于1250mm,在多級泵前方的(de)寬(kuan)度不小于1800mm。

3. 兩排泵之間的檢修通道,寬度不(bu)小(xiao)于3000mm,如不(bu)夠時,泵端應有3000mm通道。






聯系方式.jpg