①. 再(zai)沸器的位置和安(an)裝高(gao)度應滿足(zu)工藝要求。


②. 明(ming)火加熱的再(zai)沸(fei)器與塔和其他設備的防(fang)火間距應符合防(fang)火規范要求(qiu)。


③. 用(yong)蒸汽或熱載體加(jia)熱的(de)(de)臥式再(zai)(zai)沸(fei)器(qi)應(ying)靠近塔布置(zhi),二者之間的(de)(de)距離應(ying)滿足管(guan)道布置(zhi)的(de)(de)要求,再(zai)(zai)沸(fei)器(qi)的(de)(de)一端應(ying)有管(guan)束抽(chou)出的(de)(de)空間。


④. 立(li)式再沸(fei)器可利(li)用塔體支撐,并(bing)布(bu)置在塔側,與塔的高差應滿足工(gong)藝的要求(qiu),其上(shang)方(fang)和下方(fang)應有(you)檢修的空間(jian)。也可布(bu)置在框架上(shang)。見圖7.31(a)、(b)。再沸(fei)器的布(bu)置需考慮抽芯空間(jian),如圖7.31(c)、(d)所示。


31.jpg


⑤. 一座塔需要(yao)多臺并聯的立式(shi)再(zai)沸(fei)器時,再(zai)沸(fei)器的位置和安裝(zhuang)高(gao)度,除(chu)保證工藝要(yao)求外,尚應滿足管道布置的要(yao)求,并便于(yu)操作(zuo)和檢修。


⑥. 釜式再(zai)沸(fei)器的配(pei)管設計圖完成后,要由工藝設計人校對配(pei)管的壓力損失及再(zai)次確認塔與再(zai)沸(fei)器的相(xiang)對高(gao)度(du)。


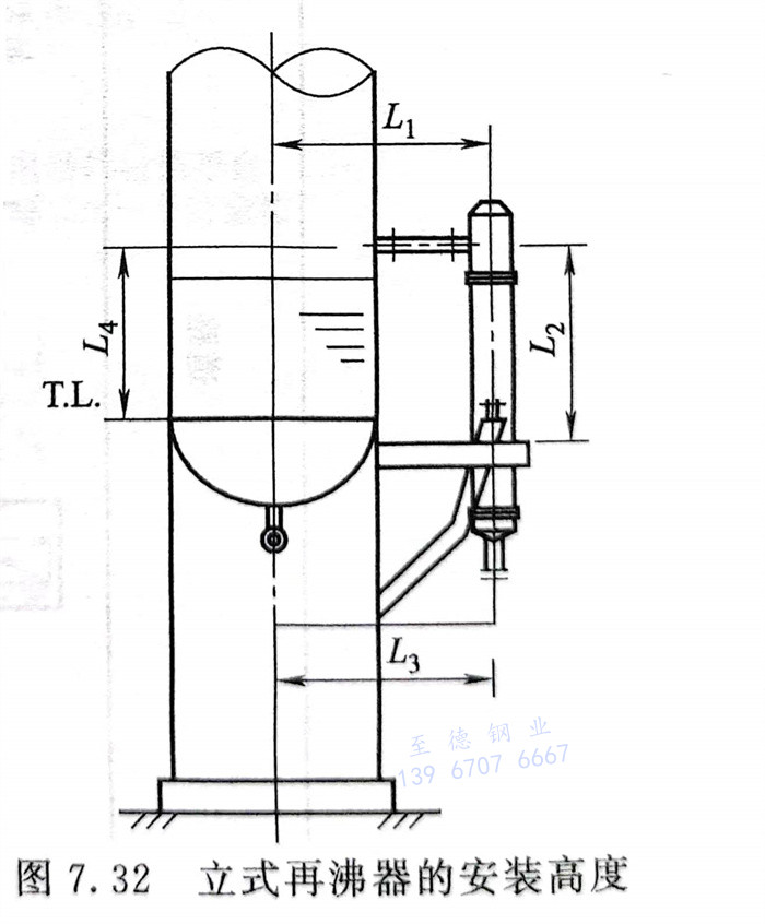
⑦. 立式再沸器的安裝高度(圖7.32)


  a.立(li)式再(zai)沸器的安裝高度需滿足工藝專(zhuan)業條件。


  b.為了盡量(liang)減少(shao)(shao)壓降和有效(xiao)利用(yong)空(kong)間,再沸(fei)器(qi)的(de)(de)汽相出口管口與塔的(de)(de)入(ru)口管口基本上直接相連(lian)來(lai)。由于再沸(fei)器(qi)的(de)(de)支撐方(fang)法(fa)會(hui)產(chan)生(sheng)較大的(de)(de)熱應力(li),可(ke)(ke)以(yi)采(cai)取以(yi)下(xia)減少(shao)(shao)熱應力(li)的(de)(de)措(cuo)施:采(cai)用(yong)在L2與L4之間盡量(liang)不產(chan)生(sheng)膨脹差的(de)(de)支撐立式再沸(fei)器(qi)的(de)(de)方(fang)法(fa);由于L3的(de)(de)伸長而影響再沸(fei)器(qi)出口管口及塔的(de)(de)入(ru)口管口,可(ke)(ke)將再沸(fei)器(qi)的(de)(de)安裝螺栓(shuan)孔做成長圓孔來(lai)減少(shao)(shao)影響;由于L1、L3間的(de)(de)膨脹差,在底部采(cai)用(yong)彎曲管道減少(shao)(shao)熱應力(li)。



32.jpg




聯系方式.jpg