浙江至德鋼業有限公司承接某石化公司300萬噸/年柴油加氫及配套工程50000Nm3/h制氫裝置中變氣水冷器的制造任務。該設備殼程介質為中變氣(易燃介質),其設計壓力為3.08MPa,設計溫度為140℃;管程介質為循環水(第二組介質),設計壓力為2.46MPa,設計溫度為58℃。為了達到最好的換熱效果、更高的耐蝕性及耐壓強度,中變氣水冷器的U形換熱管束采用了耐蝕性優異的雙相不銹鋼管2205(SA789 UNSS31803相當于我國標準鋼號022Cr19Ni5Mo3Si2N),管板采用了16 MnIV鍛件、該設備管程側堆焊SAF2209。


一、相比例影響因素(su)


  為了保證換熱(re)管束(shu)與管板的焊接(jie)(jie)(jie)(jie)接(jie)(jie)(jie)(jie)頭(tou)的強度及耐氯化物腐蝕性(xing)能,按照雙相鋼(gang)材料特性(xing),其性(xing)能主要取決(jue)于焊接(jie)(jie)(jie)(jie)接(jie)(jie)(jie)(jie)頭(tou)的金相組織。當焊縫中鐵素體(ti)和奧氏體(ti)量各(ge)接(jie)(jie)(jie)(jie)近50%時,性(xing)能較好,如何在焊接(jie)(jie)(jie)(jie)中控制(zhi)焊接(jie)(jie)(jie)(jie)接(jie)(jie)(jie)(jie)頭(tou)的相比例(li)是關鍵(jian),它與下列因素有直接(jie)(jie)(jie)(jie)關系(xi):


 1. 焊接參(can)數(shu) 


    焊接熱輸入對雙相組織的平衡起著重要作用。由于雙(shuang)相不銹鋼(gang)在高溫下的主體相是鐵素體,若熱輸入過小,熱影響區冷卻速度快,奧氏體來不及析出,過量的鐵素體就會在室溫下過冷保持下來;若熱輸人過大冷卻速度太慢,盡管可以獲得足量的奧氏體,但也會引起熱影響區的鐵素體晶粒長大以及σ相等有害金屬相的析出,造成接頭脆化。為了避免上述情況發生,最佳的措施是控制焊接熱輸入在0.5~1.5kJ/mm,并控制層間溫度不大于150℃。


 2. 焊接材(cai)料 


    對于含氮雙相不銹(xiu)鋼焊接(jie)材料通常采用比母材較高的Ni和母材相當的N的材料。N在保證焊縫金屬和焊后熱影響區內形成足夠量的奧氏體方面具有重要作用。N和Ni一樣是形成奧氏體和擴大奧氏體元素,但是,N的能力遠遠大于Ni。在高溫下N穩定奧氏體的能力也比Ni大,可防止焊后出現單相鐵素體。因此,經過對比分析,決定選用ER2209焊絲,其Ni含量高于母材,N含量與母材接近,化學成分對比見表5-57。


57.jpg


 3. 焊接熱循環


    雙相(xiang)(xiang)不銹(xiu)(xiu)鋼在焊(han)接(jie)時,焊(han)接(jie)熱(re)循環對(dui)焊(han)接(jie)接(jie)頭內(nei)部的組織有很(hen)大的影(ying)響,無論焊(han)縫(feng)還是熱(re)影(ying)響區(qu)都(dou)會有相(xiang)(xiang)變(bian)發(fa)生。當采(cai)用多層多道(dao)焊(han)接(jie)時,后續焊(han)道(dao)能(neng)促使前層焊(han)道(dao)金屬中的鐵素體進一步轉(zhuan)變(bian)成奧(ao)(ao)氏體,得到最終焊(han)縫(feng)和熱(re)影(ying)響區(qu)的奧(ao)(ao)氏體相(xiang)(xiang)增多,而且能(neng)夠細(xi)化(hua)鐵素體晶粒,減少碳(tan)化(hua)物和氮化(hua)物從(cong)晶內(nei)和晶界析出。雙相(xiang)(xiang)不銹(xiu)(xiu)鋼焊(han)接(jie)用低熔敷率和多層多道(dao)焊(han),能(neng)改善(shan)整(zheng)個焊(han)接(jie)接(jie)頭的組織和性能(neng)。



二、雙(shuang)相不銹鋼換熱(re)管與(yu)管板的焊接(jie)


 按GB 151-1999附錄B及中變氣水冷器雙相不銹鋼管束制造技術條件進行換熱管與管板的焊接工藝評定。


1. 焊接工藝評定


    換熱管(guan)(guan)為雙相不銹鋼管(guan)(guan)2205(SA789 UNS S31803),規格(ge)為ф19mmx2mm;管(guan)(guan)板采用Q345R堆焊(han)(A042+E2209),規格(ge)δ=(20.0+4)mm,經(jing)磁(ci)性儀測(ce)量法測(ce)定,管(guan)(guan)板堆焊(han)層表(biao)面(mian)鐵素(su)體(ti)含量(體(ti)積(ji)分數,%)為:42、47、47、43。


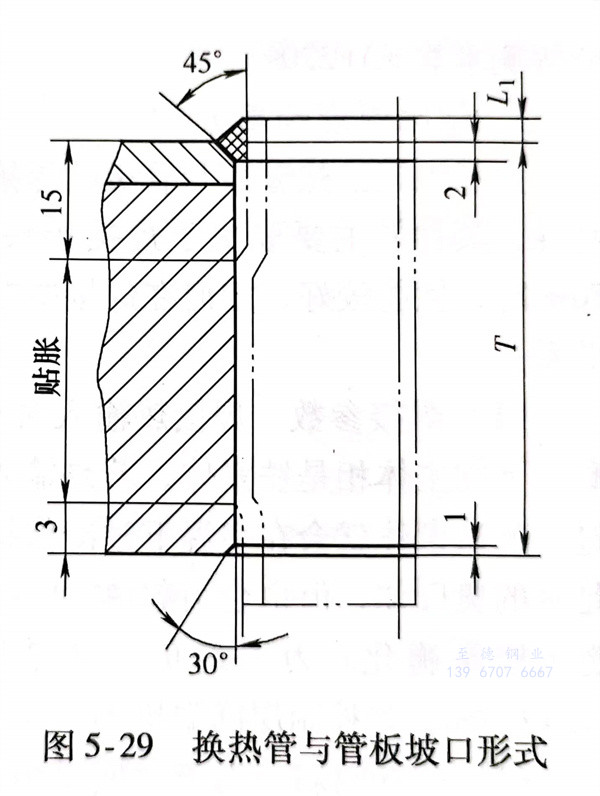
    換(huan)熱(re)管(guan)與管(guan)板坡口形式如圖5-29所示,采用全自動鎢極(ji)氬弧焊,焊絲選用ER2209ф1.0mm。換(huan)熱(re)管(guan)、管(guan)板堆焊層、焊絲的化學成分見表5-57,焊接參數見表5-58。



    焊(han)(han)接(jie)時,從零點引弧(hu)按順(shun)時針方向焊(han)(han)接(jie),并采用(yong)填充(chong)焊(han)(han)絲雙道(dao)焊(han)(han),相鄰兩焊(han)(han)道(dao)的引弧(hu)位置需錯(cuo)開180°。焊(han)(han)接(jie)完畢并貼脹后,分別進行下列項目試(shi)驗,其結(jie)果如下:


    ①. 10個焊接(jie)接(jie)頭進行PT檢測,Ⅰ級合格。


    ②. 沿(yan)評定用管中心線切開兩個(ge)焊接(jie)接(jie)頭,試樣(yang)經(jing)酸蝕后宏觀(guan)檢查(cha)8個(ge)受檢面,均(jun)未(wei)發(fa)現焊接(jie)缺陷。同時(shi),觀(guan)察(cha)管子剖面時(shi)特(te)別觀(guan)察(cha)了管子與管孔貼脹處的貼合情況,不存在(zai)可視(shi)間(jian)隙。


    ③. 對兩件試(shi)樣進行(xing)拉脫(tuo)試(shi)驗(yan),當拉脫(tuo)載(zai)荷分(fen)別為48kN、44kN時(shi),斷于(yu)管(guan)子,符合(he)GB151-1999中的規定。


    ④. 測(ce)量(liang)(liang)(liang)焊縫(feng)金屬(shu)中的(de)鐵(tie)(tie)素體(ti)含(han)量(liang)(liang)(liang),表(biao)層(ceng)的(de)鐵(tie)(tie)素體(ti)含(han)量(liang)(liang)(liang)(體(ti)積分(fen)數(shu)(shu))為(wei)35%~65%,該測(ce)定(ding)結果(guo)合(he)格(ge)。采用磁性儀測(ce)量(liang)(liang)(liang)法,測(ce)定(ding)焊縫(feng)金屬(shu)鐵(tie)(tie)素體(ti)含(han)量(liang)(liang)(liang)(體(ti)積分(fen)數(shu)(shu),%)為(wei)45.8、49.8、48.3、44.7、46.7、46.7、46.8、46.4,其他合(he)格(ge)。


    ⑤. 對焊接(jie)接(jie)頭表面進行HRC硬(ying)度(du)測定(ding),其(qi)測定(ding)結果(guo)為:管(guan)板(Q345R+A042+E2209) 22.7,(Q345R+A042+E2209)熱(re)影(ying)響區(qu)22.0,焊縫區(qu)25.5,S31803 熱(re)影(ying)響區(qu)22.0,換熱(re)管(guan)S31803母材(cai)區(qu)22.2。


    ⑥. 對(dui)管接頭解剖后進(jin)行[H]值(mL/100g)測量為:4.2、4.0、4.3、4.0、4.6、4.0、4.0。


 2. 產品焊接 


   中(zhong)變氣水(shui)冷器的雙相不銹鋼換熱(re)管(guan)與(yu)管(guan)板共(gong)308個管(guan)頭,焊接時嚴格執行以下工(gong)藝措施:


    ①. 產(chan)品焊接前,用丙(bing)酮清洗雙相不銹鋼換熱管(guan)(guan)與管(guan)(guan)板的坡口。


    ②. 按合(he)格的工藝(yi)評定制訂(ding)焊接工藝(yi),施焊時嚴格按制訂(ding)的焊接工藝(yi)執行。

  

    ③. 焊(han)接(jie)(jie)過程中(zhong),采(cai)用(yong)可靠(kao)的測溫(wen)儀對焊(han)件(jian)進行層(ceng)間溫(wen)度控(kong)制(zhi),嚴格(ge)控(kong)制(zhi)層(ceng)間溫(wen)度不(bu)高于(yu)150℃;采(cai)用(yong)小的焊(han)接(jie)(jie)熱輸(shu)入焊(han)接(jie)(jie),其控(kong)制(zhi)在5~12kJ/cm;采(cai)用(yong)雙(shuang)道(dao)填絲(si)焊(han),熄弧(hu)焊(han)道(dao)要(yao)(yao)覆蓋起始焊(han)道(dao),根部焊(han)道(dao)應(ying)被后一道(dao)的焊(han)道(dao)充分覆蓋,相(xiang)繼焊(han)層(ceng)的引(yin)弧(hu)和(he)熄弧(hu)焊(han)道(dao)要(yao)(yao)相(xiang)互(hu)錯開(kai)。


   焊接完畢并(bing)貼脹后,按JB/T 4730-2005逐根(gen)對(dui)管頭進100%滲透(PT)檢(jian)測(ce),檢(jian)測(ce)結果I級合格,且抽查接頭的(de)鐵素體含量(體積(ji)分(fen)數,%)為:52.1、51.7、52.6、47.4,得到了較好(hao)的(de)相比例。




聯系方式.jpg