有的配管設計人員錯誤認為不(bu)銹(xiu)鋼是“萬能不腐蝕材料”,無論什么腐蝕介質和設計條件都用不銹鋼,這是非常危險的。


1. 硫酸


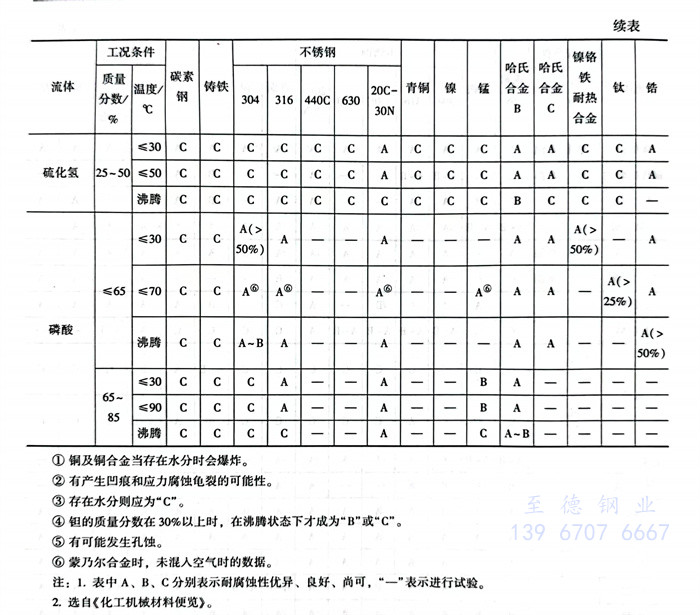
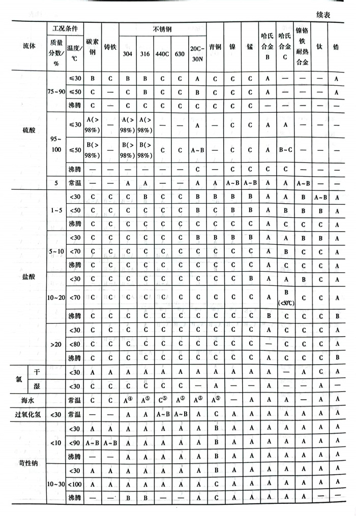
  作為強腐蝕介質之一,硫酸是用途廣泛的重要工業原料。不同濃度和溫度的硫酸對材料的腐蝕差別較大,對于濃度在80%以上、溫度小于80℃的濃硫酸,碳鋼和鑄鐵有較好的耐蝕性,但它不適合高速流動的硫酸。普通不銹鋼如304不銹鋼316不銹(xiu)鋼對硫酸介質用途有限。因此輸送硫酸的閥通常采用高硅鑄鐵、高合金不銹鋼(20號合金)制造。氟塑料等非金屬材料具有較好的耐硫酸性能。


2. 鹽酸


  大多數金(jin)(jin)屬(shu)材(cai)料(liao)(liao)(包括各種不銹鋼材(cai)料(liao)(liao))都不耐鹽(yan)(yan)酸腐(fu)蝕,含(han)鉬高硅鐵也(ye)僅可用于50℃、30%以(yi)(yi)下(xia)鹽(yan)(yan)酸。和金(jin)(jin)屬(shu)材(cai)料(liao)(liao)相反(fan),絕大多數非金(jin)(jin)屬(shu)材(cai)料(liao)(liao)對鹽(yan)(yan)酸都有良好(hao)的耐腐(fu)蝕性,所以(yi)(yi)內襯橡(xiang)膠或塑料(liao)(liao)(如聚丙烯、氟塑料(liao)(liao)等)是輸(shu)送鹽(yan)(yan)酸的較好(hao)選擇(ze)。


3. 硝(xiao)酸


  在硝(xiao)酸中一般金(jin)屬易被迅速腐蝕破壞。不(bu)(bu)銹(xiu)鋼(gang)是應用較廣的(de)耐(nai)硝(xiao)酸材料,對(dui)常溫下(xia)一切濃(nong)度的(de)硝(xiao)酸都(dou)有良(liang)好的(de)耐(nai)蝕性,含鉬的(de)不(bu)(bu)銹(xiu)鋼(gang)(如(ru)(ru)316、316L)對(dui)硝(xiao)酸的(de)耐(nai)蝕性不(bu)(bu)如(ru)(ru)普通不(bu)(bu)銹(xiu)鋼(gang)(如(ru)(ru)304、321)。而(er)對(dui)于高溫硝(xiao)酸,通常采用鈦(tai)及鈦(tai)合金(jin)材料。


4. 醋酸


  它(ta)是有機酸中腐蝕(shi)性最強(qiang)的物質(zhi)之一,普通鋼(gang)(gang)鐵在一切濃度(du)(du)和溫度(du)(du)的醋酸中都會嚴重腐蝕(shi),不(bu)銹(xiu)(xiu)鋼(gang)(gang)是優良的耐醋酸材料(liao),含鉬的316不(bu)銹(xiu)(xiu)鋼(gang)(gang)還能適用于高溫和稀醋酸蒸(zheng)氣。對于高溫高濃醋酸或含有其他(ta)腐蝕(shi)介質(zhi)等(deng)苛刻要(yao)求,可選用高合金不(bu)銹(xiu)(xiu)鋼(gang)(gang)或氟塑料(liao)材料(liao)。


5. 堿(氫氧化鈉(na))


  碳(tan)(tan)(tan)鋼(gang)(gang)廣泛應用(yong)于80℃以(yi)下、30%濃度內的氫氧化鈉溶液(ye),也有許多工廠在100℃、75%以(yi)下時仍采用(yong)普通(tong)碳(tan)(tan)(tan)鋼(gang)(gang),雖然腐蝕增加,但是綜(zong)合(he)(he)經濟性(xing)好。普通(tong)不(bu)(bu)銹(xiu)鋼(gang)(gang)對(dui)堿液(ye)的耐蝕性(xing)與鑄(zhu)鐵碳(tan)(tan)(tan)鋼(gang)(gang)相比沒(mei)有明(ming)顯優點。對(dui)于高溫堿液(ye)多采用(yong)鈦及鈦合(he)(he)金或者(zhe)高合(he)(he)金不(bu)(bu)銹(xiu)鋼(gang)(gang)。


6. 氨(an)(氫氧化氨(an))


  大多數金(jin)屬(shu)和(he)非金(jin)屬(shu)在液氨(an)及(ji)氨(an)水(氫氧化(hua)氨(an))中的腐蝕都(dou)很輕微(wei),銅和(he)銅合金(jin)不宜使用。


7. 鹽水(海水)


  普通(tong)碳鋼在氯(lv)化鈉溶液和海水、咸水中腐(fu)蝕(shi)率不太高,一(yi)般須采用涂料保(bao)護。各類不銹(xiu)鋼也有很低的均勻腐(fu)蝕(shi)率,但可(ke)能因氯(lv)離(li)子而(er)引起局部性腐(fu)蝕(shi),通(tong)常采用316不銹(xiu)鋼較好。


8. 醇類、酮類、酯類、醚(mi)類


  常見的(de)醇(chun)類(lei)介(jie)(jie)(jie)質(zhi)有(you)甲(jia)醇(chun)、乙(yi)醇(chun)、乙(yi)二醇(chun)、丙(bing)醇(chun)等(deng),酮(tong)類(lei)介(jie)(jie)(jie)質(zhi)有(you)丙(bing)酮(tong)、丁酮(tong)等(deng),酯類(lei)介(jie)(jie)(jie)質(zhi)有(you)各(ge)種(zhong)甲(jia)酯、乙(yi)酯等(deng),醚(mi)(mi)(mi)類(lei)介(jie)(jie)(jie)質(zhi)有(you)甲(jia)醚(mi)(mi)(mi)、乙(yi)醚(mi)(mi)(mi)、丁醚(mi)(mi)(mi)等(deng),它們(men)基本沒有(you)腐蝕性(xing),碳鋼材料均可適用(yong),具體選用(yong)時還應根(gen)據介(jie)(jie)(jie)質(zhi)的(de)屬性(xing)和相關要求做出合理(li)選擇。酮(tong)、酯、醚(mi)(mi)(mi)等(deng)對多種(zhong)橡膠有(you)溶解性(xing),在選擇密(mi)封材料時避免出錯。


常用(yong)腐蝕介質金屬選材見表8.1.7。



①. 銅及銅合金當(dang)存在水分(fen)時會(hui)爆(bao)炸。

②. 有(you)產生凹(ao)痕(hen)和(he)應(ying)力腐蝕龜裂的可能性。

③. 存(cun)在水分則應為(wei)“C”。

④. 鉭的質量分數在(zai)30%以上時,在(zai)沸騰狀(zhuang)態下(xia)才(cai)成為“B”或“C”。

⑤. 有可能發生孔蝕。

⑥. 蒙乃爾合金時,未混入(ru)空氣時的數(shu)據(ju)。

注:1. 表(biao)(biao)中A、B、C分別表(biao)(biao)示耐腐蝕性優異(yi)、良好(hao)、尚可(ke),“一(yi)”表(biao)(biao)示進(jin)行(xing)試驗。

2. 選自《化工機械材料便覽》。





聯系方式.jpg