00Cr12NiTi(3CR12)系南非在20世紀80年代初開發的牌號,除超低碳、氮外,還含有少量(0.5%~1.5%)鎳和少量鈦,由于此鋼在適宜熱處理態具有鐵素體和超低碳馬氏體的雙相組織,因此,此鋼除具有上述現代低鉻鐵素體(ti)不(bu)銹鋼的性能外,還具有良好的強韌性,且成型性、焊接性和耐磨性優良,由于鈦的加入,焊后也沒有晶間腐蝕敏感性,此鋼即使厚度達30mm,焊后在0℃以下仍


  具有(you)足夠的韌(ren)性。在我國,此牌號已開(kai)始生產(chan)和(he)使(shi)用(yong),在歐(ou)、美(mei)諸國和(he)地區也(ye)有(you)類似(si)牌號在大量生產(chan)和(he)應用(yong)。


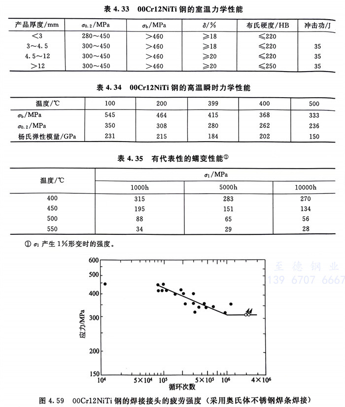
一、力學性(xing)能(neng)


 00Cr12NiTi鋼的各種(zhong)力學性能見表4.33~表4.35和圖4.59。


 圖4.59 00Cr12NiTi鋼的焊(han)接(jie)接(jie)頭(tou)的疲勞強度(采用奧(ao)氏體不銹鋼焊(han)條(tiao)焊(han)接(jie))


表 33.jpg



二(er)、耐腐蝕(shi)和磨蝕(shi)性(xing)能 


  此鋼的(de)(de)耐蝕性雖然(ran)低(di)于(yu)含鉻量高(gao)(gao)的(de)(de)一(yi)些牌號,例(li)如(ru)430(1Cr17),但是其(qi)耐蝕性遠高(gao)(gao)于(yu)低(di)碳(tan)鋼和耐蝕低(di)合金鋼,此鋼主要用于(yu)不以表面美觀為主要要求的(de)(de)弱(ruo)腐蝕環境(jing)中(zhong)。


 1. 在(zai)大(da)氣中的耐蝕性 


    圖4.60系在南非大氣條件進行20年(nian)試驗所(suo)取得的(de)結(jie)果,從圖4.60中的(de)結(jie)果可以看出,00Cr12NiTi鋼(gang)(gang)的(de)耐蝕性(xing)比(bi)低(di)碳鋼(gang)(gang)和(he)CORTENO(科爾(er)坦合金)高幾個數量級。但(dan)是,不(bu)推(tui)薦將(jiang)00Cr12NiTi鋼(gang)(gang)用于腐蝕環境(jing)中的(de)裝(zhuang)飾用途(tu),因為00Cr12NiTi表面常會(hui)形成一層(ceng)雖(sui)不(bu)影響結(jie)構穩定性(xing)的(de)銹(xiu)蝕影響美觀(guan)。如果使用時(shi)美觀(guan)很重要,當(dang)選用00Cr12NiTi鋼(gang)(gang)時(shi)表面需加涂層(ceng)。


    圖4.60 00Cr12NiTi鋼經20年(nian)大(da)氣腐蝕試(shi)驗(yan)后的耐蝕性并與其他(ta)材料進行對比的結(jie)果


60.jpg


 2. 耐點(dian)蝕(shi)性 


    圖4.61系00Cr12NiTi鋼(gang)在(zai)不同氯(lv)化物含(han)量(liang)條件下(xia)(+350mV,SCE)鋼(gang)的臨界點蝕溫度;而圖4.62則系在(zai)含(han) 和(he) 的水溶液(ye)中,所允許的最高氯(lv)離子含(han)量(liang)。


62.jpg


 3. 耐晶(jing)間腐蝕性 


    00Cr12NiTi經適宜焊接后,沒有(you)晶間腐蝕的敏感性(xing)。


 4. 耐應力(li)腐蝕性 


    在(zai)含硫化物環境中(zhong),00Cr12NiTi鋼會產生應力腐蝕,故不推(tui)薦(jian)無涂層的00Cr12NiTi鋼在(zai)這種用途中(zhong)使用。


 5. 耐磨(mo)蝕(shi)性 


    00Cr12NiTi鋼(gang)(gang)的耐磨蝕性遠(yuan)遠(yuan)優(you)于(yu)表面無(wu)涂(tu)層和(he)有(you)涂(tu)層的低碳鋼(gang)(gang)和(he)低合金鋼(gang)(gang)。圖(tu)4.63系耐磨試驗結果,由于(yu)此鋼(gang)(gang)耐濕態滑(hua)動磨損(sun)性優(you)良,所以特別適用于(yu)礦石等(deng)的貯存(cun)、處理和(he)運輸等(deng)的設備。但此鋼(gang)(gang)不適用于(yu)干磨損(sun)條件。


    圖4.63 00Cr12NiTi鋼的(de)耐(nai)磨性與(yu)低碳鋼的(de)對比結果


63.jpg



三(san)、冷熱加工和成型(xing)性(xing)能 


  00Cr12NiTi具(ju)有良好的(de)冷、熱(re)加工和成型(xing)性(xing)(xing)。此鋼有良好的(de)冷成型(xing)性(xing)(xing),但彎曲時(shi)回彈性(xing)(xing)較大,苛刻的(de)冷成型(xing)過程中需中間退火。



四、焊接性 


 具有(you)良好的(de)焊(han)(han)接(jie)(jie)(jie)(jie)性(xing),可采(cai)用(yong)通(tong)用(yong)的(de)焊(han)(han)接(jie)(jie)(jie)(jie)方法(MMA/SMAW,MIG/GMAW,TIG/GAW,FCAW和(he)PAW)進(jin)行焊(han)(han)接(jie)(jie)(jie)(jie),且可與(yu)低(di)碳鋼(gang)和(he)不(bu)銹鋼(gang)進(jin)行焊(han)(han)接(jie)(jie)(jie)(jie),建(jian)議采(cai)用(yong)AWS309C型(xing)焊(han)(han)條,00Cr12NiTi不(bu)銹鋼(gang)同(tong)材焊(han)(han)接(jie)(jie)(jie)(jie),可采(cai)用(yong)E308L和(he)E316L焊(han)(han)接(jie)(jie)(jie)(jie)材料,熱輸入應控制在0.5~1.5kJ/mm之間,焊(han)(han)后(hou)需經酸洗鈍化(hua)處理以去掉焊(han)(han)接(jie)(jie)(jie)(jie)接(jie)(jie)(jie)(jie)頭表面(mian)的(de)氧化(hua)皮和(he)貧鉻層(ceng)。


  00Cr12NiTi鋼(gang)易于(yu)(yu)生產,且(qie)(qie)成(cheng)(cheng)本(ben)低(di)廉,使用(yong)性能(neng)優良且(qie)(qie)使用(yong)工藝易于(yu)(yu)掌握。主要用(yong)于(yu)(yu)不銹、耐磨蝕(shi)等用(yong)途,代(dai)替有(you)涂(tu)層和不加涂(tu)層的低(di)碳鋼(gang)和耐蝕(shi)低(di)合金鋼(gang),且(qie)(qie)壽(shou)命周期成(cheng)(cheng)本(ben)較低(di)。目(mu)前,此鋼(gang)及(ji)相近牌(pai)號(hao)在(zai)英、美(mei)和韓國(guo)等國(guo)已廣泛應(ying)用(yong),我國(guo)也已在(zai)推廣中,00Cr12NiTi鋼(gang)是一(yi)(yi)種具有(you)廣闊(kuo)發展前景(jing)的現代(dai)低(di)鉻不銹鋼(gang),表4.36列入了國(guo)外00Cr12NiTi鋼(gang)的一(yi)(yi)些(xie)應(ying)用(yong)實(shi)例,供(gong)參考。


表 36.jpg


聯系方式.jpg