采用混合氣體(ti)作為保護(hu)氣體(ti),具有下列優點:


  ①. 可以提(ti)高(gao)熔(rong)滴過(guo)渡(du)的(de)穩(wen)定性。


  ②. 穩定(ding)陰極(ji)斑(ban)點(dian),提高電弧燃燒的穩定(ding)性。


  ③. 增(zeng)大電弧的熱功率,改(gai)善焊縫熔深(shen)形(xing)狀和(he)表面形(xing)狀,使焊縫能呈圓(yuan)滑(hua)過渡,焊縫的余(yu)高適中。


   混合活性(xing)氣(qi)(qi)(qi)體(ti)是在氬氣(qi)(qi)(qi)的(de)基礎上(shang)加體(ti)積(ji)分數為(wei)(wei)(wei)0.5%~1%的(de)氧或加體(ti)積(ji)分數為(wei)(wei)(wei)1%~5%的(de)二氧化碳作為(wei)(wei)(wei)保(bao)護(hu)氣(qi)(qi)(qi)體(ti)。這時(shi),焊(han)接(jie)過程比較穩定,焊(han)絲(si)端部呈細熔(rong)(rong)滴(di)過渡,焊(han)縫成形有所(suo)改善。在生產上(shang)應(ying)用比較廣(guang)泛(fan)的(de)是在混合氣(qi)(qi)(qi)體(ti)保(bao)護(hu)下(xia)的(de)脈沖焊(han)接(jie)工藝。奧氏體(ti)型不銹鋼的(de)熔(rong)(rong)化極氣(qi)(qi)(qi)體(ti)保(bao)護(hu)一般采用細焊(han)絲(si),焊(han)絲(si)熔(rong)(rong)化速度很快,電弧熱量(liang)集中。為(wei)(wei)(wei)了保(bao)證焊(han)縫外表和內在質(zhi)量(liang),用手工操作焊(han)不太可(ke)能達到這一目的(de),廣(guang)泛(fan)應(ying)用的(de)還是機(ji)械操作脈沖熔(rong)(rong)化極氣(qi)(qi)(qi)體(ti)保(bao)護(hu)焊(han)。


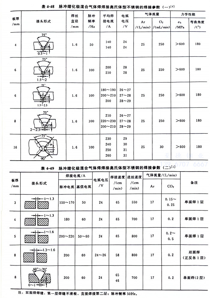
   焊接電源一般采用平特性,為直流正接連接。采用脈沖焊時,脈沖電源為平特性,維弧電源用平特性或降特性,仍為直流正極性。用脈沖熔化極混合氣體焊焊接奧氏體型不銹(xiu)鋼的焊接參數見表4-48、表4-49。


48.jpg


   鎢(wu)極和熔化極氬弧(hu)焊焊接(jie)奧(ao)氏體型不(bu)銹鋼時,填充(chong)焊絲按(an)表2-18、表2-19選擇。





聯系方式.jpg