不銹鋼電(dian)化學(xue)著彩色(se)酸性(xing)溶(rong)液(ye)成分(fen)和工(gong)藝條件見表9-9。配方5 (見表9-9)的說(shuo)明 。本配方由南京航(hang)空航(hang)天大學(xue)材(cai)料系 周一揚、吳繼民提出


表 9.jpg


1. 施加電信號


  采用中等含鉻(ge)量(liang)的(de)不(bu)銹(xiu)鋼(gang)1Cr17,在(zai)硫酸水(shui)溶(rong)(rong)液(ye)中以恒電(dian)位方波(bo)充電(dian)法使(shi)不(bu)銹(xiu)鋼(gang)表面產生(sheng)(sheng)彩色膜。脈沖方波(bo)見圖9-10。采用此法有(you)望能克服(fu)表面因在(zai)鉻(ge)酸溶(rong)(rong)液(ye)中浸泡的(de)時間較長,有(you)時表面有(you)粗糙(cao)現象產生(sheng)(sheng)的(de)缺點。


圖 10.jpg


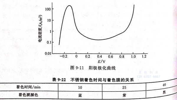
2. 不銹鋼陽極(ji)極(ji)化曲(qu)線



  在2mol/L(相當于196g/L)硫酸(suan)溶液中以逐(zhu)點法得到不銹鋼的陽(yang)極(ji)(ji)(ji)極(ji)(ji)(ji)化(hua)曲線,見圖9-11,由(you)圖9-11可知,陽(yang)極(ji)(ji)(ji)鈍態電(dian)(dian)位(wei)為(wei)(wei)0~0.9V.采用(yong)的脈沖(chong)電(dian)(dian)位(wei)范圍為(wei)(wei)-0.1~1.0V,時(shi)間為(wei)(wei)0.001~0.100s.使用(yong)的實驗儀(yi)器有恒(heng)電(dian)(dian)位(wei)儀(yi)、信號(hao)發生器、穩壓(ya)電(dian)(dian)源、示波器,參比電(dian)(dian)極(ji)(ji)(ji)為(wei)(wei)飽和甘汞電(dian)(dian)極(ji)(ji)(ji),對電(dian)(dian)極(ji)(ji)(ji)為(wei)(wei)鉑電(dian)(dian)極(ji)(ji)(ji)。



3. 著(zhu)色時間同著(zhu)色膜顏色的(de)關系


表 22.jpg


  在藍色(se)(se)(se)(se)、紫色(se)(se)(se)(se)、黑色(se)(se)(se)(se)之(zhi)間(jian)沒有(you)明顯的中間(jian)色(se)(se)(se)(se)出現(xian)。隨(sui)著(zhu)(zhu)溶液(ye)溫度增高及濃度加(jia)大。著(zhu)(zhu)色(se)(se)(se)(se)膜(mo)形成(cheng)速率(lv)有(you)加(jia)大的傾向(xiang)。這種(zhong)膜(mo)的生(sheng)成(cheng),推(tui)測(ce)是由于膜(mo)-溶液(ye)的表面鉻酸(suan)離子的生(sheng)成(cheng)、還原所致,并且在硫酸(suan)水溶液(ye)中恒(heng)電位方波脈沖下(xia)不銹鋼表面形成(cheng)的膜(mo)的鉻離子含量較高之(zhi)故。