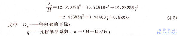
已有的研究表明,對香蕉視頻app破解碼:不銹鋼換熱管和管板連接進行數值模擬時,三維模型可以簡化為二維平面應力或軸對稱模型。因此,浙江至德鋼業有限公司采用2-D軸對稱模型分析尺寸偏差對液壓脹接壓力的影響。為考慮管孔之間的相互作用,采用簡化的單孔模型對不銹鋼換熱管和管板的脹接壓力進行模擬,模型中等效套筒直徑可采用以下公式進行計算:


式 5.jpg


對(dui)于Φ25mm×2mm的換(huan)(huan)熱管(guan),管(guan)板孔直徑D=25.25mm,中心(xin)距H=32mm,根據式(4-5)計算得到等效(xiao)套筒直徑為43.4mm.換(huan)(huan)熱管(guan)和管(guan)板實際(ji)連接如(ru)圖4-8所(suo)示。


8.jpg


 根據(ju)上述幾何尺寸,圖 4-9 給出(chu)了未(wei)標注尺寸偏差的幾何模型。


9.jpg


 網格劃(hua)分均(jun)采(cai)(cai)用軸對稱(cheng)plane182單元(yuan)(yuan),同(tong)時(shi),采(cai)(cai)用TARGE169目標面(mian)單元(yuan)(yuan)和CONTA172接觸(chu)(chu)面(mian)單元(yuan)(yuan)建(jian)立(li)換(huan)熱管與管板孔間的(de)柔性面(mian)-面(mian)接觸(chu)(chu)對,兩接觸(chu)(chu)面(mian)之間的(de)摩擦系數取0.2,有限元(yuan)(yuan)模型(xing)如圖(tu)4-10。


 不銹鋼換(huan)熱管(guan)(guan)(guan)(guan)材料(liao)模(mo)(mo)(mo)型(xing)選用 Mises率不相關的(de)(de)多線性模(mo)(mo)(mo)型(xing),模(mo)(mo)(mo)型(xing)中的(de)(de)參數來源于換(huan)熱管(guan)(guan)(guan)(guan)材料(liao)拉(la)(la)(la)伸曲線,如圖4-11所示(shi)。拉(la)(la)(la)伸試(shi)驗時,試(shi)樣取自未脹接換(huan)熱管(guan)(guan)(guan)(guan),將(jiang)其加工成(cheng)板(ban)狀拉(la)(la)(la)伸試(shi)樣,尺寸見(jian)圖4-12.管(guan)(guan)(guan)(guan)板(ban)材料(liao)選取各向同性的(de)(de)彈性模(mo)(mo)(mo)型(xing)。


11.jpg  12.jpg


  通過(guo)分步(bu)(bu)法模擬脹(zhang)接(jie)(jie)過(guo)程(cheng),即(ji)(ji)整個脹(zhang)接(jie)(jie)過(guo)程(cheng)經過(guo)以下三(san)步(bu)(bu)完成:第一(yi)步(bu)(bu),把載(zai)荷施加(jia)在(zai)管內(nei)壁(bi)上,即(ji)(ji)加(jia)載(zai);第二步(bu)(bu),脹(zhang)接(jie)(jie)壓(ya)(ya)(ya)力(li)在(zai)管內(nei)壁(bi)停留幾秒鐘,即(ji)(ji)保壓(ya)(ya)(ya);第三(san)步(bu)(bu),在(zai)管內(nei)壁(bi)施加(jia)0MPa的壓(ya)(ya)(ya)力(li),即(ji)(ji)卸載(zai)。脹(zhang)接(jie)(jie)過(guo)程(cheng)完成后(hou),通過(guo)后(hou)處理(li)器(qi)查看換熱管外壁(bi)的殘余位移Δur。若Δur=c,則(ze)認(ren)為換熱管和管板(ban)正好連接(jie)(jie)緊密,此(ci)時,所對應的壓(ya)(ya)(ya)力(li)作為貼脹(zhang)時的最(zui)小脹(zhang)接(jie)(jie)壓(ya)(ya)(ya)力(li)psimmin,若Δur<c,則(ze)說明施的脹(zhang)接(jie)(jie)壓(ya)(ya)(ya)力(li)過(guo)小,不能消(xiao)除縫隙,增(zeng)加(jia)脹(zhang)接(jie)(jie)壓(ya)(ya)(ya)力(li),重復以上過(guo)程(cheng),直(zhi)到Δur略大于c。


通過(guo)對網格(ge)(ge)進行無關性(xing)驗證發現(xian),當網格(ge)(ge)總數為15065時計(ji)(ji)算(suan)能夠收斂(lian),并且計(ji)(ji)算(suan)結(jie)果差別在(zai)0.5%內(nei)。因(yin)此(ci),我們認為該網格(ge)(ge)數可以滿足(zu)本書的(de)求解需(xu)要。



一、數值計(ji)算與(yu)理(li)論計(ji)算的(de)比(bi)較


1. 不考(kao)慮(lv)尺寸偏差


  脹接從(cong)距離換(huan)(huan)熱(re)管(guan)(guan)(guan)口17.5mm處(chu)開始。不考慮換(huan)(huan)熱(re)管(guan)(guan)(guan)與(yu)管(guan)(guan)(guan)板(ban)管(guan)(guan)(guan)孔偏(pian)差時(shi)(shi),換(huan)(huan)熱(re)管(guan)(guan)(guan)與(yu)管(guan)(guan)(guan)板(ban)管(guan)(guan)(guan)孔間的間隙(xi)c=0.125mm,換(huan)(huan)熱(re)管(guan)(guan)(guan)外(wai)壁徑向(xiang)(xiang)位移隨加載時(shi)(shi)間的變(bian)(bian)化曲線如(ru)圖(tu)4-13所示。此時(shi)(shi),換(huan)(huan)熱(re)管(guan)(guan)(guan)內壁施(shi)加壓力(li)(li)是(shi)p=206MPa,殘(can)余位移Δur=0.125005mm,可以認(ren)為換(huan)(huan)熱(re)管(guan)(guan)(guan)和管(guan)(guan)(guan)板(ban)正(zheng)好貼合(he)。從(cong)圖(tu)4-13中可以看出(chu),隨著壓力(li)(li)的增加,徑向(xiang)(xiang)位移增大,卸載后徑向(xiang)(xiang)位移有所減小。這是(shi)因(yin)為加載時(shi)(shi)換(huan)(huan)熱(re)管(guan)(guan)(guan)發生了(le)彈塑(su)性(xing)變(bian)(bian)形,卸載后彈性(xing)恢復,只(zhi)剩下塑(su)性(xing)變(bian)(bian)形。脹接后的應力(li)(li)應變(bian)(bian)情況如(ru)圖(tu)4-14所示。


13.jpg


  不(bu)考(kao)(kao)慮換(huan)熱管(guan)(guan)和管(guan)(guan)板孔(kong)直(zhi)徑偏(pian)差時(shi),選取表4-1所示的換(huan)熱管(guan)(guan)外(wai)直(zhi)徑、管(guan)(guan)板孔(kong)直(zhi)徑和管(guan)(guan)壁厚公稱尺寸,建(jian)立(li)不(bu)同k值(zhi)下(xia)的有限元模(mo)型(xing)。圖4-15所示為(wei)有限元模(mo)擬結果(guo)和式(shi)(shi)(4-1)理論(lun)計算結果(guo),從圖中可以(yi)看出,模(mo)擬值(zhi)與計算值(zhi)近(jin)似相等。因此,在不(bu)考(kao)(kao)慮換(huan)熱管(guan)(guan)和管(guan)(guan)板孔(kong)直(zhi)徑偏(pian)差的情(qing)況下(xia),采用式(shi)(shi)(4-1)可以(yi)得到合(he)理的最小脹接壓力。


15.jpg


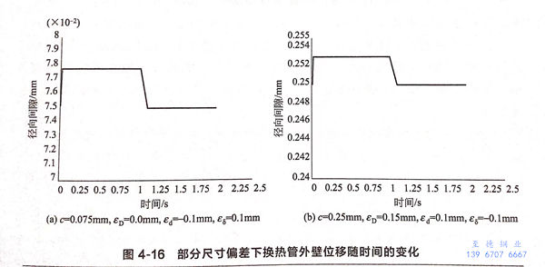
2. 考(kao)慮尺寸(cun)偏差


  為了驗證圖4-6中(zhong)理(li)論計算結果的(de)正(zheng)確(que)性,選擇與圖4-6完全相(xiang)同(tong)的(de)換熱管(guan)和(he)管(guan)板孔(kong)公稱尺寸和(he)偏差等幾何條件(jian),進行有限元模擬。圖4-16給出了部分尺寸偏差下,換熱管(guan)外(wai)壁徑向位移隨加載(zai)過(guo)程的(de)變化情況。


16.jpg


  所(suo)有的(de)模擬結果如圖(tu)4-17所(suo)示(shi)。比較(jiao)(jiao)圖(tu)4-17和(he)圖(tu)4-6,兩(liang)者差(cha)距較(jiao)(jiao)大。相(xiang)同(tong)條件下,兩(liang)種(zhong)方法獲得的(de)最小脹接壓力(li)(li)最大相(xiang)差(cha)29MPa.因(yin)此,當換熱管和(he)管板孔直(zhi)徑存在(zai)尺(chi)寸偏差(cha)時(shi),試(shi)圖(tu)通過(guo)把偏差(cha)值直(zhi)接附加到(dao)式(4-1)各物理(li)量上,而得到(dao)合理(li)的(de)最小脹接壓力(li)(li)是(shi)不可行(xing)的(de)。


17.jpg



二、幾何偏(pian)差對最小(xiao)脹接(jie)壓力的影響


1. 壁厚偏差(cha)的(de)影響


  為(wei)了(le)討(tao)論壁(bi)厚(hou)偏(pian)(pian)(pian)差(cha)εs對(dui)最小(xiao)脹接壓(ya)力(li)的(de)(de)(de)影響,選取表(biao)4-1所列最小(xiao)、最大和(he)最常用換熱(re)管外直徑,即do=14mm、25mm和(he)57mm的(de)(de)(de)換熱(re)管,保持(chi)k=1.19,并不(bu)考慮管板孔和(he)換熱(re)管外徑偏(pian)(pian)(pian)差(cha),分別(bie)建立不(bu)同壁(bi)厚(hou)偏(pian)(pian)(pian)差(cha)下的(de)(de)(de)模(mo)型,進(jin)行有限(xian)元模(mo)擬(ni)。圖4-18(a)給出了(le)最小(xiao)脹接壓(ya)力(li)隨壁(bi)厚(hou)偏(pian)(pian)(pian)差(cha)變化的(de)(de)(de)模(mo)擬(ni)結果,從圖中可以看出,最小(xiao)脹接壓(ya)力(li)隨壁(bi)厚(hou)偏(pian)(pian)(pian)差(cha)的(de)(de)(de)增加(jia)而增加(jia),兩者近似為(wei)直線(xian)關系。


18.jpg


  為進一步分析壁(bi)厚(hou)(hou)偏差(cha)(cha)(cha)對最小脹接壓力(li)的影響(xiang),引(yin)入壁(bi)厚(hou)(hou)偏差(cha)(cha)(cha)影響(xiang)修正系數(shu)fs,即fs=psmm/pmin,以及比壁(bi)厚(hou)(hou)偏差(cha)(cha)(cha)Es/S,將圖(tu)4-18(a)轉化(hua)(hua)成圖(tu)4-18(b)。通過圖(tu)4-18(b)可(ke)以看出,壁(bi)厚(hou)(hou)偏差(cha)(cha)(cha)影響(xiang)修正系數(shu)fs隨Es/S近似(si)為直線(xian)變化(hua)(hua),其(qi)線(xian)性關系可(ke)以表示為


式 6.jpg


  對于do=19mm、38mm的(de)換(huan)熱(re)管,壁厚偏差分別(bie)為εs=±0.1mm、±0.15mm,根(gen)據式(shi)(4-6)得到的(de)最小脹接壓力分別(bie)為211MPa、201.8MPa和207.6MPa、200.4MPa,有(you)限元的(de)模擬結果分別(bie)為212MPa、201MPa和206.5MPa、200MPa.充分說明(ming)式(shi)(4-6)給出(chu)的(de)擬合(he)關系(xi)是可信的(de)。


2. 換熱(re)管外直(zhi)徑偏(pian)差和管板孔直(zhi)徑偏(pian)差的影響


  不(bu)(bu)銹鋼(gang)換熱管外直(zhi)徑(jing)(jing)(jing)偏差和(he)管板孔(kong)直(zhi)徑(jing)(jing)(jing)偏差對最(zui)小脹接壓力的影響可以歸結為(wei)(wei)初(chu)始(shi)徑(jing)(jing)(jing)向(xiang)間(jian)隙(xi)(xi)c的影響。保持k=1.19不(bu)(bu)變(bian),根據表(biao)4-1中管外直(zhi)徑(jing)(jing)(jing)允(yun)許(xu)偏差范圍和(he)管板孔(kong)直(zhi)徑(jing)(jing)(jing)允(yun)許(xu)偏差范圍,選取(qu)不(bu)(bu)同(tong)(tong)的管外直(zhi)徑(jing)(jing)(jing)偏差e.和(he)管板孔(kong)直(zhi)徑(jing)(jing)(jing)偏差?D,以得(de)到(dao)不(bu)(bu)同(tong)(tong)的初(chu)始(shi)徑(jing)(jing)(jing)向(xiang)間(jian)隙(xi)(xi)c,建立(li)不(bu)(bu)同(tong)(tong)初(chu)始(shi)徑(jing)(jing)(jing)向(xiang)間(jian)隙(xi)(xi)c下的有限元模型。圖4-19(a)所示為(wei)(wei)Psimmin 隨(sui)c變(bian)化的規(gui)律。


19.jpg


 為了定量(liang)分析初(chu)始(shi)徑(jing)(jing)向(xiang)間(jian)隙對最小脹接(jie)壓力的(de)(de)影響,引(yin)入初(chu)始(shi)徑(jing)(jing)向(xiang)間(jian)隙影響修正(zheng)系(xi)數(shu)fc(fo=psim min/pmin),以及(ji)比初(chu)始(shi)徑(jing)(jing)向(xiang)間(jian)隙c/do,將圖4-19(a)轉化成圖4-19(b)。圖4-19(b)說(shuo)明,對不同的(de)(de)換(huan)熱管外直徑(jing)(jing)do,fc與c/d.之間(jian)關(guan)系(xi)為一簇(cu)近似平行(xing)的(de)(de)直線,可(ke)以表示為


式 7.jpg


3. 綜(zong)合偏差的影(ying)響


  在實際中,不銹(xiu)鋼換熱管壁厚偏(pian)(pian)差(cha)(cha)、外直(zhi)(zhi)徑(jing)偏(pian)(pian)差(cha)(cha)和管板(ban)孔(kong)直(zhi)(zhi)徑(jing)偏(pian)(pian)差(cha)(cha)是同(tong)時存在的(de)。因此,我們需(xu)要考慮三(san)類(lei)偏(pian)(pian)差(cha)(cha)的(de)共同(tong)影(ying)響。引入綜合(he)偏(pian)(pian)差(cha)(cha)影(ying)響修正(zheng)系數f,即


式 9.jpg


  為了檢驗式(shi)(4-10)的(de)準(zhun)確性,把(ba)采用式(shi)(4-10)計算(suan)得(de)到的(de)最小脹(zhang)接壓力(li)與有限元模擬結果(guo)進行比較。根據GB/T 17395-2008《無(wu)縫鋼(gang)管(guan)尺寸(cun)、外(wai)形、重量(liang)及(ji)允(yun)許偏差(cha)》和(he)(he)表4-1選取換熱(re)管(guan)和(he)(he)管(guan)板孔直徑尺寸(cun)以及(ji)相應(ying)的(de)偏差(cha),所選擇的(de)換熱(re)管(guan)和(he)(he)管(guan)板孔的(de)尺寸(cun)及(ji)它們的(de)偏差(cha)均不在(zai)回歸(gui)fs、fc時(shi)所選用的(de)范圍。計算(suan)和(he)(he)模擬結果(guo)見圖4-20。從(cong)圖中可(ke)以看出,兩者(zhe)的(de)計算(suan)結果(guo)吻合得(de)非常好,說明式(shi)(4-10)適用于滿(man)足表4-1幾何尺寸(cun)及(ji)其偏差(cha)以及(ji)滿(man)足表4-2材料(liao)性能的(de)換熱(re)管(guan)和(he)(he)管(guan)板孔相連接的(de)最小脹(zhang)接壓力(li)的(de)計算(suan)。


20.jpg


  從以上(shang)分(fen)(fen)析可知(zhi),不銹(xiu)鋼換熱(re)(re)管(guan)(guan)外(wai)直(zhi)徑(jing)(jing)(jing)和壁(bi)厚、管(guan)(guan)板孔直(zhi)徑(jing)(jing)(jing)等(deng)幾(ji)何尺(chi)寸(cun)及(ji)它們的(de)(de)偏(pian)(pian)(pian)(pian)差(cha)(cha)(cha)對最小脹接壓力的(de)(de)計算有著交(jiao)叉(cha)影(ying)(ying)響(xiang)(xiang)(xiang)(xiang)(xiang)。由于換熱(re)(re)管(guan)(guan)規格繁多,再加上(shang)尺(chi)寸(cun)偏(pian)(pian)(pian)(pian)差(cha)(cha)(cha)范圍較大(da)(da),全面分(fen)(fen)析這種影(ying)(ying)響(xiang)(xiang)(xiang)(xiang)(xiang)將是一(yi)項十分(fen)(fen)繁重的(de)(de)工作。因(yin)此,將換熱(re)(re)管(guan)(guan)外(wai)直(zhi)徑(jing)(jing)(jing)偏(pian)(pian)(pian)(pian)差(cha)(cha)(cha)和管(guan)(guan)板孔直(zhi)徑(jing)(jing)(jing)偏(pian)(pian)(pian)(pian)差(cha)(cha)(cha)的(de)(de)影(ying)(ying)響(xiang)(xiang)(xiang)(xiang)(xiang)歸結(jie)為初始(shi)(shi)徑(jing)(jing)(jing)向間(jian)隙的(de)(de)影(ying)(ying)響(xiang)(xiang)(xiang)(xiang)(xiang),然后將換熱(re)(re)管(guan)(guan)壁(bi)厚偏(pian)(pian)(pian)(pian)差(cha)(cha)(cha)的(de)(de)影(ying)(ying)響(xiang)(xiang)(xiang)(xiang)(xiang)和初始(shi)(shi)徑(jing)(jing)(jing)向間(jian)隙的(de)(de)影(ying)(ying)響(xiang)(xiang)(xiang)(xiang)(xiang)分(fen)(fen)離開來,即討論壁(bi)厚偏(pian)(pian)(pian)(pian)差(cha)(cha)(cha)影(ying)(ying)響(xiang)(xiang)(xiang)(xiang)(xiang)時(shi),設(she)定管(guan)(guan)板孔和換熱(re)(re)管(guan)(guan)外(wai)直(zhi)徑(jing)(jing)(jing)沒有偏(pian)(pian)(pian)(pian)差(cha)(cha)(cha),并且只考(kao)慮一(yi)種k值;而討論初始(shi)(shi)徑(jing)(jing)(jing)向間(jian)隙影(ying)(ying)響(xiang)(xiang)(xiang)(xiang)(xiang)時(shi),則(ze)設(she)定換熱(re)(re)管(guan)(guan)壁(bi)厚為一(yi)不變(bian)值,從而使問題得(de)到(dao)了大(da)(da)大(da)(da)的(de)(de)簡化(hua)。從更寬范圍選取換熱(re)(re)管(guan)(guan)外(wai)直(zhi)徑(jing)(jing)(jing)和壁(bi)厚、管(guan)(guan)板孔外(wai)直(zhi)徑(jing)(jing)(jing)等(deng)幾(ji)何尺(chi)寸(cun)以及(ji)它們的(de)(de)偏(pian)(pian)(pian)(pian)差(cha)(cha)(cha),通過(guo)式(4-10)計算和有限(xian)元模擬得(de)到(dao)的(de)(de)最小脹接壓力相互吻合得(de)非常(chang)好,說明式(4-10)給出(chu)的(de)(de)修正公式的(de)(de)準確度(du)是令人滿意的(de)(de)。


 為了(le)避免尺寸超差對(dui)不(bu)銹鋼換(huan)(huan)熱管(guan)和(he)管(guan)板(ban)連接強度(du)的影響,美國(guo)(guo)管(guan)殼式熱交換(huan)(huan)器制造商協會對(dui)最大(da)允許縫隙進行(xing)了(le)限制。而我國(guo)(guo)標(biao)準(zhun) GB 13296-2013和(he)GB 13296-2007相比,對(dui)不(bu)銹鋼換(huan)(huan)熱管(guan)外直徑偏差的要求更為嚴格,這在一(yi)定(ding)程度(du)上減小(xiao)了(le)換(huan)(huan)熱管(guan)和(he)管(guan)板(ban)孔之間的最大(da)允許間隙。


 與其他文獻相(xiang)比,以上(shang)計算涉及的不銹鋼換熱管和(he)管板孔尺寸(cun)及尺寸(cun)偏差范圍廣,因(yin)此,提出的修(xiu)正(zheng)系數(shu)f更具有普遍性(xing)。需要說明的是,在以上的分析中,沒(mei)有考(kao)慮管板(ban)孔(kong)中心距尺寸偏差的影響。換熱(re)管材料發生變化后,式(4-9)能(neng)否繼續使(shi)用(yong),也(ye)有待進一步研究。