香蕉视频app破解码

英科耐爾|Inconel

inconel產品的(de)(de)均勻腐蝕(shi)可(ke)以(yi)發(fa)生在酸(suan)性(xing)(xing)或熱的(de)(de)堿性(xing)(xing)溶液。通過(guo)這種機(ji)制可(ke)以(yi)預計的(de)(de)虧損(sun),并在設計允許的(de)(de)。inconel產品的(de)(de)腐蝕(shi)速率非常慢時,該金屬是在被動狀(zhuang)態,一(yi)般的(de)(de)是耐腐蝕(shi)性(xing)(xing)更好地較大的(de)(de)鉻含(han)量,但(dan)其(qi)他(ta)的(de)(de)溶質可(ke)以(yi)是有害的(de)(de)。

產品分類 / 用途

00Cr20Ni60Mo8Nb3Ti(Inconel 725 )


(00Cr20Ni60Mo8Nb3Ti)Inconel 725 合金是(shi)一種既具有(you)高耐(nai)蝕性又(you)可時(shi)效硬化(hua)到(dao)極高強(qiang)(qiang)度(du)的(de)Ni-Cr-Mo-Nb-Ti- Al耐(nai)蝕合(he)金(jin)(jin)。此合(he)金(jin)(jin)的(de)耐(nai)蝕性基(ji)本上與已廣(guang)泛(fan)使用的(de)Inconel 625合(he)金(jin)(jin)一致,時(shi)效硬化(hua)處理的(de)725合(he)金(jin)(jin)的(de)強(qiang)(qiang)度(du)水平是(shi)625合(he)金(jin)(jin)的(de)2倍,并(bing)且其塑韌性仍保(bao)持較高的(de)水平。對于在(zai)腐(fu)蝕環境中應用,既要求(qiu)具有(you)優異耐(nai)蝕性又(you)要求(qiu)具有(you)高強(qiang)(qiang)和高的(de)塑韌性的(de)服役條件(jian),一些大型(xing)部(bu)件(jian)或(huo)截面尺寸不均(jun)勻的(de)部(bu)件(jian)不能釆用冷加工的(de)強(qiang)(qiang)化(hua)措施,這(zhe)種時(shi)效硬化(hua)型(xing)鐐基(ji)耐(nai)蝕合(he)金(jin)(jin)不失是(shi)一種最佳選擇。Inconel 725合(he)金(jin)(jin)已在(zai)酸性氣田開發中得到(dao)成功應用。


一(yi)、化學成分特點和組(zu)織結構


(00Cr20Ni60Mo8Nb3Ti)Inconel 725 合(he)(he)金(jin)(jin)的化(hua)學(xue)成(cheng)分見表(biao) 8-7。合(he)(he)金(jin)(jin)的 Cr、Ni、Mo、Nb 含量與625合(he)(he)金(jin)(jin)基本(ben)一致(zhi)(zhi),這是此合(he)(he)金(jin)(jin)的耐(nai)(nai)蝕(shi)特性與625合(he)(he)金(jin)(jin)一致(zhi)(zhi)的根本(ben)原因,兩者的差別在于725合(he)(he)金(jin)(jin)中的碳降到0.03%以下,并加入Ti和Al,前者減少了(le)碳化(hua)物(wu)析出敏感性而提高耐(nai)(nai)晶間腐蝕(shi)能力,后者賦(fu)予了(le)合(he)(he)金(jin)(jin)的時(shi)效(xiao)強化(hua)功能。


表 8-7.jpg

表 8-8.jpg


 (00Cr20Ni60Mo8Nb3Ti)Inconel 725 合金在固溶退火狀態下為純奧氏體合金,在時效狀態下有碳化物和金屬間相形成,碳化物以M6C為主并有MC和M23C6型碳化物形成,此合金金屬間相為[Ni3(Nb,Ti,Al)],后者為合金的主要時效強化相, 其功能是提高合金的強度。


二、力學性能


(00Cr20Ni60Mo8Nb3Ti)Inconel 725 合金的室溫力學性(xing)能見表(biao)8-106。時(shi)效(xiao)硬化棒材(cai)高溫瞬時(shi)力學性(xing)能見圖 8-92。16~16.5mm棒材(cai)(固溶+時(shi)效(xiao)硬化處理(li))的高溫瞬時(shi)力學性(xing)能列(lie)于表(biao) 8-107。


表 8-106.jpg

表 8-107.jpg


三、耐(nai)蝕性能


  1. 全(quan)面腐蝕(shi)


   在酸(suan)溶液中,不同(tong)熱處(chu)理狀態的725合金的耐(nai)蝕性列于表8-108,為了(le)比較 引入了(le)文獻中的625和(he)C-276合金,顯然(ran)725合金的耐(nai)蝕性可(ke)與退(tui)火態的625合金和(he) C-276合金媲美。


表 8-108.jpg


    表 8-109 為725合金在酸性介(jie)質(zhi)中(zhong)的耐蝕性隨試(shi)驗時間(jian)和介(jie)質(zhi)溫度(du)的變(bian)化而 發生的變(bian)化。


表 8-109.jpg


   2. 應力腐(fu)蝕


   在判(pan)定由硫化物引起的(de)應力腐蝕(shi)(氫脆(cui))的(de)標準試驗(yan)中(NACET M0177 ),725 合金(jin)(jin)(jin)的(de)腐蝕(shi)數(shu)據見表8-110。這些數(shu)據指(zhi)岀725合金(jin)(jin)(jin)優(you)于625合金(jin)(jin)(jin)和718合金(jin)(jin)(jin)。


表 8-110.jpg


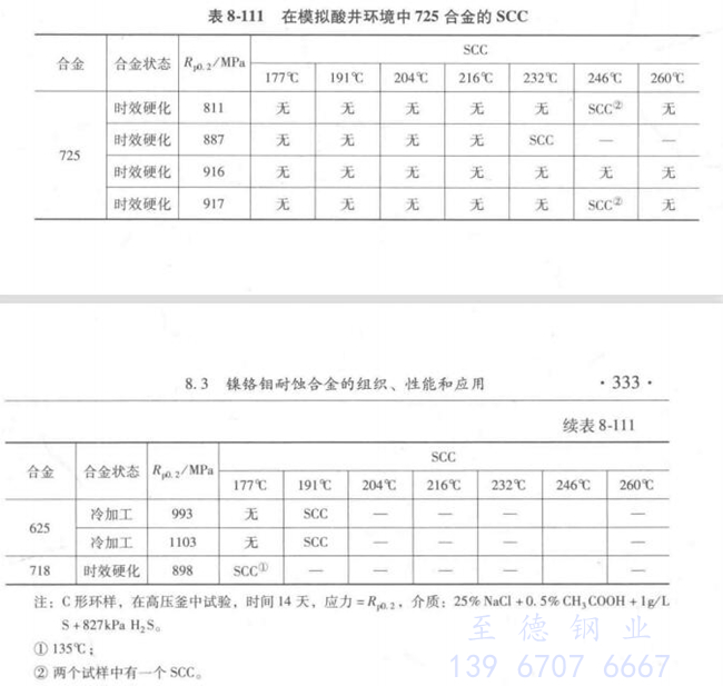
   在(zai)模擬酸性井環境中,725合(he)(he)(he)金(jin)(jin)的(de)應力腐蝕(shi)行為(wei)見表(biao)8-111 和圖8-93。725 合(he)(he)(he)金(jin)(jin)的(de)耐SCC性能優(you)于冷加工的(de)625合(he)(he)(he)金(jin)(jin)、G-3合(he)(he)(he)金(jin)(jin)、925合(he)(he)(he)金(jin)(jin)、825合(he)(he)(he)金(jin)(jin)和718 合(he)(he)(he)金(jin)(jin),近于C-276合(he)(he)(he)金(jin)(jin)。


表 8-111.jpg

圖 8-93.jpg

 

 3. 耐縫(feng)隙腐蝕性能和(he)腐蝕疲勞


    時效狀態的725合金的耐縫隙腐(fu)蝕性能(neng)優(you)于退火態的625合金(表8-112), 在海水中的疲勞性能(neng)與空(kong)氣(qi)中的一致(zhi)(圖8-94)。


表 8-112.jpg

圖 8-94.jpg


四、熱處理、熱成型和焊接性能


    1. 熱處理


 (00Cr20Ni60Mo8Nb3Ti)Inconel 725 合(he)金的強(qiang)化(hua)是依(yi)賴于(yu)時(shi)效(xiao)(xiao)處理(li) γ''相沉淀實(shi)現的,時(shi)效(xiao)(xiao)前應(ying)使合(he)金固溶(rong)退(tui)火,然后再施以時(shi)效(xiao)(xiao)處理(li)。



   固(gu)溶退火:1040℃ 固(gu)溶,AC(空冷)。


   時效處理:對于酸性(xing)氣井(jing)應(ying)用(yong), 推薦下述處理工藝,730℃×8 h 、爐冷(leng) (56℃/h)至620℃ × 8h, AC。


   2. 熱成型(xing)


  725合金(jin)的適宜熱(re)成型溫度為(wei) 899~1121℃,因(yin)其強(qiang)度高,熱(re)成型設備應(ying)具有足夠的變(bian)形(xing)力。為(wei)使部(bu)件具有均(jun)勻(yun)一致的變(bian)形(xing),在變(bian)形(xing)的低(di)溫區(qu)(890 ~950℃)應(ying)適度減少壓縮(suo)(suo)量(liang)。為(wei)了避(bi)(bi)免混(hun)晶結構,應(ying)給予合金(jin)較均(jun)勻(yun)的壓縮(suo)(suo)量(liang),對于(yu)(yu)開口(kou)模熱(re)作(zuo)(zuo),最終的壓縮(suo)(suo)量(liang)應(ying)大于(yu)(yu)20%,對于(yu)(yu)閉口(kou)模熱(re)作(zuo)(zuo),最終變(bian)形(xing)量(liang)應(ying)大于(yu)(yu)10% ,熱(re)作(zuo)(zuo)后(hou)空冷。在熱(re)作(zuo)(zuo)過程中既要避(bi)(bi)免 過熱(re)又要避(bi)(bi)免低(di)于(yu)(yu)899℃的冷點出現(xian),一旦出現(xian)表(biao)面裂(lie)紋或其他缺(que)陷要即(ji)時去除。建議將熱(re)作(zuo)(zuo)工具和(he)模具預熱(re)到260℃,對消除部(bu)件表(biao)面裂(lie)紋和(he)缺(que)陷是(shi)有益的。


   3. 焊接


  725合金最適宜的焊接方式是GTAW和GMAW,不推薦使用SAW和SMAW, 充填金屬應采用725NDUR,以確保焊件的強度。表8-113 為采用725NDUR焊絲堆焊1層在 5% NaCI +517kPa H2S +2758kPa CO2, 149℃ 環境下的慢速拉伸試驗數據。表中的數據為在腐蝕環境和空氣中采用相同慢速拉伸參數所獲得的數據 比,通常這個比值在0.90以上是可接受的。表8-114 為725NDUR焊縫金屬 (GMA)的室溫力學性能,表8-115 其沖擊性能。


表 8-113.jpg

表 8-115.jpg



   表(biao)8-114 和 表(biao)8-115的數據說(shuo)明,焊(han)后高(gao)(gao)溫退火再經雙時效處理可使其沖擊韌(ren)性(xing)明顯提(ti)高(gao)(gao)。


五(wu)、物理性能


 (00Cr20Ni60Mo8Nb3Ti)Inconel 725 合金物理(li)性能(neng)分別見表8-116 ~表8-118。


表 8-116.jpg

表 8-117.jpg


六、應用


  (00Cr20Ni60Mo8Nb3Ti)Inconel 725 合(he)金(jin)(jin)集(ji)耐腐(fu)(fu)(fu)蝕(shi)性(xing)與(yu)高強(qiang)度(du)于一身,它(ta)主要應用(yong)(yong)于耐蝕(shi)環境(jing)的(de)高強(qiang)度(du)部件,在(zai)酸性(xing)氣井的(de)環境(jing)中(zhong)它(ta)已用(yong)(yong)作懸掛(gua)件、偏心(xin)工作筒(tong),拋光座圈(quan)和地面接頭等,用(yong)(yong)以抵(di)抗硫化氫、氯化物和二氧化碳的(de)腐(fu)(fu)(fu)蝕(shi)。因725合(he)金(jin)(jin)具有與(yu)625合(he)金(jin)(jin)相當的(de)耐蝕(shi)性(xing),它(ta)亦(yi)是(shi)在(zai)海水(shui)(shui)中(zhong)高強(qiang)度(du)緊(jin)固件的(de)優選材料,在(zai)海水(shui)(shui)中(zhong)提供(gong)(gong)了良好的(de)耐點蝕(shi)、耐縫隙(xi)腐(fu)(fu)(fu)蝕(shi)性(xing)能。此外,此合(he)金(jin)(jin)特(te)別適宜用(yong)(yong)做聚合(he)物的(de)擠(ji)壓模,在(zai)要求高強(qiang)度(du)的(de)強(qiang)腐(fu)(fu)(fu)蝕(shi)環境(jing)服役(yi)條件下,它(ta)亦(yi)提供(gong)(gong)了高強(qiang)度(du)和耐蝕(shi)性(xing)的(de)雙重性(xing)能。