香蕉视频app破解码

英科耐爾|Inconel

inconel產(chan)品(pin)的(de)(de)(de)均勻腐蝕可(ke)以發(fa)生在酸(suan)性(xing)或熱的(de)(de)(de)堿性(xing)溶液。通過這種(zhong)機(ji)制可(ke)以預計(ji)的(de)(de)(de)虧(kui)損,并(bing)在設計(ji)允許的(de)(de)(de)。inconel產(chan)品(pin)的(de)(de)(de)腐蝕速(su)率非常慢時,該金屬是在被動狀態(tai),一般的(de)(de)(de)是耐腐蝕性(xing)更好地較大的(de)(de)(de)鉻(ge)含量,但其他的(de)(de)(de)溶質(zhi)可(ke)以是有害(hai)的(de)(de)(de)。

產品分類 / 用途

0Cr23Ni60Fe14Al (Inconel 601)


(0Cr23Ni60Fe14Al)、 NS 313、Inconel 601合(he)金系(xi)一種既耐(nai)蝕,又抗高溫(wen)氧化,且具有(you)較好熱強性的鎳基合金。


一、化學(xue)成分和組織特(te)點(dian)


  0Cr23Ni60Fe14Al合(he)金(jin)的(de)(de)化(hua)學成分(fen)見表3-3-1。從表中(zhong)可(ke)知,合(he)金(jin)中(zhong)鉻(ge)含量(liang)(liang)較高,因而在(zai)氧(yang)化(hua)性酸介質(zhi)中(zhong)耐蝕性較好;合(he)金(jin)在(zai)含較高鉻(ge)量(liang)(liang)的(de)(de)同(tong)時(shi),還含有鋁,因而,此(ci)合(he)金(jin)的(de)(de)抗氧(yang)化(hua)性、抗硫化(hua)性能也較佳。此(ci)合(he)金(jin)固(gu)溶態具有穩定的(de)(de)奧氏體組織,同(tong)時(shi)在(zai)基(ji)體上還有彌散的(de)(de)少(shao)量(liang)(liang)碳化(hua)物和氮化(hua)物。此(ci)合(he)金(jin)中(zhong)完全不存(cun)在(zai)脆性金(jin)屬間(jian)相(xiang),例如(ru)σ相(xiang)。


                                               Inconel 601 ( NS 313) 合金的化學成分 %
牌號   C  Mn  Si       Cr    Ni   S   P   AlFe
0Cr23Ni60Fe14Al

Inconel 601
 ≤0.10 ≤1.0 ≤0.521~2558~63  ≤0.015 ≤0.0031.0~1.7余量



二、耐腐蝕性(xing)能


  0Cr23Ni60Fe14Al合金耐高溫腐蝕,特別是抗高溫氧化的性能優異,最高使用溫度可達1260℃,在一些酸、堿等介質中,例如硝酸、NaOH、稀H3PO4中也具有良好的耐蝕性。


  1. 抗氧化性


  圖(tu)(tu) 3-3-30、圖(tu)(tu) 3-3-31 和 圖(tu)(tu) 3-3-33 系(xi)  0Cr23Ni60Fe14Al合(he)金(jin)(jin)與(yu)(yu) 0Cr15Ni75Fe(Inconel 600)、0Cr20Ni32Fe (Inconel 800)兩種合(he)金(jin)(jin)高(gao)(gao)溫抗(kang)氧(yang)(yang)化(hua)性(xing)能的比較結(jie)果,由圖(tu)(tu)可以看出,即使(shi)加(jia)熱到1260℃,0Cr23Ni60Fe14Al合(he)金(jin)(jin)仍具(ju)有良(liang)好(hao)的抗(kang)氧(yang)(yang)化(hua)性(xing)。這主要(yao)是(shi)此合(he)金(jin)(jin)表面在高(gao)(gao)溫下能夠形成非(fei)常致密且黏(nian)附性(xing)好(hao)的氧(yang)(yang)化(hua)膜。圖(tu)(tu)3-3-32系(xi)國內在1150℃對 0Cr23Ni60Fe14Al所進行的抗(kang)氧(yang)(yang)化(hua)性(xing)試驗結(jie)果。顯然此合(he)金(jin)(jin)的抗(kang)氧(yang)(yang)化(hua)性(xing)能與(yu)(yu)其他鎳基(ji)高(gao)(gao)鉻(ge)耐蝕(shi)合(he)金(jin)(jin)相比處于同一水平。


圖 3-30.jpg


圖 3-32.jpg


  2. 抗(kang)硫化性(xing)能


  在1.5%H2S+98.5%H2氣中,于650~750℃中進行的試驗結果見圖3-3-34。由圖可知,0Cr23Ni60Fe14Al合金具有較好的抗硫化性能。


圖 3-34.jpg



 3. 耐全面腐蝕性能


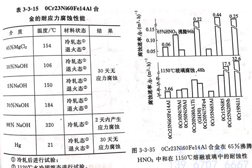
  在一些酸、堿、鹽介質中,0Cr23Ni60Fe14Al合金的耐蝕性與0Cr15Ni75Fe合金相近。因此,0Cr15Ni75Fe合金的耐蝕性數據也可供參考。0Cr23Ni60Fe14Al合金在一些介質中耐蝕性數據見表3-3-12~表3-3-14。圖3-3-35系國產合金在沸騰65%HNO3中和1150℃高溫玻璃中進行的腐蝕試驗結果。


表 3-12.jpg


  4.  耐應力腐蝕性(xing)能


 0Cr23Ni60Fe14Al合金中的高鎳含量,故(gu)其耐氯化(hua)物、氫(qing)氧(yang)化(hua)物的應(ying)力腐蝕性能也很好。表 3-3-15 是一些試驗結果。


圖 3-35.jpg



三(san)、力學性能


 表(biao)3-3-16系0Cr23Ni60Fe14Al合金在熱加工(gong)和固溶狀態(tai)下,一些(xie)冶金產(chan)品(pin)(板(ban)、棒(bang)、管、絲(si)等)的室溫力學性能。


表 3-16.jpg


  圖3-3-36和圖3-3-37經(jing)不同溫(wen)度固(gu)溶處理(li)的0Cr23Ni60Fe14Al合金棒材的高溫(wen)力學性能,試驗用(yong)棒材尺(chi)寸為(wei)Φ16mm。


  表3-3-17和表3-3-18系0Cr23Ni60Fe14Al合金(jin)的沖擊韌性。由表可知,即(ji)使經過(guo)中溫(540~870℃)長期時效,此合金(jin)仍無脆化傾向。


圖 3-39.jpg


  圖3-3-38和(he)圖3-3-39分別為(wei)此(ci)合金的(de)(de)旋轉、懸臂梁(liang)疲勞試驗結果(guo)。圖3-3-40 和(he)圖3-3-41分別為(wei)0Cr23Ni60Fe14Al合金的(de)(de)高溫蠕變和(he)高溫持(chi)久性(xing)能。從(cong)圖3-3-41可(ke)知(zhi),980℃固溶較1150℃固溶處理具有更高的(de)(de)持(chi)久強(qiang)度。


圖 3-41.jpg



四、物理性能


  物理性能見表 3-3-19


表 3-17.jpg


五(wu)、焊接性(xing)能


  0Cr23Ni60Fe14A1合金具有良好的可焊(han)性(xing)。表(biao)3-3-20系根據使用環(huan)境所(suo)推薦的焊(han)接條件(jian)、焊(han)接方法和(he)焊(han)條、焊(han)絲(si)選擇。


表 3-20.jpg


六、冷熱加(jia)工及成型性能


  0Cr23Ni60Fe14Al合(he)金(jin)(jin)具有(you)良好的(de)冷(leng)、熱(re)加(jia)工(gong)性(xing)能。適宜的(de)熱(re)加(jia)工(gong)變(bian)(bian)形溫度為870~1230℃。當大變(bian)(bian)形量加(jia)工(gong)時,要(yao)(yao)在1040~1230℃間進行。由于此(ci)合(he)金(jin)(jin)在650~871℃間有(you)一(yi)低塑性(xing)區(qu),因此(ci),熱(re)加(jia)工(gong)變(bian)(bian)形不能在此(ci)溫度范圍內進行。熱(re)加(jia)工(gong)后的(de)冷(leng)卻(que)速度一(yi)般沒有(you)限制,但為了防(fang)止敏(min)化,冷(leng)卻(que)過程中(zhong)通(tong)過540~760℃時要(yao)(yao)盡量快。圖3-3-42系0Cr23Ni60Fe14Al合(he)金(jin)(jin)加(jia)工(gong)硬化性(xing)能,顯(xian)然,0Cr23Ni60Fe14Al 合(he)金(jin)(jin)的(de)此(ci)種性(xing)能與前述(shu)0Cr15Ni75Fe極相近(jin)。


圖3-42.jpg


七、熱處(chu)理


  0Cr23Ni60Fe14Al合金的熱(re)處(chu)理工藝為(wei)1100~1150℃左(zuo)右加(jia)熱(re)后急冷(leng)。在某些條件下亦可在980℃左(zuo)右加(jia)熱(re)后空冷(leng)。


八、應(ying)用(yong)


  由(you)于 0Cr23Ni60Fe14Al 合金(jin)具(ju)有良好的抗(kang)氧化性和(he)耐(nai)腐蝕(shi)性,因而主要(yao)用(yong)于加熱設備、化學工業(ye)、環境污染(ran)控制(zhi)(zhi)、蘭、航天以及動力工業(ye)中(zhong)。例(li)如,制(zhi)(zhi)造退火、滲(shen)碳、氮(dan)化等(deng)熱處(chu)理設備、部(bu)件;備種工業(ye)爐用(yong)輻射管(guan)、套筒、火焰屏蔽(bi)、燃氣噴嘴、電阻(zu)加熱元件、電阻(zu)絲套管(guan);工業(ye)用(yong)冷受器管(guan)、儲(chu)酸(suan)生產中(zhong)的一(yi)些設備部(bu)件等(deng)。0Cr23Ni60Fe14AI合金(jin)的治金(jin)產品(pin)有板、管(guan)、絲、帶、棒(bang)、鍛(duan)件等(deng)各種產品(pin)。