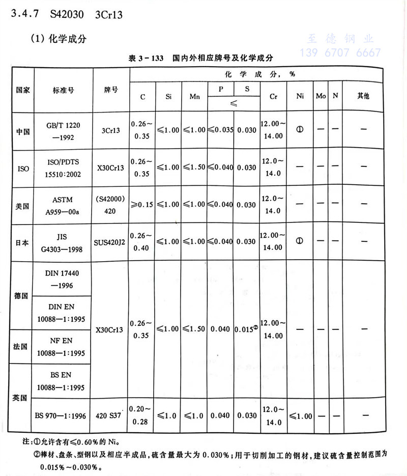
S42030 3Cr13 不(bu)銹(xiu)鋼主要特性和用途


  比1Cr132Cr13鋼含碳量高,所以具有更高的強度、硬度和淬透性。但這種鋼的耐蝕性和在700℃以下的熱穩定性比1Cr13、2Cr13低,焊接性能差。


  用于制造要(yao)求強度較高的(de)結構件(jian),受高應力機械載荷(he)并在一(yi)些腐蝕介(jie)質作(zuo)用下的(de)磨(mo)損件(jian),如300℃以下工作(zuo)的(de)刀具(ju)、彈簧,400℃以下工作(zuo)的(de)軸(zhou)、螺栓、閥門、軸(zhou)承、閥座和(he)噴嘴等。也常(chang)用來制造測量器械、醫用工具(ju)。