香蕉视频app破解码

馬氏體不銹鋼 |martensiti stainless steel

馬(ma)氏(shi)(shi)體不(bu)銹(xiu)(xiu)鋼(gang)是一(yi)類(lei)可通過(guo)熱處理(淬(cui)火回火)對其性能進行調整的(de)(de)(de)(de)(de)不(bu)銹(xiu)(xiu)鋼(gang),通俗地講是一(yi)類(lei)可硬(ying)化的(de)(de)(de)(de)(de)不(bu)銹(xiu)(xiu)鋼(gang),此(ci)類(lei)鋼(gang)具(ju)有(you)(you)高的(de)(de)(de)(de)(de)硬(ying)度、良好的(de)(de)(de)(de)(de)力(li)學性能和不(bu)銹(xiu)(xiu)性,這些特性決定(ding)了(le)此(ci)類(lei)鋼(gang)必(bi)須具(ju)備(bei)兩個基本條(tiao)件(jian):其一(yi),在平衡相圖(tu)中必(bi)須有(you)(you)奧氏(shi)(shi)體相區存在;其二,為使鋼(gang)形成耐(nai)腐蝕(shi)的(de)(de)(de)(de)(de)鈍化膜,鉻含量(liang)(liang)必(bi)須在10.5%以上。馬(ma)氏(shi)(shi)體不(bu)銹(xiu)(xiu)鋼(gang)在淬(cui)火狀(zhuang)態下(xia)具(ju)有(you)(you)體心四(si)方晶體結構(gou)(馬(ma)氏(shi)(shi)體),具(ju)有(you)(you)鐵(tie)磁性,在較弱腐蝕(shi)環境中具(ju)有(you)(you)耐(nai)蝕(shi)性。鋼(gang)中的(de)(de)(de)(de)(de)鉻含量(liang)(liang)可達(da)18%,碳可以超過(guo)1.2%。

產品分類 / 用途

2Cr13、20Cr13、420

  2Cr13、20Cr13、420 不銹(xiu)鋼是香蕉視頻app破解碼:馬氏體不銹鋼,其主(zhu)要性能類似(si)1Cr13不銹鋼(gang)。由于含碳量較高(gao),其強度、硬度高(gao)于香蕉視頻app破解碼:1Cr13,而(er)韌性(xing)和耐(nai)(nai)蝕(shi)性(xing)略低(di)。熱(re)處(chu)理后經拋光,在弱腐蝕(shi)介質(如(ru)鹽水溶液、硝酸(suan)及某些濃度(du)不高的有(you)機酸(suan)食(shi)品(pin)生產介質)中,溫度(du)不高(大約30℃以下)的條件(jian)下,具有(you)良好的耐(nai)(nai)蝕(shi)性(xing)。在淡水、海水、蒸汽、潮濕大氣(qi)條件(jian)下亦(yi)表現出良好的可(ke)用的耐(nai)(nai)蝕(shi)性(xing)。在硫酸(suan)、鹽酸(suan)、熱(re)硝酸(suan)、熔(rong)融(rong)堿等介質中耐(nai)(nai)蝕(shi)性(xing)較差(cha)。此外(wai),2Cr13、20Cr13、420 香蕉視頻app破解碼:不銹鋼在700℃以下具(ju)(ju)有足夠的強度、熱穩定性(xing)和(he)(he)良好的減振性(xing)。2Cr13、20Cr13、420 不銹鋼(gang)主(zhu)要用于制造承受高(gao)應力負荷的零件,如汽輪(lun)機(ji)葉片、熱油(you)泵軸(zhou)和(he)(he)軸(zhou)套、葉輪(lun)、水(shui)壓機(ji)閥片等(deng)(deng),亦(yi)可(ke)用于造紙工(gong)業和(he)(he)醫療器械以及日用消費領域(yu)的刀具(ju)(ju)、餐具(ju)(ju)等(deng)(deng)。


一、化(hua)學成分


 2Cr13、20Cr13、420 不銹鋼的化學成分見表3-19。


表 19.jpg


二(er)、室溫力(li)學性能


 2Cr13、20Cr13、420 不銹鋼的(de)室(shi)溫力學性能見(jian)表3-20。熱處理與室(shi)溫力學性能的(de)關系見(jian)圖3-8至圖3-10。



三、疲勞和斷裂韌性


 2Cr13、20Cr13、420 不銹鋼的室溫旋(xuan)轉彎(wan)曲疲勞性能(neng)見(jian)表(biao)3-21和(he)圖(tu)3-11和(he)圖(tu)3-12。


11.jpg


 2Cr13、20Cr13、420 不銹鋼(1000℃油淬,700℃回火)的高(gao)溫疲勞(lao)和腐蝕疲勞(lao)行為(wei)分別(bie)見(jian)圖(tu)3-13和圖(tu)3-14。2Cr13鋼光滑和缺口試樣(yang)彎曲疲勞(lao)極(ji)限(xian)見(jian)表3-22。



 2Cr13、20Cr13、420 不銹(xiu)鋼的疲(pi)勞(lao)裂(lie)紋(wen)擴展(zhan)速率(lv)和疲(pi)勞(lao)裂(lie)紋(wen)擴展(zhan)門檻值的測室(shi)結果見表3-23和表3-24。試樣為11mm×44mm緊湊拉(la)伸試樣。


表 23.jpg


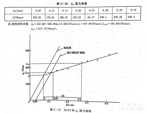
 2Cr13、20Cr13、420 不銹鋼(gang)的(de)JR阻力曲線(xian)的(de)測試(shi)(shi)結果見表3-25和圖3-15,試(shi)(shi)樣為20mm×24mm×96mm三點彎曲試(shi)(shi)樣。


15.jpg


  不同熱處理狀態的2Cr13鋼的斷裂韌性和SCC的門(men)檻值見(jian)表3-26。


表 26.jpg


四、高溫力學性能


 2Cr13、20Cr13、420 不(bu)銹鋼的(de)高(gao)溫瞬時(shi)拉伸(shen)性能見表3-27。


表 27.jpg


 2Cr13、20Cr13、420 不銹鋼(gang)的持久和蠕變性(xing)能見表3-28和表3-29。


表 28.jpg


五、耐蝕性


 2Cr13、20Cr13、420 不銹(xiu)鋼的耐蝕性能見表3-30。鋼的腐蝕疲勞性能見圖(tu)3-16。


表 30.jpg


六、工藝性能


a. 熱加(jia)工 


    不(bu)銹鋼(gang)的熱(re)(re)加(jia)工性(xing)能良好,適(shi)宜的熱(re)(re)加(jia)工溫(wen)度(du)區間(jian)為850~1200℃,熱(re)(re)變(bian)形終了應(ying)采用(yong)砂冷(leng)或及時退火,熱(re)(re)加(jia)工的升溫(wen)操(cao)作應(ying)緩慢,在低于(yu)850℃時應(ying)緩慢加(jia)熱(re)(re),冷(leng)裝爐(lu)溫(wen)度(du)≤800℃。


 b. 冷加工 


   冷(leng)加(jia)工性能良好,可(ke)進行冷(leng)軋、冷(leng)沖壓、深(shen)拉等加(jia)工操作,消除應力退火可(ke)采用730~780℃回(hui)火。


  c. 熱處理 


  2Cr13、20Cr13、420 不銹鋼的熱(re)處理工(gong)藝見(jian)表3-31。


表 31.jpg


 d. 焊接 


  2Cr13、20Cr13、420 不(bu)(bu)銹鋼焊(han)后硬(ying)化傾向(xiang)大,易出現裂(lie)紋,若用Cr202、Cr207焊(han)條焊(han)接(jie)時,焊(han)前需經250~350℃預熱,焊(han)后需經700~750℃回(hui)火(huo);若用奧107、奧207焊(han)條焊(han)接(jie),可不(bu)(bu)進行焊(han)后熱處理(li)。


七、物理性能


  2Cr13、20Cr13、420 不銹鋼的(de)物理性能(neng)(neng)和(he)衰(shuai)減(jian)性能(neng)(neng)見(jian)表3-32。


表 32.jpg


八、應用


   經熱處理后的(de)(de)2Cr13、20Cr13、420 不銹鋼,可用于承(cheng)受較高(gao)應(ying)(ying)力的(de)(de)零部件,如透平后幾級及低溫段長葉片、閥、閥件、熱裂設備(bei),緊固件等。亦(yi)大量應(ying)(ying)用于造紙(zhi)工業刀具,食品(pin)加工機械及餐具。