要提高不銹鋼的耐腐蝕性,首先要注意的是不銹鋼(gang)的化學成分和組織,這是引起電化學腐蝕的內在原因,而腐蝕介質、溫度等是外因;尤其是鋼的化學成分,決定著電極電位差的大小和腐蝕電流的大小。


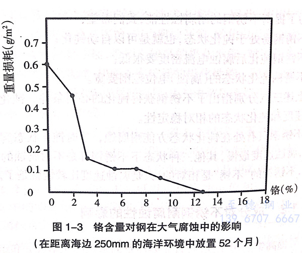
 鉻(ge)是不銹(xiu)鋼都含(han)(han)有(you)的(de)(de)(de)元素(su),鉻(ge)是鐵素(su)體形(xing)成元素(su)。鉻(ge)的(de)(de)(de)主要作用是耐腐蝕(shi)。從圖(tu)1-3中(zhong)可(ke)以(yi)(yi)看(kan)出在鋼中(zhong)添(tian)加鉻(ge)對腐蝕(shi)性(xing)的(de)(de)(de)影響(xiang)。當金屬中(zhong)鉻(ge)含(han)(han)量(liang)(liang)達到12%時,在大氣環境(jing)下或在氧(yang)化(hua)(hua)(hua)性(xing)介(jie)質中(zhong)鉻(ge)可(ke)以(yi)(yi)自(zi)發形(xing)成一種穩(wen)定(ding)(ding)的(de)(de)(de)、透明(ming)的(de)(de)(de)、極薄的(de)(de)(de)鈍(dun)化(hua)(hua)(hua)膜來阻(zu)止腐蝕(shi),使(shi)金屬基本上(shang)不會生銹(xiu)。較高(gao)(gao)的(de)(de)(de)合金含(han)(han)量(liang)(liang)可(ke)通過強化(hua)(hua)(hua)薄膜和快速自(zi)我修復薄膜來提高(gao)(gao)抗腐蝕(shi)性(xing)。不銹(xiu)鋼的(de)(de)(de)鉻(ge)含(han)(han)量(liang)(liang)上(shang)限為(wei)30%.在氧(yang)化(hua)(hua)(hua)膜中(zhong),鉻(ge)與鐵的(de)(de)(de)比例(li)可(ke)以(yi)(yi)有(you)很大的(de)(de)(de)變動,鉻(ge)最高(gao)(gao)可(ke)達到鐵的(de)(de)(de)9倍。這種富鉻(ge)的(de)(de)(de)氧(yang)化(hua)(hua)(hua)膜具有(you)尖晶石(shi)點陣,在許多介(jie)質中(zhong)都有(you)很高(gao)(gao)的(de)(de)(de)穩(wen)定(ding)(ding)性(xing)。當鋼中(zhong)鉻(ge)含(han)(han)量(liang)(liang)低于10%時,鈍(dun)化(hua)(hua)(hua)膜中(zhong)不存在鉻(ge)的(de)(de)(de)氧(yang)化(hua)(hua)(hua)物。


圖 3.jpg


 不銹鋼所以耐腐蝕,主要是由于其表面有厚10埃以上的富集的鉻的氧化物薄膜。這層富集的鉻的氧化物薄膜,將其金屬與外部環境的聯系隔斷,達到防腐蝕的目的。這層氧化膜厚度一般在20~30埃之間,成分為Cr2O3,極其致密,與一般化學品不發生反應,氧和腐蝕物質無法通過這層氧化膜腐蝕內部基體。


 鎳(nie)是奧氏(shi)體(ti)(ti)的穩定元(yuan)素(su),鎳(nie)可(ke)(ke)將奧氏(shi)體(ti)(ti)使用(yong)(yong)范圍擴大到(dao)低溫區從圖(tu)1-4可(ke)(ke)以看(kan)出(chu)鎳(nie)的作用(yong)(yong)。在(zai)圖(tu)1-4中(zhong),斜(xie)線(xian)以上所示(shi)溫度下奧氏(shi)體(ti)(ti)是穩定的;在(zai)這條線(xian)以下,鐵素(su)體(ti)(ti)和(he)(he)馬氏(shi)體(ti)(ti)都具有穩定的晶(jing)體(ti)(ti)結構。鎳(nie)可(ke)(ke)提(ti)高韌性和(he)(he)延展性,使之更易(yi)于加工、制造和(he)(he)焊接,增強(qiang)抗酸(suan)的腐(fu)蝕能力,保持(chi)鈍(dun)化(hua)膜的能力及(ji)在(zai)腐(fu)蝕介質中(zhong)的抗蝕能力。


圖 4.jpg


  在不(bu)(bu)銹(xiu)鋼中(zhong)(zhong)(zhong)加入(ru)(ru)鎳(nie)(nie)(nie)時,耐(nai)腐(fu)(fu)蝕性(xing)(xing)有(you)所改善。鎳(nie)(nie)(nie)較(jiao)難氧(yang)化(hua)(hua),故氧(yang)化(hua)(hua)膜中(zhong)(zhong)(zhong)鎳(nie)(nie)(nie)含量較(jiao)少;氧(yang)化(hua)(hua)膜下富(fu)集了鎳(nie)(nie)(nie),可增加氧(yang)化(hua)(hua)膜的穩(wen)定性(xing)(xing),尤其是在非氧(yang)化(hua)(hua)性(xing)(xing)的硫(liu)(liu)(liu)酸(suan)中(zhong)(zhong)(zhong)更為顯著。將鎳(nie)(nie)(nie)加入(ru)(ru)鉻不(bu)(bu)銹(xiu)鋼中(zhong)(zhong)(zhong)就(jiu)會提高其在硫(liu)(liu)(liu)酸(suan)、醋(cu)酸(suan)、草酸(suan)及中(zhong)(zhong)(zhong)性(xing)(xing)鹽(特別(bie)是硫(liu)(liu)(liu)酸(suan)鹽)中(zhong)(zhong)(zhong)的耐(nai)腐(fu)(fu)蝕性(xing)(xing)。


 錳類似于鎳,當添加錳或用(yong)錳替代鎳時,都(dou)會(hui)提高(gao)不(bu)銹(xiu)鋼的強度。在(zai)(zai)鉻(ge)不銹(xiu)鋼(gang)中加入錳(meng)(在(zai)(zai)Cr≥17%的(de)情況下),對(dui)鋼(gang)的(de)耐(nai)蝕(shi)性沒有(you)多大(da)的(de)影響。但錳(meng)可以(yi)大(da)大(da)提(ti)高鉻(ge)不銹(xiu)鋼(gang)在(zai)(zai)有(you)機酸(如醋(cu)酸、甲酸、乙(yi)醇酸)中的(de)耐(nai)腐蝕(shi)性,促使鉻(ge)不銹(xiu)鋼(gang)達(da)到(dao)鈍化狀(zhuang)態(tai),在(zai)(zai)這方面錳(meng)的(de)作用比鎳的(de)用更明顯(xian)。


可提高(gao)鈍化膜的(de)(de)(de)強度(du)(du),增(zeng)強耐局部腐蝕(shi)性,如耐點蝕(shi)、縫(feng)隙腐蝕(shi),特別(bie)是在鹵(lu)鹽或(huo)海水(shui)中有氯(lv)(lv)離子的(de)(de)(de)情(qing)況下。鉬也可提高(gao)對氯(lv)(lv)化物(wu)應力(li)腐蝕(shi)斷裂(lie)的(de)(de)(de)抵抗(kang)能(neng)力(li)。利(li)用固溶強化的(de)(de)(de)方法,鉬可提高(gao)奧氏體不銹(xiu)鋼(gang)的(de)(de)(de)高(gao)溫強度(du)(du)和馬氏體不銹(xiu)鋼(gang)的(de)(de)(de)抗(kang)回火能(neng)力(li)。


鉬(mu)能(neng)提高(gao)(gao)不(bu)銹鋼(gang)(gang)的鈍化(hua)(hua)能(neng)力,擴大不(bu)銹鋼(gang)(gang)的鈍化(hua)(hua)介(jie)質范圍(wei)。如在(zai)熱硫酸、稀鹽(yan)酸、磷酸及(ji)有(you)機酸中(zhong),含(han)鉬(mu)的不(bu)銹鋼(gang)(gang)都有(you)滿意的使用效果(guo)。不(bu)銹鋼(gang)(gang)中(zhong)加入鉬(mu),可(ke)以形成(cheng)含(han)鉬(mu)的氧化(hua)(hua)膜。這(zhe)種含(han)鉬(mu)的氧化(hua)(hua)膜具有(you)更(geng)高(gao)(gao)的穩定性(xing),在(zai)許多強腐蝕介(jie)質中(zhong)都不(bu)易(yi)溶(rong)解。它還可(ke)以防止鹵族元素離(li)子(zi)(特(te)別是(shi)氯離(li)子(zi))對氧化(hua)(hua)膜的破壞。因為氯離(li)子(zi)半徑(jing)很小,可(ke)以穿(chuan)透不(bu)夠(gou)致密的氧化(hua)(hua)膜,與鋼(gang)(gang)起(qi)作用,生成(cheng)可(ke)溶(rong)的腐蝕產物(wu),在(zai)局部區域形成(cheng)點(dian)腐蝕。含(han)鉬(mu)的氧化(hua)(hua)膜對氯離(li)子(zi)有(you)足(zu)夠(gou)的穩定性(xing)。


 氮(dan)是穩定奧氏體的元素,可提高鋼的強度,在奧氏體及雙相不銹鋼中可增強耐點蝕及縫隙腐蝕的能力,并減少金屬間相(σ)在高溫或焊接時析出的機會。


 金(jin)屬(shu)間相是指由鋼中(zhong)(zhong)的(de)兩種或兩種以上的(de)金(jin)屬(shu)元(yuan)素構成(cheng)的(de)金(jin)屬(shu)間化合物,也簡稱為中(zhong)(zhong)間相。廣義(yi)地講(jiang),凡以元(yuan)素周期表中(zhong)(zhong)過渡族(zu)元(yuan)素(錳、鐵、鈷和鎳等(deng))為基體,含有(you)A副族(zu)元(yuan)素(鈦、釩和鉻等(deng))的(de)合金(jin)系(xi)在適合生(sheng)成(cheng)的(de)條件下(xia)都能(neng)形成(cheng)一(yi)系(xi)列金(jin)屬(shu)間相。


 鈦、鈮(ni)能優先與碳和氮結合形成碳化物和氮化物,改善高溫強度性能并阻止鉻的碳化物的形成,防止晶間腐蝕。鈮還可提高高溫蠕變斷裂強度。


 硅、鋁可改善抗氧化性能,硅還可以改善鑄造特性。


 銅(tong)(tong)可提(ti)高對(dui)稀(xi)酸特別(bie)是對(dui)硫(liu)酸的(de)抗酸能力(li);加入3%~4%的(de)銅(tong)(tong)具有低的(de)加工(gong)硬化率,易(yi)于成形,析(xi)出的(de)銅(tong)(tong)離子還(huan)有滅菌作(zuo)用。


 硫、硅(gui)和鉛可改善機械切削性能,但會降低耐腐蝕能力。


 鈰、鐿、鑭可提高抗氧(yang)化性。