高鉻鎳不銹鋼中的主要合金元素為鉻和鎳,其含量與配比對材料的綜合耐蝕性能至關重要。高鉻鎳不(bu)銹鋼常被用在濕法磷酸的生產設備上,在濕法磷酸生產工藝中,介質中含有磷礦石、硫酸、氯離子、氟離子等,工作溫度為80℃,因此,材料的腐蝕變得復雜和苛刻。該材料在這類介質中具有良好的耐蝕性能主要源于鉻和鎳的適當配合。林凡等人就高鉻鎳不銹鋼中鉻、鎳含量對腐蝕電化學特性的影響進行研究。結果表明,隨著鉻含量的增加,合金更容易鈍化;隨著鎳含量的提高,合金鈍態越穩定。高鉻鎳含量有利于合金鈍化膜的形成。



1. 高(gao)鉻鎳(nie)不銹鋼材料(liao)的制備(bei)


將原材(cai)料:微碳(tan)鉻鐵(tie)(tie)(tie)、鉬(mu)鐵(tie)(tie)(tie)、錳鐵(tie)(tie)(tie)、鈦(tai)鐵(tie)(tie)(tie)、結晶硅、電(dian)(dian)解(jie)鎳、電(dian)(dian)解(jie)銅(tong)、工(gong)業純鐵(tie)(tie)(tie)按一(yi)定(ding)比例在中頻感應爐(lu)(lu)內(nei)熔(rong)煉(lian)澆鑄成(cheng)試(shi)樣,出(chu)爐(lu)(lu)溫度(du)1530℃,澆注(zhu)溫度(du)約1450℃。三種試(shi)樣的化(hua)學成(cheng)分(fen)見表(biao)6-17。


表 17.jpg



2. 高鉻鎳不銹鋼實驗方法


 對(dui)1號、2號、3號材料進行陽極極化測(ce)試,測(ce)定材料在(zai)腐蝕介質中的致鈍(dun)電(dian)位、維鈍(dun)電(dian)位、維鈍(dun)電(dian)流、點蝕電(dian)位和(he)鈍(dun)化電(dian)位范(fan)圍。


 實驗介質: 


 磷酸(H3PO4)  54%  、氟離子(F-)  1%  、硫酸(H2SO4)  4%  、介質溫度  76℃  、氯離子(Cl-)  600mg/L


 測定(ding)2號、3號材(cai)料在氯離子分別(bie)為200mg/L、600mg/L、1000mg/L、2000mg/L的(de)上述介質中的(de)致鈍電位(wei)、維鈍電位(wei)和點蝕電位(wei)。


 采用(yong)俄歇電子能(neng)譜(AES)技術測定鈍化膜中各元素的深度分布(bu)。運用(yong)X射(she)線光電子能(neng)譜(XPS)對膜中各元素的氧化物(wu)組態進行(xing)分析(xi)。




3. 高鉻鎳不銹鋼中鉻、鎳含量(liang)對(dui)合金(jin)鈍化(hua)的影響



 a. 鉻含(han)量的影響


   圖(tu)6-10表示合金致鈍(dun)(dun)電(dian)位(wei)(wei)、維(wei)鈍(dun)(dun)電(dian)位(wei)(wei)與含鉻(ge)量的(de)(de)關系。由(you)圖(tu)6-10可見,當(dang)鉻(ge)含量增加時,陽極極化曲線的(de)(de)致鈍(dun)(dun)電(dian)位(wei)(wei)和(he)維(wei)鈍(dun)(dun)電(dian)位(wei)(wei)負移,使系統得到的(de)(de)腐蝕(shi)電(dian)位(wei)(wei)高(gao)于該金屬的(de)(de)致鈍(dun)(dun)電(dian)位(wei)(wei),促進(jin)了合金更(geng)快地(di)進(jin)入鈍(dun)(dun)態(tai)。或(huo)者說鉻(ge)量的(de)(de)增加,能使合金在更(geng)低的(de)(de)電(dian)位(wei)(wei)就(jiu)能鈍(dun)(dun)化。


圖 10.jpg


 b. 鎳(nie)含量的影響


   圖6-11為合金致鈍(dun)(dun)電流密(mi)度、維鈍(dun)(dun)電流密(mi)度與鎳(nie)含(han)量的(de)(de)關系。由圖可見(jian),合金在介質中的(de)(de)致鈍(dun)(dun)電流密(mi)度與維鈍(dun)(dun)電流密(mi)度隨鎳(nie)量的(de)(de)增加而變小。


圖 12.jpg


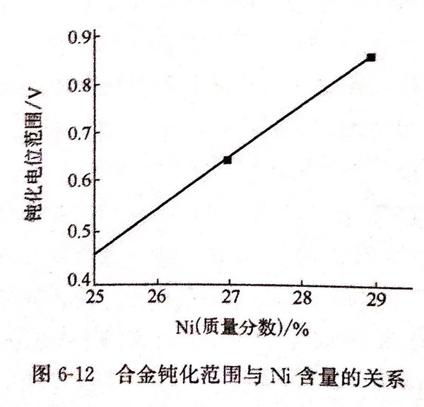
   圖6-12為合金鈍化范圍(wei)與鎳(nie)含量的(de)(de)關系。由圖6-12可見,合金在介質中的(de)(de)鈍化準圍(wei)隨鎳(nie)量的(de)(de)增加逐(zhu)漸變寬(kuan)。


  電(dian)(dian)(dian)化(hua)學(xue)反應的(de)陰極(ji)(ji)過程(cheng)受阻滯的(de)步驟通常認為是(shi)氫原子在(zai)(zai)電(dian)(dian)(dian)極(ji)(ji)上的(de)還(huan)原過程(cheng),氫在(zai)(zai)鎳(nie)表(biao)面(mian)反應交換電(dian)(dian)(dian)流密(mi)度較少(shao),因而隨著極(ji)(ji)化(hua)電(dian)(dian)(dian)位的(de)增加,合金的(de)維鈍電(dian)(dian)(dian)流仍能維持在(zai)(zai)較低的(de)水平,使(shi)鈍化(hua)狀態保(bao)持在(zai)(zai)較寬的(de)范圍內。同時鎳(nie)固溶于鈍化(hua)膜中,而且被氧化(hua)的(de)較少(shao),從而增加鈍化(hua)膜和金屬(shu)表(biao)層的(de)熱力學(xue)穩定(ding)性(xing)。



4. 介質中氯(lv)離子和(he)氟離子的(de)影響


  圖6-13為(wei)氯離子(zi)含量(liang)對合(he)金致鈍電(dian)位(wei)、維鈍電(dian)位(wei)的(de)(de)(de)影響(xiang)(xiang),圖6-14為(wei)氯離子(zi)對合(he)金過鈍化電(dian)位(wei)的(de)(de)(de)影響(xiang)(xiang)。由圖6-13可(ke)見(jian),在(zai)不(bu)同氯離子(zi)含量(liang)的(de)(de)(de)介質中(zhong),2號(hao)合(he)金的(de)(de)(de)致鈍電(dian)位(wei)和維鈍電(dian)位(wei)基本上(shang)低(di)于3號(hao)合(he)金。隨著鉻量(liang)的(de)(de)(de)增加,合(he)金更(geng)容易(yi)鈍化,說明在(zai)耐氯離子(zi)腐(fu)蝕中(zhong),有足夠鉻含量(liang)的(de)(de)(de)重要性。


圖 13.jpg


  由圖6-14可(ke)見,在不同氯(lv)離子(zi)含量的介質(zhi)中,3號(hao)合(he)金的過鈍(dun)化電位更(geng)正(zheng)些表明合(he)金的鈍(dun)化穩定性更(geng)強(qiang)些。


  反應介質中(zhong)(zhong)含有氯(lv)離(li)子和氟(fu)離(li)子,使(shi)已經(jing)鈍(dun)(dun)化(hua)(hua)的(de)合(he)(he)金重新(xin)活(huo)化(hua)(hua),除(chu)氫外,氯(lv)離(li)子的(de)活(huo)化(hua)(hua)能力大于(yu)(yu)氟(fu)離(li)子,而(er)氟(fu)離(li)子又(you)明顯增(zeng)加(jia)了(le)氯(lv)離(li)子對(dui)活(huo)化(hua)(hua)區陽(yang)極溶解的(de)去極化(hua)(hua)作用。因此,圖(tu)6-13、圖(tu)6-14所(suo)示的(de)應是氯(lv)離(li)子和氟(fu)離(li)子共同作用的(de)結果。研究(jiu)表(biao)(biao)明,增(zeng)加(jia)合(he)(he)金中(zhong)(zhong)的(de)鉻(ge)含量有利于(yu)(yu)合(he)(he)金在較低的(de)電位(wei)(wei)就進入(ru)鈍(dun)(dun)化(hua)(hua)狀(zhuang)(zhuang)態,更(geng)快地使(shi)合(he)(he)金表(biao)(biao)層形成較完整的(de)氧(yang)化(hua)(hua)膜,并在較低的(de)電位(wei)(wei)維持鈍(dun)(dun)態。從圖(tu)6-12、圖(tu)6-14的(de)結果可(ke)以看(kan)出,增(zeng)加(jia)合(he)(he)金的(de)鎳(nie)含量,可(ke)使(shi)3號合(he)(he)金的(de)鈍(dun)(dun)化(hua)(hua)范圍更(geng)寬,過(guo)鈍(dun)(dun)化(hua)(hua)電位(wei)(wei)更(geng)正。這表(biao)(biao)明鎳(nie)在合(he)(he)金中(zhong)(zhong)可(ke)以起到穩定(ding)合(he)(he)金表(biao)(biao)層鈍(dun)(dun)化(hua)(hua)狀(zhuang)(zhuang)態的(de)作用,并有助于(yu)(yu)延長發(fa)生孔(kong)蝕核的(de)誘導時間。



5. 合金鈍化膜的表層(ceng)結(jie)構分析(xi)


  圖6-15為合金(jin)鈍化(hua)(hua)膜中各元(yuan)素的深度分布曲線(AES),圖6-16為合金(jin)鈍化(hua)(hua)膜表層(ceng)的俄歇電子能譜(pu)圖(AES)。


圖 15.jpg


 對鈍(dun)化(hua)(hua)膜中(zhong)各元素氧化(hua)(hua)物的(de)組態(tai)進(jin)行了XPS分析,并將濺射前后鈍(dun)化(hua)(hua)膜表(biao)層和基(ji)體中(zhong)氧、鐵(tie)、鉻、鎳、鉬各元素的(de)氧化(hua)(hua)峰及金(jin)屬峰結(jie)合能與標(biao)準手冊上的(de)結(jie)合能進(jin)行對比。所測試(shi)到的(de)各元素的(de)結(jie)能均采用 OIs 峰進(jin)行標(biao)定,見表(biao) 6-18。


表 18.jpg


  從AES和XPS的分析結果可知,鈍化膜表層氧富集較多,其次是鉻和鐵。同時,在合金的鈍化膜表層中,鉻基本上全部氧化,以三氧化二鉻(Cr2O3)的形式存在。鐵有部分被氧化成氧化亞鐵(FeO)和三氧化二鐵(Fe2O3),鉬有部分被氧化成三氧化鉬(MoO3),而鎳只有少量被氧化成氧化鎳(NiO)。從氧的結合能可看到,鈍化膜主要是O-M-O鍵。這就使金屬與溶液界面上形成了一道屏障層。這種由O-M-O鍵組成的屏障,決定鈍化膜表面的活性點少,鈍化膜有高效的化學穩定性,不易受到破壞,而這些都與恰當的鉻、鎳匹配分不開。