1. 法蘭用墊片的(de)選擇(ze)


 壓力容器法蘭用墊片為非金屬軟墊片、纏繞墊片及金屬包覆墊片三種,具體可按NB/T47024-2012《非金屬軟墊片》、NB/T 47025-2012《纏繞墊片》和NB/T 47026-2012《金屬包覆墊片》等墊片標準選用。


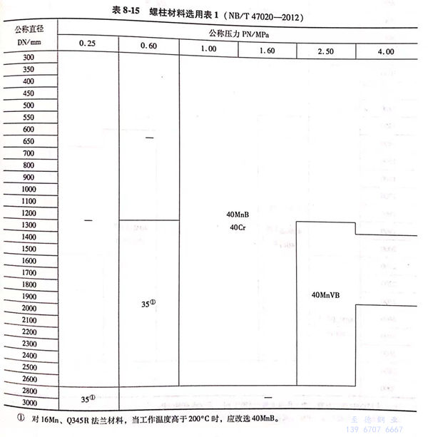
2. 法蘭用螺柱的選擇


  a. 螺柱材料(liao)的選用(yong) 


  壓力容器法蘭(lan)用(yong)螺柱材料選用(yong)表見表8-15~表8-17。





  b. 螺(luo)柱的(de)型式與尺寸


  法蘭用等長雙頭螺柱的(de)型式(shi)與尺寸應符合NB/T 47027-2012《等長雙頭螺柱》的(de)規定。



3.法(fa)蘭、墊片、螺(luo)柱與螺(luo)母材(cai)料匹配


 甲型平(ping)焊法(fa)蘭(lan)(lan)、乙型平(ping)焊法(fa)蘭(lan)(lan)和長頸對焊法(fa)蘭(lan)(lan)(以下簡稱甲型、乙型、長頸法(fa)蘭(lan)(lan))與墊片、螺柱與螺母材料的匹(pi)配(pei)(含適用溫(wen)度范圍)見表8-18。


 螺柱的硬(ying)度(du)(布氏硬(ying)度(du),HBW)應比(bi)螺母硬(ying)度(du)高(gao)20~30,相同強(qiang)度(du)級(ji)別的材料可(ke)以(yi)通過不同的熱處理(li)狀(zhuang)態實(shi)現。