1. 動電位極化曲線分析


   圖5.14為不同固溶溫度下2205雙(shuang)相不銹鋼在0.5mol/L 硫酸溶液中的極化曲線,從圖中可以看出,不同固溶溫度下的試樣極化曲線形狀相似,在陽極區都有一個很寬的鈍化區間,并且鈍化區寬度基本相同,均在-0.2~0.9V之間。這是由于硫酸是一種氧化性酸,雙相不銹鋼中Cr元素含量較高,Cr元素不僅可以降低雙相不銹鋼鈍化的難度,而且可以提高鈍化膜的穩定性,因此,處于0.5mol/L 硫酸溶液環境中在陽極溶解的過程中會發生鈍化。其具體擬合值如表5.5所列。



   表5.5中Esorr代表自腐蝕電位,Icorr代表自腐蝕電流Ip代表維鈍電流,自腐蝕電位只能代表材料的耐蝕傾向,而自腐蝕電流則可表示材料在溶液中的實際腐蝕速率。由表5.5中數據可知,不同固溶處理溫度下試樣的自腐蝕電位均在-0.4~-0.3V之間,自腐蝕電流大小均為10-6級別,這表明固溶溫度對雙相不銹鋼在硫酸溶液中的耐蝕性能沒有本質的改變,但是也有一些影響。當固溶溫度為950℃時,自腐蝕電流為6.92×10-6(A/c㎡),為所有固溶溫度試樣的最大值;當固溶溫度為1050℃時,自腐蝕電流為1.91×10-6(A/c㎡),為所有固溶溫度試樣的最小值。這表明,當固溶溫度為1050℃時,2205雙相不銹鋼在0.5mol/L 硫酸溶液中耐蝕性能達到最佳;當溫度為950℃時,由于σ相的影響,導致雙相不(bu)銹鋼耐蝕性能變差。


   維鈍電流密度的大小可以反映出材料鈍化膜的穩定性,維鈍電流密度越大說明鈍化膜穩定性越差。因此,當固溶溫度為950℃時,維鈍電流密度為1.58×10-4(A/c㎡),比其他固溶溫度下試樣的維鈍電流密度大了一個數量級,為所有固溶溫度試樣的最大值;當固溶溫度為1050℃時,維鈍電流密度為1.75×10-5(A/c㎡),為所有固溶溫度試樣的最小值。這表明1050℃固溶溫度下,在0.5mol/L 硫酸溶液中材料表面形成的鈍化膜最穩定也最致密;當溫度為950℃時,在0.5mol/L 硫酸溶液中材料表面形成的鈍化膜最不穩定,這是因為σ相的析出導致鐵素體與奧氏體中的Cr元素偏聚其中,導致σ相周圍形成貧Cr區,Cr元素為鈍化膜形成的組要元素,因此,材料表面不能形成很好的鈍化膜,鈍化膜的耐蝕性能下降。


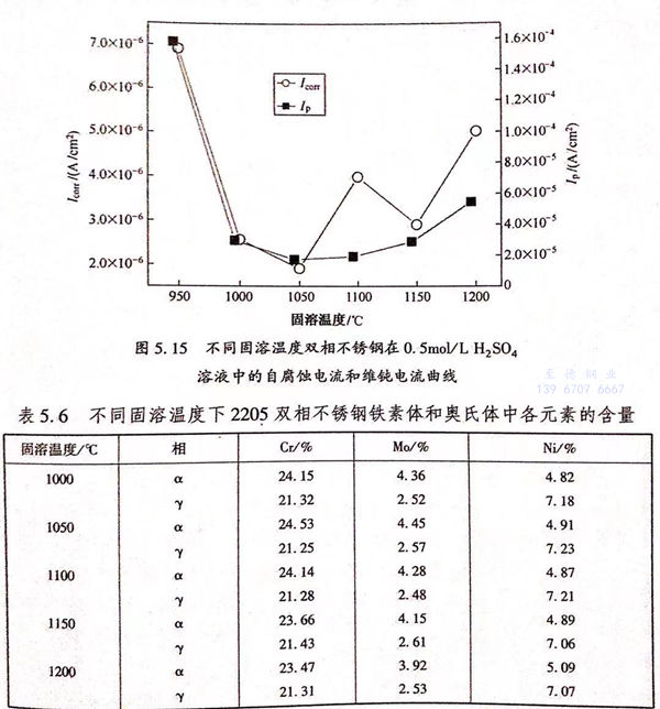
   圖5.15為不(bu)(bu)(bu)(bu)同固(gu)溶(rong)(rong)(rong)(rong)溫(wen)(wen)(wen)度(du)(du)雙(shuang)相(xiang)(xiang)不(bu)(bu)(bu)(bu)銹(xiu)鋼在(zai)0.5mol/L 硫酸溶(rong)(rong)(rong)(rong)液中自(zi)(zi)腐(fu)蝕(shi)(shi)(shi)電(dian)流(liu)(liu)和(he)(he)維鈍(dun)(dun)電(dian)流(liu)(liu)曲線,從圖中可(ke)以(yi)看出,自(zi)(zi)腐(fu)蝕(shi)(shi)(shi)電(dian)流(liu)(liu)和(he)(he)維鈍(dun)(dun)電(dian)流(liu)(liu)具有相(xiang)(xiang)同的(de)(de)(de)趨勢,隨著固(gu)溶(rong)(rong)(rong)(rong)溫(wen)(wen)(wen)度(du)(du)的(de)(de)(de)增加,2205雙(shuang)相(xiang)(xiang)不(bu)(bu)(bu)(bu)銹(xiu)鋼的(de)(de)(de)自(zi)(zi)腐(fu)蝕(shi)(shi)(shi)電(dian)流(liu)(liu)和(he)(he)維鈍(dun)(dun)電(dian)流(liu)(liu)均先下(xia)降后上升。當(dang)溫(wen)(wen)(wen)度(du)(du)為950℃時(shi),材(cai)料的(de)(de)(de)耐(nai)(nai)蝕(shi)(shi)(shi)性(xing)(xing)(xing)能(neng)(neng)和(he)(he)鈍(dun)(dun)化膜(mo)穩(wen)(wen)定(ding)(ding)性(xing)(xing)(xing)均為最(zui)差(cha),主要是由于σ相(xiang)(xiang)的(de)(de)(de)析出所導致。當(dang)固(gu)溶(rong)(rong)(rong)(rong)溫(wen)(wen)(wen)度(du)(du)達到1000℃后,σ相(xiang)(xiang)消失,雙(shuang)相(xiang)(xiang)不(bu)(bu)(bu)(bu)銹(xiu)鋼中只存在(zai)鐵(tie)(tie)素(su)(su)體(ti)(ti)(ti)與奧氏(shi)體(ti)(ti)(ti)兩(liang)(liang)相(xiang)(xiang),消除了第二相(xiang)(xiang)給材(cai)料耐(nai)(nai)蝕(shi)(shi)(shi)性(xing)(xing)(xing)能(neng)(neng)帶來的(de)(de)(de)負面影響,其耐(nai)(nai)蝕(shi)(shi)(shi)性(xing)(xing)(xing)能(neng)(neng)和(he)(he)鈍(dun)(dun)化膜(mo)穩(wen)(wen)定(ding)(ding)性(xing)(xing)(xing)均較950℃時(shi)有明(ming)顯提高。當(dang)溫(wen)(wen)(wen)度(du)(du)為1050℃時(shi)耐(nai)(nai)蝕(shi)(shi)(shi)性(xing)(xing)(xing)能(neng)(neng)和(he)(he)鈍(dun)(dun)化膜(mo)穩(wen)(wen)定(ding)(ding)性(xing)(xing)(xing)達到最(zui)佳(jia),此(ci)(ci)時(shi)雙(shuang)相(xiang)(xiang)不(bu)(bu)(bu)(bu)銹(xiu)鋼兩(liang)(liang)相(xiang)(xiang)比例基本達到1:1.表(biao)5.6為各(ge)固(gu)溶(rong)(rong)(rong)(rong)溫(wen)(wen)(wen)度(du)(du)下(xia)2205雙(shuang)相(xiang)(xiang)不(bu)(bu)(bu)(bu)銹(xiu)鋼鐵(tie)(tie)素(su)(su)體(ti)(ti)(ti)和(he)(he)奧氏(shi)體(ti)(ti)(ti)Cr、Mo、Ni的(de)(de)(de)元(yuan)(yuan)(yuan)素(su)(su)含(han)(han)量(liang),由表(biao)可(ke)知,奧氏(shi)體(ti)(ti)(ti)中Cr、Mo元(yuan)(yuan)(yuan)素(su)(su)含(han)(han)量(liang)基本相(xiang)(xiang)同,而(er)鐵(tie)(tie)素(su)(su)體(ti)(ti)(ti)中Cr元(yuan)(yuan)(yuan)素(su)(su)含(han)(han)量(liang)和(he)(he)Mo元(yuan)(yuan)(yuan)素(su)(su)含(han)(han)量(liang)最(zui)高,即此(ci)(ci)時(shi)各(ge)元(yuan)(yuan)(yuan)素(su)(su)在(zai)兩(liang)(liang)相(xiang)(xiang)中的(de)(de)(de)分布達到最(zui)佳(jia)狀態(tai)。隨著溫(wen)(wen)(wen)度(du)(du)的(de)(de)(de)繼(ji)續升高,自(zi)(zi)腐(fu)蝕(shi)(shi)(shi)電(dian)流(liu)(liu)和(he)(he)維鈍(dun)(dun)電(dian)流(liu)(liu)均上升,并與1200℃時(shi)達到另外一個(ge)峰(feng)值。由于隨著固(gu)溶(rong)(rong)(rong)(rong)溫(wen)(wen)(wen)度(du)(du)的(de)(de)(de)升高,鐵(tie)(tie)素(su)(su)體(ti)(ti)(ti)與奧氏(shi)體(ti)(ti)(ti)兩(liang)(liang)相(xiang)(xiang)比例逐(zhu)(zhu)漸偏(pian)離(li)1:1,而(er)從表(biao)5.6中可(ke)以(yi)看出此(ci)(ci)時(shi)鐵(tie)(tie)素(su)(su)體(ti)(ti)(ti)含(han)(han)量(liang)不(bu)(bu)(bu)(bu)斷增加,奧氏(shi)體(ti)(ti)(ti)含(han)(han)量(liang)逐(zhu)(zhu)漸降低,鐵(tie)(tie)素(su)(su)體(ti)(ti)(ti)中Cr和(he)(he)Mo元(yuan)(yuan)(yuan)素(su)(su)含(han)(han)量(liang)降低,各(ge)元(yuan)(yuan)(yuan)素(su)(su)在(zai)兩(liang)(liang)相(xiang)(xiang)中的(de)(de)(de)分布偏(pian)離(li)最(zui)佳(jia)狀態(tai)。因此(ci)(ci),其耐(nai)(nai)蝕(shi)(shi)(shi)性(xing)(xing)(xing)和(he)(he)鈍(dun)(dun)化膜(mo)穩(wen)(wen)定(ding)(ding)性(xing)(xing)(xing)均變差(cha)。


15.jpg



2. 交(jiao)流阻抗測試分析


   圖5.16為不同固溶溫(wen)度(du)(du)試(shi)樣在0.5mol/L 硫酸溶液中的(de)(de)電化(hua)學阻抗譜Nyquist 曲線圖。從(cong)圖5.16中可知,所有固溶溫(wen)度(du)(du)下試(shi)樣的(de)(de)Nyquist 曲線均由~個(ge)較(jiao)大(da)的(de)(de)半圓(yuan)弧(hu)(hu)構成。比(bi)較(jiao)半圓(yuan)弧(hu)(hu)的(de)(de)直徑可知:1050℃>1000℃>1100℃>1150℃>1200℃>950℃.Nyquist曲線半圓(yuan)弧(hu)(hu)的(de)(de)直徑代表了材(cai)料耐(nai)蝕(shi)性能,直徑越大(da)說明材(cai)料耐(nai)蝕(shi)性能越好。因此(ci),材(cai)料在1050℃時(shi)耐(nai)蝕(shi)性能最好,950℃時(shi)耐(nai)蝕(shi)性能最差,這與極化(hua)曲線的(de)(de)結果(guo)相一致。

16.jpg

   不(bu)同固溶(rong)溫(wen)度(du)(du)下2205雙相(xiang)(xiang)不(bu)銹鋼(gang)(gang)阻(zu)(zu)(zu)抗等(deng)效電(dian)路和擬合(he)數(shu)據如圖5.17和表(biao)5.7所(suo)示(shi)。表(biao)5.7中(zhong)Rsol為溶(rong)液電(dian)阻(zu)(zu)(zu),Cl為雙電(dian)層電(dian)容,Rl為極(ji)化電(dian)阻(zu)(zu)(zu)。溶(rong)液電(dian)阻(zu)(zu)(zu)在2~6Ω/c㎡內波動,相(xiang)(xiang)比較極(ji)化電(dian)阻(zu)(zu)(zu)可以(yi)忽略不(bu)計,說明溶(rong)液本身(shen)的(de)(de)影響很(hen)小。極(ji)化電(dian)阻(zu)(zu)(zu)R1隨(sui)固溶(rong)溫(wen)度(du)(du)的(de)(de)變化曲(qu)線如圖5.18所(suo)示(shi)。從圖5.18中(zhong)可以(yi)看出,R1在1050℃達(da)(da)到最大值(zhi)(zhi)27290Ω/c㎡,在950℃達(da)(da)到最小值(zhi)(zhi)2579Ω/c㎡,并且隨(sui)著固溶(rong)溫(wen)度(du)(du)的(de)(de)升(sheng)高先增大后減小。表(biao)明當固溶(rong)溫(wen)度(du)(du)達(da)(da)到1050℃時,雙相(xiang)(xiang)不(bu)銹鋼(gang)(gang)的(de)(de)鈍(dun)化膜穩(wen)定性(xing)和致密程度(du)(du)最佳(jia),與溶(rong)液進行(xing)反(fan)應的(de)(de)速度(du)(du)最小,反(fan)應難度(du)(du)最大。這與極(ji)化曲(qu)線得到的(de)(de)結果(guo)相(xiang)(xiang)致。


17.jpg